1N4148 is too small, it only can take 100mA of continous current.
1N4001..1N4007 can take 1A of continous current, but to be on the safe side it's better to use a diode which is able to handle twice the current to be expected.
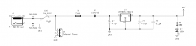
The price of Schottky diodes has dropped over the years, so I think that SB230 (or SB560) would be the best choice.
Would suggest to put a 330nF ceramic capacitor (or 3* 100nF in parallel) between the input of the 7805 and GND to prevent the 7805 from oscillating.
The 7805 datasheet gives some hints about what capacitors to use at the input and output of the 7805.
When inserting a diode into a power supply line like that, it becomes a RF demodulator,
means if your circuitry becomes part of a machine park where there is some RF interference to be expected
(and when your cable between wallwart and 7805 isn't too short for working as an antenna),
professional tinkerers put a 220pF..1nF ceramic capacitor in parallel to the diode to get rid of that effect.
(Because that capacitor in parallel to the diode plus the capacitor at the 7805 input would shunt RF signals to GND).
The problem with wallwarts is, that for some wallwarts the center pin of the output connector is VCC,
and that for some other wallwarts the center pin of the output connector is GND,
so to be on the safe side we can't get around using a diode.
If the diode is inserted into the power supply line,
it has a voltage drop, and Schottky diodes have a lower voltage drop.
Another approach would be putting the diode in reverse between the output of the fuse and GND,
so when a wallwart gives out a reverse polarity the diode becomes conducting and blows the fuse.
Note, that the 7805 needs more than 7.5V at the input for generating 5V at the output,
means when a 7.5V powered 7805 gives out 1A, it burns more than (7.5V - 5V) * 1A = 2.5W,
so for the sizing of the heatsink it's better to be safe than sorry.
The average hobby shop is supposed to have the 7805 on stock.
Another option would be buying the Microchip
MIC2940A-5.0WT low drop voltage regulator,
because it's more rugged than the 7805 (from the datasheet it can survive -20V...+60V at the input),
and because it's able to generate 5V from a 5.35V input voltage at 1A.
Also, there are switchmode DC-DC converters like the
TR2024S05 which are more power efficient than linear regulators.
If quality of wallwart (output) power jack connectors becomes a topic,
switchcraft connectors might be useful.
Sometimes we had to replace unreliable wallwart power jack connectors with switchcraft locking power jacks at work...