I'm fascinated by the little 3-chip(+) designs of the late 70's and early 80's that used a 6532 for 128 bytes of RAM plus I/O (like the Beta, CEPAC-6502, and EMUF-6504).
Last year I read about the John Bell Engineering "82-300" board which is the simplest design with a 6532 chip that I've seen so far. It uses an RC oscillator and the active components are a 6502, a 6532, a 2716 (2K) or 2532 (4K) EPROM, and a transistor. I haven't found a Manual yet but someone was kind enough to send me a copy of the hand drawn schematic that accompanied the 82-300 board kit. I've attached my interpretation of that schematic for anyone who may be interested.
Cheerful regards, Mike, K8LH
John Bell 6502 "82-300" Board Info'
John Bell 6502 "82-300" Board Info'
Last edited by Michael on Tue Oct 18, 2022 4:40 pm, edited 4 times in total.
Re: John Bell 6502 "82-300" Board Info'
Michael wrote:
I haven't found a Manual yet but someone was kind enough to send me a copy of the hand drawn schematic that accompanied the 82-300 board kit.

I just found this web site after searching for years. With this picture it was easy for me to buy the missing chip and heat the solder iron:

Look at the letters written on the original board and the Taiwan board! Funny taiwanese people
Regards, Ralf
Re: John Bell 6502 "82-300" Board Info'
Hi Michael,
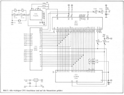
this is the CEPAC-6502 you mentioned. I call this thing SYMilar as it consist of a NMOS 6502, 6532, RAM, and ROM (but no 6522s) similar to the SYM-1.
It uses bit banging for serial I/O (like the SYM). And the monitor program is very similar to the SUPERMON. I added the RAM and the TTL<=>RS232 converter and used a 74LS138 (with 3 diodes forming an AND gate!!) to override the memory map. Now there is 24K (3x 8K) RAM, then 8K I/O (= 32x the 6532), and 32K ROM (last burned April 1996). The RAM, decoder, and RS232-level translator are built on a perfboard. There I used a wire pencil to connect the RAM to the VG-connector. This sort of wire is very thin and coated with a tough isolation that only melts away when soldered. This is a quick and dirty way of building a circuit and a very nasty one if you need to change something
In that time I managed to disassemble SYM-Basic V1.1 so far that I could transfer it to this board. Currently it is heavily computing prime gaps 
Once I found the article to this board once published in the German monthly c't somewhere (bitsavers?) but I saved a PDF (sorry only German). Cheers.
edit(1):
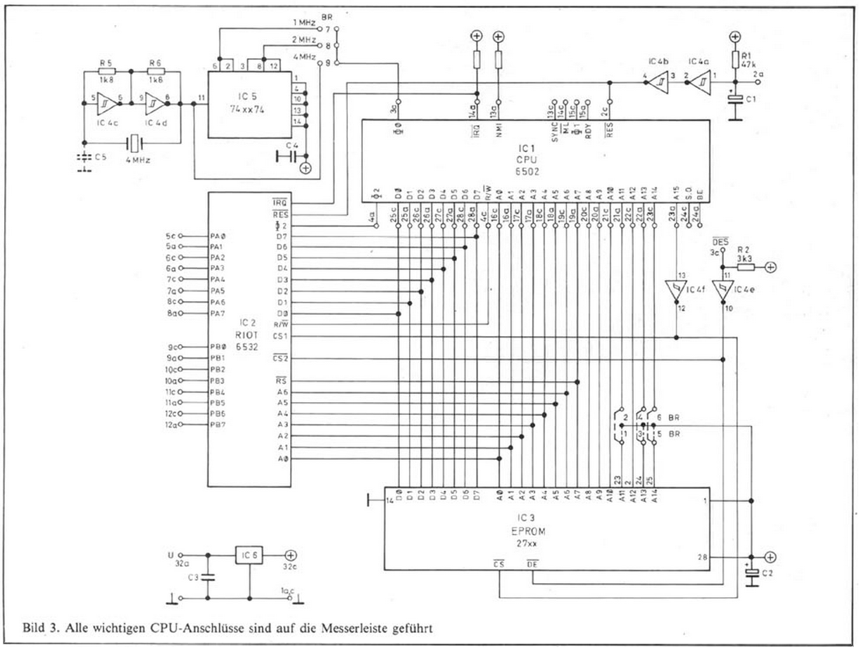
+ There is a bug in the schematic around the 74xx74 dual-FFs. Michael post below shows the corrected version!
+ I used a 74LS139 (not 138 as stated above) to generate a /CS (via 3 diodes wired AND) with one half LS139 and a qualified /WE with the other half.
this is the CEPAC-6502 you mentioned. I call this thing SYMilar as it consist of a NMOS 6502, 6532, RAM, and ROM (but no 6522s) similar to the SYM-1.
It uses bit banging for serial I/O (like the SYM). And the monitor program is very similar to the SUPERMON. I added the RAM and the TTL<=>RS232 converter and used a 74LS138 (with 3 diodes forming an AND gate!!) to override the memory map. Now there is 24K (3x 8K) RAM, then 8K I/O (= 32x the 6532), and 32K ROM (last burned April 1996). The RAM, decoder, and RS232-level translator are built on a perfboard. There I used a wire pencil to connect the RAM to the VG-connector. This sort of wire is very thin and coated with a tough isolation that only melts away when soldered. This is a quick and dirty way of building a circuit and a very nasty one if you need to change something
Once I found the article to this board once published in the German monthly c't somewhere (bitsavers?) but I saved a PDF (sorry only German). Cheers.
edit(1):
+ There is a bug in the schematic around the 74xx74 dual-FFs. Michael post below shows the corrected version!
+ I used a 74LS139 (not 138 as stated above) to generate a /CS (via 3 diodes wired AND) with one half LS139 and a qualified /WE with the other half.
Last edited by GaBuZoMeu on Fri Aug 31, 2018 7:31 pm, edited 1 time in total.
Re: John Bell 6502 "82-300" Board Info'
I like it!
Re: John Bell 6502 "82-300" Board Info'
Very nice CEPAC-6502 expansion.
Please note there was an errata published in a later c't issue about an error in the schematic around the 74xx74 in the clock circuit. I edited the schematic to include the correction (below).
Cheerful regards, Mike, K8LH
Please note there was an errata published in a later c't issue about an error in the schematic around the 74xx74 in the clock circuit. I edited the schematic to include the correction (below).
Cheerful regards, Mike, K8LH
Re: John Bell 6502 "82-300" Board Info'
Thank you, Mike!
I edited my post to point to the corrected schematic.
I edited my post to point to the corrected schematic.
Re: John Bell 6502 "82-300" Board Info'
Someone was kind enough to send me a copy of the documentation that came with the John Bell Engineering 82-300 board (attached below).
Cheerful regards, Mike, K8LH
<added>
wrong board manual. my apologies. I'm still lookin' for an 82-300 manual...
Cheerful regards, Mike, K8LH
<added>
wrong board manual. my apologies. I'm still lookin' for an 82-300 manual...
- Attachments
-
- John Bell 80-153 Manual.pdf
- (625.33 KiB) Downloaded 182 times
Last edited by Michael on Thu Oct 13, 2022 3:19 pm, edited 1 time in total.
Re: John Bell 6502 "82-300" Board Info'
Thanks Michael!
I had this 80-153 manual already several years on my John Bell page. I did add this spring some advertisements by John Bell, a large catalogue of small boards!
http://retro.hansotten.nl/6502-sbc/john ... ring-sbcs/
I had this 80-153 manual already several years on my John Bell page. I did add this spring some advertisements by John Bell, a large catalogue of small boards!
http://retro.hansotten.nl/6502-sbc/john ... ring-sbcs/
-
Dallas Shell
- Posts: 15
- Joined: 18 Nov 2002
Re: John Bell 6502 "82-300" Board Info'
Michael wrote:
I'm fascinated by the little 3-chip(+) designs of the late 70's and early 80's that used a 6532 for 128 bytes of RAM plus I/O (like the Beta, CEPAC-6502, and EMUF-6504).
Last year I read about the John Bell Engineering "82-300" board which is the simplest design with a 6532 chip that I've seen so far. It uses an RC oscillator and the active components are a 6502, a 6532, a 2716 (2K) or 2532 (4K) EPROM, and a transistor. I haven't found a Manual yet but someone was kind enough to send me a copy of the hand drawn schematic that accompanied the 82-300 board kit. I've attached my interpretation of that schematic for anyone who may be interested.
Cheerful regards, Mike, K8LH
Last year I read about the John Bell Engineering "82-300" board which is the simplest design with a 6532 chip that I've seen so far. It uses an RC oscillator and the active components are a 6502, a 6532, a 2716 (2K) or 2532 (4K) EPROM, and a transistor. I haven't found a Manual yet but someone was kind enough to send me a copy of the hand drawn schematic that accompanied the 82-300 board kit. I've attached my interpretation of that schematic for anyone who may be interested.
Cheerful regards, Mike, K8LH
- Attachments
-
- John Bell 82-300_01-19-2024.pdf
- I bought a number of boards from John Bell including the 82-300. The first ones came with a hand drawn schematic and later ones came with a dot matrix printed schematic. I have attached a scan of both drawings I received with the 82-300 boards.
John Bell part numbering system was Year Designed-Day Number of Year, so 82-300 was the 300th day of 1982. They did not have a manual that I a aware of, they just delivered with a schematic. The product was listed in his 1984 catalog as "TCM Module."
I bought a couple of fully assembled boards and many bare boards which I populated. I designed a product for a local industrial company using this micro board and two more custom boards. A display board, an A/D and D/A and digital I/O board which I designed and made-up my system. I built many units and still have all the prototype development hand made units.
Dallas Shell - (1007.72 KiB) Downloaded 158 times
Dallas Shell
SYM-1
web pages moved to 6502.org
SYM-1
web pages moved to 6502.org
-
Dallas Shell
- Posts: 15
- Joined: 18 Nov 2002
Re: John Bell 6502 "82-300" Board Info'
Dallas Shell wrote:
Michael wrote:
I'm fascinated by the little 3-chip(+) designs of the late 70's and early 80's that used a 6532 for 128 bytes of RAM plus I/O (like the Beta, CEPAC-6502, and EMUF-6504).
Last year I read about the John Bell Engineering "82-300" board which is the simplest design with a 6532 chip that I've seen so far. It uses an RC oscillator and the active components are a 6502, a 6532, a 2716 (2K) or 2532 (4K) EPROM, and a transistor. I haven't found a Manual yet but someone was kind enough to send me a copy of the hand drawn schematic that accompanied the 82-300 board kit. I've attached my interpretation of that schematic for anyone who may be interested.
Cheerful regards, Mike, K8LH
Last year I read about the John Bell Engineering "82-300" board which is the simplest design with a 6532 chip that I've seen so far. It uses an RC oscillator and the active components are a 6502, a 6532, a 2716 (2K) or 2532 (4K) EPROM, and a transistor. I haven't found a Manual yet but someone was kind enough to send me a copy of the hand drawn schematic that accompanied the 82-300 board kit. I've attached my interpretation of that schematic for anyone who may be interested.
Cheerful regards, Mike, K8LH
- Attachments
-
- John Bell Catalog Oct 1984_01-19-2024.pdf
- (5.92 MiB) Downloaded 133 times
-
- John bell 1988 catalog _01-19-2024 (1).pdf
- I have two John Bell catalogs, one from 1984 and one from 1988. The 84 was nearly all 6502 type systems. By 1988 it was VME, IMB and a few 6502.
They are both attached.
Dallas Shell, n5fee - (5.66 MiB) Downloaded 142 times
Dallas Shell
SYM-1
web pages moved to 6502.org
SYM-1
web pages moved to 6502.org
Re: John Bell 6502 "82-300" Board Info'
Hi Dallas:
Thank you for sharing those documents. I would love to see some pictures of your systems.
In the early 80's I wrote the firmware for the EPG (Electronic Program Guide), a 6502 based 'character generator' which was installed in the 'head end' at cable companies around the country. TV listing data was sent via land-line to an uplink near Chicago where it was inserted into one of the horizontal scan lines within the vertical blanking interval of the WGN signal (youtube video).
Take care. Cheerful regards, Mike, K8LH
Thank you for sharing those documents. I would love to see some pictures of your systems.
In the early 80's I wrote the firmware for the EPG (Electronic Program Guide), a 6502 based 'character generator' which was installed in the 'head end' at cable companies around the country. TV listing data was sent via land-line to an uplink near Chicago where it was inserted into one of the horizontal scan lines within the vertical blanking interval of the WGN signal (youtube video).
Take care. Cheerful regards, Mike, K8LH
Re: John Bell 6502 "82-300" Board Info'
In the early eighties I would have drooled over that catalogue; I was using the Tangerine Microtan 65 and designing essentially similar circuits at the time.
Curious that they didn't offer any sort of power supply (and I don't recall in the 84 catalogue seeing even a voltage/current spec for the cards, though I don't notice regulators on board so I assume 5v).
Neil
Curious that they didn't offer any sort of power supply (and I don't recall in the 84 catalogue seeing even a voltage/current spec for the cards, though I don't notice regulators on board so I assume 5v).
Neil