Bought a PET - Not working ^^

Building your first 6502-based project? We'll help you get started here.
Commodore_PET
Posts: 31
Joined: 19 May 2020
Location: Basel-Stadt, Switzerland

Re: Bought a PET - Not working ^^

Post by Commodore_PET »

The affected Socket is UC7.

All these tests are with the chip removed from UC7

1: I have tested the RESET and when turning it on, it goes to 0.20V for a short second before going to 5.12V
I measured 5V on Pin 11 of the UC7 socket so i assume this is 5V on that socket. When turning the machine on, it goes to 3V and then to 5V almost instantly.

2: im not entirely sure how to do that with my available tools, but setting the multimeter to AC i have range 600 and 200. I set it to 200. I connect ground with Phi2 (pin25) it reads 0.4 V.

3: The R/W signal is high (3.92V)

4: CS0 starts up to 2V but then falls to 0.06 after a very short time.
CS1 is 3.77V
CS2 is 4.06V

Also a few two pictures of the screen while testing R/W signal

Emmanuel
Attachments
IMG_2517.JPG
IMG_2518.JPG
Chromatix
Posts: 1462
Joined: 21 May 2018

Re: Bought a PET - Not working ^^

Post by Chromatix »

Okay, the AC voltage reading on Phi2 is clearly lower at the socket than you have measured elsewhere. I think that is your prime suspect right now. Power down and check continuity to other places it should be directly connected to - refer to the schematic.
Commodore_PET
Posts: 31
Joined: 19 May 2020
Location: Basel-Stadt, Switzerland

Re: Bought a PET - Not working ^^

Post by Commodore_PET »

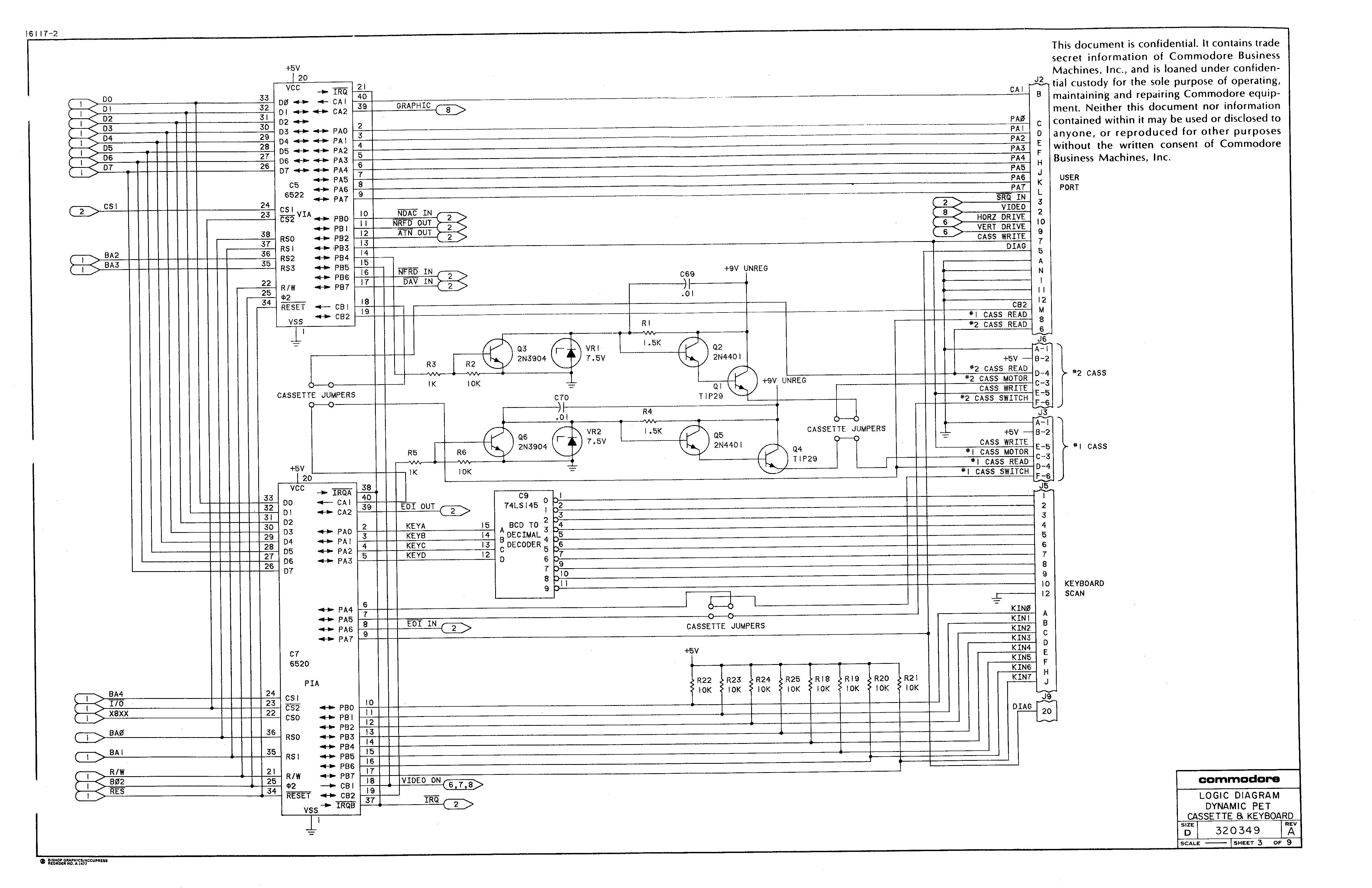
Ok, im testing continuity with the beeper now, im using the picture attached as a reference.

Ive found the the Phi2 going from from the UC7 socket to pin 25 on the 6522 chip. and the beeper does go off.
The Line leaving the schematic is labled BΦ2.

BΦ2 reappears on the "Display Logic" schematics, where it connects to Pin 1 of the 74LS10 chip (on the full board schematics, the part socket is called UG7).
The beeper does not go off.

BΦ2 also appears on the "Master Timing" schematics, where it connects to Pin 1 of the 74LS00 chip (on the full board schematics, the part socket is called UH5)
The beeper goes off.
Pin 1 of this chip is also connected with a jumper wire on the back connected a pin directly beneath the 74513 chip in socket UE6. I have yet to find out what connection this is exactly.

I do not find BΦ2 again, although i found BΦ2A thought BΦ2H, should i check all those too?

Emmanuel
Attachments
320349-3.gif
Chromatix
Posts: 1462
Joined: 21 May 2018

Re: Bought a PET - Not working ^^

Post by Chromatix »

Those extra signals are internal to the PET's master clock generator and can be disregarded for now. Focus on the B-Phi2 (meaning Buffered Phi2), which is generated by the 7417 at UA10 (first page of the schematic), and try to figure out why it is not continuous to all of the places it should be reaching.
Commodore_PET
Posts: 31
Joined: 19 May 2020
Location: Basel-Stadt, Switzerland

Re: Bought a PET - Not working ^^

Post by Commodore_PET »

Sorry the work week has started again.

So im struggling a bit, I think i have traced B-phi2 from the 7417 to everywhere except that Pin 1 on the 74LS10 chip in UG7. So i try to find where it physically runs but fail because when i check where pin 1 is connected to on the back of the board, it seems to be empty? See picture attached.

What am I doing wrong?

Also I have realized that Pin 1 of the 74LS00 chip that has continuity to the 7417 chip also looks empty from the back. But It has a wired connection to Pin 25 of the 6522 Chip

Emmanuel
Attachments
IMG_2519.JPG
Chromatix
Posts: 1462
Joined: 21 May 2018

Re: Bought a PET - Not working ^^

Post by Chromatix »

This board has traces on both sides, following the usual practice of running horizontally on one side and vertically on the other. It seems likely that pin 1 of UG7 is connected on the front side, though this fact might be hidden under the body of the chip. Pay attention to the possible presence of "vias" which move a signal from one side of the board to the other.
Commodore_PET
Posts: 31
Joined: 19 May 2020
Location: Basel-Stadt, Switzerland

Re: Bought a PET - Not working ^^

Post by Commodore_PET »

Hi again, man this board worries me. I tried again to find out why i dont have continuity to 74LS10 and i cant figure it out. I dont know how to work my way towards the issue, and i dont really know how to work my way backwards because i cannot find the trace that leaves pin 1 from 74LS10. The longer i look at the board, the more changes and fixes i find. I will attach more pictures.

For example, an chip 74LS00 i have the continuity i should. So i trace it back to 7417, just to see if i actually get the principal idea behind this exercise. On pin 1 top view of 74LS00 i see this:
0001a.PNG
I flip the board to see the back side and you see this:
0001b.PNG

The red circle are the soldered connections,
The yellow circle is a point in the line that was first cut and then a fixed again.

So this line connects to pin 25 of one of the 6522 in UC5. And i already know that pin 25 of 6522 is B-Phi2 so that sort of makes sense. I dont know if thats correct, or "valid", but this coupled with the fact that i cannot do what sounds like a pretty basic task makes me very insecure about what im trying to achieve. I know it must be extremely frustrating to try to help someone who doesnt know what hes doing.

Also, I do read the schematics right? there has to be a somewhat direct connection between pin 1 of 74LS10 and B-Phi2 coming out of 7417? It should not pass through chips? maybe use a "via" that could be directly beneath a chip to continue on the other side, but doesnt connect to one? if it would connect, it would be on the schematics...

thanks again for all your time and effort
Emmanuel

more pictures of modifications in the attachment

Edit: No i do understand the basic of finding the continuity but i really dont know how to find pin 1 on the 74LS10 chip. But i keep looking.
Attachments
0003.PNG
0002.PNG
Chromatix
Posts: 1462
Joined: 21 May 2018

Re: Bought a PET - Not working ^^

Post by Chromatix »

In 0002.PNG, pin 1 of all the visible chips is at bottom left. Several have a big notch showing the end of the chip featuring both pin 1 and the highest-numbered pin. Two have a much less noticeable dimple next to pin 1 itself.

It's also possible that you have a revision of the PET motherboard that doesn't quite match the schematics. I'll let people more familiar with Commodore history comment further on that.
Commodore_PET
Posts: 31
Joined: 19 May 2020
Location: Basel-Stadt, Switzerland

Re: Bought a PET - Not working ^^

Post by Commodore_PET »

Chromatix wrote:
In 0002.PNG, pin 1 of all the visible chips is at bottom left. Several have a big notch showing the end of the chip featuring both pin 1 and the highest-numbered pin. Two have a much less noticeable dimple next to pin 1 itself.
I have gathered as much with the notch. The two that have less noticeable dimples on pin 1 are chip 2 and 3 in the bottom row?
Also the top left chip is that 74LS10 chip that should have the B-Phi 2... we have established that im looking at the right socket earlier.
Chromatix wrote:
It's also possible that you have a revision of the PET motherboard that doesn't quite match the schematics. I'll let people more familiar with Commodore history comment further on that.
well im trying to keep me optimism high. :)

in the meantime I will continue to try and look at that damn pin 1 and try and trace it to 7417. Because even if i have a revised board, that pin has to be connected to something. And i do still should be able to find that.

Emmanuel
User avatar
1024MAK
Posts: 155
Joined: 14 May 2015
Location: UK

Re: Bought a PET - Not working ^^

Post by 1024MAK »

DIL Chip pin numbering
Wikipedia page (including pin numbering).

With tracks that you can’t see, especially on a board that you don’t have a (full, any or accurate) schematic for, use your multimeter on the continuity range (that makes a sound), with one probe on the wanted pin/circuit, probe each and every track/via/component (where you have a bare conductor) that has a track that leads away from (or to) the area where you loose visual on the track you are trying to trace. Do this on both sides of the board. And include other pins of the same chip.

It’s very rare (or should be) that a track / circuit just ends without connecting to something else! So by testing everything in the area, you should have a good chance of finding the wanted track/circuit.

Mark
User avatar
Dr Jefyll
Posts: 3525
Joined: 11 Dec 2009
Location: Ontario, Canada
Contact:

Re: Bought a PET - Not working ^^

Post by Dr Jefyll »

1024MAK wrote:
It’s very rare (or should be) that a track / circuit just ends without connecting to something else!
Yes, ordinarily that's true. But something for you to keep in mind, Commodore_PET, is this:

It's possible the previous owner of this board cut some of the traces as part of a troubleshooting effort. If they thought one of the circuit paths had a short to Gnd or Vcc perhaps then it might make sense to divide the path into shorter segments and then see which segments become clear and which remains shorted.

Having attempted such a procedure it's possible they subsequently gave up, leaving the board partially hacked.

I don't wish to distract you, as this scenario is somewhat unlikely. But it is worth keeping in mind as you attempt to reconcile the schematic with what you're actually seeing in the board itself.

-- Jeff
In 1988 my 65C02 got six new registers and 44 new full-speed instructions!
https://laughtonelectronics.com/Arcana/ ... mmary.html
Commodore_PET
Posts: 31
Joined: 19 May 2020
Location: Basel-Stadt, Switzerland

Re: Bought a PET - Not working ^^

Post by Commodore_PET »

small update:
1024MAK wrote:
probe each and every track/via/component (where you have a bare conductor) that has a track that leads away from (or to) the area where you loose visual on the track you are trying to trace. Do this on both sides of the board. And include other pins of the same chip.
Thank you for this, i started just poking around more liberally and instead of trying to find may way back along B-Phi2, i tried to just look what pin 1 of 74LS10 is connected to. While doing that, i realized that im pretty stupid and probably actually mixed up the pin when i flipped board. It started to dawn on me when i wasnt even able to trace Pin 1 from the top of the board, to the bottom.
Yeah im a little embarrassed by it but oh well, im learning.

So first, Pin 1 of 74LS10 has continuity to Pin 2, 3 and 4 of the same chip. looking at the back of the board, this does not seem to be a botched repair, this soldering looks pretty factory.
further, all these pins have continuity to Pin 12 of the chip 74LS157 in UH4. on my board this is a DN74157N. I do find it online and will check further about if its the same thing, or just has a really similar parts number. From there, i sadly lose it again.
the search continues.

also a picture of the back of the board, with actual Pin 1 and 2, 3 and 4 being connected.
Attachments
Red, what i thought was Pin1 every time i flipped the board. <br /><br />yellow what is actually Pin 1
Red, what i thought was Pin1 every time i flipped the board.

yellow what is actually Pin 1
Commodore_PET
Posts: 31
Joined: 19 May 2020
Location: Basel-Stadt, Switzerland

Re: Bought a PET - Not working ^^

Post by Commodore_PET »

Dr Jefyll wrote:
It's possible the previous owner of this board cut some of the traces as part of a troubleshooting effort. If they thought one of the circuit paths had a short to Gnd or Vcc perhaps then it might make sense to divide the path into shorter segments and then see which segments become clear and which remains shorted.
This is something that does worry me considering the amount of "work" done on the board. I dont really know enough about this stuff but it feels like this would make repairs harder to do.

Emmanuel
User avatar
1024MAK
Posts: 155
Joined: 14 May 2015
Location: UK

Re: Bought a PET - Not working ^^

Post by 1024MAK »

Commodore_PET wrote:
<snip> chip 74LS157 in UH4. on my board this is a DN74157N.
The 74 series logic has grown substantially over the years.
The 74yyy was the original range, for example 7400 is a quad 2-input NAND gates using TTL technology.
Later versions added one or more letters between the 74 part of the number code and the number indicating individual part number and therefore function.

Hence the next popular part is the 74LS00, which is also quad 2-input NAND gates (with the same pin-out), but this time using LS TTL technology (lower power requirements, that’s what the ‘L’ stands for.

There are other old technologies all using 74xxxyyy numbering, where xxx is one, two or three letters and the yyy denotes the function.

Since then there have been many more logic families based on the same functions, made with ever newer technologies.

Not all are compatible with one another, the vast majority that have the same number have the same function and the same pin-out.

However, for the most part, a 74LSxxx part can replace a 74xxx part. In many cases, as long as the power supply and power network can handle it, a 74xxx part can replace a 74LSxxx part.

In some cases, some functions in some technologies have become obsolete, or are no longer being manufactured. And some have never been available.

For the 74LS157, in some circuits these may sometimes be substituted by 74LS257 or 74HCT257.

Mark
User avatar
1024MAK
Posts: 155
Joined: 14 May 2015
Location: UK

Re: Bought a PET - Not working ^^

Post by 1024MAK »

Commodore_PET wrote:
Dr Jefyll wrote:
It's possible the previous owner of this board cut some of the traces as part of a troubleshooting effort. If they thought one of the circuit paths had a short to Gnd or Vcc perhaps then it might make sense to divide the path into shorter segments and then see which segments become clear and which remains shorted.
This is something that does worry me considering the amount of "work" done on the board. I dont really know enough about this stuff but it feels like this would make repairs harder to do.
It does depend on which alterations were performed by the manufacturer, by competent service technicians and which are as the result of efforts by someone to upgrade or repair the board (if any).

Keep in mind that for such a large PCB, it cost a lot of money to produce back then, hence track cuts and patch wires, modifications to add more RAM, and various other modifications including reliability improvements were rather more common compared to now. So even if the machine had never developed any faults, there is a good chance that it would still have many of the alterations.

With some manufacturers, there was a standing joke within the industry that the machine was not complete without some patch wires...

It’s not possible to know if the machine was working and then someone tried to fit the extra RAM, or if a fault developed after the extra RAM was fitted. Let alone any further details. So it is best to try to put this to one side in your mind. Then tackle each problem / fault / defect as they arise.

We start with the foundations, which is the power supply, reset circuit, clock circuits and then move on up to the control bus circuits, address bus and address deciding and data bus. Then on to RAM, ROM chips etc. And move forward as we sort things out.

Mark
Post Reply