(Thanks to Gerrit Heitsch on cbm-hackers who just happened to post this info today!)
TTL 6502 Here I come
Re: TTL 6502 Here I come
BigEd wrote:
Now, I think there might be a 4000 chip which offers quad (or possibly octal) bidirectional connectivity.
(Thanks to Gerrit Heitsch on cbm-hackers who just happened to post this info today!)
Re: TTL 6502 Here I come
Arlet wrote:
If you know verilog, you could also take a look at my 6502 verilog core, which gets to the exact same amount of cycles, but in a different way (there are no internal buses for instance)
https://github.com/Arlet/verilog-6502
https://github.com/Arlet/verilog-6502
I took a look at the propagation delay through the data path and it appears I've been unduly harsh on my design. It turns out that moving data around the busses is not nearly as expensive as I thought. The combinatorial logic in decoders and adders is far more costly. As an example, it takes 180ns to go from clock tick to the control signals being output, but only 120ns to put an address on the bus (using 74HC logic). By far the most expensive operation is incrementing the program counter (250ns) and I can think of a couple of ways of optimizing that without complicating the microcode.
By a rough estimate, I expect the processor will run at least at 2MHz as is and that already exceeds my original goal of matching the 1MHz of the C64. So, I'm reasonably happy with the tradeoff of simplicity vs. speed at this point. That said, I'm eager to learn what I can from studying the visual 6502 traces and Arlet's core. There is no question the 6502 is pulling off some interesting magic and I want to understand that better.
Cheers for now.
C74-6502 Website: https://c74project.com
Re: TTL 6502 Here I come
BigEd wrote:
One trick in the 6502 is the use in some places of phi2/phi1 cycles instead of phi1/phi2 cycles: you'll see for example many datapath control signals are valid over phi2/phi1, which means they can safely control the datapath activities which occur over phi1/phi2. I think...
Quote:
I'm sure you're right though that splitting ALU action over two cycles - operate and then writeback - helped keep down the path length and bus complexity in the 6502
C74-6502 Website: https://c74project.com
Re: TTL 6502 Here I come
The 6502 detects PCL being FF with an 8-input gate (an 8-input NOR, because NMOS NOR is very much preferable to NMOS NAND for more than three inputs) and uses that as the carry into PCH. So there's just a little over 8 bits of ripple carry needed in a cycle.
I'm not aware than anyone has done any kind of timing analysis on the original 6502 - it would not be straightforward because it's not constructed purely from logic gates and flops. It's not too difficult to run a circuit level simulation but it's not quick!
viewtopic.php?p=13550#p13550
"it took about 30 mins to run through reset and then 20mins to do 10 cycles of instructions"
I'm not aware than anyone has done any kind of timing analysis on the original 6502 - it would not be straightforward because it's not constructed purely from logic gates and flops. It's not too difficult to run a circuit level simulation but it's not quick!
viewtopic.php?p=13550#p13550
"it took about 30 mins to run through reset and then 20mins to do 10 cycles of instructions"
Re: TTL 6502 Here I come
BigEd wrote:
BigEd wrote:
Now, I think there might be a 4000 chip which offers quad (or possibly octal) bidirectional connectivity.
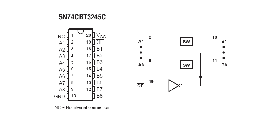
Here's some detail regarding a '245 bus "transceiver" implemented using MOSFET transmission gates similar to those in the 4066. Pin 1 -- which, on an ordinary '245, is the Direction input -- is a No-Connect. When enabled, the device behaves as a set of eight low-value resistors -- and resistors don't care about direction.
For typical applications the appeal of these products lies in their ability to connect two buses so data passes between them with virtually no propagation delay. But their similarity to 65xx internal logic makes them worth considering for your project.
cheers,
Jeff
- Attachments
-
- alternative '245.gif (10.21 KiB) Viewed 5320 times
Last edited by Dr Jefyll on Mon Oct 26, 2015 2:32 pm, edited 2 times in total.
In 1988 my 65C02 got six new registers and 44 new full-speed instructions!
https://laughtonelectronics.com/Arcana/ ... mmary.html
https://laughtonelectronics.com/Arcana/ ... mmary.html
Re: TTL 6502 Here I come
BigEd wrote:
The 6502 detects PCL being FF with an 8-input gate (an 8-input NOR, because NMOS NOR is very much preferable to NMOS NAND for more than three inputs) and uses that as the carry into PCH. So there's just a little over 8 bits of ripple carry needed in a cycle.
There are other delays as well. Specifically, the INC circuit currently takes its input from the address bus because I also use it as an 8 bit circuit for SP and DPL and it's just convenient to do so. Given how often PC is incremented, however, it deserves it's own path. Tapping it's outputs directly will produce significant savings I think.
Quote:
I'm not aware than anyone has done any kind of timing analysis on the original 6502
Quote:
the so-called precharge often fights against pulldowns during phi2 rseulting in an intermediate voltage
C74-6502 Website: https://c74project.com
Re: TTL 6502 Here I come
Dr Jefyll wrote:
For typical applications the appeal of these products lies in their ability to connect two buses so data passes between them with virtually no propagation delay. But their similarity to 65xx internal logic makes them worth considering for your project.
cheers,
Jeff
Thanks for suggesting it Jeff.
C74-6502 Website: https://c74project.com
Re: TTL 6502 Here I come
I purchased a small lot of those SN74*3245 chips (and also the 4245 variant), with a vague plan of incorporating them in a possible mixed 3.3V/5V design. I haven't used them yet, but the specifications and data sheets are interesting reads.
-Tor
-Tor
Re: TTL 6502 Here I come
Unfortunately, some travel is preventing me from digging further into the 6502 internals at the moment. I did, however, get some time on a plane to look at the 74CBT3245 bus switch more closely and to examine the impact of other potential optimizations (e.g. increment circuit carry look-ahead). The result was pretty exciting as I think a significant savings in propagation delay is possible across the design. I ran some preliminary numbers and got the following cycle times (inclusive of decoding control ROM signals - in other words from clock tick to completed operation):
Memory read: 209ns
Increment Program Counter: 320ns
Register transfer (through ALU setting ZN flags): 285ns
ALU operation (setting Carry flag): 400ns
Incrementing the program counter is now not nearly the most expensive operation. Top honours now goes to the ALU, and more specifically, the overhead associated with resolving and storing the ripple carry to the final output. I will spend more time looking at this particular detail, but I am now much happier with the relative performance of these circuits. Most of the improvement can be credited to eliminating the delay imposed by buffers and muxes used to connect internal busses together (e.g., 74HC541 Octal Bus Buffer Enable Time = 32ns vs. the virtually instantaneous 74CBT3245). Thanks again Ed and Jeff for pointing me in this direction. Conservatively (by which I mean using the Maximum propagation delay figures for the HC logic family) the processor should run at 2.5MHz, which is a very satisfying figure (using "Typical" delays gets things up to almost 4MHz).
While speed is in itself not an objective for me, I am very happy to be able to incorporate these efficiencies without unduly complicating the circuits or the microcode. I would very much like this design to be easy to follow even for a relative newcomer to hardware design. I don't think any of these changes takes me further away from that goal.
I'm excited to share some schematics as things go along. With some luck, I will get some things done weekend and get something posted.
Cheers.
Memory read: 209ns
Increment Program Counter: 320ns
Register transfer (through ALU setting ZN flags): 285ns
ALU operation (setting Carry flag): 400ns
Incrementing the program counter is now not nearly the most expensive operation. Top honours now goes to the ALU, and more specifically, the overhead associated with resolving and storing the ripple carry to the final output. I will spend more time looking at this particular detail, but I am now much happier with the relative performance of these circuits. Most of the improvement can be credited to eliminating the delay imposed by buffers and muxes used to connect internal busses together (e.g., 74HC541 Octal Bus Buffer Enable Time = 32ns vs. the virtually instantaneous 74CBT3245). Thanks again Ed and Jeff for pointing me in this direction. Conservatively (by which I mean using the Maximum propagation delay figures for the HC logic family) the processor should run at 2.5MHz, which is a very satisfying figure (using "Typical" delays gets things up to almost 4MHz).
While speed is in itself not an objective for me, I am very happy to be able to incorporate these efficiencies without unduly complicating the circuits or the microcode. I would very much like this design to be easy to follow even for a relative newcomer to hardware design. I don't think any of these changes takes me further away from that goal.
I'm excited to share some schematics as things go along. With some luck, I will get some things done weekend and get something posted.
Cheers.
C74-6502 Website: https://c74project.com
Re: TTL 6502 Here I come
Drass wrote:
e.g., 74HC541 Octal Bus Buffer Enable Time = 32ns vs. the virtually instantaneous 74CBT3245
The usual notion of propagation delay (implying active internal circuitry) doesn't apply. But inevitably the bus being driven has some amount of capacitance to ground, and putting 3 ohms in series means it'll take longer to charge or discharge that capacitance. The delay is proportional to R*C, and the delay cited in the datasheet pertains to a 15 pF load IIRC -- which is probably less than the capacitance in your application, since you presumably have the inputs of several chips attached to each bus. (Each chip that's driven contributes 5 or 10 pF, as a ballpark figure.)
For this and other reasons you can't expect the propagation delay cited in the datasheet to apply in your application. But the FET switch's bidirectional nature makes it directly equivalent to what's under the hood of an actual 6502. Perhaps it's something that'll offer you some advantage.
-- Jeff
In 1988 my 65C02 got six new registers and 44 new full-speed instructions!
https://laughtonelectronics.com/Arcana/ ... mmary.html
https://laughtonelectronics.com/Arcana/ ... mmary.html
Re: TTL 6502 Here I come
Dr Jefyll wrote:
I hope it's clear that FET bus switches drastically slash propagation delay only -- ie; not the enable/disable times
C74-6502 Website: https://c74project.com
Re: TTL 6502 Here I come
I finally finished a schematic which I'm excited to share. Apologies in advance for the long post. I've tried to provide a thorough overview to try to make this as easy as possible to follow even for relative beginners like myself.
The schematic attached is for the CPU registers and associated logic. You might note the complete absence of 74CBT3245 ICs in the schematic. In the end, I felt I had not made very good use of these chips after all and decided instead to share the design as it was before, leaving in place unidirectional busses and the ICs I had selected previously. No doubt it will make sense to revisit this but I'll press on for now and learn as we go.
Looking at the schematic attached, the data path reflects the block diagram fairly closely and has the registers between the W Bus on the left and R Bus on the right. Each register is a 74HC574 with an “R” signal to output-enable them and a “WR” signal to clock them. To the right are the address registers (PCL/PCH, DPL/DPH, SP and T). Their outputs can be routed to the R Bus or to the the internal address bus “ADL/ADH”. Similarly, their inputs can come from the W Bus or the S Bus. The S Bus is the output of the INC16 circuit. See below. On the far right are a pair of Carry Look Ahead NAND gates which feed the four 74HC283 INC16 adders. Addresses move from ADL/ADH to the external Address bus (“A Bus”) via /BE controlled 74HC541 buffers. In addition, the /ADHS.A signal sets the high-byte of the address to either ADH or a fixed value of $00, $01 or $FF depending on the address mode (ZDP, SP, FDP respectively).
DPH can be loaded directly from the external Data Bus by “DPH.LD” but it's not connected to the S Bus. Incrementing DP in fact only increments the lower 8 bits in DPL. The consequence is that DP will “warp-around” the same page if a page boundary is crossed when resolving the high-byte of an indirect address. This is also the NMOS 6502 behaviour.
IR is also loaded in parallel from the Data Bus during Fetch-Opcode operations ("IR.LD" selects that), or from the W Bus during interrupt processing. IR outputs directly to the Opcode lines (OP0 - OP7) which in turn feed the Control ROMs. The “INT” control signal is high during the first cycle of interrupt processing and thereby forces the Opcode to zero through the OP.LOGIC0 buffer.
The final item on the data path is the “R->DB" 74HC541 buffer which connects the R Bus to the external Data Bus for memory write operations. /MEM.W and /BE signals together enable this buffer for the full write-cycle.
The control circuitry is driven by two Control ROMs. Each ROM is addressed by a 3-bit “Q” state, the current 8-bit Opcode and an INT control flag. Each of the 256 possible opcodes therefore has up to 8 micro-instructions (Q values 0 to 7). The output from these ROMs is decoded to produce all the control signals according to the following table:
Finally, there is also a 96 pin connector. My plan is to put this schematic on one “Registers” card connected to a backplane. I will need at least a second card for the ALU & CU, a third for memory and I/O and a final one for video.
Ok, that pretty much covers it. Now for some questions:
Best,
Drass
The schematic attached is for the CPU registers and associated logic. You might note the complete absence of 74CBT3245 ICs in the schematic. In the end, I felt I had not made very good use of these chips after all and decided instead to share the design as it was before, leaving in place unidirectional busses and the ICs I had selected previously. No doubt it will make sense to revisit this but I'll press on for now and learn as we go.
Looking at the schematic attached, the data path reflects the block diagram fairly closely and has the registers between the W Bus on the left and R Bus on the right. Each register is a 74HC574 with an “R” signal to output-enable them and a “WR” signal to clock them. To the right are the address registers (PCL/PCH, DPL/DPH, SP and T). Their outputs can be routed to the R Bus or to the the internal address bus “ADL/ADH”. Similarly, their inputs can come from the W Bus or the S Bus. The S Bus is the output of the INC16 circuit. See below. On the far right are a pair of Carry Look Ahead NAND gates which feed the four 74HC283 INC16 adders. Addresses move from ADL/ADH to the external Address bus (“A Bus”) via /BE controlled 74HC541 buffers. In addition, the /ADHS.A signal sets the high-byte of the address to either ADH or a fixed value of $00, $01 or $FF depending on the address mode (ZDP, SP, FDP respectively).
DPH can be loaded directly from the external Data Bus by “DPH.LD” but it's not connected to the S Bus. Incrementing DP in fact only increments the lower 8 bits in DPL. The consequence is that DP will “warp-around” the same page if a page boundary is crossed when resolving the high-byte of an indirect address. This is also the NMOS 6502 behaviour.
IR is also loaded in parallel from the Data Bus during Fetch-Opcode operations ("IR.LD" selects that), or from the W Bus during interrupt processing. IR outputs directly to the Opcode lines (OP0 - OP7) which in turn feed the Control ROMs. The “INT” control signal is high during the first cycle of interrupt processing and thereby forces the Opcode to zero through the OP.LOGIC0 buffer.
The final item on the data path is the “R->DB" 74HC541 buffer which connects the R Bus to the external Data Bus for memory write operations. /MEM.W and /BE signals together enable this buffer for the full write-cycle.
The control circuitry is driven by two Control ROMs. Each ROM is addressed by a 3-bit “Q” state, the current 8-bit Opcode and an INT control flag. Each of the 256 possible opcodes therefore has up to 8 micro-instructions (Q values 0 to 7). The output from these ROMs is decoded to produce all the control signals according to the following table:
- R.MX (4 bits) selects the register to read from and various constants on the R bus. The P register can be read either with a “0” or “1” in the “B” flag.
- AD.MX selects the address register being used to drive ADL/ADH: DP, PC, SP ($01/SP), ZDP ($00/DPL), FDP ($FF/DPL), and DPT (DPH/T).
- WR.MX (4 bits) selects the register to write to. $F selects external memory (decoded as "MEM.W").
- INC.MX controls the INC16 circuit and selects which register will receive the result.
- IR.LD and DPH.LD are taken directly from the control ROMs without decoding
Finally, there is also a 96 pin connector. My plan is to put this schematic on one “Registers” card connected to a backplane. I will need at least a second card for the ALU & CU, a third for memory and I/O and a final one for video.
Ok, that pretty much covers it. Now for some questions:
- Any tips to improve the schematics?
- Are there any obvious electrical problems evident, either with on-board or backplane connections?
- Are there more efficient ways to deal with the various addressing requirements (PC, DP, SP, ZDP, etc.)?
- I could use a wider control word and eliminate the MX decoding logic entirely. There are clear speed advantages to that, but as it stands, I am using 16 bits to encode 38 control signals. Any thoughts or suggestions with respect to this arrangement?
- I have left the busses active as Garth had suggested, using /BE to tri-state them under external control. Any issues now?
- I am using Schmitt-trigger gates for the clock signal. All other signals are taken from 96-pin header directly . Is that ok? Should off-board signals be buffered in some way?
Best,
Drass
C74-6502 Website: https://c74project.com
Re: TTL 6502 Here I come
Thanks for the detailed info, Drass. I haven't yet had a close look but one little improvement did jump out at me. If it works it'll slightly reduce the package count.
In Card A-Registers.png the signal called INT causes $00 to replace the opcode applied to OP[0:7]. If a 74xx273 replaced the '574 (both are octal edge-triggered registers) then the '541 at the bottom of the excerpt below would no longer be required. '273 features an asynchronous Clear input, so that'll give you the $00 when you need it. But there's less tolerance for glitches on INT because the Clear is irreversible, so that needs consideration.
There may be other changes like this that'll reduce package count. But, now that I see what you're doing, it doesn't seem those bidirectional switches would be of much use!
BTW I wonder whether microcode changes might be all that's required to support new instructions of your own creation. I know your initial plan is for undefined opcodes to be NOPs but maybe later you could revisit that...
-- Jeff
In Card A-Registers.png the signal called INT causes $00 to replace the opcode applied to OP[0:7]. If a 74xx273 replaced the '574 (both are octal edge-triggered registers) then the '541 at the bottom of the excerpt below would no longer be required. '273 features an asynchronous Clear input, so that'll give you the $00 when you need it. But there's less tolerance for glitches on INT because the Clear is irreversible, so that needs consideration.
There may be other changes like this that'll reduce package count. But, now that I see what you're doing, it doesn't seem those bidirectional switches would be of much use!
BTW I wonder whether microcode changes might be all that's required to support new instructions of your own creation. I know your initial plan is for undefined opcodes to be NOPs but maybe later you could revisit that...
-- Jeff
In 1988 my 65C02 got six new registers and 44 new full-speed instructions!
https://laughtonelectronics.com/Arcana/ ... mmary.html
https://laughtonelectronics.com/Arcana/ ... mmary.html
Re: TTL 6502 Here I come
Great suggestion Jeff! I'm just not familiar enough with the 7400 chips and these kinds of subtleties elude me. Really appreciate you taking the time to have a look. Thank you!
I was briefly tempted to rework the data path and implement bi-directional buses, but I came to my senses and decided to press on with the current design. That said, I'm intrigued by the notion of attempting to match the 6502 internal structure as closely as possible. I more or less started out with that idea but abandoned it once I realized how crazy a gate-level instruction decoder was going to get. I might be inspired to return to it once I get this version working.
Cheers.
I was briefly tempted to rework the data path and implement bi-directional buses, but I came to my senses and decided to press on with the current design. That said, I'm intrigued by the notion of attempting to match the 6502 internal structure as closely as possible. I more or less started out with that idea but abandoned it once I realized how crazy a gate-level instruction decoder was going to get. I might be inspired to return to it once I get this version working.
Cheers.
C74-6502 Website: https://c74project.com
Re: TTL 6502 Here I come
I was just reading Dieter Mueller's TTL CPU pages in the X02 section (which somehow I had missed before) and ran across this:
Turns out this example provides a solution to a problem I had pointed to earlier whereby my design required an extra cycle to execute a JMP absolute instruction. Essentially I store the low byte of the target address in a temporary register because PC itself is required while fetching the high byte. The extra cycle is used to then transfer the low byte from the temporary register to PCL.
Dieter's "trick" here is to load the target address into IAH:IAL (in my design I would use DPL/DPH) and then fetch the next to opcode from there. My INC16 circuit already can increment this address and store it into PC directly as the example suggests. This means I can implement JMP absolute in 3 cycles rather than 4 with only a minor microcode change! So simple - but it had not occurred to me before. I suspect I may yet find a few more gems in Dieter's pages.
Btw, making this change means that now the only exception to being cycle accurate is the fact that ADC and SBC take an extra cycle in decimal mode. Very happy about that.
Cheers
Quote:
Now for an example:
While executing a JMP instruction, PCH:PCL feeds the internal address bus,
and PC is incremented while the two Bytes containing the jump address
are fetched into IAL, then IAH from external data bus.
When fetching the next instruction from the external bus,
X02 feeds the internal address bus with IAH:IAL (instead of PCH:PCL),
this address is incremented and written into PCH:PCL.
While executing a JMP instruction, PCH:PCL feeds the internal address bus,
and PC is incremented while the two Bytes containing the jump address
are fetched into IAL, then IAH from external data bus.
When fetching the next instruction from the external bus,
X02 feeds the internal address bus with IAH:IAL (instead of PCH:PCL),
this address is incremented and written into PCH:PCL.
Dieter's "trick" here is to load the target address into IAH:IAL (in my design I would use DPL/DPH) and then fetch the next to opcode from there. My INC16 circuit already can increment this address and store it into PC directly as the example suggests. This means I can implement JMP absolute in 3 cycles rather than 4 with only a minor microcode change! So simple - but it had not occurred to me before. I suspect I may yet find a few more gems in Dieter's pages.
Btw, making this change means that now the only exception to being cycle accurate is the fact that ADC and SBC take an extra cycle in decimal mode. Very happy about that.
Cheers
C74-6502 Website: https://c74project.com