Rev3 design considerations and ideas

For discussing the 65xx hardware itself or electronics projects.
User avatar
fredericsegard
Posts: 47
Joined: 05 Aug 2020
Location: Montreal, QC, Canada
Contact:

Rev3 design considerations and ideas

Post by fredericsegard »

Hi 6502ers,

I'm going back to the drawing board with a rev 3 of my 6502 SBC. Rev 1, a larger board with expansion slots, only contained the CPU, ROM, RAM, and an ACIA; it also was designed to be breadboard friendly. I used it extensively for prototyping. Rev 2, on the other hand, was designed to be only 100mm x 100mm, contained all of the above plus an NVRAM. Rev 2 has daughter boards for peripherals such as VIAs and an MCU for mouse, keyboard, and NES controller, as well as a video card (TMS9918A), and a sound card (3x AY3-8910).

Having said that, Rev 2 is a pseudo flop. The main CPU board is flaky. There are several issues I have identified. Amongst them is the clock (if I leave my scope probe on the clock, my problems are 95% solved). I have posted my woes on the 6502 Facebook group. Many helped me out in identifying my issues. Oh, and one more thing about my woes! My crystals for the ATMEGA328P (Keyboard and mouse controller) and the TMS9918A (VDP) won't oscillate (I have changed my capacitors for different values, just in case). Though I did notice my voltage was at 4.89V (caused by a cheap slide switch, acting as a power switch). All in all, it's time for a redesign. I shall re-read Garth's Primer for sure. And if you have links to design ideas, feel free to post them my way.

- I shall have one big board (instead of expansion or daughter boards)... well probably one mezzanine board if all of the above won't fit.
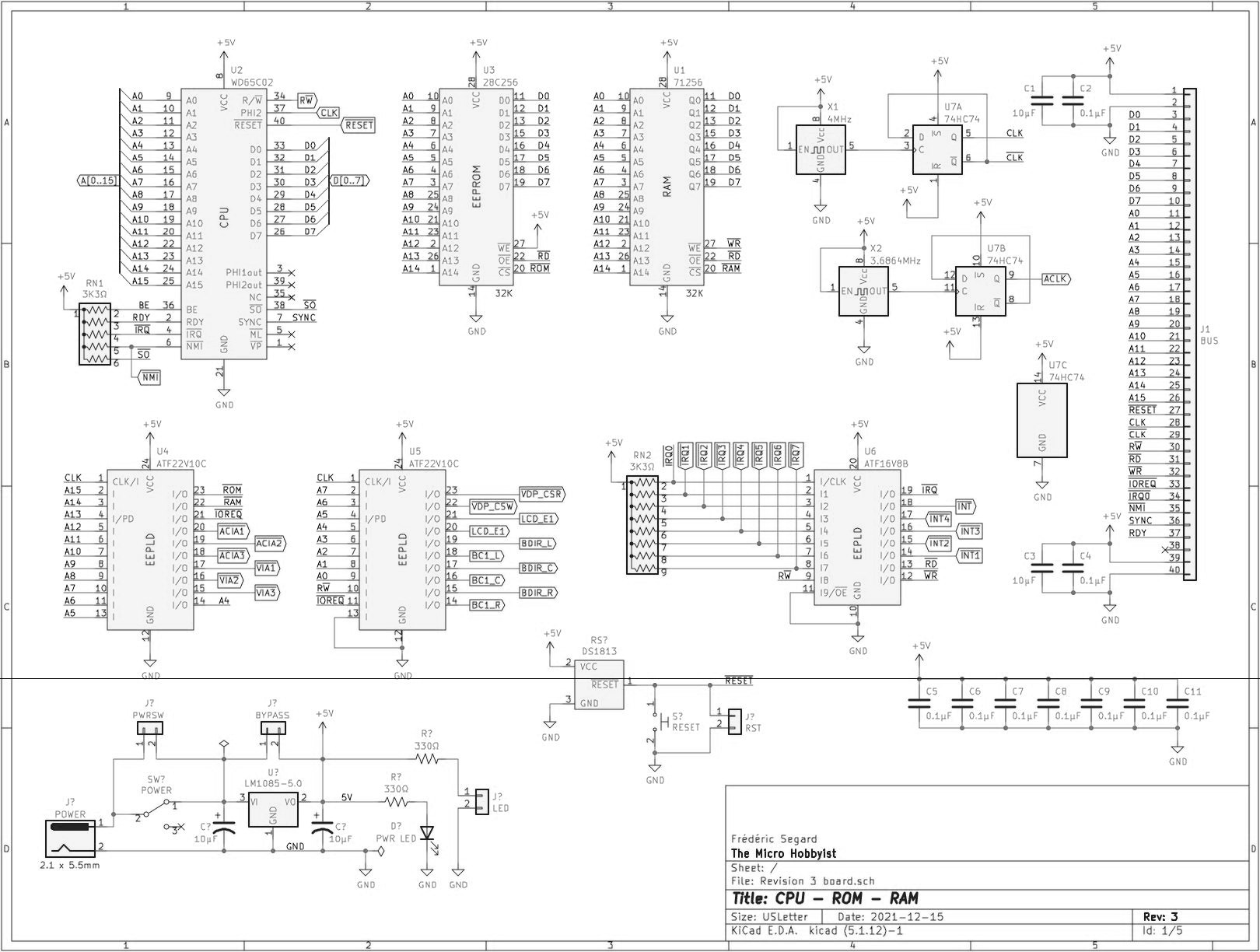
- WD6502 running at 2MHz (4MHz through a 7474 FF to have a clean strong clock) (some of my components won't support higher speeds)
- 32K ROM, 32K RAM
- Still debating between staying with Atmel ATF22V10 for glue logic, or going all-in with conventional jellybean logic. And which family would serve me better? I have a few F ones (very fast)
- I'll have an MCU to interface the PS/2 keyboard and mouse (as well as an NES controller)
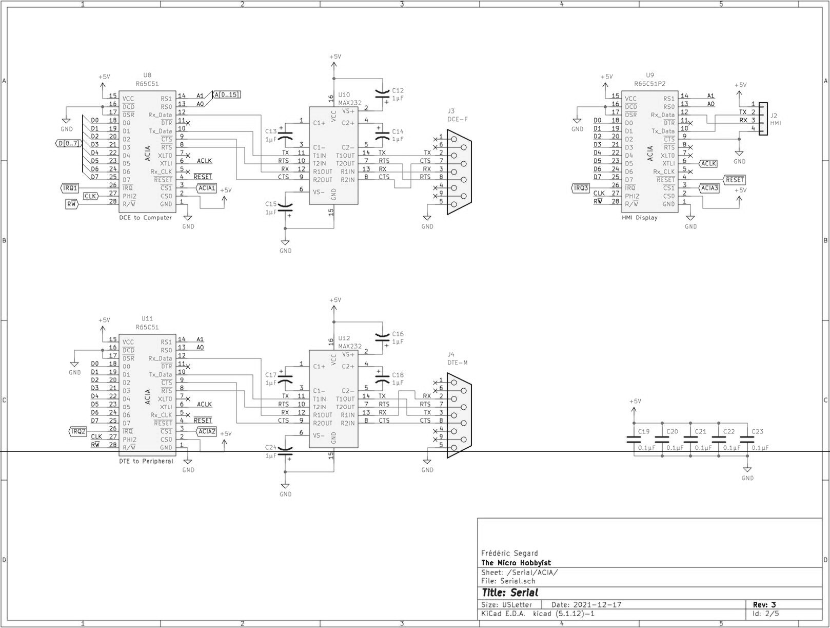
- 4 Rockwell ACIAs: one DTE, one DCE, one for HMI display, and one for future expansion
- 4 VIAs: One for MCU interfacing, one for SPI-10 ports, and 2 others for future expansion
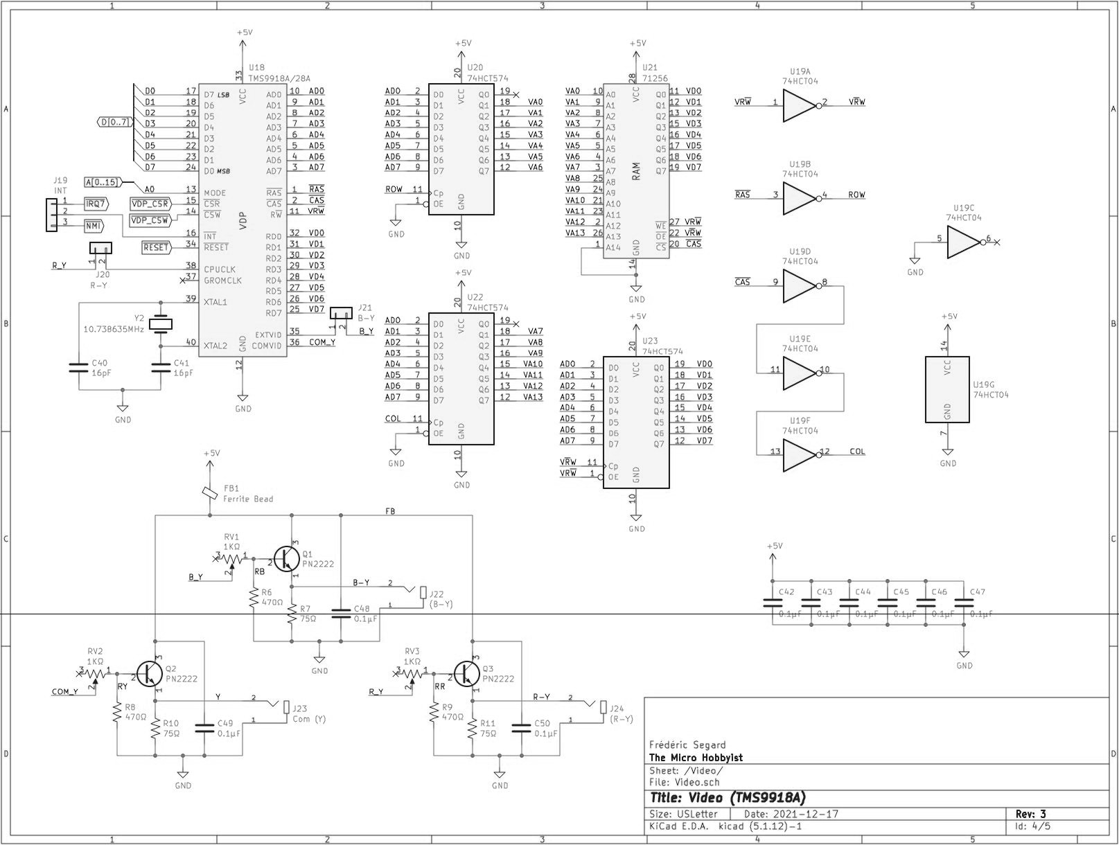
- 1 TMS9919A or TMS9928A (I have both in multiple copies)
- 2 or 3 AY3-8910 (Stereo, or Stereo+center) (I have multiple copies, so I'm tempted to put more
- I'll have to find a RTC
- Still debating to put an LCD since I'll have terminal access, and a VDP

Sounds ambitious, but all of the above (except the RTC) worked on a breadboard prior to the failed Rev 2 experiment.

Do you have any suggestions, ideas, changes, critiques?
Fred Segard
A.K.A. The Micro Hobbyist
https://6502sbc.blogspot.com/
User avatar
fredericsegard
Posts: 47
Joined: 05 Aug 2020
Location: Montreal, QC, Canada
Contact:

Re: Rev3 design considerations and ideas

Post by fredericsegard »

I have finished my schematics for my 6502 computer. Any do's and dont's, advice, ideas, and/or critiques are welcome.

PS: I realize I forgot to put the 40x4 LCD. But then, since I have a VDP, it might not really be necessary.
Attachments
CPU, ROM, RAM, decode
CPU, ROM, RAM, decode
3x ACIA (DTE, DCE, HMI)
3x ACIA (DTE, DCE, HMI)
3x VIA (I2C, SPI, PS/2 keyboard, PS/s mouse, NES controller)
3x VIA (I2C, SPI, PS/2 keyboard, PS/s mouse, NES controller)
TMS9918A/28 VDP
TMS9918A/28 VDP
3x AY-3-8910 (Left, center, right)
3x AY-3-8910 (Left, center, right)
Fred Segard
A.K.A. The Micro Hobbyist
https://6502sbc.blogspot.com/
User avatar
GARTHWILSON
Forum Moderator
Posts: 8773
Joined: 30 Aug 2002
Location: Southern California
Contact:

Re: Rev3 design considerations and ideas

Post by GARTHWILSON »

Please don't take this as condemning; but I think more people would be willing to take the time to check the details if you draw an actual schematic, instead of just a netlist written around boxes. When the connections just have tags, we have to look everywhere for the matching tag. (A few like address and data lines are understood; but many more are not.) We see this all the time on the forum. [Edit, 12/22/21: I added some tips on how to get forum help, in the second half of the 6502 primer's page about general steps for a successful project, at http://wilsonminesco.com/6502primer/steps.html, after the heading "Getting help on the 6502.org forum:"] I can't take the time now to look at the details; but one easy thing I see that can reduce the risk of damage from plugging something in backwards is that on your VIA port connectors, you flip power and ground on one row, so for example on J15, pins 1 & 24 will be +5V, and 2 & 23 will be ground, or vice-versa.
http://WilsonMinesCo.com/ lots of 6502 resources
The "second front page" is http://wilsonminesco.com/links.html .
What's an additional VIA among friends, anyhow?
User avatar
Dr Jefyll
Posts: 3525
Joined: 11 Dec 2009
Location: Ontario, Canada
Contact:

Re: Rev3 design considerations and ideas

Post by Dr Jefyll »

fredericsegard wrote:
Any do's and dont's, advice, ideas, and/or critiques are welcome.
I'd be glad to help. But, honestly, I find it too laborious reading a schematic like this. Maybe that's a valid critique and maybe it isn't; I'm only speaking for myself.

Oh -- and for BigEd, too, who recently opined, "But the kinds of schematics which just show a field of isolated components with all the connections as stubs isn't, to my eyes, as good as one which follows a logical block diagram."

Yes the information is all there. And some questions are easy to answer, like, "regarding IC pin blah-blah, what signal does that connect to?" But not so much when you turn the question around and want to know, "regarding signal so-and-so, what IC pins does that that connect to?" :evil:

(Oops, I see Garth has posted while I was typing. Like him, I hope you don't take this as condemning.)

-- Jeff
In 1988 my 65C02 got six new registers and 44 new full-speed instructions!
https://laughtonelectronics.com/Arcana/ ... mmary.html
User avatar
fredericsegard
Posts: 47
Joined: 05 Aug 2020
Location: Montreal, QC, Canada
Contact:

Re: Rev3 design considerations and ideas

Post by fredericsegard »

GARTHWILSON wrote:
... take the time to check the details if you draw an actual schematic, instead of just a netlist written around boxes. When the connections just have tags, we have to look everywhere for the matching tag.
Valid point. I'll be careful in my designs next time.
GARTHWILSON wrote:
... but one easy thing I see that can reduce the risk of damage from plugging something in backwards is that on your VIA port connectors, you flip power and ground on one row, so for example on J15, pins 1 & 24 will be +5V, and 2 & 23 will be ground, or vice-versa.
Oh! Yes, I see the error of my ways on this. Thanks.
Fred Segard
A.K.A. The Micro Hobbyist
https://6502sbc.blogspot.com/
User avatar
fredericsegard
Posts: 47
Joined: 05 Aug 2020
Location: Montreal, QC, Canada
Contact:

Re: Rev3 design considerations and ideas

Post by fredericsegard »

Dr Jefyll wrote:
(Oops, I see Garth has posted while I was typing. Like him, I hope you don't take this as condemning.)
Not at all, I just learned something quite valuable in schematic design today. I will do better next time. :)
Fred Segard
A.K.A. The Micro Hobbyist
https://6502sbc.blogspot.com/
User avatar
BigDumbDinosaur
Posts: 9425
Joined: 28 May 2009
Location: Midwestern USA (JB Pritzker’s dystopia)
Contact:

Re: Rev3 design considerations and ideas

Post by BigDumbDinosaur »

GARTHWILSON wrote:
Please don't take this as condemning; but I think more people would be willing to take the time to check the details if you draw an actual schematic, instead of just a netlist written around boxes.
I also try to arrange things so a circuit path whose ends are on different sheets have their netlist tags at the left or right margin of the sheet, depending on where the other end is, such as in the following:

pocv130.pdf
POC V1.3 Schematic
(344.54 KiB) Downloaded 74 times
x86?  We ain't got no x86.  We don't NEED no stinking x86!
User avatar
fredericsegard
Posts: 47
Joined: 05 Aug 2020
Location: Montreal, QC, Canada
Contact:

Re: Rev3 design considerations and ideas

Post by fredericsegard »

BigDumbDinosaur wrote:
I also try to arrange things so a circuit path whose ends are on different sheets have their netlist tags at the left or right margin of the sheet, depending on where the other end is, such as in the following
Thank you for the example. I shall use it as inspiration when I redraw mine.
Fred Segard
A.K.A. The Micro Hobbyist
https://6502sbc.blogspot.com/
User avatar
GARTHWILSON
Forum Moderator
Posts: 8773
Joined: 30 Aug 2002
Location: Southern California
Contact:

Re: Rev3 design considerations and ideas

Post by GARTHWILSON »

Do any of the schematic-capture programs allow you to do huge sheets, then print them in sections that fit on 8½x11" sheets and tape them together (since no one has printers or plotters anymore that can handle pages two or four or more times that size)? As I have said before, there are major things about every schematic-capture CAD I've tried that I don't like, so I still do my schematics by hand, on velum sheets up to 18x24", on a drafting board, with, in the extreme case, nearly 500 components on one sheet. No tags. It's clear where everything goes.
http://WilsonMinesCo.com/ lots of 6502 resources
The "second front page" is http://wilsonminesco.com/links.html .
What's an additional VIA among friends, anyhow?
John West
Posts: 383
Joined: 03 Sep 2002

Re: Rev3 design considerations and ideas

Post by John West »

GARTHWILSON wrote:
Do any of the schematic-capture programs allow you to do huge sheets, then print them in sections that fit on 8½x11" sheets and tape them together
I've just tried the pre-Autodesk version of Eagle that I'm sticking with, and it does. When you print, there's an option for "page limit". It will automatically scale down the schematic until it fits on that number of pages. With it set to 1, everything gets squashed onto a single page. Set it to 1000, and it will take as many pages as it needs.
I expect that all of the others (the ones intended for professional use, at least) will do it too. But I don't have any experience with them.
plasmo
Posts: 1273
Joined: 21 Dec 2018
Location: Albuquerque NM USA

Re: Rev3 design considerations and ideas

Post by plasmo »

Standard engineering drawings (Size B/C/D/E) are multiple of 8-1/2x11 so if you think ahead and place a large design into half or quarter groupings, you can print them out in half or quarter and tape them back together without splitting components or signals.

I think B-size (11x17) printers are still economical so D size or even E size drawings can be stitched together and be perfectly readable.
Bill
User avatar
BigDumbDinosaur
Posts: 9425
Joined: 28 May 2009
Location: Midwestern USA (JB Pritzker’s dystopia)
Contact:

Re: Rev3 design considerations and ideas

Post by BigDumbDinosaur »

GARTHWILSON wrote:
Do any of the schematic-capture programs allow you to do huge sheets, then print them in sections that fit on 8½x11" sheets and tape them together (since no one has printers or plotters anymore that can handle pages two or four or more times that size)?

Large-format printers are readily available and relatively inexpensive when compared to what was available in the past.  My H-P T120 printer, which takes cut-sheet or roll paper, can do architectural D-size, which is 24" × 36".  It cost me a hair under $1000 US to purchase new.  I got it about three years ago to replace my H-P DesignJet 70, which could do architectural C-size (18" × 24"), but wore out after some 15 years of continuous use.

H-P T120 Large-Format Printer
H-P T120 Large-Format Printer

For scale, the paper loaded into the cut-sheet feeder in that photo is ANSI B-size, which is 11" × 17".  To print the larger sheet sizes, a 24"-wide roll of paper is loaded onto the spindle at the rear of the printer—rolls typically come in 150 foot lengths.

Pen plotters seem to have all-but-disappeared.  One of my clients is an engineering firm that, at one time, had several plotters, including a monster that could go up to F-size (28" × 40") drawings.  All of them have been replaced by large-format, roll-fed printers using inkjet technology.

Unfortunately, the EPCB schematic software I use to draw my designs can’t do "window pane"-style layout, so arranging drawings into virtual 8-1/2" × 11" pages isn’t possible.  I usually format my drawings for ANSI B, which is a good compromise between amount of detail per page and ease of handling.  The electrical drawings for my large-scale locomotive are formatted to ANSI C, which is 17" × 22".

Quote:
As I have said before, there are major things about every schematic-capture CAD I’ve tried that I don’t like...

The same goes for mechanical CAD software.  I ended up settling on a two-dimensional mechanical CAD program called DeltaCAD, not because of its low price (which is around $40 US) but because it was the least annoying of the available programs.  The learning curve is reasonable, more so if one already has a mechanical drafting background.  I’m hoping that one day a Linux version will be released.¹

Quote:
...so I still do my schematics by hand, on velum sheets up to 18x24", on a drafting board, with, in the extreme case, nearly 500 components on one sheet.  No tags.  It’s clear where everything goes.

I recall back when large velum sheets were “state-of-the-art” in electrical drafting—I did my share of them...in the 1970s.  :shock:  I’ll take modern CAD any time over the pains of revising a manually-drafted schematic.  :D  Plus, with modern CAD, I can print as many copies as I need.  :wink:

———————————————————
¹Since I posted this, the designer of DeltaCad decided to retire and no longer sell or service the software.  So there isn’t going to be a Linux version forthcoming.  :(
Last edited by BigDumbDinosaur on Thu Apr 04, 2024 7:28 pm, edited 1 time in total.
x86?  We ain't got no x86.  We don't NEED no stinking x86!
plasmo
Posts: 1273
Joined: 21 Dec 2018
Location: Albuquerque NM USA

Re: Rev3 design considerations and ideas

Post by plasmo »

I fondly remember my days designing on large lighted drafting table with data books and sketches spreading all over the table. It was a pleasant, creative environment.

I also remembered "discovering" electric eraser, wow, that was a game changer! We were easy to please in those days.
Bill
User avatar
fredericsegard
Posts: 47
Joined: 05 Aug 2020
Location: Montreal, QC, Canada
Contact:

Re: Rev3 design considerations and ideas

Post by fredericsegard »

With KiCad, you can co up to E size (34" x 44"), and even customize your size. I'm sure most programs can do this though. But I'll have to try to see if KiCad can segment into 8.5" x 11x sheets.

Would a single large schematic be preferable when posting?
Fred Segard
A.K.A. The Micro Hobbyist
https://6502sbc.blogspot.com/
User avatar
GARTHWILSON
Forum Moderator
Posts: 8773
Joined: 30 Aug 2002
Location: Southern California
Contact:

Re: Rev3 design considerations and ideas

Post by GARTHWILSON »

Thanks for the responses. The 18"x24" (or 17"x22") that I go up to is of course C size, but I didn't mention the letters since that seems to confuse non-US people who have a different way to specify sizes. My drawing board and flat file is suitable for C size but not D size. At work around 1990 we rented a huge plotter which actually used pencil lead (and automatically fed it, and changed it when it got too short) which was nice because there was no ink to dry out or cartridges to replace or refill, and when something was still in the development stages, making a quick, small change with an eraser and pencil was easy. I'd still kind of like to get an HP7475 HPGL printer with IEEE-488, HP-IL, or RS-232 interface, but it's not a high enough priority to spend much on one.

...and now back to your regular programming. Hopefully this was helpful to fredericsegard.
http://WilsonMinesCo.com/ lots of 6502 resources
The "second front page" is http://wilsonminesco.com/links.html .
What's an additional VIA among friends, anyhow?
Post Reply