Understanding the SID

Topics pertaining to the emulation or simulation of the 65xx microprocessors and their peripheral chips.
User avatar
ttlworks
Posts: 1464
Joined: 09 Nov 2012
Contact:

Re: Understanding the SID

Post by ttlworks »

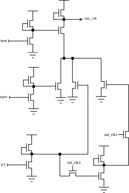
SID_CLKx generation, again another try.
sid_clk10.png
SID_CLKx generation drawn more simple:
sid_clk11.png
SID reset:
sid_rst.png
sid_rst.png (4.23 KiB) Viewed 8152 times
Edit, Edit2: fixed some errors... I think.
Last edited by ttlworks on Tue Jul 19, 2016 3:24 pm, edited 2 times in total.
User avatar
ttlworks
Posts: 1464
Joined: 09 Nov 2012
Contact:

Re: Understanding the SID

Post by ttlworks »

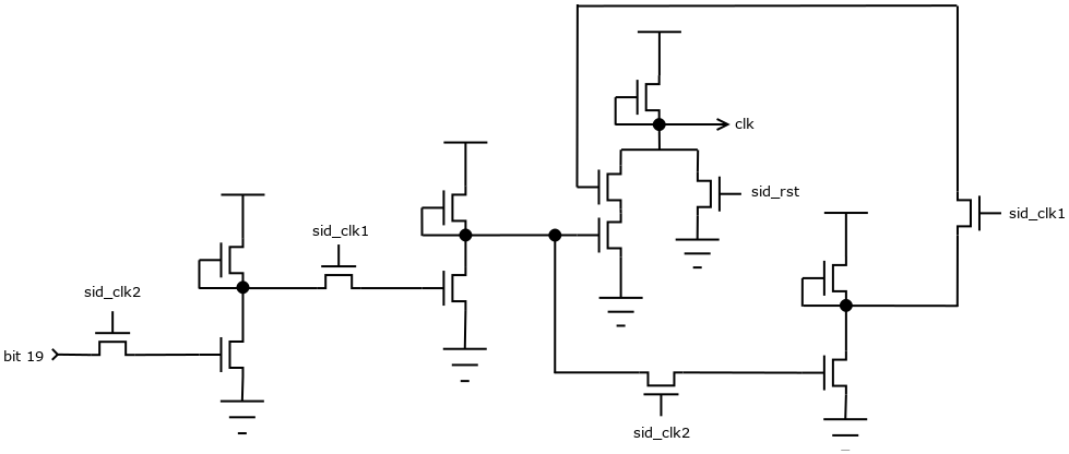
In the LFSR clock generator which generates C1,C2,LC from clk,
"Phi2" seems to be SID_CLK2 instead.

;---

The clk generator...
you rotated the screenshot from the chip counter_clockwise by 90 deg, _did_ you ?... :mrgreen:
;
Switch for bit 19 seems to be controlled by SID_CLK2 instead of "Phi2".
The next switch seems to be controlled by SID_CLK1 instead of "Reset".
This makes the left half of your transistor level schematic a master_slave flipflop which stores bit 19
for delaying it one clock cycle.
;
The delayed bit 19 signal (phase accumulator) from the flipflop then goes through
another switch controlled by SID_CLK2 instead of "Phi2", then goes through that inverter,
followed by another switch before entering that AND gate...
was not able to figure out where the control signal for that switch comes from,
but it probably ain't Phi2 again...
;)
BTW: that AND gate still seems to be an edge detector for the delayed bit 19.
;
The /Reset input of the NOR gate which generates clk actually seems to be sid_rst,
which is HIGH (synchronized by SID_CLK1 indeed) when the /RES pin of the chip is LOW\ACTICE,
forcing clk to LOW during a reset.
;
For figuring out _why_ clk seems to be low during a reset,
we need to dig a bit deeper into the LFSR clock generator and the LFSR flipflops again, sorry.
User avatar
drfiemost
Posts: 53
Joined: 07 Jun 2016
Contact:

Re: Understanding the SID

Post by drfiemost »

ttlworks wrote:
you rotated the screenshot from the chip counter_clockwise by 90 deg, _did_ you ?... :mrgreen:
Yes, I tried to better fit the images :oops:
Quote:
was not able to figure out where the control signal for that switch comes from,
but it probably ain't Phi2 again...
;)
This is the schematic with the correct signals, the lines in the reference layout were misleading:
LFSR_clk.png
Quote:
For figuring out _why_ clk seems to be low during a reset,
we need to dig a bit deeper into the LFSR clock generator and the LFSR flipflops again, sorry.
Well, this matches with the fact that clk is grounded when the test bit is high, as both should reset the LFSR.
User avatar
ttlworks
Posts: 1464
Joined: 09 Nov 2012
Contact:

Re: Understanding the SID

Post by ttlworks »

lfsr_clock.png
LFSR clock looks much better now.

But the schematics implicate, that only one '1' bit is shifted into the LFSR during a reset.
User avatar
drfiemost
Posts: 53
Joined: 07 Jun 2016
Contact:

Re: Understanding the SID

Post by drfiemost »

ttlworks wrote:
But the schematics implicate, that only one '1' bit is shifted into the LFSR during a reset.
That's part of the mystery I'd like to see through. By empirical observations, sampling the eight outputs readable from the osc3 SID register, it happens that after some time (in the order of 15 to 30 milliseconds on a warm chip) the bits goes high in an orderly fashion, from lower bit to higher (with some exceptions) on 6581 and from the middle to the outside on the 8580. So it seems there is some analog magic going on here... or maybe it has to do with the OSC3 register?

By the way, to end up the noise generator here is the XOR feedback:
LFSR_xor.png
The output results from the following expression:
bit0 = ¬((ns17 ∧ a) ∨ b) = ¬(ns17 ∧ a) ∧ ¬b

where:
a = (sid_rst_clk2 ∨ test_clk2 ∨ ns22)
b = ¬(ns17 ∨ a)

resulting in:
bit0 = ¬(ns17 ∧ a) ∧ (ns17 ∨ a) = ns17 ⊕ A = ns17 ⊕ (sid_rst_clk2 ∨ test_clk2 ∨ ns22)
User avatar
ttlworks
Posts: 1464
Joined: 09 Nov 2012
Contact:

Re: Understanding the SID

Post by ttlworks »

Quote:
By empirical observations, sampling the eight outputs readable from the osc3 SID register,
it happens that after some time (in the order of 15 to 30 milliseconds on a warm chip)
the bits goes high in an orderly fashion, from lower bit to higher (with some exceptions)
on 6581 and from the middle to the outside on the 8580.
So it seems there is some analog magic going on here...
or maybe it has to do with the OSC3 register?
...or with _reading_ the OSC3 register ? ;)
Can't figure out yet, what brings the bits back to 'high' again.
lfsr_in.png
lfsr_in.png (11.34 KiB) Viewed 8281 times
Another mystery is, how the LFSR input is supposed to be '1' at reset.
Because when feeding '1' XOR 'LFSR bit 17' into the LFSR input,
and 'LFSR bit 17' was 1 by accident, the LFSR input would be '0'.
User avatar
drfiemost
Posts: 53
Joined: 07 Jun 2016
Contact:

Re: Understanding the SID

Post by drfiemost »

ttlworks wrote:
Can't figure out yet, what brings the bits back to 'high' again.
During reset C1 is closed so the input for the bit's second inverter is floating. Maybe it discharges after some time ending up outputting a 1... but then why the 1 forced into the xor feedback?

While thinking on it I'm decoding the remaining parts of the voice generators so more stuff is coming soon. I've also updated the Phi2 transistor schematic with a small fix and some cleanup.
User avatar
drfiemost
Posts: 53
Joined: 07 Jun 2016
Contact:

Re: Understanding the SID

Post by drfiemost »

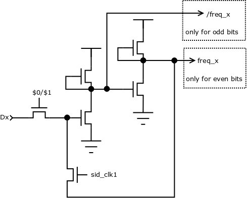
Let's have a look at how the other waveforms are generated. It all begins with a 24 bit phase accumulationg oscillator, described previously by ttlworks.
Here is one of the bits, the Frequency register on the right and a ripple-carry adder on the left. Even bits have inverted logic to save some silicon and speed up the carry chain.
Oscillator_bit_IC.png
The freq register bits are formed by a couple of inverters where the feedback loop is clocked by sid_clk1.
The input is taken from the data bus for the lower 16 bits while upper 8 bits are grounded. The input is enabled by the $0 line for the low eight bits and $1 for the others.
The $0 and $1 lines come from the address bus and I suppose these are enabled at sid_clk2, we'll have a look at this later.
Freq.png
Then there is a ripple-carry adder which performs the summing of the oscillator value and the freq register.

This is the circuit that calculates the inverted sum:
Osc_adder.png
Osc_adder.png (11.4 KiB) Viewed 8230 times
And this one calculates the inverted carry:
Osc_carry.png
Osc_carry.png (7.59 KiB) Viewed 8230 times
resulting in the following expressions:
/S = ¬((osc_x ∧ freq_x ∧ Cin) ∨ (/Cout ∧ (osc_x ∨ freq_x ∨ Cin))
/Cout = ¬((osc_x ∧ freq_x) ∨ (Cin ∧ (osc_x ∨ freq_x)))

which I haven't been able to simplify, but the truth table confirms that it works as expected:

Code: Select all

osc_x freq_x Cin | /Cout | /S
-----------------|-------|---
  0      0    0  |   1   | 1
  0      0    1  |   1   | 0
  0      1    0  |   1   | 0
  0      1    1  |   0   | 1
  1      0    0  |   1   | 0
  1      0    1  |   0   | 1
  1      1    0  |   0   | 1
  1      1    1  |   0   | 0

The resulting sum is latched (inverted for odd bits) at sid_clk2 and then NORed with the osc_rst signal at sid_clk1 producing the output. So when osc_rst is high the oscillator is reset to zero.
The output is sent back to the adder, after passing through an inverter for odd bits. The output of the upper 12 bits is then used for the actual waveform generation.
Osc_bit.png
User avatar
drfiemost
Posts: 53
Joined: 07 Jun 2016
Contact:

Re: Understanding the SID

Post by drfiemost »

The osc_rst line is controlled by the following circuit:
Oscillator_rst_IC.png
Oscillator_rst.png
giving the following expression:
osc_rst = ¬(¬test ∧ (¬sync ∨ ¬V3 ∨ V3_prev))
= test ∨ ¬(¬sync ∨ ¬V3 ∨ V3_prev)
= test ∨ (sync ∧ V3 ∧ ¬V3_prev)

where V3 is the MSB of the preceeding voice generator and V3_prev is the value of V3 during the previous clock cycle.
This means that the oscillator is reset when test bit is set or when sync bit is set and the sync source voice's MSB switches from low to high.
User avatar
ttlworks
Posts: 1464
Joined: 09 Nov 2012
Contact:

Re: Understanding the SID

Post by ttlworks »

In my opinion it would be a good idea to aim at the address decoder now
to figure out which SID register is where on the silicon.

(Orientation: filter section is South.)

North above the LFSR\Oscillator blocks,
we have 29 six_input NOR gates tied to inverted\non_inverted Bits
of the internal address bus, I think that's the read/write decoder
for the 29 registers.
sid_addrdec.png
Picture shows the North East corner of the chip,
two address "pins" and three of the NOR gates.

BTW: the bus interface circuitry of the SID probably isn't trivial,
because SID write cycle setup timing is related to the falling
edge of PHI2.

Maybe we could expect some subtle differences when comparing the 6581 and 8580
bus interface circuitry, because from the comments in the resid source code,
the 8580 seems to write registers with 1 cycle delay compared to the 6581.

;---

Edit: vice 2.4 resid source code implicated something like this,
but after dissecting the 6581 and 8580 bus interfaces,
they seemed to be identical at transistor level.
Last edited by ttlworks on Wed Jul 20, 2016 2:49 pm, edited 1 time in total.
User avatar
ttlworks
Posts: 1464
Joined: 09 Nov 2012
Contact:

Re: Understanding the SID

Post by ttlworks »

The remaining LFSR mysteries...

Putting that three_input OR gate in front of the XOR gate which feeds the LFSR input
certainly won't do for properly initializing the LFSR.

The OR gate would have to be placed between the XOR gate output and the LFSR input,
but I think this would have required a little bit more space on the silicon.

Of course, "the professional approach" would have been to implement a 23 input
NOR gate to force the LFSR input to 1 if all the LFSR flipflops are 0,
but there certainly wasn't enough space on the silicon for something like that.

So in my opinion, whoever did the logic design for the SID was well aware
that the LFSR bits would be turning from 0 to 1 after a while...

;---

Edit: more than two months had passed by since writing this post.
My theory of a "hidden P FET" turned out to be pure nonsense, so I deleted it.

But we still have no clue, what brings the LFSR bits back to '1'
after they were '0' for some time.

1) There is nothing in the transistor level logic design that could explain this effect.

2) When comparing 6581 and 8580, bits seem to go '1' in different order.
// Connections between LFSR and wave selector are wired up identical for both chips, checked this.

3) Effect depends on chip and on temperature.

4) There is nothing "suspicious" in the pictures of the 6581 and 8580 silicon.

Whatever it is, it probably is a trick hidden in the manufacturing process of the silicon or such.
With the info and the skills we have now, we can't solve this riddle.
lfsr_foo.png
lfsr_foo.png (7.66 KiB) Viewed 8123 times
Last edited by ttlworks on Fri Sep 09, 2016 8:49 am, edited 2 times in total.
User avatar
BigEd
Posts: 11464
Joined: 11 Dec 2008
Location: England
Contact:

Re: Understanding the SID

Post by BigEd »

(Umm, I think this is an NMOS design - there are no P_FETs. Only depletion-mode devices. And they are not invisible, just hard to distinguish from the others.)

But I think I do see 8 transistors in the layout picture of the head post, and only 7 in the circuit diagram, so something seems to be missing.
User avatar
ttlworks
Posts: 1464
Joined: 09 Nov 2012
Contact:

Re: Understanding the SID

Post by ttlworks »

Thanks, BigEd.
It's just that I'm new to that sort of reverse_engineering...
BigEd wrote:
But I think I do see 8 transistors in the layout picture of the head post, and only 7 in the circuit diagram, so something seems to be missing.
Could you please mark those 8 transistors in the layout picture for us ? :)
User avatar
BigEd
Posts: 11464
Joined: 11 Dec 2008
Location: England
Contact:

Re: Understanding the SID

Post by BigEd »

Anywhere that red crosses green is a transistor. Ignore the blue for this purpose - so the crossing area will be yellow or white.

(But where red touches green with a brown overlay, that's a contact.)
User avatar
BigEd
Posts: 11464
Joined: 11 Dec 2008
Location: England
Contact:

Re: Understanding the SID

Post by BigEd »

Here's an annotated version...
LFSR-annotated.png
LFSR-annotated.png (46.32 KiB) Viewed 8198 times
Post Reply