Breaking 6502 apart

Topics pertaining to the emulation or simulation of the 65xx microprocessors and their peripheral chips.
User avatar
org
Posts: 201
Joined: 22 Jun 2012
Contact:

Re: Breaking 6502 apart

Post by org »

Ugh... "E" mean "edge" ))) I need to redraw it again )
6502 addict
User avatar
GARTHWILSON
Forum Moderator
Posts: 8773
Joined: 30 Aug 2002
Location: Southern California
Contact:

Re: Breaking 6502 apart

Post by GARTHWILSON »

"E" usually means "enable."
http://WilsonMinesCo.com/ lots of 6502 resources
The "second front page" is http://wilsonminesco.com/links.html .
What's an additional VIA among friends, anyhow?
User avatar
org
Posts: 201
Joined: 22 Jun 2012
Contact:

Re: Breaking 6502 apart

Post by org »

I used russian letter "П" as level-triggered input)

If you understand russian, I have detailed description of these circuits here : http://breaknes.com/info/6502_top
Attachments
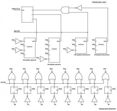
6502-predecode-logic.jpg
rdy-pad.jpg
rdy-pad.jpg (9.51 KiB) Viewed 1876 times
6502-instruction-register.jpg
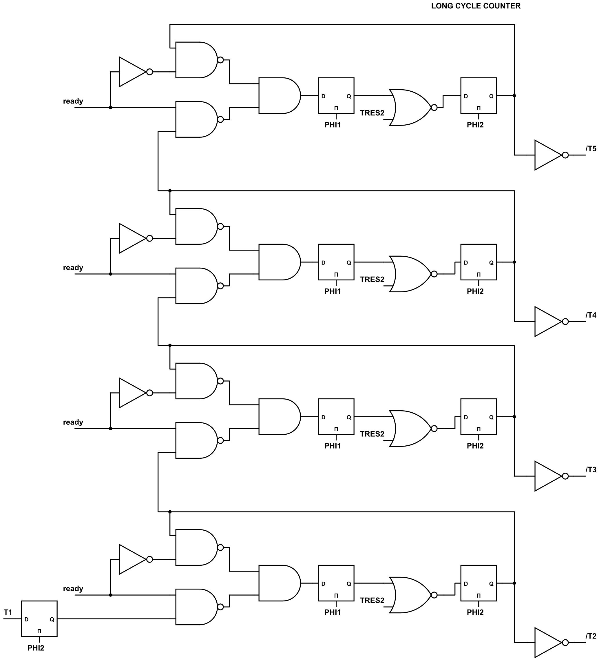
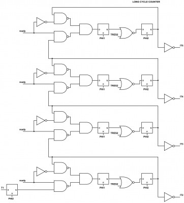
6502-long-cycle-counter.jpg
6502 addict
User avatar
BigEd
Posts: 11463
Joined: 11 Dec 2008
Location: England
Contact:

Re: Breaking 6502 apart

Post by BigEd »

Back to the E! It's recognised as meaning Enable.
Cheers
Ed
User avatar
org
Posts: 201
Joined: 22 Jun 2012
Contact:

Re: Breaking 6502 apart

Post by org »

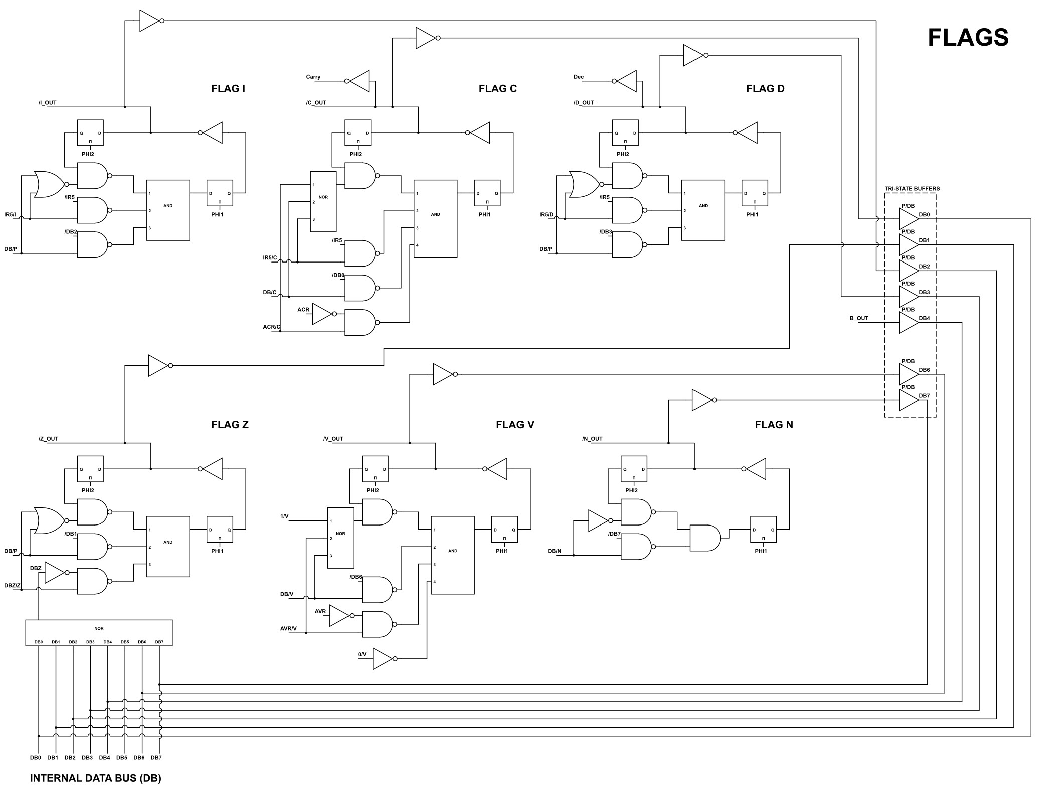
Todays speccy : flags.

This circuit is controlled by random logic, by following commands:

DB/P : load I, D, Z flags from internal data bus
IR5/I : used to handle SEI/CLI instructions
IR5/C : used to handle SEC/CLC instructions
DB/C : load C flag, from internal data bus
ACR/C : put ALU carry out to C flag
IR5/D : used to handle SED/CLD instructions
DBZ/Z : put ALU zero result to Z flag
1/V : forced whenever input pad SO is set
0/V : used to handle CLV instruction
DB/V : load V flag, from internal data bus
AVR/V : put ALU overflow out to V flag
DB/N : load N flag, from internal data bus

P/DB : enables tri-state buffer, to connect flags output with internal data bus.

B flag is located in interrupt handling circuit, on the left side of 6502.

Flags circuitry is rather simple. We have sync'ed latch, with NAND cutoff, whenever random logic issues any command to this flag (NOR gate).
Random logic commands reload latch, corresponding to new source value.
If we do not have any commands, cut-off NAND works as simple inverter, to reload output latch by old value.

Note, that flags output is in inverted logic, so it gets reinverted back again, before connecting output with internal data bus.

Phew)
Attachments
6502-flags.jpg
6502 addict
User avatar
org
Posts: 201
Joined: 22 Jun 2012
Contact:

Re: Breaking 6502 apart

Post by org »

Todays speccy: interrupt handling circuits
Attachments
6502-interrupt-handling.jpg
intr.jpg
6502 addict
User avatar
org
Posts: 201
Joined: 22 Jun 2012
Contact:

Re: Breaking 6502 apart

Post by org »

Todays speccy 2: branch logic
Attachments
6502-branch-logic.jpg
branch.jpg
6502 addict
User avatar
org
Posts: 201
Joined: 22 Jun 2012
Contact:

Re: Breaking 6502 apart

Post by org »

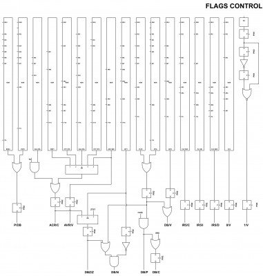
Todays speccy: flags controls (including SO pad logic)
Attachments
flagscontrol.jpg
6502-flags-control.jpg
6502 addict
User avatar
org
Posts: 201
Joined: 22 Jun 2012
Contact:

Re: Breaking 6502 apart

Post by org »

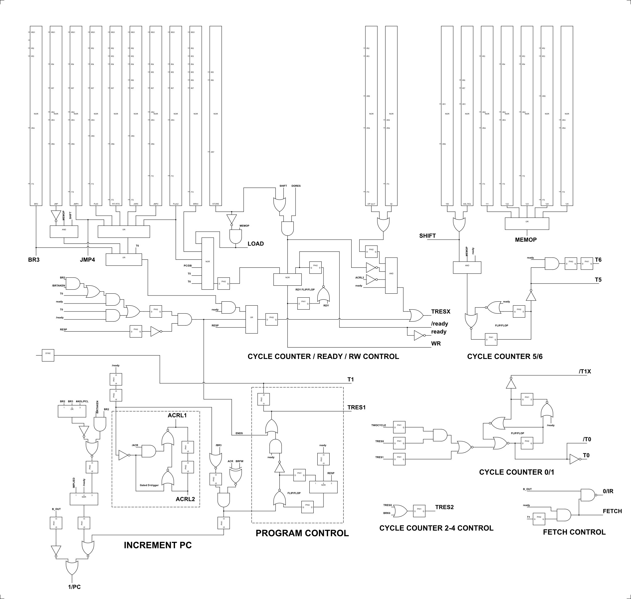
Todays speccy: program control

And some vintage tricks from MOS engineers :)

Image

Image
Attachments
6502-program-control.jpg
programcontrol.jpg
6502 addict
User avatar
org
Posts: 201
Joined: 22 Jun 2012
Contact:

Re: Breaking 6502 apart

Post by org »

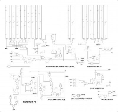
Todays speccy: complete 6502 dispatch unit.
Attachments
6502-dispatch.jpg
dispatch.jpg
Last edited by org on Wed May 29, 2013 8:09 pm, edited 1 time in total.
6502 addict
User avatar
BigEd
Posts: 11463
Joined: 11 Dec 2008
Location: England
Contact:

Re: Breaking 6502 apart

Post by BigEd »

That's neat!
User avatar
org
Posts: 201
Joined: 22 Jun 2012
Contact:

Re: Breaking 6502 apart

Post by org »

As always, latest versions of all circuits can be found here : https://www.circuitlab.com/user/org/
6502 addict
User avatar
org
Posts: 201
Joined: 22 Jun 2012
Contact:

Re: Breaking 6502 apart

Post by org »

Todays speccy: X,Y,S registers control
Attachments
6502-xys.jpg
xys.jpg
6502 addict
User avatar
org
Posts: 201
Joined: 22 Jun 2012
Contact:

Re: Breaking 6502 apart

Post by org »

Todays speccy : Program counter control
Attachments
6502-pc-control.jpg
pc_control.jpg
6502 addict
whartung
Posts: 1004
Joined: 13 Dec 2003

Re: Breaking 6502 apart

Post by whartung »

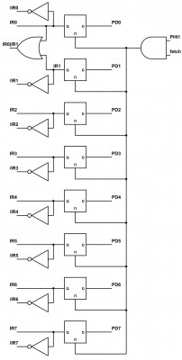
What are the long rectangles at the top feeding in to the circuits at the bottom? For example, the two on the left labeled BRK2 and JSR3. And what are the IR1, IR7, etc. labels and marking on these bars?
Post Reply