Breaking 6502 apart

Topics pertaining to the emulation or simulation of the 65xx microprocessors and their peripheral chips.
User avatar
org
Posts: 201
Joined: 22 Jun 2012
Contact:

Re: Breaking 6502 apart

Post by org »

I still can't fully understand execution order :)
In top part I have problems with flags input/outputs (still dont know what to do first - input flags from databus, or output current flag values)
In bottom part I have bunch of control lines which can lead to bus conflicts, for example :
If X/SB and Y/SB are become asserted at same time they encounter bus conflict (X and Y are put on SB at same time).
6502 addict
User avatar
BigEd
Posts: 11463
Joined: 11 Dec 2008
Location: England
Contact:

Re: Breaking 6502 apart

Post by BigEd »

Ah, yes, outside of normal operation there could be bus conflicts - the undefined opcodes may do this - and you'll most likely get either an AND or an OR of the various writers.
User avatar
org
Posts: 201
Joined: 22 Jun 2012
Contact:

Re: Breaking 6502 apart

Post by org »

Quote:
and you'll most likely get either an AND or an OR of the various writers
I will apply "ground wins" rule :)

BTW, I updated PSD sources too : http://breaknes.com/files/6502/6502.zip [150 MB]
6502 addict
User avatar
org
Posts: 201
Joined: 22 Jun 2012
Contact:

Re: Breaking 6502 apart

Post by org »

NMI pad logic

Transistor schematics:
6502.org wrote:
Image no longer available: http://breaknes.com/files/6502/NMI_PAD0.jpg
Logic circuit:
6502.org wrote:
Image no longer available: http://breaknes.com/files/6502/NMI_PAD1.jpg
After removing inverters it turned out to be D flip/flop :D
6502.org wrote:
Image no longer available: http://breaknes.com/files/6502/NMI_PAD2.jpg
Image
6502 addict
User avatar
org
Posts: 201
Joined: 22 Jun 2012
Contact:

Re: Breaking 6502 apart

Post by org »

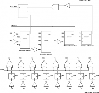
- Complete decoder labels
- Fixed names for /T0, /T1X and T1 lines

Latest version here : http://breaknes.com/files/6502/6502.jpg
6502 addict
User avatar
BigEd
Posts: 11463
Joined: 11 Dec 2008
Location: England
Contact:

Re: Breaking 6502 apart

Post by BigEd »

One small point - for a transparent latch, I've seen a symbol used where the clock input is marked with a half- square, instead of a triangle. The triangle means it's an edge-triggered flop.
Cheers
Ed
zellyn
Posts: 16
Joined: 28 Feb 2013
Location: San Francisco, California
Contact:

Re: Breaking 6502 apart

Post by zellyn »

The triangle looks like half a square to me... :-p
User avatar
BigEd
Posts: 11463
Joined: 11 Dec 2008
Location: England
Contact:

Re: Breaking 6502 apart

Post by BigEd »

Funny!
User avatar
org
Posts: 201
Joined: 22 Jun 2012
Contact:

Re: Breaking 6502 apart

Post by org »

Quote:
The triangle means it's an edge-triggered flop.
Thanks, didn't know this detail )

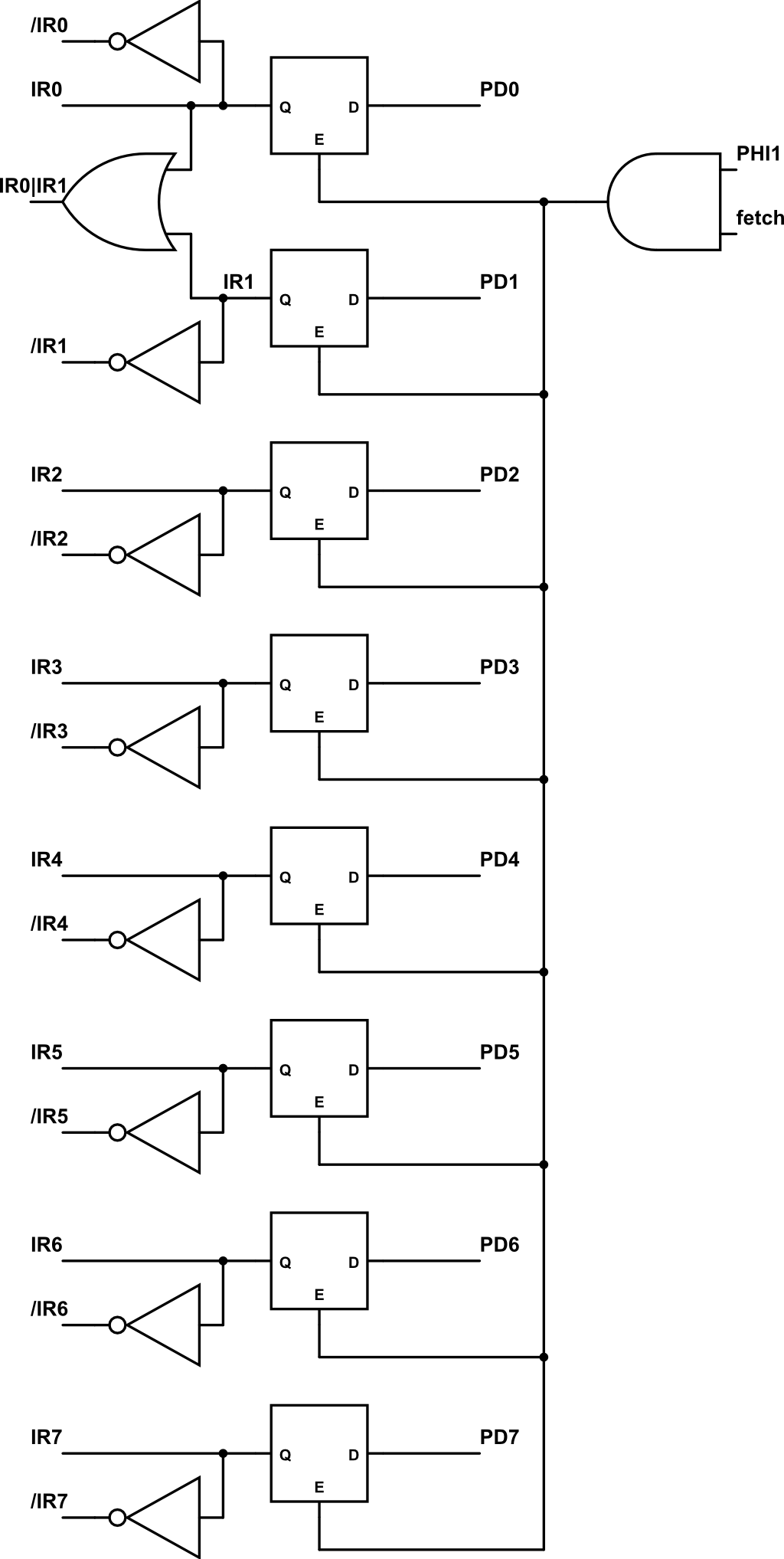
Those D-triggers are implemented as floating gate transistors. And its level-triggered of course. Is there any better way to represent it as logic block ?
6502 addict
User avatar
Dr Jefyll
Posts: 3526
Joined: 11 Dec 2009
Location: Ontario, Canada
Contact:

Re: Breaking 6502 apart

Post by Dr Jefyll »

latch_symbol.png
latch_symbol.png (1.67 KiB) Viewed 1614 times
BigEd wrote:
for a transparent latch, I've seen a symbol used where the clock input is marked with a half- square
Like this, then? Up until now I've just used "LE" to label such an input, but a symbol would be preferable.

Cheers,
Jeff
In 1988 my 65C02 got six new registers and 44 new full-speed instructions!
https://laughtonelectronics.com/Arcana/ ... mmary.html
User avatar
BigEd
Posts: 11463
Joined: 11 Dec 2008
Location: England
Contact:

Re: Breaking 6502 apart

Post by BigEd »

That's exactly what I've seen before, thanks Jeff. I couldn't find it though. What I did find was the idea of using a plain input called "E" instead of a triangle-marked input.
Cheers
Ed
User avatar
Dr Jefyll
Posts: 3526
Joined: 11 Dec 2009
Location: Ontario, Canada
Contact:

Re: Breaking 6502 apart

Post by Dr Jefyll »

BigEd wrote:
I couldn't find it though. What I did find was the idea of using a plain input called "E"
Ditto on both points! -- I did a search and found the "E" suggestion but not the symbol. So, I drew one myself. Glad you like it! :D
In 1988 my 65C02 got six new registers and 44 new full-speed instructions!
https://laughtonelectronics.com/Arcana/ ... mmary.html
User avatar
org
Posts: 201
Joined: 22 Jun 2012
Contact:

Re: Breaking 6502 apart

Post by org »

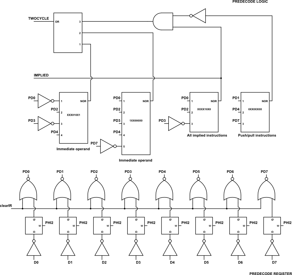
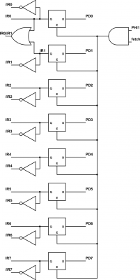
Fixed) I found "custom element" in circuitlab and made "E" input.
Attachments
6502-predecode-logic.png
6502-instruction-register.png
6502-long-cycle-counter.png
rdy-pad.png
rdy-pad.png (5.37 KiB) Viewed 1585 times
6502 addict
Post Reply