TTL 6502 Here I come
Re: TTL 6502 Here I come
Looking good!
- Oneironaut
- Posts: 734
- Joined: 25 May 2015
- Location: Gillies, Ontario, Canada
- Contact:
Re: TTL 6502 Here I come
I can't wait to see it all working... it has been great to follow the progression.
When I finish my current project, I intend to do a 7400 based CPU as well, and your build has been inspiring as well as educational.
Thanks for the spark!
Brad
When I finish my current project, I intend to do a 7400 based CPU as well, and your build has been inspiring as well as educational.
Thanks for the spark!
Brad
Re: TTL 6502 Here I come
Thanks for the encouragement gents! Feels great to be making progress.
Brad, very cool that you are considering a TTL CPU build. Will definitely be interesting to see where you take that!
I've been making up BOMs and thinking a bit about a basic test rig to bring up the CPU. Initially, probably just some RAM and a step clock will do. This cheap and cheerful EPROM programmer works for the microcode ROMs, but I can also use to transfer a code image onto NVRAM via USB - nice and simple. Down the road a bit, I expect I'll need to build an SBC to test more thoroughly; probably something like Daryl's SBC 2. I thought that would make a great first home for the TTL CPU. I might even make it as another "optional" card on the CPU itself, which would make for a nice package - we'll see. Of course, the idea is that eventually the CPU will use a ribbon cable and socket adaptor to plug directly into any NMOS or CMOS 6502 host, including a VIC20 or C64.
As ever, lots of work to do, but I'm now looking forward to some soldering
Drass
Brad, very cool that you are considering a TTL CPU build. Will definitely be interesting to see where you take that!
I've been making up BOMs and thinking a bit about a basic test rig to bring up the CPU. Initially, probably just some RAM and a step clock will do. This cheap and cheerful EPROM programmer works for the microcode ROMs, but I can also use to transfer a code image onto NVRAM via USB - nice and simple. Down the road a bit, I expect I'll need to build an SBC to test more thoroughly; probably something like Daryl's SBC 2. I thought that would make a great first home for the TTL CPU. I might even make it as another "optional" card on the CPU itself, which would make for a nice package - we'll see. Of course, the idea is that eventually the CPU will use a ribbon cable and socket adaptor to plug directly into any NMOS or CMOS 6502 host, including a VIC20 or C64.
As ever, lots of work to do, but I'm now looking forward to some soldering
Drass
C74-6502 Website: https://c74project.com
Re: TTL 6502 Here I come
Once in a while I feel a little "in over my head" on this project - like right now, for instance. Some parts arrived, and ... good Lord! It's easy to forget how truly tiny an 0603 capacitor is, especially after staring at a large screen for months. Getting an iron between bypass cap and IC pad is going to be very interesting in more than a few places. And there are hundreds of parts and thousands of solder points on these boards!
Well, after my heart-rate came down a bit, I got back to work
. I printed off scale images of the boards, and, tweezers in hand, I placed a few components - I could easily see various problems. I've circled in red a couple of examples on the pic below, and circled in blue some smaller components that are easy to miss:One issue is that some vias are really quite close to adjacent pads. After Dieter alerted me to it, I opted for covering vias with solder mask to prevent solder bridges. Then I noticed I had a few caps placed WITHIN the outlines of ICs! Silly, but I had the silkscreen layer off when I was placing the caps and just missed it in a few instances. I also underestimated the clearance needed around through-hole IC sockets, and the spacing between bypass caps and nearby pads - it's is just too tight in places. After careful inspection, I think I've spotted most of the trouble spots and will get busy sorting them out as best I can.
Oh, and I also ordered the wrong parts for the inter-card connectors (the pins are too short to reach between the cards
). Aside from that, I'm quite happy really. Considering the many things that could be wrong, it's remarkable that so much is ok. As to how to manage the soldering in really tight spots, well, that remains a mystery. Perhaps solder paste and a heat gun might be the answer, but I guess we'll see how the iron works out first.
In the meantime, I did a little research on PCB manufacture and discovered "panelizing". Turns out I can put four Eurocards on a single panel and get them made for about the same price as a single card! That's a big deal, and a strong incentive to get the other PCBs done (a good idea anyways just to make sure I don't have any surprises later). Laying out the K24 card was bound to be much easier that the others so I just went for it:Note the pinout header at bottom for the ADX bus (K24 extended address bus A16..24) and the SPI interface (which follows Garth's SPI-10 spec
). The K24 microcode has a custom SPI opcode which should enable the TTL CPU to connect directly to an SPI Mode 3 device on this header.
I also decided to try to get a test harness SBC done so I could include it on the PCB panel (the initial testing of the TTL CPU will be with just a memory chip on a breadboard but I'll need an SBC thereafter):I used Garth's 6502 Primer, Daryl's SBC2 and BDD's POC1 as references here, so the design will look very familiar. The SBC uses a simple variation of Garth's address decoder, an NXP SCC2692 UART per BDD's recommendation, and a WDC65C22 VIA for a nice complement of interrupt sources for testing. I used a 128K RAM chip so the K24 extended address bus can be exercised, and also put the ROM on a ZIF socket to make it easy to re-program. I included a socketed WDC65C02 on the board to let me verify the SBC itself. I can then remove the MPU from it's socket and stack the card on the TLL CPU for testing. Incidentally, I added a wait-state when the SBC accesses peripherals (only when using the FAST clock) so that I can try to run the TTL CPU flat-out and see what happens
. One neat thing is I had some fun implementing the TTL CPU's AUX control signal to switch between FAST and SLOW clocks on the fly. And, of course, I added lots of blinking lights (including some for CPU-internal signals, which will be handy). I'll share the schematics for the SBC shortly.
Ok, that's it for now. Back to those tiny caps
Cheers,
Drass
Well, after my heart-rate came down a bit, I got back to work
Oh, and I also ordered the wrong parts for the inter-card connectors (the pins are too short to reach between the cards
In the meantime, I did a little research on PCB manufacture and discovered "panelizing". Turns out I can put four Eurocards on a single panel and get them made for about the same price as a single card! That's a big deal, and a strong incentive to get the other PCBs done (a good idea anyways just to make sure I don't have any surprises later). Laying out the K24 card was bound to be much easier that the others so I just went for it:Note the pinout header at bottom for the ADX bus (K24 extended address bus A16..24) and the SPI interface (which follows Garth's SPI-10 spec
I also decided to try to get a test harness SBC done so I could include it on the PCB panel (the initial testing of the TTL CPU will be with just a memory chip on a breadboard but I'll need an SBC thereafter):I used Garth's 6502 Primer, Daryl's SBC2 and BDD's POC1 as references here, so the design will look very familiar. The SBC uses a simple variation of Garth's address decoder, an NXP SCC2692 UART per BDD's recommendation, and a WDC65C22 VIA for a nice complement of interrupt sources for testing. I used a 128K RAM chip so the K24 extended address bus can be exercised, and also put the ROM on a ZIF socket to make it easy to re-program. I included a socketed WDC65C02 on the board to let me verify the SBC itself. I can then remove the MPU from it's socket and stack the card on the TLL CPU for testing. Incidentally, I added a wait-state when the SBC accesses peripherals (only when using the FAST clock) so that I can try to run the TTL CPU flat-out and see what happens
Ok, that's it for now. Back to those tiny caps
Cheers,
Drass
C74-6502 Website: https://c74project.com
Re: TTL 6502 Here I come
Drass wrote:
It's easy to forget how truly tiny an 0603 capacitor is
Quote:
I also underestimated the clearance needed around through-hole IC sockets, and the spacing between bypass caps and nearby pads
Re: TTL 6502 Here I come
Drass wrote:
...
I also underestimated the clearance needed around through-hole IC sockets, and the spacing between bypass caps and nearby pads - it's is just too tight in places.
...
I also underestimated the clearance needed around through-hole IC sockets, and the spacing between bypass caps and nearby pads - it's is just too tight in places.
...
https://www.mpe-connector.de/file_db/fa ... et/074.pdf
If your pin holes are wide enough this is also possible:
https://www.mpe-connector.de/file_db/fa ... et/077.pdf
Of course there are more vendors.
Re: TTL 6502 Here I come
Placing components below IC sockets has its pros and cons.
Some years ago, I had a PCB that failed after some hours of operation.
It turned out, that somebody had soldered a 100nF capacitor instead of a pullup resistor.
It was tied to the /RESET input of some 74HC595 chips.
The weak input current of the CMOS inputs slowly charged the capacitor after power_up,
and after some hours of operation the /RESET signal reached logic LOW level.
Just to be able to _see_ that tiny SMD part that caused the trouble
I had to cut off a bit of that precision DIP socket...
Some years ago, I had a PCB that failed after some hours of operation.
It turned out, that somebody had soldered a 100nF capacitor instead of a pullup resistor.
It was tied to the /RESET input of some 74HC595 chips.
The weak input current of the CMOS inputs slowly charged the capacitor after power_up,
and after some hours of operation the /RESET signal reached logic LOW level.
Just to be able to _see_ that tiny SMD part that caused the trouble
I had to cut off a bit of that precision DIP socket...
Re: TTL 6502 Here I come
Great suggestions gents, thank you. (although I'm not about to try 0402 caps at this stage of the game
)
I think I've managed to address most of the issues by nudging the caps around a bit. I have as much solder mask now between caps and pads as there is between the pads themselves, and I've tried to moved the caps away from the body of any ICs. Ironically, there was room in most cases, but I was just not considering the physical scale when placing the parts. (If it passed the DRC, that was good enough!) Glad I made those paper mockups. But I don't think I'll make one for the K24 card. Spacing there is quite generous, and there are no new footprints to worry about.
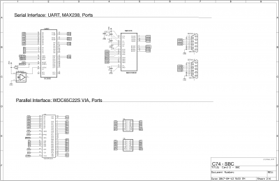
So that leaves the SBC ... here are some draft schematics: As I described, the idea is that the SBC sits on top of the TTL CPU, and connects directly to the pinout headers on the Registers Card. I checked the pin heights and it all fits with the cards 12mm to 13mm apart and a female connector on the underside of the SBC.
The memory map on the SBC is as follows:
$010000 - $01FFFF RAM
$00C000 - $00FFFF ROM
$00A000 - $00BFFF IO - 6522 VIA
$008000 - $009FFF IO - 2692 UART
$000000 - $007FFF RAM
The extra RAM is only be available to the TTL CPU, but I can test everything else with the socketed WDC 65C02. The address decoder is only 1 gate deep for RAM and 3 gates deep for ROM and peripherals, which is nice. I validated the rather convoluted clocking circuit, which includes FAST, SLOW, STEP (Single-instruction), and TICK (single-cycle) - a little much, I agree, but it was fun to do it
. (It was a bit tricky to synchronize everything so no partial cycles are generated, but I think got that sorted out). The TICK push-button does double duty, executing a single cycle in MANUAL mode (using Garth's Pulse generator from the 6502 primer), but also releasing RDY to execute a single instruction when in STEP mode. Incidentally, the "Gate-Switch-Debouncers" are Dieter's idea, and they worked out very nicely given that I had spare gates on the board already!
Of course, I would very much appreciate any thoughts or suggestions on the SBC (or otherwise).
Cheers!
I think I've managed to address most of the issues by nudging the caps around a bit. I have as much solder mask now between caps and pads as there is between the pads themselves, and I've tried to moved the caps away from the body of any ICs. Ironically, there was room in most cases, but I was just not considering the physical scale when placing the parts. (If it passed the DRC, that was good enough!) Glad I made those paper mockups. But I don't think I'll make one for the K24 card. Spacing there is quite generous, and there are no new footprints to worry about.
So that leaves the SBC ... here are some draft schematics: As I described, the idea is that the SBC sits on top of the TTL CPU, and connects directly to the pinout headers on the Registers Card. I checked the pin heights and it all fits with the cards 12mm to 13mm apart and a female connector on the underside of the SBC.
The memory map on the SBC is as follows:
$010000 - $01FFFF RAM
$00C000 - $00FFFF ROM
$00A000 - $00BFFF IO - 6522 VIA
$008000 - $009FFF IO - 2692 UART
$000000 - $007FFF RAM
The extra RAM is only be available to the TTL CPU, but I can test everything else with the socketed WDC 65C02. The address decoder is only 1 gate deep for RAM and 3 gates deep for ROM and peripherals, which is nice. I validated the rather convoluted clocking circuit, which includes FAST, SLOW, STEP (Single-instruction), and TICK (single-cycle) - a little much, I agree, but it was fun to do it
Of course, I would very much appreciate any thoughts or suggestions on the SBC (or otherwise).
Cheers!
C74-6502 Website: https://c74project.com
Re: TTL 6502 Here I come
Now some comments on your SBC schematics:
;---
On the W65C02, BE is high_active, not low_active like in your schematics.
You connected BE with a pull_down resistor to GND, what would disable the bus of the W65C02 by default.
Please check.
;---
IC5A, a 7414 inverter, is wired up as a switch debouncer.
Sorry, this won't work.
You either need to use a non_inverting gate there, or to put two inverters in a row.
// Might be possible to turn that spare 7474 flipflop into a RS flipflop and to use it as a debouncer.
Please check.
;---
IC7C, the OR gate that generates /RAM.SEL, looks wrong. IMHO this should be an AND gate.
/816BNKH is high, when the CPU accesses $00xxxx.
An OR gate there would select the RAM for $010000..$017FFF, $020000..$027FFF and so on.
But the RAM won't be selected for $000000..$007FFF !
Please check.
Edit: R13, that pulldown resistor for the /816BNKH signal...
would be better to make this a pullup resistor.
Please check this, too.
;---
Now for the LEDs: 7*8 = 56 LEDs.
If they all are on, and if we could expect something like 10mA per LED, this would be 560mA in total.
Would be good to add a switch (or a jumper) for disabling all the LEDs.
Just tie the /G inputs of all the LED drivers together, and add a pullup resistor and a switch\jumper to GND.
// When I had built my experimental TTL 65xx peripherals, I did something like this because I was using
// only a humble 2A voltage regulator, which sometimes wasn't up to the task...
Please check.
;---
Feels like we are almost there.
Go, Drass, go.
;---
On the W65C02, BE is high_active, not low_active like in your schematics.
You connected BE with a pull_down resistor to GND, what would disable the bus of the W65C02 by default.
Please check.
;---
IC5A, a 7414 inverter, is wired up as a switch debouncer.
Sorry, this won't work.
You either need to use a non_inverting gate there, or to put two inverters in a row.
// Might be possible to turn that spare 7474 flipflop into a RS flipflop and to use it as a debouncer.
Please check.
;---
IC7C, the OR gate that generates /RAM.SEL, looks wrong. IMHO this should be an AND gate.
/816BNKH is high, when the CPU accesses $00xxxx.
An OR gate there would select the RAM for $010000..$017FFF, $020000..$027FFF and so on.
But the RAM won't be selected for $000000..$007FFF !
Please check.
Edit: R13, that pulldown resistor for the /816BNKH signal...
would be better to make this a pullup resistor.
Please check this, too.
;---
Now for the LEDs: 7*8 = 56 LEDs.
If they all are on, and if we could expect something like 10mA per LED, this would be 560mA in total.
Would be good to add a switch (or a jumper) for disabling all the LEDs.
Just tie the /G inputs of all the LED drivers together, and add a pullup resistor and a switch\jumper to GND.
// When I had built my experimental TTL 65xx peripherals, I did something like this because I was using
// only a humble 2A voltage regulator, which sometimes wasn't up to the task...
Please check.
;---
Feels like we are almost there.
Go, Drass, go.
Re: TTL 6502 Here I come
ttlworks wrote:
Feels like we are almost there.
Go, Drass, go.
Go, Drass, go.
BTW Dieter mentioned 10 mA per LED, but with modern, high-brightness LED's that's probably quite a lot more than necessary. You might want to use a socket for the resistor array so you can easily change the value.
cheers,
Jeff
- Attachments
-
- excerpt.png (6.36 KiB) Viewed 2040 times
In 1988 my 65C02 got six new registers and 44 new full-speed instructions!
https://laughtonelectronics.com/Arcana/ ... mmary.html
https://laughtonelectronics.com/Arcana/ ... mmary.html
Re: TTL 6502 Here I come
Thanks for these comments! Very helpful.
Some misconceptions die hard - Garth pointed this out as well in response to my very first post on this thread! ...
Looks like I made a "bouncer" instead of a debouncer
Agreed. Happily, there is a spare AND gate on the board. The OR can go to the debouncer.
Great catch! Boy, that's a confusing name for that signal: "/816 Bank HIGH" is LOW when the Bank is HIGH. Positive logic "816BNK0" is probably better.
Good idea. I suspect I will also appreciate being able to turn off the LED panel when not in use!
Good point ... but rather than sockets, I think I'll try the LEDs out on a test board before settling on a value for the final PCB.
This always makes me smile ... many thanks for the help and encouragement! We're almost there 
Cheers.
ttlworks wrote:
On the W65C02, BE is high_active
Quote:
IC5A, a 7414 inverter, is wired up as a switch debouncer. Sorry, this won't work.
Quote:
IC7C, the OR gate that generates /RAM.SEL, looks wrong. IMHO this should be an AND gate.
Quote:
Edit: R13, that pulldown resistor for the /816BNKH signal...
Quote:
tie the /G inputs of all the LED drivers together, and add a pullup resistor and a switch\jumper to GND.
Dr Jefyll wrote:
You might want to use a socket for the resistor array so you can easily change the value.
Quote:
Go, Drass, go. 
Cheers.
C74-6502 Website: https://c74project.com
Re: TTL 6502 Here I come
Drass wrote:
Positive logic "816BNK0" is probably better.
Drass wrote:
This always makes me smile ... many thanks for the help and encouragement!
While taking another look at your schematics, I noticed a pulldown resistor (R10) for the /816MODE signal.
If K24 won't be installed, /816MODE would be low, and I think it's supposed to be high instead...
because the "816 mode" simply won't work without the K24 PCB.
Please check polarity and pullup\pulldown for this signal.
Hmm... since we are at it, please check the AUX signal, too...
We reserved that AUX signal for switching between slow and fast CPU clock by software later,
and for maintaining C64 compatibility the CPU is supposed to end up in "slow mode" after a hardware reset.
The reason is, that an unmodified C64 kernal might have problems to communicate with a 1541 floppy drive when the CPU is in "fast mode".
BTW: you are using a 128kB RAM, the SBC doesn't seem to make use of A23..A17.
So if you should be running out of PCB space, replacing the resistor network <24-DWN with a pulldown resistor
for A16 only might be an option.
Re: TTL 6502 Here I come
Felt a need to clarify, how my switch debouncer works.
If a SPDT switch bounces, it either bounces between low and open, or between high and open.
If the switch is open, the resistor works either as a pullup or a pulldown for the input of the gate,
to make the non_inverting logic gate keep its logic level at the output.
To change the logic level at the gate output, some current has to flow through the resistor.
470 Ohm sure is a little bit low, but it increases reliability of the circuit,
and current only flows for a short moment when the output of the logic gate changes.
74HC\74AC would be best for this application, since the logic level threshold is half the supply voltage.
74HCT\74ACT might work too, but at a logic level threshold of ca. 1.3V the noise immunity probably would be less good.
74LS won't work too well in this application, requiring a lower resistor value bacause of the 1..2mA input current
of a TTL LS gate when pulling the input low...
LS logic level threshold is ca. 1.3V, and the output voltage of the LS gate sure would be a little bit more than 0V.
Nice thing is, that one could debounce 8 SPDT switches with a 74HC245 or 74HC541 plus 8 resistors.
No Schmitt-Trigger required.
;---
BTW:
Actually, the circuit is derived from a form of "low_power" active bus termination.
Imagine to have the non_inverting logic gate tied with the input to a data bus line,
and a termination resistor between input and output of the gate...
While looking at Alsi's SBC schematics some time ago, it felt like there had to be a better way of debouncing switches,
and this thought had circled around in my backhead for a while.
It took me some time to realize that this sort of active bus termination could be used as a switch debouncer,
so the idea came a bit too late for Alsi's project, sorry.
If a SPDT switch bounces, it either bounces between low and open, or between high and open.
If the switch is open, the resistor works either as a pullup or a pulldown for the input of the gate,
to make the non_inverting logic gate keep its logic level at the output.
To change the logic level at the gate output, some current has to flow through the resistor.
470 Ohm sure is a little bit low, but it increases reliability of the circuit,
and current only flows for a short moment when the output of the logic gate changes.
74HC\74AC would be best for this application, since the logic level threshold is half the supply voltage.
74HCT\74ACT might work too, but at a logic level threshold of ca. 1.3V the noise immunity probably would be less good.
74LS won't work too well in this application, requiring a lower resistor value bacause of the 1..2mA input current
of a TTL LS gate when pulling the input low...
LS logic level threshold is ca. 1.3V, and the output voltage of the LS gate sure would be a little bit more than 0V.
Nice thing is, that one could debounce 8 SPDT switches with a 74HC245 or 74HC541 plus 8 resistors.
No Schmitt-Trigger required.
;---
BTW:
Actually, the circuit is derived from a form of "low_power" active bus termination.
Imagine to have the non_inverting logic gate tied with the input to a data bus line,
and a termination resistor between input and output of the gate...
While looking at Alsi's SBC schematics some time ago, it felt like there had to be a better way of debouncing switches,
and this thought had circled around in my backhead for a while.
It took me some time to realize that this sort of active bus termination could be used as a switch debouncer,
so the idea came a bit too late for Alsi's project, sorry.
Re: TTL 6502 Here I come
Quote:
If K24 won't be installed, /816MODE would be low, and I think it's supposed to be high instead...
Quote:
please check the AUX signal, too.
Quote:
So if you should be running out of PCB space, replacing the resistor network <24-DWN with a pulldown resistor
for A16 only might be an option.
for A16 only might be an option.
C74-6502 Website: https://c74project.com
Re: TTL 6502 Here I come
I made a little "pre-manufacturing checklist" for the PCBs, which included a final "visual check" of the schematics. I have to confess it seemed almost pedantic to be checking schematics again at this late stage, but, wouldn't you know it, I found a problem on the ALU Board!
Somehow I managed to reverse a couple of pins on a 74AC257. Looking back at an older schematic, I can confirm absolutely that the connections were made correctly before. And yet, inexplicably, here they are - wrong in the version I routed! Argh!
It took quite some effort to re-work the relevant tracks, but of course it sure beats having to redo a board for such a silly error. I'm bracing for some heavy debugging once the CPU is built.
On another note, I had a chance to route the SBC:Comparatively, there was lots of space on this board. I put the glue and I/O ICs on the back, and left the upper portion of the pcb open for through-hole switches and pushbuttons. I'm still pondering some late changes, but either way, a paper mockup sure seems like a good idea on this one - just to check all the new footprints. Incidentally, I found a way to print a nice "assembly guide" for each board from Eagle to help during soldering. Here is the ALU & CU Card top-side: With the boards getting closer now, I spent some time looking into manufacturing and panelization. It looks like pcbway.com will put all four cards into a single V-Scored panel - that would be great! They support 4 mil tracks, 4 mil spacing and 2mm drills, which actually exceeds the requirements of these boards. I've yet to confirm all the specs, but it seems they might work out. I would be curious to know if anyone here has used them in the past, or whether another manufacturer might be better in this instance.
Speaking of panels, there are a number of scripts and other solutions out there for merging multiple gerbers together - all of which I've yet to investigate fully. I'll report back once I've had a good look. Unfortunately, my version of Eagle restricts the pcb dimensions, so I do need to find an alternative. The fallback, of course, is to get the boards made separately (although at a significantly higher price). We'll see.
Cheers for now!
On another note, I had a chance to route the SBC:Comparatively, there was lots of space on this board. I put the glue and I/O ICs on the back, and left the upper portion of the pcb open for through-hole switches and pushbuttons. I'm still pondering some late changes, but either way, a paper mockup sure seems like a good idea on this one - just to check all the new footprints. Incidentally, I found a way to print a nice "assembly guide" for each board from Eagle to help during soldering. Here is the ALU & CU Card top-side: With the boards getting closer now, I spent some time looking into manufacturing and panelization. It looks like pcbway.com will put all four cards into a single V-Scored panel - that would be great! They support 4 mil tracks, 4 mil spacing and 2mm drills, which actually exceeds the requirements of these boards. I've yet to confirm all the specs, but it seems they might work out. I would be curious to know if anyone here has used them in the past, or whether another manufacturer might be better in this instance.
Speaking of panels, there are a number of scripts and other solutions out there for merging multiple gerbers together - all of which I've yet to investigate fully. I'll report back once I've had a good look. Unfortunately, my version of Eagle restricts the pcb dimensions, so I do need to find an alternative. The fallback, of course, is to get the boards made separately (although at a significantly higher price). We'll see.
Cheers for now!
C74-6502 Website: https://c74project.com