Breaking 6502 apart
Re: Breaking 6502 apart
These are individual columns of the decoder PLA, each being a big NOR gate. The IR is the Instruction Register.
Re: Breaking 6502 apart
Yeap, and BRK2 / JSR3 are decoder line names. Number after opcode represent cycle, when this decoder line is trigger.
6502 addict
Re: Breaking 6502 apart
I almost completed top part on logic gates, and made some draft of it.
Don't look closely, it may contain typos and still not fully "de-morganized", just wanted to show you complexity and structural parts of it.
Bottom part will be done after top one.
Don't look closely, it may contain typos and still not fully "de-morganized", just wanted to show you complexity and structural parts of it.
Bottom part will be done after top one.
6502 addict
Re: Breaking 6502 apart
Bravo!
Re: Breaking 6502 apart
Todays speccy: ALU control
(I'm lazy to complete PLA lines, will be added later
)
+fixed shortcut on ROR carry logic in transistor circuit.
(I'm lazy to complete PLA lines, will be added later
+fixed shortcut on ROR carry logic in transistor circuit.
6502 addict
Re: Breaking 6502 apart
Updated and cleaned up most of circuits on http://www.circuitlab.com
Need to add some missing parts of bus control and top part will be ready.
Need to add some missing parts of bus control and top part will be ready.
6502 addict
Re: Breaking 6502 apart
Ok, I'm done with top part.
I isolated 6502 "core" and trying to understand how its executing, step by step.
Some slides below
I isolated 6502 "core" and trying to understand how its executing, step by step.
Some slides below
6502 addict
Re: Breaking 6502 apart
Updated transistor circuits. Fixed some errors and split it on two parts : top and bottom.
6502 addict
Re: Breaking 6502 apart
In last minutes I found missing part of DL/DB, will be fixed soon )
6502 addict
Re: Breaking 6502 apart
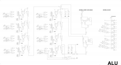
Todays speccy: ALU logic circuit
Later I maybe optimize SUM calculation, by replacing couple of NAND/NORs by XORs.
Don't want to mess with inverted carry chain ATM
Later I maybe optimize SUM calculation, by replacing couple of NAND/NORs by XORs.
Don't want to mess with inverted carry chain ATM
6502 addict
Re: Breaking 6502 apart
Hi org,
I just wanted to congratulate you on the 1 year anniversary of this project (I know, I missed it by a day). Hard to believe it's been a year, but here it is, and you're still going strong on it and making great progress from the looks of things (not that I have really any idea what I'm looking at).
But kudos to perseverance.
I just wanted to congratulate you on the 1 year anniversary of this project (I know, I missed it by a day). Hard to believe it's been a year, but here it is, and you're still going strong on it and making great progress from the looks of things (not that I have really any idea what I'm looking at).
But kudos to perseverance.
Re: Breaking 6502 apart
Great progress indeed - happy yesterbirthday to the project
Re: Breaking 6502 apart
Thank you, I really appreciated for your support ! 
Within few days I'm going to complete whole 6502 logic circuit.
Today I experimented a bit with GIS applications, and adapted it for my task: http://breaknes.com/files/6502/tilemap/
This is tile map viewer of extra-large images, based on OpenLayers API.
Within few days I'm going to complete whole 6502 logic circuit.
Today I experimented a bit with GIS applications, and adapted it for my task: http://breaknes.com/files/6502/tilemap/
This is tile map viewer of extra-large images, based on OpenLayers API.
6502 addict
Re: Breaking 6502 apart
I like it! (Did you see the 65CE02 post? There's a slippy map there of the die shot.)