There's also the Gigatron. I seem to recall that there was some interesting work done getting it to run 6502 code.
https://gigatron.io
Build 6502 with TTL components
- JeffJetton
- Posts: 6
- Joined: 18 Mar 2024
- Location: Nashville, Tennessee, USA
- Contact:
Re: Build 6502 with TTL components
Hello bmab, and welcome.
Sorry for my delayed response.
If you are out to build a TTL implementation of the original 6502 architecture,
please be aware that you are out to stumble into a nice adventure which could take 3+ years.
When Drass, Jeff (Dr Jefyll) and me did the C74 project,
we did not know as much about the architecture of the ariginal 6502 core as we know now.
So the C74 core has a different architecture than the original 6502 core, that's also because we deliberately aimed at speed.
I think your best bet is reading the 6509 dissection.
At logic design level the 6509 core is pretty much identical to the 6502 core,
at transistor level there is a little difference in the clock generation for the control latches which IMHO doesn't matter much.
6509 basically is 6502 plus sort of a crude MMU which gives you 4 additional address lines.
Sorry for my delayed response.
If you are out to build a TTL implementation of the original 6502 architecture,
please be aware that you are out to stumble into a nice adventure which could take 3+ years.
When Drass, Jeff (Dr Jefyll) and me did the C74 project,
we did not know as much about the architecture of the ariginal 6502 core as we know now.
So the C74 core has a different architecture than the original 6502 core, that's also because we deliberately aimed at speed.
I think your best bet is reading the 6509 dissection.
At logic design level the 6509 core is pretty much identical to the 6502 core,
at transistor level there is a little difference in the clock generation for the control latches which IMHO doesn't matter much.
6509 basically is 6502 plus sort of a crude MMU which gives you 4 additional address lines.
Re: Build 6502 with TTL components
Hello everyone!
I found this project here:
viewtopic.php?f=12&t=5811
I'm doubt about architecture. Is it correct for a 6502?
I found this project here:
viewtopic.php?f=12&t=5811
I'm doubt about architecture. Is it correct for a 6502?
- Attachments
-
- Block diagram2.JPG (23.19 KiB) Viewed 15756 times
- GARTHWILSON
- Forum Moderator
- Posts: 8773
- Joined: 30 Aug 2002
- Location: Southern California
- Contact:
Re: Build 6502 with TTL components
That's for his microprogrammed 6502-like CPU, not the 6502 itself which does not use microcode, nor does it have two ALUs. The 6502 and 65c02 data sheets will have the correct diagram. [Edit: Your earlier ones were better.]
http://WilsonMinesCo.com/ lots of 6502 resources
The "second front page" is http://wilsonminesco.com/links.html .
What's an additional VIA among friends, anyhow?
The "second front page" is http://wilsonminesco.com/links.html .
What's an additional VIA among friends, anyhow?
Re: Build 6502 with TTL components
bmab wrote:
I'm doubt about architecture. Is it correct for a 6502?
But other folks might not be satisfied unless -- in addition to executing 6502 code -- some or all of the project's implementation details are the same as a 6502... details such as the project's arrangement of ALU's and internal buses, for example. Using that definition, then the C74 project would not be considered correct. (But that doesn't bother us in the slightest!
-- Jeff
In 1988 my 65C02 got six new registers and 44 new full-speed instructions!
https://laughtonelectronics.com/Arcana/ ... mmary.html
https://laughtonelectronics.com/Arcana/ ... mmary.html
Re: Build 6502 with TTL components
For the record, that block diagram appears here on the third page of JuanGg's thread "Micro programmed 6502-like CPU". The block diagram comes after the project has passed Klaus' test suite, so it is something which works.
Notably, there's no sign of a temporary data register - that's something which often turns up in re-implementations. Then again, it's only a diagram, not the actual machine. Although Juan hasn't visited here for a long time, it's good to see a project reach a successful conclusion!
(Garth, I believe you misread the diagram - there are not two ALUs, but two registered inputs to a single ALU)
Edit: I should add, one can consider several levels of exactitude in a rebuild: that all official opcodes have the right function, that all official opcodes take the same number of clock cycles as the original, that all official opcodes make the same accesses in the same order as the original... and then there are the undocumented opcodes, which for some parts of 6502 fandom are also important.
Edit: In Juan's case, there's a deliberate omission of decimal mode - a fairly common choice.
Notably, there's no sign of a temporary data register - that's something which often turns up in re-implementations. Then again, it's only a diagram, not the actual machine. Although Juan hasn't visited here for a long time, it's good to see a project reach a successful conclusion!
(Garth, I believe you misread the diagram - there are not two ALUs, but two registered inputs to a single ALU)
Edit: I should add, one can consider several levels of exactitude in a rebuild: that all official opcodes have the right function, that all official opcodes take the same number of clock cycles as the original, that all official opcodes make the same accesses in the same order as the original... and then there are the undocumented opcodes, which for some parts of 6502 fandom are also important.
Edit: In Juan's case, there's a deliberate omission of decimal mode - a fairly common choice.
Re: Build 6502 with TTL components
I decided to follow this block diagram found in C74 project and its successor TTL 6502 Here I come (2015) and I haven't read all articles about both project, the questions:
Why this block diagram C74 project have a lot of registers in compare with the 6502 block diagram?
What modifications in C74 project we did to aim at speed?
Why this block diagram C74 project have a lot of registers in compare with the 6502 block diagram?
What modifications in C74 project we did to aim at speed?
Re: Build 6502 with TTL components
bmab wrote:
I decided to follow this block diagram found in C74 project and its successor TTL 6502 Here I come (2015) and I haven't read all articles about both project, the questions:
Why this block diagram C74 project have a lot of registers in compare with the 6502 block diagram?
What modifications in C74 project we did to aim at speed?
Why this block diagram C74 project have a lot of registers in compare with the 6502 block diagram?
What modifications in C74 project we did to aim at speed?
Re: Build 6502 with TTL components
bmab wrote:
I decided to folow this block diagram found in C74 project and its successor TTL 6502 Here I come (2015) and I haven't read all articles about both project
BTW, this project is the same one described at the C74 project link. You may enjoy this video of a presentation about C74 by Drass at this event.
(The successor to C74 has not yet been built, and may perhaps never be, but the plans are quite far advanced; see 100MHz TTL 6502: Here we go! )
Quote:
Why this block diagram C74 project have a lot of registers in compare with the 6502 block diagram?
My point is, there can be various methods that all accomplish the same thing.
-- Jeff
ps- Sean is correct about the added features. However, even without those added features, the C74 block diagram still does not match that of an actual 6502. For example, the C74 uses microcode rather than a PLA. This is one reason there are more registers -- for example, the pipeline registers, which are not visible by the programmer. ETA: oops, they're also not shown in that diagram!
In 1988 my 65C02 got six new registers and 44 new full-speed instructions!
https://laughtonelectronics.com/Arcana/ ... mmary.html
https://laughtonelectronics.com/Arcana/ ... mmary.html
Re: Build 6502 with TTL components
About the "extra" registers - I don't know the C74 in detail, but it's worth noting
- there's more storage in a CPU than the programmer-visible registers
- a "register" in NMOS technology may need as little as one transistor per bit using the design style seen in the 6502 which means it takes up minimal space - at least, when "register" is allowed to include "transparent latch"
In this sense, the 6502 ALU has registers on both inputs - but you don't always see those in a block diagram.
But it may be that the "extra" registers you are seeing relate to extra functionality, as Jeff notes.
- there's more storage in a CPU than the programmer-visible registers
- a "register" in NMOS technology may need as little as one transistor per bit using the design style seen in the 6502 which means it takes up minimal space - at least, when "register" is allowed to include "transparent latch"
In this sense, the 6502 ALU has registers on both inputs - but you don't always see those in a block diagram.
But it may be that the "extra" registers you are seeing relate to extra functionality, as Jeff notes.
Re: Build 6502 with TTL components
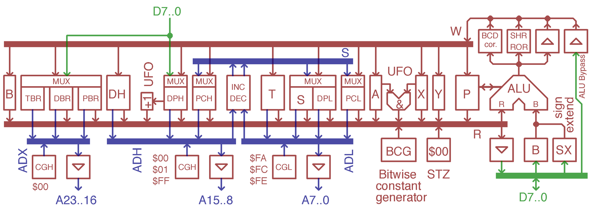
It's been a while, and I don't remember too much of the details...
Original C74 block diagram:
Tried to mark the parts which you probably won't need in orange:
Address Bus Bit 16..23: only 65816 has 24 Bit address bus, NMOS 6502 and 65C02 have 16 Bit address bus.
Anything labeled "UFO" is support for illegal NMOS 6502 instructions (which were "UnFOrseen by the original NMOS designers", long story).
65C02 has STZ instruction, while NMOS 6502 has not.
BCG (Bitwise constant generator) is support for the Rockwell R65C02 Bit testing/manipulation instructions (NMOS 6502 and non_Rockwell 65C02 lack them).
Original C74 block diagram:
Tried to mark the parts which you probably won't need in orange:
Address Bus Bit 16..23: only 65816 has 24 Bit address bus, NMOS 6502 and 65C02 have 16 Bit address bus.
Anything labeled "UFO" is support for illegal NMOS 6502 instructions (which were "UnFOrseen by the original NMOS designers", long story).
65C02 has STZ instruction, while NMOS 6502 has not.
BCG (Bitwise constant generator) is support for the Rockwell R65C02 Bit testing/manipulation instructions (NMOS 6502 and non_Rockwell 65C02 lack them).
Re: Build 6502 with TTL components
This might be of interest (DrMattRegan's SAP-6502 series)