6509 dissection: IDKFA

For discussing the 65xx hardware itself or electronics projects.
User avatar
org
Posts: 201
Joined: 22 Jun 2012
Contact:

Re: 6509 dissection: IDKFA

Post by org »

> It looks like the inverter for brk6_latch1 is missing.

Ah, I get it, as a result of the optimization everything is fine there, sorry :)
Attachments
brk6_demorgan.jpg
6502 addict
User avatar
ttlworks
Posts: 1464
Joined: 09 Nov 2012
Contact:

Re: 6509 dissection: IDKFA

Post by ttlworks »

org, nice going. :)


To the readers of this thread:
The situation is, that we have two teams which had used different approaches, notations and logic symbols for dissecting a CPU core.
//Assuming that the 6502 core and the 6509 core are identical at logic design level.
So it is fully normal to have false positives when cross_checking the results of both teams for errors.

For instance, I'm an old school hardware guy with absolutely no LogiSim experience,
and to me it wasn't obvious that a transparent latch like 74373 could have an inverted and a non_inverted output,
what had confused me a bit, sorry. :)

Also, in my schematics the disabling of the PLA product terms 92:T2.ANY_ABS, 99:T3.ANY_ABS, 145:Tx.IMPL
happens inside the PLA, while the 'org' schematics had moved that part into the random logic area,
what had confused me a bit, too.

So please see them false positives as a proof that we are just trying to do a good job while cross_checking the results. :)
User avatar
org
Posts: 201
Joined: 22 Jun 2012
Contact:

Re: 6509 dissection: IDKFA

Post by org »

I did a little work on the Data Path diagram at the bottom.

- Missing S and ADL connection (S/ADL)
- The fact of loading direct and inverse value to the BI ALU latch is not reflected (DB/ADD, NDB/ADD)
- Zero load command is not displayed on the AI latch (0/ADD)
- ADL/ADD connects ADL and BI (not AI)
- Current value refresh commands are not displayed (S/S, PCL/PCL, PCH/PCH)
- Instead of "BCD-detect" made ADD (Adder Hold) and output to ADL and SB buses from it
- A -> AC (not to be confused with A Input)
Attachments
datapath.png
6502 addict
User avatar
org
Posts: 201
Joined: 22 Jun 2012
Contact:

Re: 6509 dissection: IDKFA

Post by org »

In addition to the previous post.

- CGH and CGL are mixed up
- Adding a cleaner version of the diagram
Attachments
datapath2.png
6502 addict
User avatar
ttlworks
Posts: 1464
Joined: 09 Nov 2012
Contact:

Re: 6509 dissection: IDKFA

Post by ttlworks »

I admit that I was in a hurry when drawing the block diagram with the bus systems,
it was the last step of the dissection.

It isn't exactly a data path diagram, because it shows the data path plus the address path. :)
Block diagram intentionally was kept as simply as possible to give an overview.
Don't worry, I'm adding a more detailed version.
Quote:
- Missing S and ADL connection (S/ADL)

My mistake, fixed.
Quote:
- The fact of loading direct and inverse value to the BI ALU latch is not reflected (DB/ADD, NDB/ADD)
- Zero load command is not displayed on the AI latch (0/ADD)
I consider the AI and BI latches (plus the related circuitry) to be integral part of the ALU.
Quote:
- ADL/ADD connects ADL and BI (not AI)
My mistake, fixed.
Quote:
- Current value refresh commands are not displayed (S/S, PCL/PCL, PCH/PCH)
I consider the refresh paths to be integral part of the registers.
Quote:
- Instead of "BCD-detect" made ADD (Adder Hold) and output to ADL and SB buses from it
I consider the 'adder hold register' to be integral part of the ALU.

Quote:
- A -> AC (not to be confused with A Input)
In Hanson's block diagram, the accumulator is labeled 'AC', so I'm changing 'A' to 'AC'.
Quote:
- CGH and CGL are mixed up
Dang. How could this happen ? :)
My mistake, fixed.
6509_core_bus.png
User avatar
org
Posts: 201
Joined: 22 Jun 2012
Contact:

Re: 6509 dissection: IDKFA

Post by org »

Small case SB_S:

For some reason, the 6-nor is split into two gates (in the demorganized version 4or + 2or).

I am attaching the transistor circuit and a piece of dissection to get the #SB/S.
Attachments
SB_S_6nor.jpg
SB_S_6nor.jpg (19.71 KiB) Viewed 2361 times
SB_S.jpg
6502 addict
User avatar
org
Posts: 201
Joined: 22 Jun 2012
Contact:

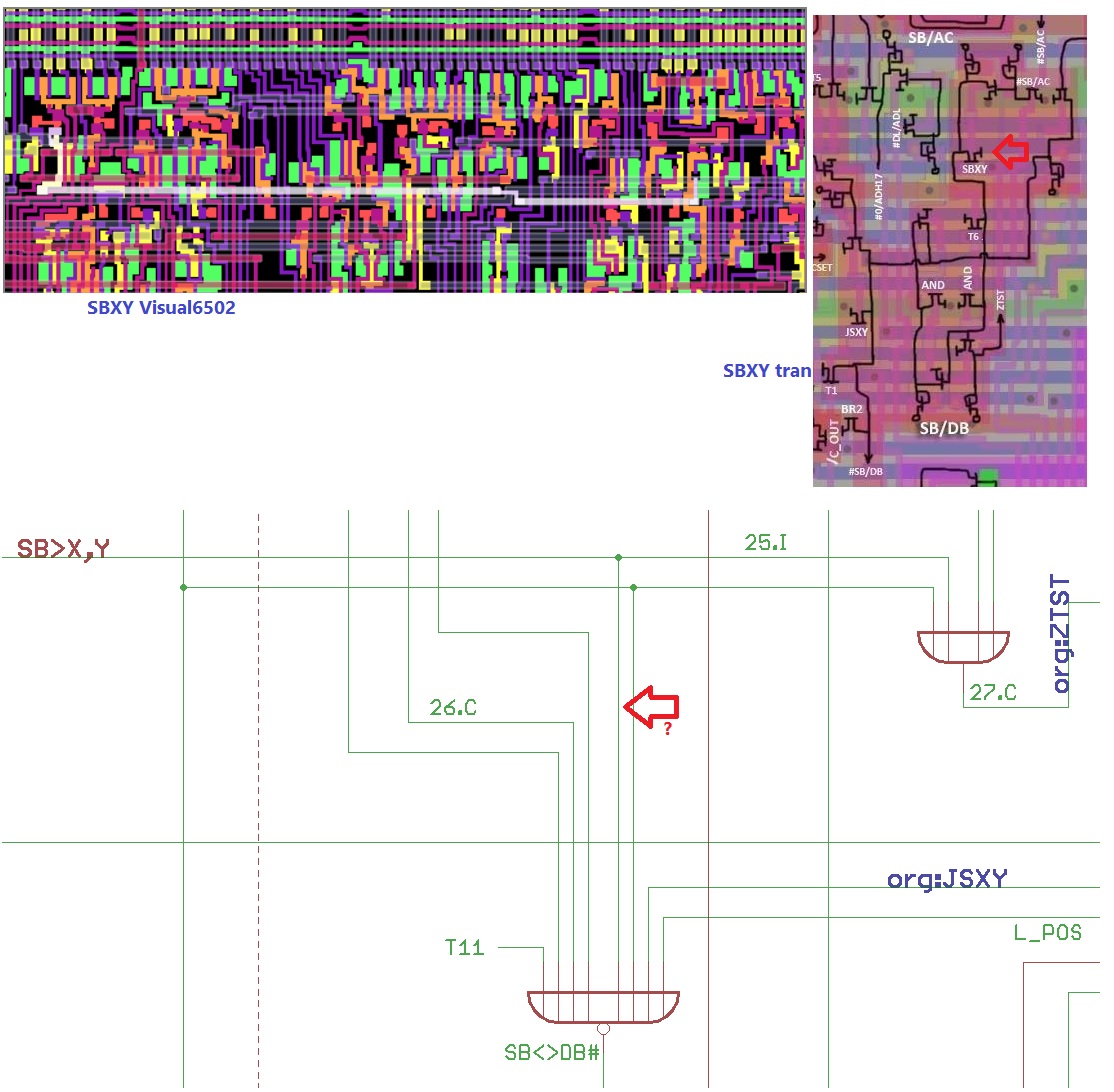
Re: 6509 dissection: IDKFA

Post by org »

Case SBXY:

On the transistor circuit, the SBXY intermediate signal (SB>X,Y) comes in only one place - ZTST.
Attachments
SBXY.jpg
6502 addict
User avatar
ttlworks
Posts: 1464
Joined: 09 Nov 2012
Contact:

Re: 6509 dissection: IDKFA

Post by ttlworks »

org wrote:
Small case SB_S:

For some reason, the 6-nor is split into two gates (in the demorganized version 4or + 2or).
Reason was, that there were no 6or or 8or logic gates in the libraries of the CAD software I'm using.
org wrote:
Case SBXY:

On the transistor circuit, the SBXY intermediate signal (SB>X,Y) comes in only one place - ZTST.
Ah, that... maybe I had skipped a step during optimisation:
sb_db.png
0)
org:ZTST = SB>A | AND,BIT | SB>X,Y | org:T6
the output of an AND gate goes into the "SB<>DB# NOR": NOT(AND,BIT) & org:ZTST

1)
so we could consider that input of the "SB<>DB# NOR" fed by the AND
to be the equivalent of the output of a three input OR gate:
SB>A | SB>X,Y | org:T6

2)
So I had pushed that three input OR gate into the "SB<>DB# NOR gate". :)
User avatar
org
Posts: 201
Joined: 22 Jun 2012
Contact:

Re: 6509 dissection: IDKFA

Post by org »

Cosmetic case DSA#:

I noticed that DSA# is obtained in random logic, but is not mentioned in the command block.
We know where it comes from, but for example, who will study it, will not immediately notice it.
Attachments
DSA_2.jpg
DSA.jpg
6502 addict
User avatar
ttlworks
Posts: 1464
Joined: 09 Nov 2012
Contact:

Re: 6509 dissection: IDKFA

Post by ttlworks »

Good point,
so I added 6 signals to that part of my schematic:

0>ADL0, 0>ADL1, 0>ADL2,
DSA#, 0>ADH8, AVR.
dsa.png
BTW: could you please label the output signals of "Pattern Readout" and "V. Inversion"
in the silicon pictures of the NES PPU ? :)
User avatar
org
Posts: 201
Joined: 22 Jun 2012
Contact:

Re: 6509 dissection: IDKFA

Post by org »

ttlworks wrote:
BTW: could you please label the output signals of "Pattern Readout" and "V. Inversion"
in the silicon pictures of the NES PPU ? :)
Done :) If there is anything else, you can safely go through the Issues section: https://github.com/emu-russia/breaks/issues
6502 addict
User avatar
ttlworks
Posts: 1464
Joined: 09 Nov 2012
Contact:

Re: 6509 dissection: IDKFA

Post by ttlworks »

Thanks. :)
User avatar
org
Posts: 201
Joined: 22 Jun 2012
Contact:

Re: 6509 dissection: IDKFA

Post by org »

Case BCD_Carry:

To calculate DC3, AND0 and OR0 are mixed up.

I even did a unit test to see if there was an error.

This is the last circuit that completes the series of checks between your circuits and ours. I can say that our schematics had a lot more errors and this comparison helped us a lot. Great work, thank you!
Attachments
nand0_nor0_tran.jpg
nand0_nor0_tran.jpg (17.57 KiB) Viewed 2274 times
ttlworks_bcd_carry.jpg
6502 addict
User avatar
ttlworks
Posts: 1464
Joined: 09 Nov 2012
Contact:

Re: 6509 dissection: IDKFA

Post by ttlworks »

org wrote:
Case BCD_Carry:

To calculate DC3, AND0 and OR0 are mixed up.
Woot: eventually a nice electrical error in my schematics. :)
Error confirmed and fixed, thanks.

There are two possible ways of implementing a carry chain,
and it looks like I had mixed something up by accident.
6509_carry.png
;---

Also, in my schematics the ALU input carry sometimes was labeled 'ALU_cin#' instead of 'Ci0#'.
Fixed that to make things more consistent.

;---
org wrote:
This is the last circuit that completes the series of checks between your circuits and ours. I can say that our schematics had a lot more errors and this comparison helped us a lot. Great work, thank you!
Thanks for the appreciation and the kind words.
You and your team also did a great work with that 6502 dissection:
not many people out there would have been able to do something like this.
6502 core is a very compact, very tricky beast.

This comparison has helped the whole community a lot:
We now have schematics of the 6502 core in optimized (demorganzied) form and in not_optimized form,
also we were able to identify all of the functional blocks within the control circuitry.
It should be possible now for the community to figure out, what exactly happens inside a 6502 core, and why.
User avatar
ttlworks
Posts: 1464
Joined: 09 Nov 2012
Contact:

Re: 6509 dissection: IDKFA

Post by ttlworks »

For supporting "breaking NES book, 6502 core",
I'm posting my big 6509 schematic broken into smaller pieces,
with signal and flipflop names changed according to that book.
nes_book.zip
(1.71 MiB) Downloaded 137 times
Дава́й. :)
Post Reply