I'm trying to use a 74HC574 to hold on to some data bits that should only be visible when the clock is on the low part of the duty cycle (because something else will be on the bus during the high part).
CountChocula, is it the data bus of a microprocessor that you intend to connect to? Please explain what it is you're up to.
Hey Jeff—I am trying to build a VGA interface for my SBC. So far, I have built the “video” side of the interface, which has its own memory chip and seems to work (at least in the sense that I see a stable image on my monitor—it shows garbage, and I'm hoping it's the garbage that's in the RAM

).
Now I need to build the “CPU” side of the thing that allows the computer to write in the RAM. Since the interface has its own internal clock, my thought was to set up 4 registers using '574 latches (19 bits of addresses, plus 8 bits of data) whose inputs are connected to the CPU bus, and outputs to the memory chip; then, I can tie the latches' OE lines to the video interface's clock signal, so that when the clock is low (at which point the counter that scans the memory to feed pixels into the output will be disabled—I already built that part), the latches will be able to access the RAM.
I was hoping for once the solution wasn't going to be “more ICs”
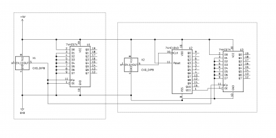
In case it helps, this diagram shows the internals of a '574. Notice that storing a value is a separate, independent function from turning on and off the output. I don't think you will need more ICs (but I'm not entirely clear on what it is you're up to).
That diagram makes sense to me; if I'm reading it correctly, it implies that the OE line is asynchronous, which means that things should work, but… they don't. No matter how simple or slow I make the circuit (at least down to a few kHz), the output of the '574 seems to ignore the OE line altogether—though I will say that it works if I connect it by hand to ground or 5V. Maybe it's just really slow, like Garth was suggesting, because I have wired things too naïvely?
Thanks again!