65C02 Halt and Resume

For discussing the 65xx hardware itself or electronics projects.
User avatar
BigDumbDinosaur
Posts: 9426
Joined: 28 May 2009
Location: Midwestern USA (JB Pritzker’s dystopia)
Contact:

Re: 65C02 Halt and Resume

Post by BigDumbDinosaur »

Dr Jefyll wrote:
I'd say your easiest option is to simply pull the RDY pin low.

I agree with Jeff. Messing with the clock is more work and timing will be more critical than with using RDY.

Quote:
As noted, you will ideally need a flipflop to ensure RDY makes its transition cleanly and at an appropriate instant in the cycle.

The WDC timing diagram shows that the state of RDY can be changed at any time...it isn't sampled until shortly before the next fall of Ø2. This would also apply to second-source versions of the 65C02, since they had to conform to the WDC timing specs. That being the case, a debounced toggle switch should be sufficient, I'd think.

One possible concern with using RDY to halt the MPU is other parts of the system that are clocked by Ø2 might behave strangely with the MPU stopped but the clock still running.
x86?  We ain't got no x86.  We don't NEED no stinking x86!
BillG
Posts: 710
Joined: 12 Mar 2020
Location: North Tejas

Re: 65C02 Halt and Resume

Post by BillG »

Photoman wrote:
The motor is a DC motor and I kid you not its actually a windshield wiper motor from a BMW.
I don't know if its luck or just a great motor but its lasted over 20 years. Probably 10 times the use it would get in a car.
Speed is controlled by a Hall effect sensor and run off an H bridge.
The entire machine is pretty interesting, lots of car parts. The factory was a stone throw from a car parts plants...so wiper motor...coolant pumps...
If it does not already have one, I suggest putting a slow blow fuse into the motor circuit. An H bridge has the potential to throw a direct short across the power supply.
User avatar
BigEd
Posts: 11463
Joined: 11 Dec 2008
Location: England
Contact:

Re: 65C02 Halt and Resume

Post by BigEd »

I'm pretty sure you'll find RDY has both a setup and a hold constraint: you won't get away with changing it any time. A flipflop, or two, will easily sync the control signal with the clock.
User avatar
Dr Jefyll
Posts: 3526
Joined: 11 Dec 2009
Location: Ontario, Canada
Contact:

Re: 65C02 Halt and Resume

Post by Dr Jefyll »

BigDumbDinosaur wrote:
The WDC timing diagram shows that the state of RDY can be changed at any time
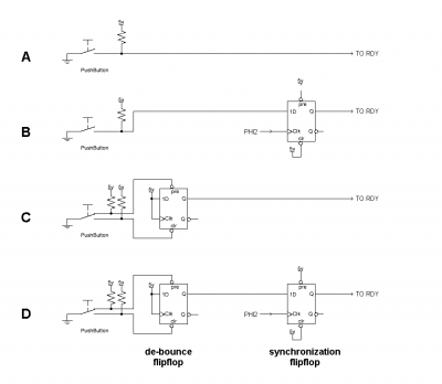
(Edit: I see Ed has posted, and he's right to question BDD's statement.) As shown below, tPCS and tPCH apply to RDY, which means there's a brief period in every cycle during which RDY is required to be stable -- ie, either high or low but not in transition. Violations of tPCS or tPCH can cause the processor to go off into lah-lah land.
Figure 6-3 .png
Having said that, if it's just a human activating a pushbutton once or twice then odds are good that the transitions on RDY won't occur during the critical time. So, it's a reasonable gamble to hope the CPU doesn't crash. And perhaps a crash would be tolerable anyway, in the context of Photoman's experiment. You can always run the experiment again, hoping as you say that the CPU will successfully pick up where it left off.

For the record, here's how a 74HC74 can be used both for debouncing the pushbutton -- to prevent multiple responses to a single button push -- and for synchronizing the signal sent to RDY -- in order to ensure that the response(s) respect tPCS and tPCH. You have the option of addressing the debounce issue or the synchronization issue or neither or both.
conditioning RDY.png
-- Jeff

PS- Photoman, I'm curious about your remark here. Can you elaborate?
Photoman wrote:
This is all to see if it will actually turn the motor off so I can grab the film and run an off board process.
Also: BDD may have a point in regard to the following. For example, interrupts generated by the 6522 VIAs won't get serviced promptly.
BigDumbDinosaur wrote:
One possible concern with using RDY to halt the MPU is other parts of the system that are clocked by Ø2 might behave strangely with the MPU stopped but the clock still running.
Last edited by Dr Jefyll on Sat Sep 18, 2021 2:18 pm, edited 1 time in total.
In 1988 my 65C02 got six new registers and 44 new full-speed instructions!
https://laughtonelectronics.com/Arcana/ ... mmary.html
Photoman
Posts: 17
Joined: 16 Sep 2021
Location: NY

Re: 65C02 Halt and Resume

Post by Photoman »

BillG wrote:
Photoman wrote:
The motor is a DC motor and I kid you not its actually a windshield wiper motor from a BMW.
I don't know if its luck or just a great motor but its lasted over 20 years. Probably 10 times the use it would get in a car.
Speed is controlled by a Hall effect sensor and run off an H bridge.
The entire machine is pretty interesting, lots of car parts. The factory was a stone throw from a car parts plants...so wiper motor...coolant pumps...
If it does not already have one, I suggest putting a slow blow fuse into the motor circuit. An H bridge has the potential to throw a direct short across the power supply.
Good call, there isn't a lot of protection! Just did some more digging and I was wrong, the H bridge is for the lift motor, not the rotation motor.
The lift motor only runs when a process step is finished to drain the drum.
The rotation motor is fed from the power supply board and not marked in a way that would make sense to me.
Its simple, just a TIP140, couple of op amps and a relay to select from a 3 different voltages for the speed. Also a 3A PTC for protection.
I think the sensor is just a micro switch and that activates a reversing relay. It does stop or at least slow before it reverses. A plus since its coupled with nylon gears.
Its hard to tell where the switch is, they put it under and inside the machine so you'd have to dissemble the entire thing to get to it.
I don't want to go that far yet. Its a lot of hoses to take apart.
User avatar
Dr Jefyll
Posts: 3526
Joined: 11 Dec 2009
Location: Ontario, Canada
Contact:

Re: 65C02 Halt and Resume

Post by Dr Jefyll »

Photoman wrote:
Its simple, just a TIP140, couple of op amps and a relay to select from a 3 different voltages for the speed.
I think you can expect the relay status to remain unchanged when the CPU is stopped. Thus, an experiment seems unnecessary. But by all means go ahead if that's your inclination!

-- Jeff
In 1988 my 65C02 got six new registers and 44 new full-speed instructions!
https://laughtonelectronics.com/Arcana/ ... mmary.html
Photoman
Posts: 17
Joined: 16 Sep 2021
Location: NY

Re: 65C02 Halt and Resume

Post by Photoman »

Dr Jefyll wrote:
PS- Photoman, I'm curious about your remark here. Can you elaborate?
Photoman wrote:
This is all to see if it will actually turn the motor off so I can grab the film and run an off board process.
Also: BDD may have a point in regard to the following. For example, interrupts generated by the 6522 VIAs won't get serviced promptly.
BigDumbDinosaur wrote:
One possible concern with using RDY to halt the MPU is other parts of the system that are clocked by Ø2 might behave strangely with the MPU stopped but the clock still running.
Thanks Jeff for the diagram! I will give it a shot when my order comes in.

I want to stop the motor and the timer (MPU) so I can take the drum with the film off the machine.
For a process like B&W reversal where you need to take the film out, shine it under light for a prescribed amount of time.
Then put it back in the processor to continue with other steps like bleaching, fixing and washing.
The other options are less interesting. Just shutting the machine off, run the off line processes and then starting a different program for the rest of the steps.
It would work but they only give you a set number of programs (12) that the processor can run. All are customizable but ive run out of them.
You can set times but no stops or pauses. A much older model did have pauses but they omitted that in the programing for the later ones.
The user programs are stored in a HY6264A 8Kx8bit SRAM. Im guessing space was limited to store more programs.

I will definitely test for problems with the Ø2 and 6522s. Hopefully not going to be an issue...famous last words I know!
Photoman
Posts: 17
Joined: 16 Sep 2021
Location: NY

Re: 65C02 Halt and Resume

Post by Photoman »

Dr Jefyll wrote:
Photoman wrote:
Its simple, just a TIP140, couple of op amps and a relay to select from a 3 different voltages for the speed.
I think you can expect the relay status to remain unchanged when the CPU is stopped. Thus, an experiment seems unnecessary. But by all means go ahead if that's your inclination!

-- Jeff
You're right. Its probably just going to keep turning.
I checked and the motor connections are just sta-kon's, so I could add a switch to interrupt power to the motor.
Stopping and resuming the timer is the most important.
Its a fun experiment for me. If it works, great! If not, I hopefully learned a lot in the process.
User avatar
Dr Jefyll
Posts: 3526
Joined: 11 Dec 2009
Location: Ontario, Canada
Contact:

Re: 65C02 Halt and Resume

Post by Dr Jefyll »

Photoman wrote:
I could add a switch to interrupt power to the motor.
Yup. Just be aware that interrupting power to an inductive load results in voltage spikes that can be large enough to be destructive. Because the relay interrupts power the machine probably has some sort of protection network to deal with this -- a MOV or TVS or an RC snubber circuit.

As shown below, this will be either in parallel with the motor or in parallel with the relay contacts. If you add another switch, put it in one of the indicated spots in the circuit, immediately adjacent and in series with the relay contacts.

Or, instead you may find it easier to interrupt the 5 volt signal from the 6522 VIA to the transistor/whatever that drives the relay coil. This sidesteps the snubber issue, and also you'll be able to use just an inexpensive, low-current switch.

-- Jeff
Attachments
switch and relay.png
switch and relay.png (3.19 KiB) Viewed 693 times
In 1988 my 65C02 got six new registers and 44 new full-speed instructions!
https://laughtonelectronics.com/Arcana/ ... mmary.html
User avatar
Dr Jefyll
Posts: 3526
Joined: 11 Dec 2009
Location: Ontario, Canada
Contact:

Re: 65C02 Halt and Resume

Post by Dr Jefyll »

Photoman wrote:
The rotation motor is fed from the power supply board and not marked in a way that would make sense to me.
Its simple, just a TIP140, couple of op amps and a relay to select from a 3 different voltages for the speed.
I suspect the parts that look like op amps are actually optocouplers, used to isolate the 5 volt logic circuitry from the AC mains. Do you have any schematics you can share? Remember, on this forum you're allowed to include attachments with your posts. Also, if you have any photos of the film processor and its electronics I'd be curious to see them.
Photoman wrote:
The other options are less interesting. Just shutting the machine off, run the off line processes and then starting a different program for the rest of the steps.
It would work but they only give you a set number of programs (12) that the processor can run. All are customizable but ive run out of them.
I bet it'd possible to add another memory chip to augment the first. The idea is you'd have a switch, and by flipping it you'd have available either the 12 programs in one chip or 12 more in the other. It'd be a finicky job to accomplish this, but not very complex.
Quote:
You can set times but no stops or pauses. A much older model did have pauses but they omitted that in the programing for the later ones.
Though non-trivial, it'd probably be doable to alter the programming and add that feature to your machine. How much "fun" do you think you could survive? :)

-- Jeff


PS - I happen to have a small amount of experience with film processors myself. A plate and litho outfit in Toronto was a client of mine back in the early 80's, and they had a processor whose electronic speed control failed. The "brain" of the unit was a couple of dozen standard 7400 Series TTL chips, probably including lots of counters, but my attention was elsewhere because what had failed was a zener diode in the 5 volt power supply. I didn't have any zener diodes with me that day but I was able to get the unit working with a suitable number of 1N400x rectifier diodes in series and forward biased.

There was no quick fix when a different processor suffered a failure in its temperature controller. (Temperature needs to be closely regulated, as it directly affects the effective potency of the developer solution.) The controller was electromechanical, based on an analog thermometer with a needle and a rotary dial which were mounted on the panel in view of the operator. Also actuated by the mechanism were some delicately constructed electrical contacts which in turn drove a relay, all of which enabled the thermometer to act as a thermostat. But the contacts had failed, and it was either impossible or stupidly expensive to get a replacement controller assembly.

Switching to an all-electronic solution turned out not to be the right answer, and IIRC one of the main reasons was the daunting prospect of having to install another temperature sensor (a thermistor or whatever) at the appropriate location in the tank. The original sensor was a bulb of mercury which remotely actuated the dial mechanism, and nobody relished the idea of adding any new plumbing/wiring in the tank. So, I attached a 4000 Series CMOS Schmitt trigger to a small (5mm cube) photo-emitter/photo-transistor device and mounted the latter in the thermometer dial so that the needle would, at temperature, be "seen" by the photosensor.
In 1988 my 65C02 got six new registers and 44 new full-speed instructions!
https://laughtonelectronics.com/Arcana/ ... mmary.html
User avatar
barrym95838
Posts: 2056
Joined: 30 Jun 2013
Location: Sacramento, CA, USA

Re: 65C02 Halt and Resume

Post by barrym95838 »

Dr Jefyll wrote:
I bet it'd possible to add another memory chip to augment the first. The idea is you'd have a switch, and by flipping it you'd have available either the 12 programs in one chip or 12 more in the other. It'd be a finicky job to accomplish this, but not very complex.
That was the first idea that jumped to my mind as well. Stacked memories with the chip select pins bent out and wired to a small add-on circuit or just a simple SPDT switch.
Got a kilobyte lying fallow in your 65xx's memory map? Sprinkle some VTL02C on it and see how it grows on you!

Mike B. (about me) (learning how to github)
Photoman
Posts: 17
Joined: 16 Sep 2021
Location: NY

Re: 65C02 Halt and Resume

Post by Photoman »

Dr Jefyll wrote:
Photoman wrote:
I could add a switch to interrupt power to the motor.
Yup. Just be aware that interrupting power to an inductive load results in voltage spikes that can be large enough to be destructive. Because the relay interrupts power the machine probably has some sort of protection network to deal with this -- a MOV or TVS or an RC snubber circuit.

As shown below, this will be either in parallel with the motor or in parallel with the relay contacts. If you add another switch, put it in one of the indicated spots in the circuit, immediately adjacent and in series with the relay contacts.

Or, instead you may find it easier to interrupt the 5 volt signal from the 6522 VIA to the transistor/whatever that drives the relay coil. This sidesteps the snubber issue, and also you'll be able to use just an inexpensive, low-current switch.

-- Jeff
Hi Jeff,
Thanks for the tip. Not going to be easy to break in anywhere other than the motor wires.
Couldn’t I stick a 1N004 or 7 between the motor wires and break both the + and - ?
Shouldn’t that act as a freewheeling diode and dissipate the energy?
Or would the motor current be an issue. It has a 3A PTC protecting it. I do have some 6A diodes in stock.

I did try to break in to the control but of course its not that simple. I have attached a pic of the schematic for the driver.
TM1 and TM2 are the motor wires. On the right is the input connector and pin 3 is speed control. Tried to break that (before I knew what it did), didn’t work.
Re/Li I Pin 8 I believe is the left right rotation selector for the reversion relay. That just leaves pin 10 which comes from another board.
Its fed from a 74HC574 octal d type flip flop. The cable between the boards is a 20 some odd pin ribbon cable.
Unfortunately no resistor to pull on that board to make it easier. Im trying to avoid removing the power supply module.

Thanks!
Attachments
Screen Shot 2021-09-20 at 2.37.46 PM.jpg
Photoman
Posts: 17
Joined: 16 Sep 2021
Location: NY

Re: 65C02 Halt and Resume

Post by Photoman »

Dr Jefyll wrote:
Photoman wrote:
The rotation motor is fed from the power supply board and not marked in a way that would make sense to me.
Its simple, just a TIP140, couple of op amps and a relay to select from a 3 different voltages for the speed.
I suspect the parts that look like op amps are actually optocouplers, used to isolate the 5 volt logic circuitry from the AC mains. Do you have any schematics you can share? Remember, on this forum you're allowed to include attachments with your posts. Also, if you have any photos of the film processor and its electronics I'd be curious to see them.
Photoman wrote:
The other options are less interesting. Just shutting the machine off, run the off line processes and then starting a different program for the rest of the steps.
It would work but they only give you a set number of programs (12) that the processor can run. All are customizable but ive run out of them.
I bet it'd possible to add another memory chip to augment the first. The idea is you'd have a switch, and by flipping it you'd have available either the 12 programs in one chip or 12 more in the other. It'd be a finicky job to accomplish this, but not very complex.
Quote:
You can set times but no stops or pauses. A much older model did have pauses but they omitted that in the programing for the later ones.
Though non-trivial, it'd probably be doable to alter the programming and add that feature to your machine. How much "fun" do you think you could survive? :)
-- Jeff
PS - I happen to have a small amount of experience with film processors myself. A plate and litho outfit in Toronto was a client of mine back in the early 80's, and they had a processor whose electronic speed control failed. The "brain" of the unit was a couple of dozen standard 7400 Series TTL chips, probably including lots of counters, but my attention was elsewhere because what had failed was a zener diode in the 5 volt power supply. I didn't have any zener diodes with me that day but I was able to get the unit working with a suitable number of 1N400x rectifier diodes in series and forward biased.

There was no quick fix when a different processor suffered a failure in its temperature controller. (Temperature needs to be closely regulated, as it directly affects the effective potency of the developer solution.) The controller was electromechanical, based on an analog thermometer with a needle and a rotary dial which were mounted on the panel in view of the operator. Also actuated by the mechanism were some delicately constructed electrical contacts which in turn drove a relay, all of which enabled the thermometer to act as a thermostat. But the contacts had failed, and it was either impossible or stupidly expensive to get a replacement controller assembly.

Switching to an all-electronic solution turned out not to be the right answer, and IIRC one of the main reasons was the daunting prospect of having to install another temperature sensor (a thermistor or whatever) at the appropriate location in the tank. The original sensor was a bulb of mercury which remotely actuated the dial mechanism, and nobody relished the idea of adding any new plumbing/wiring in the tank. So, I attached a 4000 Series CMOS Schmitt trigger to a small (5mm cube) photo-emitter/photo-transistor device and mounted the latter in the thermometer dial so that the needle would, at temperature, be "seen" by the photosensor.
Hi Jeff,

Pictures of my labor of love attached. She started life out as a stock Jobo ATL 2200 then I got to her!
Id estimate only 50% is original now. I ungraded her to a 2300. Built my own replenishment system out of peristaltic pumps and an Arduino.
Added the giant display, because of the height the machine needs to be at to drain and me being on the vertically challenged end of things, this display is worth it.
Also made my own keyboard with a reset button. The OEM failed, probably in the laminations or the carbon tracks.
Oh I had to add those 5W resistors to the board because the original couldn’t handle the voltage drop of the bigger screen. It looked pretty fast so I replaced them for safety.

The op amps are CA3140's. No opto's on the driving side. They have optos for other inputs and outputs but not the motor.
I guess they just assume the PTC will handle it and they're separated by relays.

I had thought of piggybacking another SRAM but never got around to it. Re entering everything is a massive pain with only 4 buttons and twice!

I know if I want to add back in the pauses or anything else, its decompiling the binary. That’s out of the wheelhouse for now.

That was a really neat solution to an interesting problem. Most of the processors ive used have either thermistors, PT100s or the dreaded all in one break mains modules.
Ive done hot swaps and its not fun. If you're fast, you can unscrew it, put your hand over the now gushing chemistry then quickly slide a new sensor in.
Most of the chemistry is no worse than the stuff under your sink, don't get in your mouth or eyes, wash after.

Last explosion I had was a few years ago, the bleach line ruptured and I had a fountain cover me. E-6 is more or less not very toxic, just sticky and stains.
Wasn’t the first time and im sure wont be the last!
Attachments
ATL 2300 Processor Board Annotated1.jpg
IMG_7853D1.jpg
IMG_7864D1.jpg
IMG_7208 copy.jpg
IMG_8403D1.jpg
Photoman
Posts: 17
Joined: 16 Sep 2021
Location: NY

Re: 65C02 Halt and Resume

Post by Photoman »

Here is the flip flop with debounce that Jeff showed me how to make.
It works! And depending on when you activate it, very interesting things happen.
As surmised it doesn’t turn the motor off but it does stop the clock...sort of.
When you resume, it resets to the stating point of that particular step.
Im guessing that maybe it does a write to the SRAM per step but not the exact timing or whatever was stored in the register was lost.
Either way its good like this. I can just set it up as a wash step and once I get the motor to stop, this should work.

Thanks again for the help!
Attachments
IMG_8405.jpeg
User avatar
Dr Jefyll
Posts: 3526
Joined: 11 Dec 2009
Location: Ontario, Canada
Contact:

Re: 65C02 Halt and Resume

Post by Dr Jefyll »

Photoman wrote:
Not going to be easy to break in anywhere other than the motor wires.
Yes, I was afraid of that. But the good news is, I was mistakenly assuming the motor was powered by the AC Mains -- 115VAC or whatever. Hence my remark about opto-couplers. Low voltage DC will be a lot easier to deal with -- we can easily concoct our own protection and locate it further downstream.

I see there's a reversing relay ( K3 ), which means we need to accommodate either polarity. Here's what I suggest:
Screen Shot 2021-09-20 at 2.37.46 PM JL.png
At a guess, I'd say 2 watt zeners should be comfortably adequate, given the transient nature of the surge. The zener voltage needs to be well above the 30 volts seen in normal operation, so you could choose zeners rated at 40 or 50 volts, say. I wouldn't exactly call these freewheeling diodes, although they do serve to dissipate the energy.

Looking at the rest of the circuit, it seems IC7 is sensing and limiting motor current, as reflected by the voltage drop across R33. Further upstream, IC6 accepts a signal from pin 3 on the connector. Am I right in saying that's a 5V logic signal? Here a possible explanation. I suspect the current limit is there to protect your film and the gears in case of a jam-up. Limited current means limited torque. But the motor won't start reliably when the current limit is enforced; the motor needs extra current to get going from a stop. The logic signal gives it a temporary increase in the limit.

Edit: Hm, if indeed the current limit needs to be suspended for starting, then you may encounter difficulty when using the new manual switch. Opening the switch will surely stop the motor, but closing it again perhaps won't be enough for the motor to restart.

Thanks for the pics! -- I enjoyed those. :) Glad the flipflop circuit worked out.

-- Jeff
In 1988 my 65C02 got six new registers and 44 new full-speed instructions!
https://laughtonelectronics.com/Arcana/ ... mmary.html
Post Reply