TIM-1 design

Topics related to older 6502-based hardware and systems including (but not limited to) the MOS Technology KIM-1, Synertek SYM-1, and Rockwell AIM-65.
Post Reply
MrBiff
Posts: 6
Joined: 19 Nov 2019

TIM-1 design

Post by MrBiff »

Hi,

This is my first post. As a vintage computer collector I find the eBay listings too expensive.
Instead, I am building my SBC designs.
For this forum, I submit my latest design, the TIM-1.
It differs from the original by replacing the 6530 with a 6532 and EEPROM.
The assembly code had to be modified as well.
I thank the 6502.org for providing the information and tools to make this possible. :D

Cheers.
Attachments
TIM-1_debug.jpg
TIM-1_PCB.jpg
User avatar
BigEd
Posts: 11464
Joined: 11 Dec 2008
Location: England
Contact:

Re: TIM-1 design

Post by BigEd »

Very nice - and welcome!
User avatar
ttlworks
Posts: 1464
Joined: 09 Nov 2012
Contact:

Re: TIM-1 design

Post by ttlworks »

Welcome, reminds me to the Elektor Junior Computer which also had a 6532 and an EPROM (instead of the 6530).
User avatar
Dr Jefyll
Posts: 3526
Joined: 11 Dec 2009
Location: Ontario, Canada
Contact:

Re: TIM-1 design

Post by Dr Jefyll »

Nice work, MrBiff! And welcome.

I'm embarrassed to say I didn't know what a TIM-1 is, although the KIM-1 is very familiar. But this item on http://www.old-computers.com set me straight.
Quote:
The TIM (Terminal Interface Monitor) was a MOS Technology Inc's build-it-yourself 6502 development system that was launched before the KIM-1.

When a computer fan ordered a TIM from MOS Technology in Norristown, Pennsylvania, he got a MCS6530-004 (1k TIM monitor program in ROM), and a manual (15 sheets of 11x17 folded & stapled in the middle) containing a suggested schematic, the TIM monitor commands, and listing.
Mike N has posted a scan of that manual here (thanks, Mike!). The suggested schematic (below) is fairly minimal -- charming, I'd say!

-- Jeff
Attachments
TIM-1 suggested schematic.gif
In 1988 my 65C02 got six new registers and 44 new full-speed instructions!
https://laughtonelectronics.com/Arcana/ ... mmary.html
fhw72
Posts: 100
Joined: 20 Jul 2017

Re: TIM-1 design

Post by fhw72 »

Thanks for the schematic... maybe I should finally do something with my bunch of TIM chips!?
TIM.jpg
User avatar
ttlworks
Posts: 1464
Joined: 09 Nov 2012
Contact:

Re: TIM-1 design

Post by ttlworks »

fhw72 wrote:
maybe I should finally do something with my bunch of TIM chips!?
Hmm... like talking a vintage computer collector into trading these 15 chips for a new car ? ;)
Not a big car, just kidding.
User avatar
HansO
Posts: 206
Joined: 31 Oct 2003

Re: TIM-1 design

Post by HansO »

The Jolt and the Super Jolt were also based on the TIM-1

More TIM-1 info here: http://retro.hansotten.nl/6502-sbc/tim-6530-004/
User avatar
Michael
Posts: 633
Joined: 13 Feb 2013
Location: Michigan, USA

Re: TIM-1 design

Post by Michael »

Very nice, Peter. Would you consider sharing your version schematic and source code, please?

Cheerful regards, Mike
MrBiff
Posts: 6
Joined: 19 Nov 2019

Re: TIM-1 design

Post by MrBiff »

Hi,
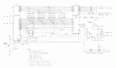
In response to an information request, I decided to respin my TIM-2.
I have attached the schematic PDF and the tested assembly code.
Note, the schematic indicates Max232 but I have changed this to the Max3232.
Note: for some reason, the decoupling capacitor for the 6116 RAM is missing on the PCB despite that the schematic has it.
This does not prevent the system from working
Cheers.
Attachments
TIM2_pcb.jpg
TIM2_V2.asm
(20.57 KiB) Downloaded 189 times
Schematic_TIM6502_V2.pdf
(218.99 KiB) Downloaded 230 times
User avatar
Michael
Posts: 633
Joined: 13 Feb 2013
Location: Michigan, USA

Re: TIM-1 design

Post by Michael »

Thank you, Peter. Looks like you shaved one IC off the BOM, too. Bravo!

Cheerful regards, Mike, K8LH
User avatar
BigDumbDinosaur
Posts: 9428
Joined: 28 May 2009
Location: Midwestern USA (JB Pritzker’s dystopia)
Contact:

Re: TIM-1 design

Post by BigDumbDinosaur »

MrBiff wrote:
Note, the schematic indicates Max232 but I have changed this to the Max3232.
Any particular reason?
Quote:
Note: for some reason, the decoupling capacitor for the 6116 RAM is missing on the PCB despite that the schematic has it.
In the future, please consider posting your schematics in monochrome.
x86?  We ain't got no x86.  We don't NEED no stinking x86!
MrBiff
Posts: 6
Joined: 19 Nov 2019

Re: TIM-1 design

Post by MrBiff »

The serial connection works ok if I use a Max3232 serial to TTL module which has the Max3232.
That connects to the 4 post header next to the Max232.
For some reason, which I have not figured out yet, the on-board Max 232 circuit does not always work.
User avatar
BigDumbDinosaur
Posts: 9428
Joined: 28 May 2009
Location: Midwestern USA (JB Pritzker’s dystopia)
Contact:

Re: TIM-1 design

Post by BigDumbDinosaur »

MrBiff wrote:
The serial connection works ok if I use a Max3232 serial to TTL module which has the Max3232.
That connects to the 4 post header next to the Max232.
For some reason, which I have not figured out yet, the on-board Max 232 circuit does not always work.
I don't know why it wouldn't, unless you are using the wrong charge pump capacitors. The MAX232 and siblings all accept TTL-level inputs, so that should be an issue with an NMOS UART.
x86?  We ain't got no x86.  We don't NEED no stinking x86!
MrBiff
Posts: 6
Joined: 19 Nov 2019

Re: TIM-1 design

Post by MrBiff »

I found my problem with the RS-232 circuit.
The culprit is an erroneous symbol provided by the user community in EasyEDA.
I have re-spun the PCB and I am waiting for delivery.
Attachments
Production.JPG
Post Reply