Breaking 6502 apart

Topics pertaining to the emulation or simulation of the 65xx microprocessors and their peripheral chips.
User avatar
org
Posts: 201
Joined: 22 Jun 2012
Contact:

Re: Breaking 6502 apart

Post by org »

Todays speccy : Program Counter Low part (PCL)

Image Image

I do not know (yet) why these regular structures are different between PCL0/2/4/6 and PCL1/3/5/7.

Also PCL1/3/5/7 saved in latch in inverted form.

Input driver signal is IPC (increment PC).

Output goes from PCLn latch and optionally feed back to PCLSn latch, if PCL/PCL is driven high.
6502 addict
User avatar
Dr Jefyll
Posts: 3526
Joined: 11 Dec 2009
Location: Ontario, Canada
Contact:

Re: Breaking 6502 apart

Post by Dr Jefyll »

Quote:
I do not know (yet) why these regular structures are different between PCL0/2/4/6 and PCL1/3/5/7.
The difference is due to inverters in the path of alternate data bits (eg: PCL1/3/5/7). This is part of a logic optimization that results in a faster incrementer. The incrementer's most critical path is not the individual data bits but the Carry chain that cascades from one stage to the next -- a total of 8 levels. In order to build the fastest incrementer, all efforts must focus on speeding up the Carry chain. To this end it proves advantageous to operate each alternate incrementer stage with active-low logic (where logic low represents a 1). That means adding inverters around the incrementer stage of each alternate data bit, but it effectively allows the elimination of eight inverters from the Carry chain. (I'll try to rustle up a diagram illustrating this.)

-- Jeff

edit: "allows the elimination of eight inverters from the Carry chain" (not four)
Last edited by Dr Jefyll on Sun Jul 08, 2012 3:31 pm, edited 1 time in total.
In 1988 my 65C02 got six new registers and 44 new full-speed instructions!
https://laughtonelectronics.com/Arcana/ ... mmary.html
User avatar
org
Posts: 201
Joined: 22 Jun 2012
Contact:

Re: Breaking 6502 apart

Post by org »

Thanks for explanation Jeff, I understood - this trick is need to reduce propagation delay.
6502 addict
User avatar
Dr Jefyll
Posts: 3526
Joined: 11 Dec 2009
Location: Ontario, Canada
Contact:

Re: Breaking 6502 apart

Post by Dr Jefyll »

org wrote:
Thanks for explanation Jeff, I understood - this trick is need to reduce propagation delay.
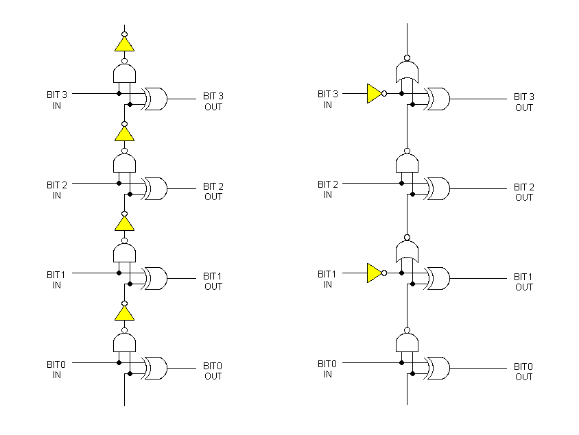
To reduce propagation delay, yes. In case anyone else is wondering, here's the diagram -- which hopefully is an improvement over my verbal description! The diagram shows the incrementer (just the first four stages) before and after optimization. The optimized version (on the right) uses active-low logic in alternate stages. (I've drawn bits 1/3/5/7 as being the ones that are inverted but in fact it may be bits 0/2/4/6 instead; I don't know.)

The two versions produce identical results, but the unoptimized version is slower because it's obliged to employ inverters in the Carry path. That's because an AND function is required, which must be implemented as NAND followed by an inverter. Of course the optimized version also features inverters, but they don't result in a cumulative delay because they're not part of the eight-level Carry chain.
incrementer stages .gif
incrementer stages .gif (7.19 KiB) Viewed 2518 times
Edit: alteration to diagram (see subsequent posts)
Last edited by Dr Jefyll on Sun Jul 08, 2012 10:54 pm, edited 1 time in total.
In 1988 my 65C02 got six new registers and 44 new full-speed instructions!
https://laughtonelectronics.com/Arcana/ ... mmary.html
User avatar
org
Posts: 201
Joined: 22 Jun 2012
Contact:

Re: Breaking 6502 apart

Post by org »

Thanks for the drawings, you saved a lot time for me )

Meanwhile, todays speccy : Program Counter High part (PCH)

Image Image

Nothing unusual here ) Same optimized incrementer, but there is separated increment logic for PCH0-3 and PCH-4-7.

PCH0-3 feeds PCLC and output PCHC, which is routed to PCH4-7.

Both schematics perfectly fit in D.Hanson diagram :
Image

Code: Select all

PHI1:
if (PCL/PCL) PCLS = PCL;
if (ADL/PCL) PCLS = ADL;
if (PCL/PCL && ADL/PCL) PCLS = PCL & ADL;
if (PCH/PCH) PCHS = PCH;
if (ADH/PCH) PCHS = ADH;
if (PCH/PCH && ADH/PCH) PCHS = PCH & ADH;

if (IPC) PCLS++;
if (PCLS == 0) PCHS++;

if (PCL/DB) DB = PCL;
if (PCL/ADL) ADL = PCL;
if (PCH/DB) DB = PCH;
if (PCH/ADH) ADH = PCH;

PHI2:
PCL = PCLS;
PCH = PCHS;
ADH = ADL = DB = 0xFF
6502 addict
leeeeee
In Memoriam
Posts: 347
Joined: 30 Aug 2002
Location: UK
Contact:

Re: Breaking 6502 apart

Post by leeeeee »

Do you need to invert every other output bit?

Inverting both inputs to an exclusive OR gate leaves the output unchanged.

Lee.
User avatar
Dr Jefyll
Posts: 3526
Joined: 11 Dec 2009
Location: Ontario, Canada
Contact:

Re: Breaking 6502 apart

Post by Dr Jefyll »

D'oh! You're right. In negative logic the XOR function is accomplished by an XNOR gate. So for bits 1,3,5,7 I should've drawn XNOR... followed by an inverter because the output is supposed to drive circuitry using positive logic. Of course XNOR followed by an inverter is the same as simply XOR. I'll fix the diagram. Thanks, Lee.

-- Jeff
In 1988 my 65C02 got six new registers and 44 new full-speed instructions!
https://laughtonelectronics.com/Arcana/ ... mmary.html
User avatar
BigEd
Posts: 11463
Joined: 11 Dec 2008
Location: England
Contact:

Re: Breaking 6502 apart

Post by BigEd »

Found one of my old posts which points us to this page by Dieter Mueller.
User avatar
GARTHWILSON
Forum Moderator
Posts: 8773
Joined: 30 Aug 2002
Location: Southern California
Contact:

Re: Breaking 6502 apart

Post by GARTHWILSON »

Dieter has updates coming too.
http://WilsonMinesCo.com/ lots of 6502 resources
The "second front page" is http://wilsonminesco.com/links.html .
What's an additional VIA among friends, anyhow?
User avatar
org
Posts: 201
Joined: 22 Jun 2012
Contact:

Re: Breaking 6502 apart

Post by org »

More progress on crazy logic :
6502.org wrote:
Image no longer available: http://ogamespec.com/imgstore/whc4ffae6ac6ec5a.jpg
I began to understand how it works in general :)

PLA outputs are joined in "groups".
Groups on the left works with X,Y and S registers (resided underneath).
Groups on the middle are ALU related, which feed its inputs.
Groups on the right are branch/flag/compare and (possibly) interrupt/reset logic; instructions related to program counter (PC is resided on the bottom right side of the 6502).

Also there is intense metall layer crosspassing from the left to the right, for addressing calculations purposes.

Hope to crunch it fast, when I get full color schematics (good for LSD trips BTW :mrgreen: )
6502 addict
User avatar
org
Posts: 201
Joined: 22 Jun 2012
Contact:

Re: Breaking 6502 apart

Post by org »

In case someone interested, Visual6502 wiki has hidden section, which I found by poking Random page:

http://visual6502.org/wiki/index.php?ti ... atic_Notes

There is poor photos of 6502 blueprints.
6502 addict
Unseen
Posts: 1
Joined: 04 Jul 2012

Re: Breaking 6502 apart

Post by Unseen »

org wrote:
There is poor photos of 6502 blueprints.
Actually it's not a photo but a size-reduced version of a scan of the blueprint. A photo would have no or different artifacts at the places where overlapping sections are merged.
User avatar
org
Posts: 201
Joined: 22 Jun 2012
Contact:

Re: Breaking 6502 apart

Post by org »

I mean images ) Sorry my language )
6502 addict
User avatar
org
Posts: 201
Joined: 22 Jun 2012
Contact:

Re: Breaking 6502 apart

Post by org »

Todays speccy: Random logic A/B groups.

I separated PLA outputs on groups A,B,C,D,E,F,G,H and K.

Here is preview of below schematics :
6502.org wrote:
Image no longer available: http://ogamespec.com/imgstore/whc4ffd765f41d7c.jpg
Top part:
Image

Bottom part:
Image

Also there is small logic to generate internal 43 and 1247 lines, which are used on bottom part:
Image
(I do not understand wtf is it... some kind of /Ф1 power-up?)

I labeled interconnections between groups by white text.
6502 addict
User avatar
org
Posts: 201
Joined: 22 Jun 2012
Contact:

Re: Breaking 6502 apart

Post by org »

More progress on ALU:
6502.org wrote:
Image no longer available: http://ogamespec.com/imgstore/whc4ffdd1751cca0.jpg
6502 addict
Post Reply