Commodore 8726 DMA Controller

For discussing the 65xx hardware itself or electronics projects.
Post Reply
Gordon
Posts: 2
Joined: 22 Nov 2003

Commodore 8726 DMA Controller

Post by Gordon »

Seeking 8726 Commodore DMA controller pinouts. The web has a scarcity of information on the hardware aspect of the chip. There is plenty of info on the software operation.
Seems the chip was subcontracted out to another chip manufacurer.
Any hardware info would be appreciated.
fabulouspaul
Posts: 2
Joined: 17 Dec 2003
Location: germany
Contact:

Post by fabulouspaul »

Hi Gordon,

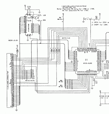
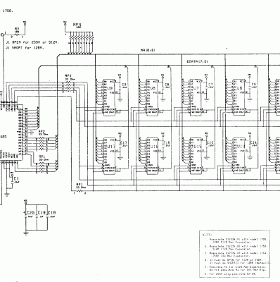
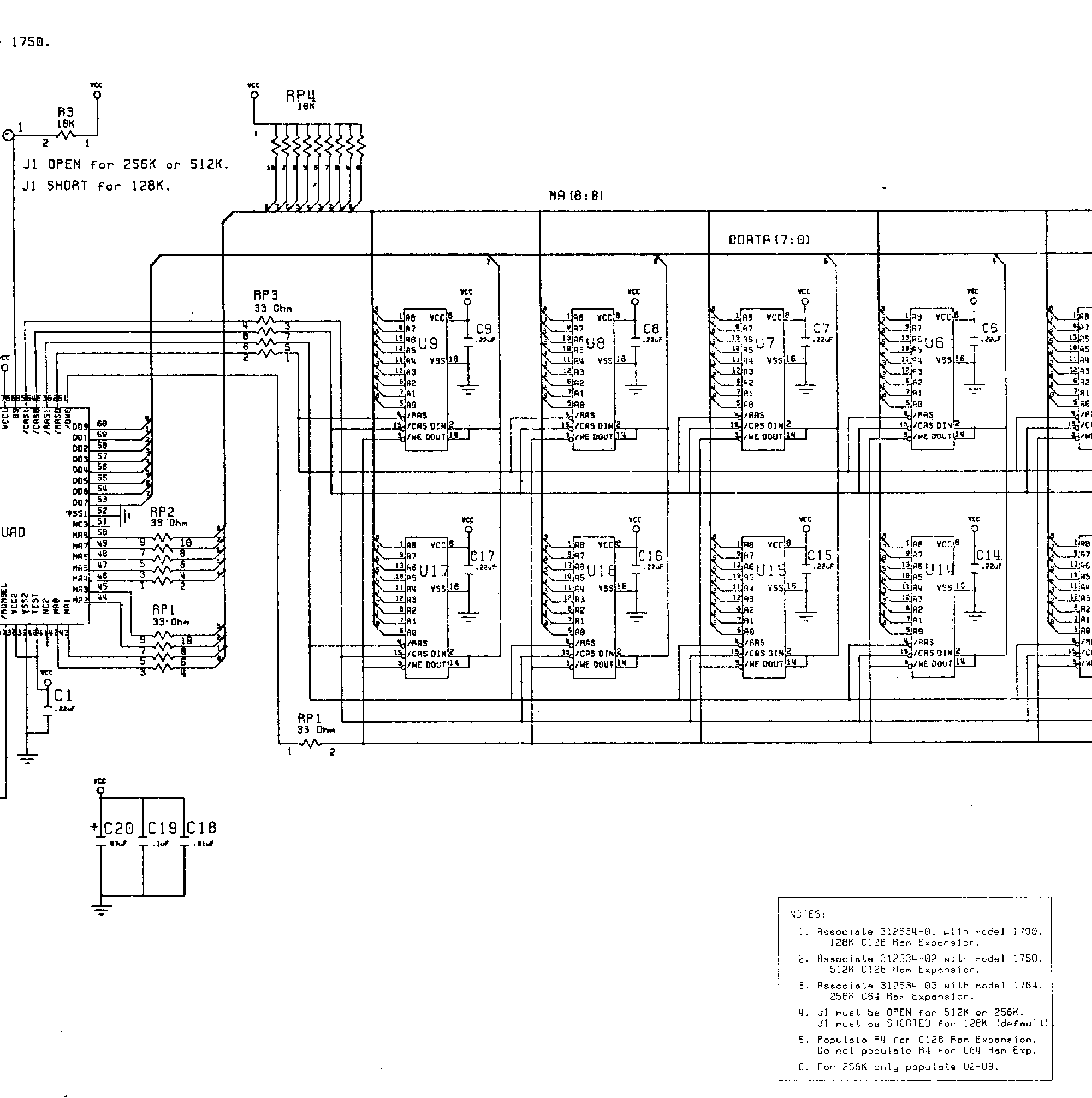
the MOS 8726 was used in the 1750/1764 Ram Expansion. You can find a schematic of this on http://staff.washington.edu/rrcc/uwweb/1750 .
I hop that information will help. :wink:

Good luck,
Paul
handyandy
Posts: 113
Joined: 14 Sep 2015
Location: Virginia USA

Re: Commodore 8726 DMA Controller

Post by handyandy »

In searching DMA I found this thread. The link is mostly dead. I was able to retrieve these pages though...

Cheers,
Andy
COVER.GIF
COVER.GIF (10.95 KiB) Viewed 5392 times
PAGE1.GIF
PAGE2.GIF
SCHEM-L.GIF
SCHEM-M.GIF
Attachments
SCHEM-R.GIF
Post Reply