W65C02S RDY / BE pins & first build advice

Building your first 6502-based project? We'll help you get started here.
Osric
Posts: 51
Joined: 20 Jul 2024

Re: Details on the W65C02S RDY / BE pins needed

Post by Osric »

BigEd wrote:
I see there's another video which helps visualise voltages and currents, which I posted at
Semi-OT: "watch electricity hit a fork in the road"
I'd add my vote to this video, I had seen it before and for me it helped solidify my notion that the right model here is the setup time of the magnetic field as the wire (whether open or closed) is charged to the applied potential, with a very concrete experimental basis.
User avatar
BigEd
Posts: 11463
Joined: 11 Dec 2008
Location: England
Contact:

Re: Details on the W65C02S RDY / BE pins needed

Post by BigEd »

Hmm, if you said electric field I'd be with you. There's no current in one branch - what's stabilising is the voltage.
Osric
Posts: 51
Joined: 20 Jul 2024

Re: Details on the W65C02S RDY / BE pins needed

Post by Osric »

BigEd wrote:
Hmm, if you said electric field I'd be with you. There's no current in one branch - what's stabilising is the voltage.
I definitely agree electric field would be clearer because the electric field survives the transient state.

But I believe that when the voltage is first applied, an electric and magnetic field runs down the length of the open wire as the voltage charges the skin of the conductor. There ought to be a transient current flow during this setup time, and then the current stops; therefore there is a small transient magnetic field. The electromagnetic field setup time is probably on the order of 0.6c * length of wire. In steady state I'd expect the surface of the conductor to carry a positive or negative charge along its entire length, and the transient current will have stopped; an electric field will remain.

The small current bouncing off of the open circuit should be possible to time and it is presumably on this principle that the equipment that measures the length of open cables from one end works.

Please, if what I have written above is incorrect, correct me. This material is new to me so it's more than possible I am describing it incorrectly.
User avatar
BigEd
Posts: 11463
Joined: 11 Dec 2008
Location: England
Contact:

Re: Details on the W65C02S RDY / BE pins needed

Post by BigEd »

It may be because of my history - I came into EE for the purposes of designing chips, and digital chips at that. So, for me electrostatics, and electric fields, do almost everything I need of my mental model. On-chip, at least, crosstalk effects were always adequately modelled by thinking of capacitance and voltages. It was rare indeed that I needed to think about currents, and rarer still that I needed to think about inductance.

And, naturally enough, I find my mental model to be good enough for me!

(I continue to think that you are digging a bit too deep for your own good - if you were doing mechanical engineering, or civil engineering, and you expressed concern about, say, the gravitational influence of Mercury or Mars, I'd be similarly concerned. Physics will tell us that everything influences everything else, but engineering is all about taking suitable approximations to reality.)

(In our hobby digital electronics world, I'd say signal is the voltage we care about, and noise is any deviation from the ideal. For most purposes, most of the time, it doesn't matter where that noise came from. What matters is to keep it low enough, at the critical times, to keep the digital signal above or below the threshold of each input. Usually, we do that by careful wiring, adequate decoupling, and an adequate power supply. We don't do it by solving 3 dimensional field equations.)
Osric
Posts: 51
Joined: 20 Jul 2024

Re: Details on the W65C02S RDY / BE pins needed

Post by Osric »

BigEd wrote:
(I continue to think that you are digging a bit too deep for your own good - if you were doing mechanical engineering, or civil engineering, and you expressed concern about, say, the gravitational influence of Mercury or Mars, I'd be similarly concerned. Physics will tell us that everything influences everything else, but engineering is all about taking suitable approximations to reality.)

(In our hobby digital electronics world, I'd say signal is the voltage we care about, and noise is any deviation from the ideal. For most purposes, most of the time, it doesn't matter where that noise came from. What matters is to keep it low enough, at the critical times, to keep the digital signal above or below the threshold of each input. Usually, we do that by careful wiring, adequate decoupling, and an adequate power supply. We don't do it by solving 3 dimensional field equations.)
These points resonate with me! The reason I am down this rabbit hole at all is because we said (much higher up in the thread) that my breadboard computer was unlikely to work for reasons I don't understand, and I am probably floundering a bit trying to figure out which of the many words I don't understand actually will affect my circuit in a meaningful way. I neither want nor intend to learn about a ton of material that isn't in my way, but my approach appears flawed to everyone: I think the consensus of the board is that I should just "follow good engineering practice", without understanding why it is necessary, rather than build on breadboards and expect to be able to figure out and understand the details at an ever deeper level in order to solve specific problems.

As a side point, since I have to leave the project aside until September and do very little on it, I have rather more time than is useful to read books and watch YouTube and rather less time than I'd like to actually work on the circuit. So that's probably not helping either :)

I certainly don't expect to need to solve things in terms of electric fields in order to build my circuit. But I expect to be able to understand when and why I will need to switch to a PCB at some point during this project and to be able to point at specific measurements that show when my breadboard failed, it failed for a specific reason that moving to a PCB or to wire wrap will solve so that I can continue building. This expectation may be unrealistic.
User avatar
GARTHWILSON
Forum Moderator
Posts: 8773
Joined: 30 Aug 2002
Location: Southern California
Contact:

Re: Details on the W65C02S RDY / BE pins needed

Post by GARTHWILSON »

BigEd wrote:
On-chip, at least, crosstalk effects were always adequately modeled by thinking of capacitance and voltages. It was rare indeed that I needed to think about currents, and rarer still that I needed to think about inductance.
Interestingly, when I was working in applications engineering at a place in the mid-1980's that made VHF and UHF power transistors mostly for military radars and communications, we had transistors which, with Miller effect and also multiple watts of input drive power, had such low input impedance that the inductance of the bond wires and the package actually made for an inductive input impedance.  Some transistors had multiple chips inside the package, some being silicon capacitors, and in a few cases, over a hundred bond wires for a three-terminal transistor, all involved in impedance-matching.  As you can imagine then, these were optimized for a relatively narrow band of frequencies.  I know this is somewhat off-topic; but we're on the 7th page of this one, so small interesting side notes should be fine as long as the OP is ok with it.
http://WilsonMinesCo.com/ lots of 6502 resources
The "second front page" is http://wilsonminesco.com/links.html .
What's an additional VIA among friends, anyhow?
User avatar
BigEd
Posts: 11463
Joined: 11 Dec 2008
Location: England
Contact:

Re: Details on the W65C02S RDY / BE pins needed

Post by BigEd »

Osric wrote:
The reason I am down this rabbit hole at all is because we said (much higher up in the thread) that my breadboard computer was unlikely to work for reasons I don't understand, and I am probably floundering a bit trying to figure out which of the many words I don't understand actually will affect my circuit in a meaningful way. I neither want nor intend to learn about a ton of material that isn't in my way, but my approach appears flawed to everyone: I think the consensus of the board is that I should just "follow good engineering practice", without understanding why it is necessary, rather than build on breadboards and expect to be able to figure out and understand the details at an ever deeper level in order to solve specific problems.
I would advise the usual caution about information you find on the internet: it's not all equally valuable. That applies here as much as anywhere. And I'd certainly advise against thinking in terms of a consensus - there isn't one. A few people post very often, and often post very early in a thread. There are many other people, who post less often and may post later in a thread, who might - or might not - have better advice. Don't judge anything just by the number of times it's repeated. There are people who haven't posted who have even better advice, I'm sure.

Of course, you have to find your own balance, between following advice you get, and doing experiments. Between reading here, and reading elsewhere.

I think, though, that if you can build a simple working system, you can learn a lot from that starting point.
Osric
Posts: 51
Joined: 20 Jul 2024

Re: Details on the W65C02S RDY / BE pins needed

Post by Osric »

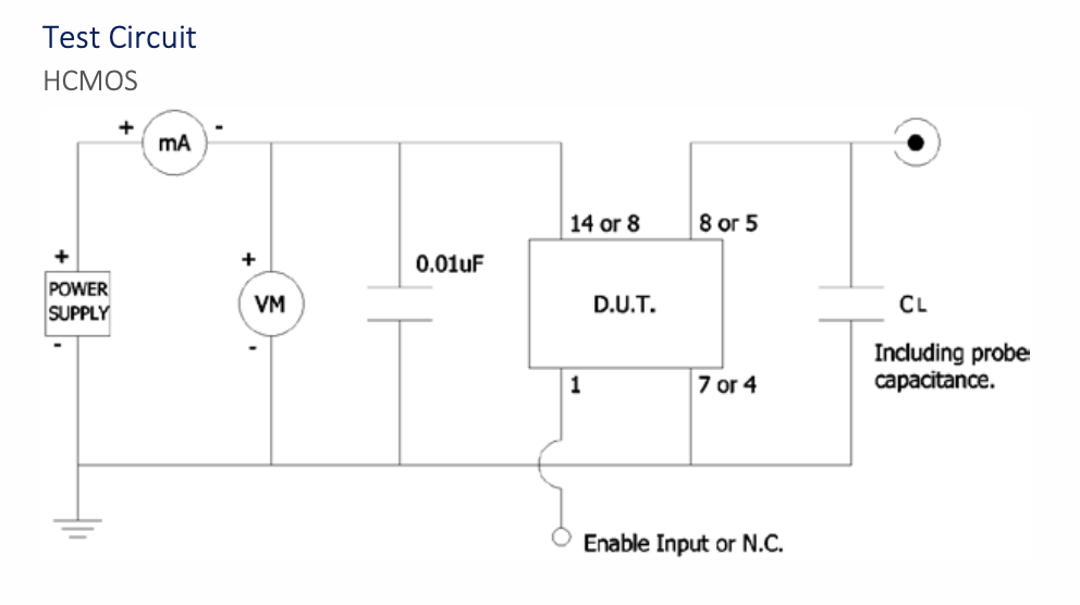
Let's see if I've managed to learn anything by trying to understand ground bounce / Vcc droop on a trivial clock circuit. The oscillator I have is a MXO45HS (datasheet attached). The test circuit shown in the datasheet is:
Test Circuit
Test Circuit
As ever, my understanding is weak but I am interpreting the mA and VM symbols to be "meters" - that is, not really in the circuit, but labels for the operating current and operating voltage. So the circuit I built started with just the oscillator, and not even the 0.01μF capacitor that is called for on the input side, and I didn't verify that my oscilloscope probes were under the capacitance required for the output but just assumed that was the case (if I am reading the datasheet correctly, for my 1Mhz oscillator the probe capacitance has to be below 50 picofarads). With the circuit in this state and channel 1 probing the voltage from the ground pin of the oscillator to its Vcc pin, the scope shows this trace:
Just the crystal
Just the crystal
1_justcrystal.png (3.19 KiB) Viewed 8965 times
With the 0.01μF capacitor across the power rails of the breadboard, the scope shows:
0.01μF
0.01μF
2_datasheet.png (3.1 KiB) Viewed 8965 times
With an additional 1000μF capacitor from the ground rail of the breadboard to the power pin of the oscillator, the scope shows:
1000.01μF
1000.01μF
3_1000μF.png (3.17 KiB) Viewed 8965 times
If I move the ground probe of the scope to be across the legs of the 1000μF capacitor, we get:
Measuring across the 1000μF capacitor
Measuring across the 1000μF capacitor
3b_capmeasure.png (2.94 KiB) Viewed 8965 times
So, what does all this add up to in my updated understanding?

Initially, I was expecting the capacitors to make a difference to the voltage between the ground pin and the output pin of the oscillator. But they don't. The final image shows that the 1000μF capacitor is working, so the issue must be the reactance in the wiring and the breadboard between the ground rail of the breadboard and the ground pin of the oscillator - that is, even though the capacitors are trying to keep the ground at level, the reactance in the wiring is actually measurable on my scope, so that when the leading (edited) edge of the clock arrives the "inertia" of electrons arriving at the ground pin means they aren't coming in fast enough, and so the voltage between the ground pin and Vcc falls. Presumably the closer I can get the bypass capacitor to the ground pin of the oscillator, the more I can reduce the effect.

Does that explanation sound correct, or am I misunderstanding or misusing my oscilloscope?

Even if I am understanding correctly, the amount of bounce I am measuring across the device doesn't look significant. But, I could put the scope across other chips in my real computer circuit looking for traces where I am playing with the tolerances on the datasheets, and presumably capture a trace of ground bounce if it was in fact significant enough to flip a bit. Such a trace should be possible to capture when running the circuit at 4Mhz, which is the speed at which the computer currently fails ...

As a bonus distraction, I tried putting the clock signal through a 74HC04 inverter gate, and the result was:
Inverted
Inverted
4_inverted.png (2.68 KiB) Viewed 8965 times
which seemed to me to suggest that the HC chip both took out the overshoot on the clock signal and very slightly softened the edge. Whether that's useful or not I don't know.
Attachments
CTS_11052019_008_0258_0_I_MXO45_MXO45HS-1665263 (1).pdf
Clock datasheet
(316.01 KiB) Downloaded 282 times
Last edited by Osric on Sun Aug 18, 2024 9:03 pm, edited 2 times in total.
Osric
Posts: 51
Joined: 20 Jul 2024

Re: Details on the W65C02S RDY / BE pins needed

Post by Osric »

GARTHWILSON wrote:
I know this is somewhat off-topic; but we're on the 7th page of this one, so small interesting side notes should be fine as long as the OP is ok with it.
Off topic is where I shine ;-)

However that leads to a question: should I be making new threads for each topic in the hope that the threads will someday be findable by someone searching for specific discussions, or is it fine to just have one giant thread here? This particular thread started as a reasonably focused question on RDY / BE pins for the purpose of building DMA for video, but has long ago ceased to be about that topic; I personally don't care at all, but I don't know what the general consensus is on making things findable (e.g. the PDFs of the two-generation-old work by Kuphaldt).
User avatar
GARTHWILSON
Forum Moderator
Posts: 8773
Joined: 30 Aug 2002
Location: Southern California
Contact:

Re: Details on the W65C02S RDY / BE pins needed

Post by GARTHWILSON »

Your clock oscillator can undoubtedly has a power supply bypass capacitor in it.  ICs don't though, and their total load, if there are lots of outputs that can change at once (like a 74xx244 or '245 bus buffer for example) and each bit could feed a lot of other ICs (like at least one ROM, one RAM, and I/O ICs), the total load could be quite a bit heavier than what you have on the oscillator.  For example, if of the processor's 8 data bits, and 16 address bits, and a R/W line each had 20pF on them, that's 500pF.  Those will probably never all flip the same direction at once; but it's possible for most of them to.

Quote:
the "inertia" of electrons arriving at the ground pin means they aren't coming in fast enough, and so the voltage between the ground pin and Vcc falls

Inertia is a practical analogy to think of the characteristic of an inductor, not the electrons.  The latter weigh hardly anything compared to the rest of the atom, and they move very slowly, even though a wave is propagated near speed of light.

Quote:
However that leads to a question: should I be making new threads for each topic in the hope that the threads will someday be findable by someone searching for specific discussions, or is it fine to just have one giant thread here?

Please keep related stuff together.  We had a new member not long ago who thought he had to start a new one for every question, even though all the questions were about the same thing and each answer led to a new question.  That kind of clutters the forum section's index page, and makes for all these things that should be tied together being unconnected loose ends instead.  I asked him to just keep going in the same one if it's still about the same thing.

Quote:
This particular thread started as a reasonably focused question on RDY / BE pins for the purpose of building DMA for video, but has long ago ceased to be about that topic;

I could probably split it, if there's a nice place to do that.

Quote:
I personally don't care at all, but I don't know what the general consensus is on making things findable (e.g. the PDFs of the two-generation-old work by Kuphaldt).

The search function here doesn't need the topic title, although you can search titles only if that's what you want.  I almost never check the "Topic titles only" radio button there.
http://WilsonMinesCo.com/ lots of 6502 resources
The "second front page" is http://wilsonminesco.com/links.html .
What's an additional VIA among friends, anyhow?
Osric
Posts: 51
Joined: 20 Jul 2024

Re: Details on the W65C02S RDY / BE pins needed

Post by Osric »

GARTHWILSON wrote:
Your clock oscillator can undoubtedly has a power supply bypass capacitor in it.
I guess I don't understand then, because if there's a capacitor already across the power pins of the oscillator I wouldn't expect to be able to see the voltage oscillate on every clock edge - what are the internals actually like?
User avatar
GARTHWILSON
Forum Moderator
Posts: 8773
Joined: 30 Aug 2002
Location: Southern California
Contact:

Re: Details on the W65C02S RDY / BE pins needed

Post by GARTHWILSON »

Osric wrote:
GARTHWILSON wrote:
Your clock oscillator can undoubtedly has a power supply bypass capacitor in it.
I guess I don't understand then, because if there's a capacitor already across the power pins of the oscillator I wouldn't expect to be able to see the voltage oscillate on every clock edge - what are the internals actually like?
Here's a very old one I have that's open.  (Pardon the cheap camera and poor lighting, as it's no longer daytime here.)  It's possible newer oscillator cans are different.  Maybe the manufacturers would have pictures on their sites.  The crystal had been attached to the two nubs you see there, but was removed to see the parts underneath.  The little black painted rectangles are printed resistors. The bypass capacitor appears to be the one at the lower-right, pretty well placed IMO, but there's still some distance between it and other parts.  At this point, I'm almost telling you more than I know.  I can make oscillators, but since proven-dependable ones are easily available, affordable, and compact, I have not made any effort to learn more about oscillators.  The power-supply "wiggles" in your pictures looks pretty minimal for a digital part though.
Attachments
openCanOsc.jpg
http://WilsonMinesCo.com/ lots of 6502 resources
The "second front page" is http://wilsonminesco.com/links.html .
What's an additional VIA among friends, anyhow?
User avatar
BigEd
Posts: 11463
Joined: 11 Dec 2008
Location: England
Contact:

Re: Details on the W65C02S RDY / BE pins needed

Post by BigEd »

(For me, if a topic has drifted from the original subject, it often makes sense for the original poster to edit the subject of the head post accordingly. Splitting a topic is a good idea, but I've very rarely seen it happen here (another way of saying this is that Garth very rarely splits threads.) The best practice is for the person who has the new idea to start a new thread with a new appropriate subject. It's very easy to post a link back to the original, and even to post a link forwards to the new thread. Once a diversion has had one or two replies, it's really hard to recover.)
Osric
Posts: 51
Joined: 20 Jul 2024

Re: Details on the W65C02S RDY / BE pins needed

Post by Osric »

GARTHWILSON wrote:
Here's a very old one I have that's open.
Thanks for the picture. Assuming they're all much the same, the internal bypass capacitor should make the effect I showed in the above screenshots almost invisible/impossible. So, perhaps unsurprisingly, it turns out my measurement was flawed.

Specifically, I had a short length of wire coming out of my breadboard to clip the ground leads of my probes to. Even that short piece of wire had enough reactance to show up on the scope. Doing it again with more care, probing closer to the breadboard, shows a near perfect situation around the oscillator:
Probing closer to the board.
Probing closer to the board.
NewFile1.png (2.92 KiB) Viewed 8220 times
And then, just to show how bad it can be when one isn't careful, I put a very long wire between the ground pin and the ground clips of my probes to get this "measurement":
Reactance of a long lead prior to the ground probe.
Reactance of a long lead prior to the ground probe.
NewFile0.png (3.5 KiB) Viewed 8220 times
So indeed, as Garth said, the oscillator can is already designed with the bypass capacitor in place, and measuring these effects requires some precision as to how one probes the circuit.

So then I decided to try running the clock through the output enable of a 74HCT541N 8-input buffer, with one of the outputs hooked up to a resistor to sink the current to ground. This seems like a bad idea for reasons I don't yet understand, as the output signal is less than ideal looking:
Bad output waveform from 74HCT541N buffer.
Bad output waveform from 74HCT541N buffer.
NewFile2.png (2.8 KiB) Viewed 8220 times
but as I don't really care about that part of the problem at the moment I just ignored it. With one or two outputs hooked up the whole circuit draws about 100mA, but with all 8 lines hooked up it draws about 300mA, and the effect across the power pins is more pronounced:
8 outputs switching at 1Mhz
8 outputs switching at 1Mhz
NewFile3.png (3.27 KiB) Viewed 8220 times
Even this though, looks like not really a problem.

For now, as near as I can tell, I can ignore ground bounce until it actually negatively affects things I want to accomplish with my breadboard computer, and try to measure it when I start to see failures/flakiness. When I can get back to the project for real, I think I'll focus on building my next "working" module rather than testing for stability, as the circuit seems stable enough to be working on at the moment.
Post Reply