Build 6502 with TTL components
Build 6502 with TTL components
I want to build my first 6502-based project with TTL components and I didn’t find any topic about that, do you if have one topic here?
Re: Build 6502 with TTL components
Hello, and welcome!
You might want to start by checking Garth's primer - lots of background info and also ideas for a simple system.
https://wilsonminesco.com/6502primer/
There's also Grant Searle's designs.
http://searle.x10host.com/6502/Simple6502.html
And then there's Ben Eater's video series.
https://eater.net/6502
You might want to start by checking Garth's primer - lots of background info and also ideas for a simple system.
https://wilsonminesco.com/6502primer/
There's also Grant Searle's designs.
http://searle.x10host.com/6502/Simple6502.html
And then there's Ben Eater's video series.
https://eater.net/6502
Re: Build 6502 with TTL components
Welcome to 6502.org!
You can also build a 6502 SBC without any TTL glue logic. Discussionand homepage
Bill
You can also build a 6502 SBC without any TTL glue logic. Discussionand homepage
Bill
Re: Build 6502 with TTL components
Welcome!
(And I notice Ed and Bill have posted some worthwhile comments while I was typing.)
You are about to embark on a fascinating and rewarding journey! There is much to learn, but many others before you have been successful in building 6502 computers using 74 Series "TTL" logic chips.
Be aware that the logic "building blocks" introduced over a half-century ago as the original 7400 Series are now available in several more modern variants. For example, the 74 Series includes the 7408, which is a TTL chip with four two-input AND gates. The 74LS Series includes the 74LS08, which is a slightly improved version of the same thing, and the 74HCT Series includes the 74HCT08, which is a version that is much further improved.
You may choose to use any of these families, but certain challenges apply (especially if you intend to mix one family with another).
Do you intend to use chips you already own, or will you be purchasing the chips as required? For various reasons the 74HCT Series is probably the best choice for an introductory project.
Do you already own a 6502 or 65C02 CPU?
I second Ed's suggestion regarding Garth's 6502 primer. It has 22 logically organized pages, or chapters, which covers the many facets of making your own 6502 computer.
-- Jeff
You are about to embark on a fascinating and rewarding journey! There is much to learn, but many others before you have been successful in building 6502 computers using 74 Series "TTL" logic chips.
Be aware that the logic "building blocks" introduced over a half-century ago as the original 7400 Series are now available in several more modern variants. For example, the 74 Series includes the 7408, which is a TTL chip with four two-input AND gates. The 74LS Series includes the 74LS08, which is a slightly improved version of the same thing, and the 74HCT Series includes the 74HCT08, which is a version that is much further improved.
You may choose to use any of these families, but certain challenges apply (especially if you intend to mix one family with another).
Do you intend to use chips you already own, or will you be purchasing the chips as required? For various reasons the 74HCT Series is probably the best choice for an introductory project.
Do you already own a 6502 or 65C02 CPU?
I second Ed's suggestion regarding Garth's 6502 primer. It has 22 logically organized pages, or chapters, which covers the many facets of making your own 6502 computer.
-- Jeff
In 1988 my 65C02 got six new registers and 44 new full-speed instructions!
https://laughtonelectronics.com/Arcana/ ... mmary.html
https://laughtonelectronics.com/Arcana/ ... mmary.html
Re: Build 6502 with TTL components
I will purchase the chip as requirede and I will try to use 74HC or 74HCT.
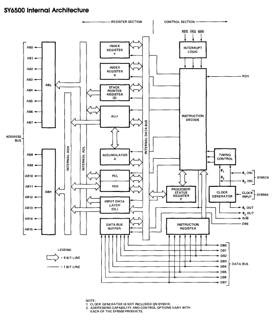
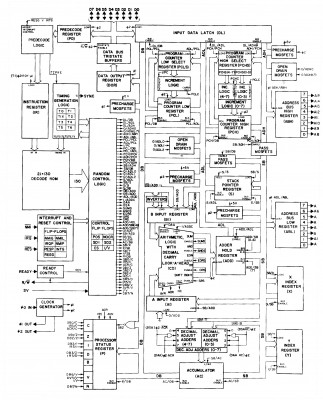
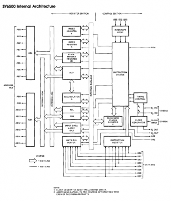
I found two block diagrams. one in the datasheet and other a little complex to datasheet.
Which diagram I should follow?
I found two block diagrams. one in the datasheet and other a little complex to datasheet.
Which diagram I should follow?
Re: Build 6502 with TTL components
Both diagrams basically show the same thing, the first one is just a more abstract version of the first. That being said, neither is required to get a basic 6502 system up and running.
I highly recommend the various tutorials as recommended above; the builds are very simple and only require 3 or 4 total ICs to get going.
I highly recommend the various tutorials as recommended above; the builds are very simple and only require 3 or 4 total ICs to get going.
Re: Build 6502 with TTL components
My intention in assembling a microprocessor is to learn about how computers work, learn digital electronics and play Atari games.
Re: Build 6502 with TTL components
I'm wondering if I'm misunderstanding - are you planning to build a system which uses a 6502 chip, or are you planning to reimplement the 6502 function in a board full of TTL?
Both are possible, but one is much more difficult!
Both are possible, but one is much more difficult!
Re: Build 6502 with TTL components
I'm planning to reimplement the 6502 function in a board full of TTL.
I know how much more difficult!
Do you know if it has a topic here about it?
I know how much more difficult!
Do you know if it has a topic here about it?
- BigDumbDinosaur
- Posts: 9425
- Joined: 28 May 2009
- Location: Midwestern USA (JB Pritzker’s dystopia)
- Contact:
Re: Build 6502 with TTL components
bmab wrote:
My intention in assembling a microprocessor is to learn about how computers work, learn digital electronics and play Atari games.
What do you mean by “assembling a microprocessor?” My understanding of that phrase is telling me you want to make a microprocessor from TTL gates. That is a very complex undertaking, even for an expert. I question the value of doing such a thing, unless it’s purely for the satisfaction of realizing a functional design.
Last edited by BigDumbDinosaur on Tue Apr 02, 2024 8:09 pm, edited 1 time in total.
x86? We ain't got no x86. We don't NEED no stinking x86!
Re: Build 6502 with TTL components
bmab wrote:
I'm planning to reimplement the 6502 function in a board full of TTL.
I know how much more difficult!
Do you know if it has a topic here about it?
I know how much more difficult!
Do you know if it has a topic here about it?
CPLD 6502 (by Arlet) (open source, verilog)
(But note, this is probably not cycle-accurate so might not suit your goal of running Atari games)
- BigDumbDinosaur
- Posts: 9425
- Joined: 28 May 2009
- Location: Midwestern USA (JB Pritzker’s dystopia)
- Contact:
Re: Build 6502 with TTL components
BigEd wrote:
bmab wrote:
I'm planning to reimplement the 6502 function in a board full of TTL.
I know how much more difficult!
Do you know if it has a topic here about it?
I know how much more difficult!
Do you know if it has a topic here about it?
CPLD 6502 (by Arlet) (open source, verilog)
(But note, this is probably not cycle-accurate so might not suit your goal of running Atari games)
There was also Big Mess ’o Wires, though I don’t have a link to the project. The project name was very apt.
x86? We ain't got no x86. We don't NEED no stinking x86!
Re: Build 6502 with TTL components
See also Drass's C74 project and successor:
TTL 6502 Here I come (2015)
100MHz TTL 6502: Here we go! (2020)
TTL 6502 Here I come (2015)
100MHz TTL 6502: Here we go! (2020)
- GARTHWILSON
- Forum Moderator
- Posts: 8773
- Joined: 30 Aug 2002
- Location: Southern California
- Contact:
Re: Build 6502 with TTL components
BigDumbDinosaur wrote:
There was also Big Mess ’o Wires, though I don’t have a link to the project. The project name was very apt. 
http://WilsonMinesCo.com/ lots of 6502 resources
The "second front page" is http://wilsonminesco.com/links.html .
What's an additional VIA among friends, anyhow?
The "second front page" is http://wilsonminesco.com/links.html .
What's an additional VIA among friends, anyhow?
Re: Build 6502 with TTL components
You may also wish to watch the video series by James Sharman where he goes through the lengthy process of designing and building his own 8-bit CPU via discrete TTL logic:
https://www.youtube.com/@weirdboyjim
https://www.youtube.com/@weirdboyjim