Build 6502 with TTL components

Building your first 6502-based project? We'll help you get started here.
bmab
Posts: 6
Joined: 29 Mar 2024
Location: Piracicaba, SP, Brazil

Build 6502 with TTL components

Post by bmab »

I want to build my first 6502-based project with TTL components and I didn’t find any topic about that, do you if have one topic here?
User avatar
BigEd
Posts: 11463
Joined: 11 Dec 2008
Location: England
Contact:

Re: Build 6502 with TTL components

Post by BigEd »

Hello, and welcome!

You might want to start by checking Garth's primer - lots of background info and also ideas for a simple system.
https://wilsonminesco.com/6502primer/

There's also Grant Searle's designs.
http://searle.x10host.com/6502/Simple6502.html

And then there's Ben Eater's video series.
https://eater.net/6502
plasmo
Posts: 1273
Joined: 21 Dec 2018
Location: Albuquerque NM USA

Re: Build 6502 with TTL components

Post by plasmo »

Welcome to 6502.org!
You can also build a 6502 SBC without any TTL glue logic. Discussionand homepage
Bill
User avatar
Dr Jefyll
Posts: 3525
Joined: 11 Dec 2009
Location: Ontario, Canada
Contact:

Re: Build 6502 with TTL components

Post by Dr Jefyll »

Welcome! :) (And I notice Ed and Bill have posted some worthwhile comments while I was typing.)

You are about to embark on a fascinating and rewarding journey! There is much to learn, but many others before you have been successful in building 6502 computers using 74 Series "TTL" logic chips.

Be aware that the logic "building blocks" introduced over a half-century ago as the original 7400 Series are now available in several more modern variants. For example, the 74 Series includes the 7408, which is a TTL chip with four two-input AND gates. The 74LS Series includes the 74LS08, which is a slightly improved version of the same thing, and the 74HCT Series includes the 74HCT08, which is a version that is much further improved.

You may choose to use any of these families, but certain challenges apply (especially if you intend to mix one family with another).

Do you intend to use chips you already own, or will you be purchasing the chips as required? For various reasons the 74HCT Series is probably the best choice for an introductory project.

Do you already own a 6502 or 65C02 CPU?

I second Ed's suggestion regarding Garth's 6502 primer. It has 22 logically organized pages, or chapters, which covers the many facets of making your own 6502 computer.

-- Jeff
In 1988 my 65C02 got six new registers and 44 new full-speed instructions!
https://laughtonelectronics.com/Arcana/ ... mmary.html
bmab
Posts: 6
Joined: 29 Mar 2024
Location: Piracicaba, SP, Brazil

Re: Build 6502 with TTL components

Post by bmab »

I will purchase the chip as requirede and I will try to use 74HC or 74HCT.

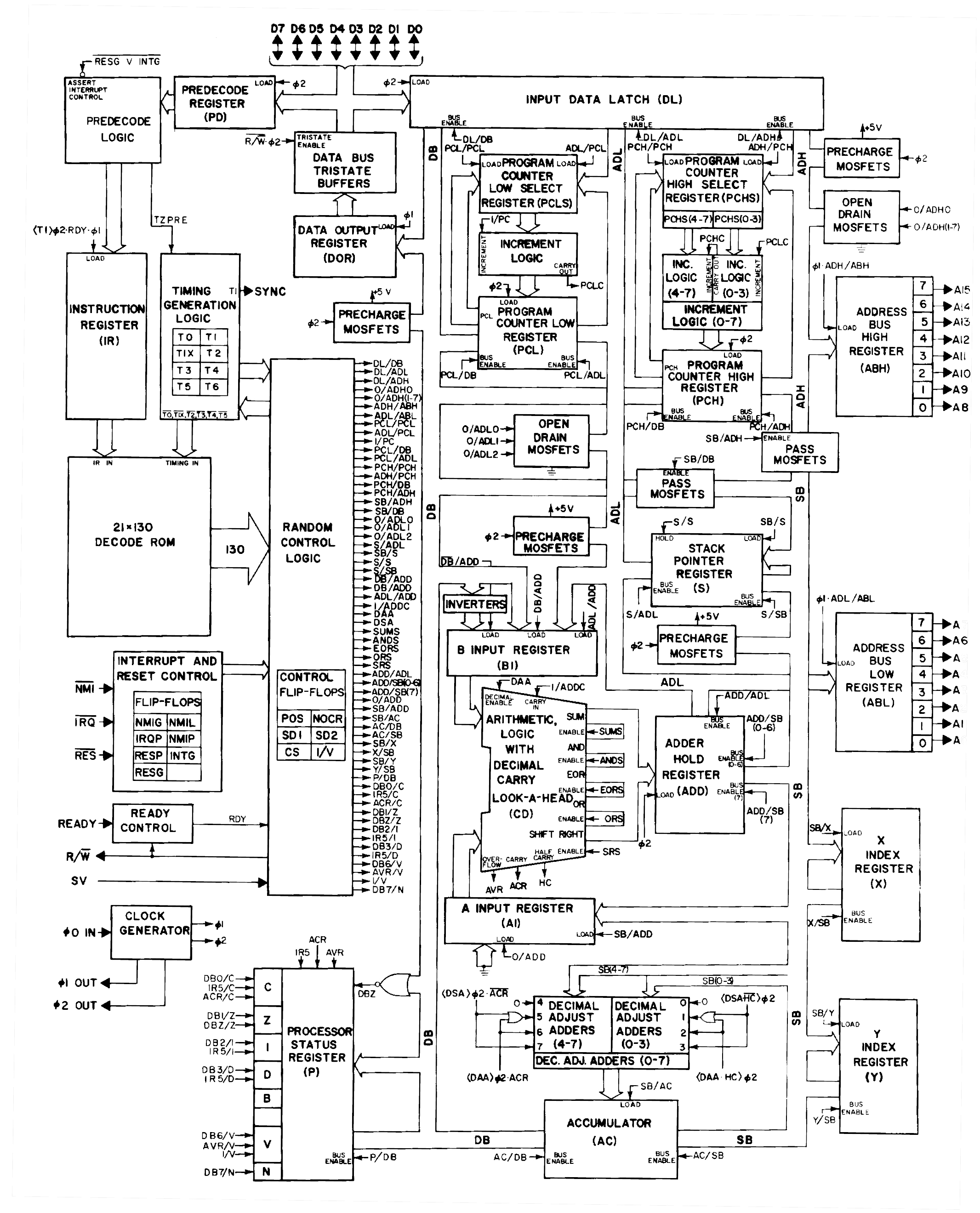
I found two block diagrams. one in the datasheet and other a little complex to datasheet.

Which diagram I should follow?
Attachments
6502.PNG
6502.jpg
User avatar
Yuri
Posts: 371
Joined: 28 Feb 2023
Location: Texas

Re: Build 6502 with TTL components

Post by Yuri »

Both diagrams basically show the same thing, the first one is just a more abstract version of the first. That being said, neither is required to get a basic 6502 system up and running.

I highly recommend the various tutorials as recommended above; the builds are very simple and only require 3 or 4 total ICs to get going.
bmab
Posts: 6
Joined: 29 Mar 2024
Location: Piracicaba, SP, Brazil

Re: Build 6502 with TTL components

Post by bmab »

My intention in assembling a microprocessor is to learn about how computers work, learn digital electronics and play Atari games.
User avatar
BigEd
Posts: 11463
Joined: 11 Dec 2008
Location: England
Contact:

Re: Build 6502 with TTL components

Post by BigEd »

I'm wondering if I'm misunderstanding - are you planning to build a system which uses a 6502 chip, or are you planning to reimplement the 6502 function in a board full of TTL?

Both are possible, but one is much more difficult!
bmab
Posts: 6
Joined: 29 Mar 2024
Location: Piracicaba, SP, Brazil

Re: Build 6502 with TTL components

Post by bmab »

I'm planning to reimplement the 6502 function in a board full of TTL.

I know how much more difficult!

Do you know if it has a topic here about it?
User avatar
BigDumbDinosaur
Posts: 9425
Joined: 28 May 2009
Location: Midwestern USA (JB Pritzker’s dystopia)
Contact:

Re: Build 6502 with TTL components

Post by BigDumbDinosaur »

bmab wrote:
My intention in assembling a microprocessor is to learn about how computers work, learn digital electronics and play Atari games.

What do you mean by “assembling a microprocessor?”  My understanding of that phrase is telling me you want to make a microprocessor from TTL gates.  That is a very complex undertaking, even for an expert.  I question the value of doing such a thing, unless it’s purely for the satisfaction of realizing a functional design.
Last edited by BigDumbDinosaur on Tue Apr 02, 2024 8:09 pm, edited 1 time in total.
x86?  We ain't got no x86.  We don't NEED no stinking x86!
User avatar
BigEd
Posts: 11463
Joined: 11 Dec 2008
Location: England
Contact:

Re: Build 6502 with TTL components

Post by BigEd »

bmab wrote:
I'm planning to reimplement the 6502 function in a board full of TTL.

I know how much more difficult!

Do you know if it has a topic here about it?
Yes I think there are topics. My favourite topic of that kind is one which isn't TTL, but is very neat and similarly low-level:
CPLD 6502 (by Arlet) (open source, verilog)
(But note, this is probably not cycle-accurate so might not suit your goal of running Atari games)
User avatar
BigDumbDinosaur
Posts: 9425
Joined: 28 May 2009
Location: Midwestern USA (JB Pritzker’s dystopia)
Contact:

Re: Build 6502 with TTL components

Post by BigDumbDinosaur »

BigEd wrote:
bmab wrote:
I'm planning to reimplement the 6502 function in a board full of TTL.

I know how much more difficult!

Do you know if it has a topic here about it?
Yes I think there are topics. My favourite topic of that kind is one which isn't TTL, but is very neat and similarly low-level:
CPLD 6502 (by Arlet) (open source, verilog)
(But note, this is probably not cycle-accurate so might not suit your goal of running Atari games)

There was also Big Mess ’o Wires, though I don’t have a link to the project.  The project name was very apt.  :D
x86?  We ain't got no x86.  We don't NEED no stinking x86!
User avatar
BigEd
Posts: 11463
Joined: 11 Dec 2008
Location: England
Contact:

Re: Build 6502 with TTL components

Post by BigEd »

See also Drass's C74 project and successor:
TTL 6502 Here I come (2015)
100MHz TTL 6502: Here we go! (2020)
User avatar
GARTHWILSON
Forum Moderator
Posts: 8773
Joined: 30 Aug 2002
Location: Southern California
Contact:

Re: Build 6502 with TTL components

Post by GARTHWILSON »

BigDumbDinosaur wrote:
There was also Big Mess ’o Wires, though I don’t have a link to the project.  The project name was very apt.  :D
See https://www.bigmessowires.com/bmow1/ .  It wasn't a 6502, but close.  The project is very admirable.  There are great pictures on the page too.
http://WilsonMinesCo.com/ lots of 6502 resources
The "second front page" is http://wilsonminesco.com/links.html .
What's an additional VIA among friends, anyhow?
User avatar
Yuri
Posts: 371
Joined: 28 Feb 2023
Location: Texas

Re: Build 6502 with TTL components

Post by Yuri »

You may also wish to watch the video series by James Sharman where he goes through the lengthy process of designing and building his own 8-bit CPU via discrete TTL logic:

https://www.youtube.com/@weirdboyjim
Post Reply