I messed up...bought a ATF750C-10PU

Topics relating to PALs, CPLDs, FPGAs, and other PLDs used for the support or creation of 65-family processors, both hardware and HDL.
Post Reply
User avatar
cbmeeks
Posts: 1254
Joined: 17 Aug 2005
Location: Soddy-Daisy, TN USA
Contact:

I messed up...bought a ATF750C-10PU

Post by cbmeeks »

A while back I had asked about some GAL suggestions (viewtopic.php?f=10&t=4176&p=46283&hilit=ATF750#p46283).

I had thought the ATF750C-10PU would be a good idea because the specs sounded like what I needed.

I had made a purchase the other day on Mouser and I thought I would get one.

I *COMPLETELY* forgot that CPLD wasn't recommended because it used a proprietary programming algorithm.

So anyway, I now own one. :-/

I have one of those universal Chinese chip programmers so I might try that.

So, have I completely wasted my money or is there a somewhat cheap way to program these? I love that they are in DIP packages. Which is why I kept going back to them.

Fortunately, I only bought one.

Thanks!
Cat; the other white meat.
User avatar
BigDumbDinosaur
Posts: 9425
Joined: 28 May 2009
Location: Midwestern USA (JB Pritzker’s dystopia)
Contact:

Re: I messed up...bought a ATF750C-10PU

Post by BigDumbDinosaur »

cbmeeks wrote:
A while back I had asked about some GAL suggestions (viewtopic.php?f=10&t=4176&p=46283&hilit=ATF750#p46283).

I had thought the ATF750C-10PU would be a good idea because the specs sounded like what I needed.

I had made a purchase the other day on Mouser and I thought I would get one.

I *COMPLETELY* forgot that CPLD wasn't recommended because it used a proprietary programming algorithm.

So anyway, I now own one. :-/

I have one of those universal Chinese chip programmers so I might try that.

So, have I completely wasted my money or is there a somewhat cheap way to program these? I love that they are in DIP packages. Which is why I kept going back to them.

Fortunately, I only bought one.

Thanks!
The ATF750C is essentially a 22V10 on steroids. However, I'd be amazed if your programmer knows anything about it. There are programmers that can work with it but they are not inexpensive.

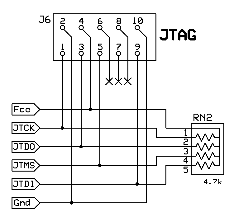
Also, don't forget my offer if you decide to go with an Atmel CPLD instead. You even replied to it. :D Or, you can readily implement a standard JTAG port on your unit. All it takes is a 10 pin header and a small bussed resistor network (or four discrete resistors). Here's the schematic for the JTAP port on POC V2:
POC V2 JTAG Port
POC V2 JTAG Port
jtag_port_poc_v2.gif (10.96 KiB) Viewed 7921 times
The symbol Fcc is a fused source of 5 volts DC.
x86?  We ain't got no x86.  We don't NEED no stinking x86!
User avatar
cbmeeks
Posts: 1254
Joined: 17 Aug 2005
Location: Soddy-Daisy, TN USA
Contact:

Re: I messed up...bought a ATF750C-10PU

Post by cbmeeks »

BigDumbDinosaur wrote:
Also, don't forget my offer if you decide to go with an Atmel CPLD instead.
I may just do that instead. I *really* wanted to keep my designs through-hole if I could because they will be targeted for other n00b's like myself. But it's getting harder and harder to resist SMD. I've worked with them before....I'm just thinking about the other n00b that is intimidated with them.
BigDumbDinosaur wrote:
You even replied to it
I KNOW! That's why I'm kicking myself. I remember talking about it...but when I placed that order, that conversation wasn't in my memory banks. LOL.

BigDumbDinosaur wrote:
Or, you can readily implement a standard JTAG port on your unit. All it takes is a 10 pin header and a small bussed resistor network (or four discrete resistors).
Wait...do you mean implementing a JTAG port on my design using a SMD CPLD or implementing a JTAG to try and program the ATF750C?

I don't think that CPLD works with JTAG header/protocol does it?

Thanks!
Cat; the other white meat.
User avatar
BigDumbDinosaur
Posts: 9425
Joined: 28 May 2009
Location: Midwestern USA (JB Pritzker’s dystopia)
Contact:

Re: I messed up...bought a ATF750C-10PU

Post by BigDumbDinosaur »

cbmeeks wrote:
BigDumbDinosaur wrote:
Also, don't forget my offer if you decide to go with an Atmel CPLD instead.
I may just do that instead. I *really* wanted to keep my designs through-hole if I could because they will be targeted for other n00b's like myself. But it's getting harder and harder to resist SMD. I've worked with them before....I'm just thinking about the other n00b that is intimidated with them.
The Atmel ATF150x series is available in PLCC, which can be socketed, you know. :D
Quote:
Wait...do you mean implementing a JTAG port on my design using a SMD CPLD or implementing a JTAG to try and program the ATF750C?

I don't think that CPLD works with JTAG header/protocol does it?
It doesn't and technically speaking, the ATF750 is not really a CPLD, more like an augmented 22V10 GAL. I was thinking in terms of the ATF150x CPLD series, which has JTAG functionality. The ATF1504AS is probably the smallest member of the ATF150x series that you would want to use, and comes in PLCC44 or TQFP44 packages. As programmed for POC V2, only about 50 percent of the 1504's available logic resources are in use, and that includes basic glue logic, a "hardware management unit" (memory mapping and $00E000-$00FFFF RAM write protection), four bits of bank address latching, generation of an inverted reset signal, generation of qualified /RD and /WD signals, wait-stating, and I/O device selection. I did, however, max out pin usage. :(
x86?  We ain't got no x86.  We don't NEED no stinking x86!
User avatar
and3rson
Posts: 163
Joined: 17 Feb 2023
Location: Lviv, Ukraine
Contact:

Re: I messed up...bought a ATF750C-10PU

Post by and3rson »

cbmeeks - did you ever find a way to program your ATF750? Those things look so neat and I almost bought a bunch naively expecting TL866-II & minipro to be able to program them, but alas they can't. They are probably the last frontier of DIP PLDs, the other one being GAL22V10, which really lacks registers to do anything useful when put on an 8-bit bus with only 2 registers remaining. ATF750 would be much more interesting.
/Andrew

deck65 - 6502 slab with screen and keyboard | ПК-88 - SBC based on KM1810VM88 (Ukrainian i8088 clone) | leo80 - simple Z80 SBC
nice65 - 6502 assembly linter | My parts, footprints & 3D models for KiCad/FreeCAD
User avatar
cbmeeks
Posts: 1254
Joined: 17 Aug 2005
Location: Soddy-Daisy, TN USA
Contact:

Re: I messed up...bought a ATF750C-10PU

Post by cbmeeks »

No, I gave up on them and went with ATF1508/etc.
Cat; the other white meat.
kakemoms
Posts: 349
Joined: 02 Mar 2016

Re: I messed up...bought a ATF750C-10PU

Post by kakemoms »

Well, I don't have a ATF750, but one of my programmers says it can program ATV750 which seems to be quite similar (according to datasheets). The programmer is a BP soft CP-1128.

Anyone knows if the ATV750 is compatible with the ATF750? If anyone has a ATF750 to spare I can test it.
Post Reply