I’ve been working on a project that I think some of you might find interesting. I’m attempting to replicate a very obscure microcomputer from El Salvador, the GACSA (Grupo Atlacatl Comercial) EZ-48.
I first learned about this micro through a Univision documentary on Latin American microcomputers (sadly removed from YouTube). The EZ-48 seems to share a lot of architectural similarities with the TI-99/4A, which makes sense, as those were also assembled in El Salvador at the time. What makes the EZ-48 fascinating is that it’s essentially a hybrid design, almost like if an Apple II and a TI-99 had a child.
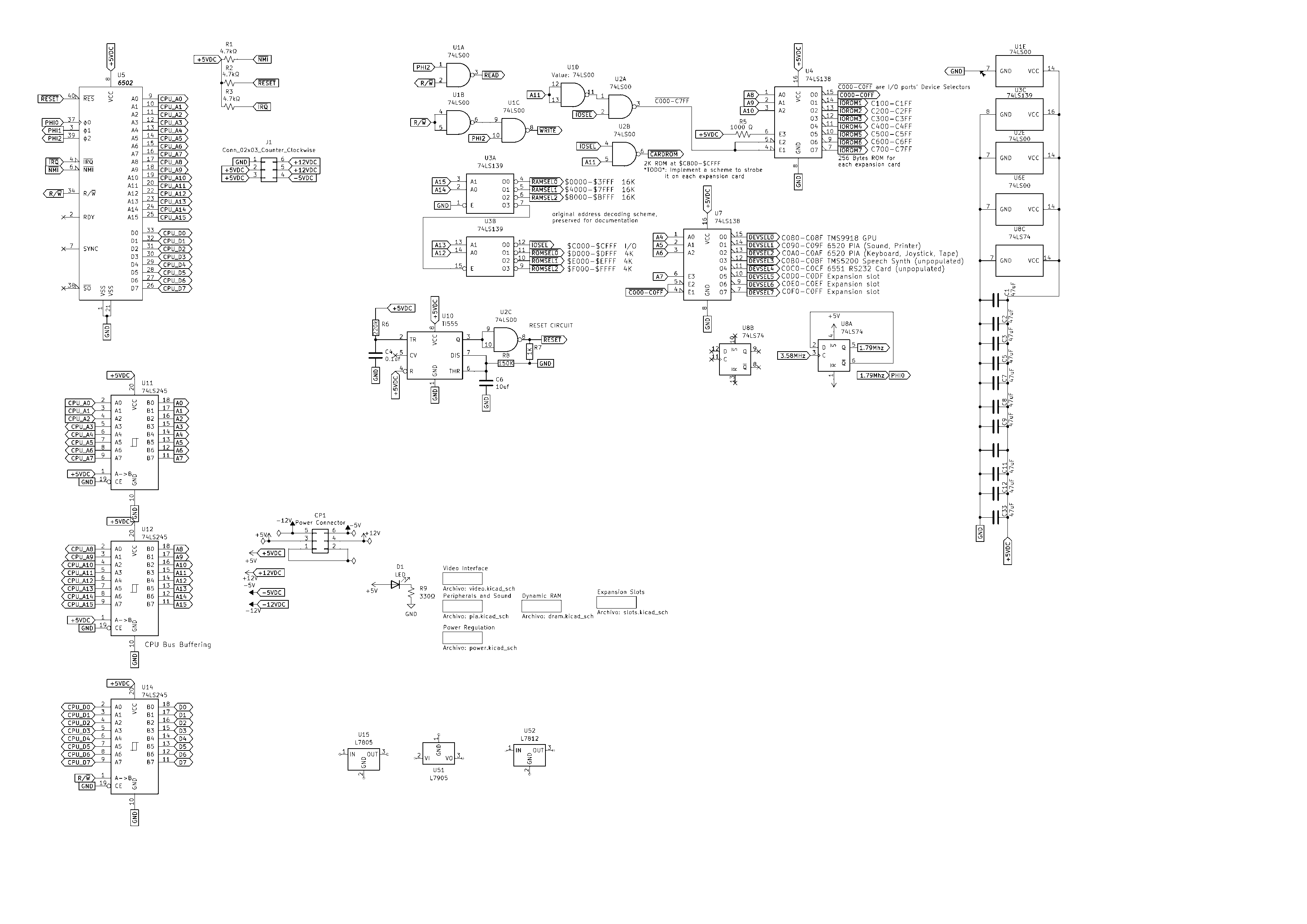
Tracking down information has been extremely difficult. The only lead I got was through the now closed Museo Salvadoreño de la Informática, where someone briefly borrowed an EZ-48 under strict conditions (no photos allowed). The machine was in rough condition, sealed in an acrylic display box, but I managed to study it enough to begin reconstructing the design from memory. So far, I’ve recreated the keyboard PCB (basically a Dragon 32 layout clone — in fact, a Dragon 32 keyboard could work with a ribbon adapter). I’ve also started the mainboard and bus expander design in KiCad, but I’ve hit a wall. I need someone with strong electronics knowledge to help me finish the schematic and PCB layout. If anyone here is interested, I’d even be willing to collaborate or hire help to bring this machine back to life.
Here are the specs of the original EZ-48 (and later EZ-48 II):
CPU: Rockwell 6502A @ 1.79 MHz (Original EZ-48 like the one I got borrowed) or 2.148 MHz (EZ-48 II)
Video: TMS9918A VDP, 16K VRAM, Genlock support, optional 80-column card
Audio: SN76489, controlled via 6520 PIA
RAM: 48K DRAM (3 × 16K banks)
ROM: Microsoft BASIC (Apple-compatible), 3 × 4K ROMs
Expansion: 4 slots, Apple II–style cards (80-column, floppy, CPU expansion, etc.)
Cartridges: 1–2 slots
Keyboard: 64-key, 8×8 ASCII, AVX (ALPS-compatible) switches, with Ñ and ₡ symbols
Cassette Interface: 1200bps CUTS standard
Ports: Parallel printer port; optional serial adapter; optional TMS5100 speech synthesizer
I’ve attached photos of the mainboard and bus expander with Apple II–style slots. The original machine might still be in the UK with the collector who borrowed it, but it’s unlikely I’ll get another chance to study it, so I really need an expert, willing to hear any ideas or suggestions. Attached are my attempts of documentation and a crappy scan of the PCB and peripheral expander. https://imgur.com/a/DJ2U8cx
Looking for retro hardware experts for completing a project
-
elcoleccionista
- Posts: 3
- Joined: 26 Aug 2025
Re: Looking for retro hardware experts for completing a proj
That's an interesting project... not something you're going to finish over a weekend.
One question I would ask before you go further: is making an exact copy of the original essential to your plans? Or is something essentially similar but using - where possible - modern components a possibility? For example, using HC or similar logic instead of LS parts, and replacing the 6502 with a W65C02 and the 6520s with 65C22 - both of which are currently available new.
I suspect that depends on (a) whether you have the original EPROMs, and whether you're looking for a clone of the board - that is, an exact layout of chips, though the actual traces may differ slightly.
At a quick look at your diagrams, most of the chips are obsolete, but if you're willing to buy second hand (and risk fake chips!) then you should be able to get them all. The 6520 is - I believe - compatible with the 6821 and I've seem mention somewhere I can't immediately recall about a plug-in replacement for the graphics chip using an RP part on a carrier card. Those 16k by 1 bit dynamic ram chips might be harder; it might be easier to find 64k by 1, or 64k by 4 parts instead... (or to be honest, a single 64k by 8 static ram, doing away with all the RAS/CAS, refresh, and address multiplexors - maybe two depending how the video chip works) but then, you're losing backwards compatibility.
The circuit board will be only two layers, and basically a piece of cake to recreate, particularly if you have a better scan of the board.
I'm sure people here will be generous with their suggestions. This looks like an interesting project!
Neil
One question I would ask before you go further: is making an exact copy of the original essential to your plans? Or is something essentially similar but using - where possible - modern components a possibility? For example, using HC or similar logic instead of LS parts, and replacing the 6502 with a W65C02 and the 6520s with 65C22 - both of which are currently available new.
I suspect that depends on (a) whether you have the original EPROMs, and whether you're looking for a clone of the board - that is, an exact layout of chips, though the actual traces may differ slightly.
At a quick look at your diagrams, most of the chips are obsolete, but if you're willing to buy second hand (and risk fake chips!) then you should be able to get them all. The 6520 is - I believe - compatible with the 6821 and I've seem mention somewhere I can't immediately recall about a plug-in replacement for the graphics chip using an RP part on a carrier card. Those 16k by 1 bit dynamic ram chips might be harder; it might be easier to find 64k by 1, or 64k by 4 parts instead... (or to be honest, a single 64k by 8 static ram, doing away with all the RAS/CAS, refresh, and address multiplexors - maybe two depending how the video chip works) but then, you're losing backwards compatibility.
The circuit board will be only two layers, and basically a piece of cake to recreate, particularly if you have a better scan of the board.
I'm sure people here will be generous with their suggestions. This looks like an interesting project!
Neil
Re: Looking for retro hardware experts for completing a proj
Welcome - indeed, very interesting! Thanks for attaching the images too.
Re: Looking for retro hardware experts for completing a proj
Welcome, elcoleccionista, and thanks for posting
I notice that the imgur link you provided shows eight files, five of which appear identical to those you attached to your post. I'm not sure why three got omitted, but perhaps you'd like to edit your post so it includes all eight.
Really there's no need to use Imgur or any other third-party image sharing site. It's better (and more convenient) to attach images to your post. (There is a limit per post, but it's generous. And if necessary you can use multiple posts.)
Do you mean to say the schematics you posted were created by you, based only on details you recalled and deduced? That's remarkable!
-- Jeff
I notice that the imgur link you provided shows eight files, five of which appear identical to those you attached to your post. I'm not sure why three got omitted, but perhaps you'd like to edit your post so it includes all eight.
Really there's no need to use Imgur or any other third-party image sharing site. It's better (and more convenient) to attach images to your post. (There is a limit per post, but it's generous. And if necessary you can use multiple posts.)
Quote:
I managed to study it enough to begin reconstructing the design from memory.
-- Jeff
In 1988 my 65C02 got six new registers and 44 new full-speed instructions!
https://laughtonelectronics.com/Arcana/ ... mmary.html
https://laughtonelectronics.com/Arcana/ ... mmary.html
Re: Looking for retro hardware experts for completing a proj
It would be excellent to get the ROMs dumped. There are people around the UK who can do that - we'd just need to put the right people in touch, and hope that the current holder of the computer is happy to help out.
-
elcoleccionista
- Posts: 3
- Joined: 26 Aug 2025
Re: Looking for retro hardware experts for completing a proj
tried to dump ROMs(in circuit, so maybe desoldering would change things) and they were full FFs, making a copy is a target, but would be more than willing to just make an alternate design with some modern parts along the way.
> Do you mean to say the schematics you posted were created by you, based only on details you recalled and deduced? That's remarkable!
Mostly it was the following, a method I learned from some guy that cloned a CoCo 80 columns card: find a pin of a chip and trace all the continuities you can find with a multimeter(in may case a crappy $7 one), and repeat until you find all, then, by first principles(as Matt Reagan would say, if you haven't go and watch his many video series on youtube) and "what makes sense"(for example the reversed Address bus for the graphics chip is something well documented to be a thing), this idea doesn't take into account broken traces(there seemed to be many on the memory chips, they borderline had no continuity with almost nothing, seemed dead to me).
It was a one day project to trace the continuities(only had the machine for a day) and make a crappy "Netlist" on paper, to later trace on Kicad(an over three months effort, more if you include actually learning Kicad)
> Do you mean to say the schematics you posted were created by you, based only on details you recalled and deduced? That's remarkable!
Mostly it was the following, a method I learned from some guy that cloned a CoCo 80 columns card: find a pin of a chip and trace all the continuities you can find with a multimeter(in may case a crappy $7 one), and repeat until you find all, then, by first principles(as Matt Reagan would say, if you haven't go and watch his many video series on youtube) and "what makes sense"(for example the reversed Address bus for the graphics chip is something well documented to be a thing), this idea doesn't take into account broken traces(there seemed to be many on the memory chips, they borderline had no continuity with almost nothing, seemed dead to me).
It was a one day project to trace the continuities(only had the machine for a day) and make a crappy "Netlist" on paper, to later trace on Kicad(an over three months effort, more if you include actually learning Kicad)
-
elcoleccionista
- Posts: 3
- Joined: 26 Aug 2025
Re: Looking for retro hardware experts for completing a proj
> Really there's no need to use Imgur or any other third-party image sharing site. It's better (and more convenient) to attach images to your post. (There is a limit per post, but it's generous. And if necessary you can use multiple posts.)
I did both just in case(it's so sad to see many forum post get lost because the image hosting sites go broken, or forums lost their media along the way. The imgur link contains more images because includes repeated schematic attempts
I did both just in case(it's so sad to see many forum post get lost because the image hosting sites go broken, or forums lost their media along the way. The imgur link contains more images because includes repeated schematic attempts
Re: Looking for retro hardware experts for completing a proj
Very impressive!
Author of the GeckOS multitasking operating system, the usb65 stack, designer of the Micro-PET and many more 6502 content: http://6502.org/users/andre/
Re: Looking for retro hardware experts for completing a proj
I looked at your schematics, and they look correct. You wrote that it resembles the Apple II and TI-99/4A. I see some similarity to Apple II and TMS9918A-based graphics cards, of which there were several for the Apple II, such as those shipped with the LCSI Sprite Logo language.
I think you're still missing the RAM refresh cirquit.
Due to the higher refresh rate, the Apple II's RAM refresh cirqut likely won't work properly. But that's not a problem; you can use a different one, even a programmable one in extreme cases.
With the RAM refresh cirquit added, you can even use a modified Apple II ROM and run at least a few Apple II programs for the Sprite Logo card.
Byte article 1982
http://cini.classiccmp.org//pdf/byte/Hi ... 82.pdf.pdf
I think you're still missing the RAM refresh cirquit.
Due to the higher refresh rate, the Apple II's RAM refresh cirqut likely won't work properly. But that's not a problem; you can use a different one, even a programmable one in extreme cases.
With the RAM refresh cirquit added, you can even use a modified Apple II ROM and run at least a few Apple II programs for the Sprite Logo card.
Byte article 1982
http://cini.classiccmp.org//pdf/byte/Hi ... 82.pdf.pdf