Hi banedon,
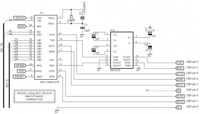
With the 6551 I always use crystals and have not had any issues. Just carefully read the datasheet, some 6551 require a 1MOhm between XTI and XTO others don't. I prefer this solution as I can use the space under the 6551 for the crystal and the capacitors to save real estate on my PCB.
Normal baud-rates with a 1.8432MHz crystal indeed go only up to 19200. However there is the "external clock" setting for the baud rate register (set SBR to 0), then the baud-rate will be at 1/16th of the external clock. When you have a 1.8432MHz crystal this gives you the additional baudrate of 1843200/16 which is 115200baud. The 6551 does not know that he himselfs generates the clock at XTI

.
By the way, as I don't have serial interfaces I mostly use
http://shop.clickandbuild.com/cnb/shop/ ... goryID=105 cables. They are also available with a 3v3 output. USB provides enough power for a CMOS based 65xx SBC,so I even power the SBCs from that cable, especially during setup and testing. Just make sure you use a inexpensive external USB Hub to protect your precious USB ports on the PC. This saves the MAX232 level converter.
Yes the 16550 complement pair of read and write enable signals can just be used as you said. Tying RD and WR to VCC and connect /RD and /WR to the respective signals created by the GAL should do the job.
cheers
Peter