...All looks like a fake to me

no offence...
Hi bound. No offense taken, I appreciate your interest!...
This is a work in progress, and the beginnings you see here. Progress will be slow at times, for various reasons: I only have 2 days a week to commit, I alone do all the work (software & hardware), and I wirewrap.
...1) What is the 1.2v regulator in your system ?? (looks like they all in to-220 )...
They are MCP1826 series (identical, in pinout, to the old 78xx series) of 1A DC regulators. The one you point out is a 1.2V 1A in TO-220. The one thing that differentiates them from the 78xx series is their Vout to Vin is low ~2-3V IIRC. All the 78xx series had Vin's up to 35V? Guess this helps in controlling heat... I feed 5V into 3.3V, 3.3V into 2.5V, and 2.5V into 1.2V. Anyway, the 1.2V feeds the internal core which is very well filtered at this point, via the VCCINT pins.
...2) 2M x8 flash ( what for ?)...
Storing data after power has been removed. One that large can store 1 whole 640x480x3bytes screen full of info, and have another 1M for programs, icons, etc. Also makes it possible to do a "soft" reset (will have to add another reset switch)...
...3) Sd card interface ( do you what to write a fat16 or fa32 drivers/software)...
No drivers are planned at this point. It is meant as an easy data transfer system. The plan is to store raw binary data from the PC onto the SD card, specifically from MK's 6502 assembler, and then to transfer data to the 2Mx8 Flash, and finally into the core using commands from the keyboard.
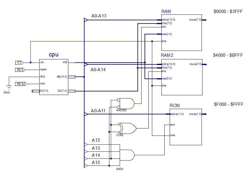
...4) I can’t see any ram chips...
The 6502core will see 64K, all of it internal BlockRAM running very fast. There will be an ability to transfer data to/from the FLASH at slower speeds, to accomodate the 70ns access times of the FLASH, to anywhere within the 64K BlockRAM, again using commands from the keyboard.
Right now I am reading up on how to use synchronous RAM, as all internal RAMs are fed by a clock.
...do you need pull up resistors in ps2 interface ?...
So far, I've gotten away without using them. I've seen 4.7K pull-up resistors in most designs. May have to add them later...
I was thinking a bottom pic would be necessary too. I will work on it, expect it to be edited into my previous post above soon...