Looking for recommended 65C02/65C816 SBC for learning

Building your first 6502-based project? We'll help you get started here.
User avatar
Dr Jefyll
Posts: 3524
Joined: 11 Dec 2009
Location: Ontario, Canada
Contact:

Re: Looking for recommended 65C02/65C816 SBC for learning

Post by Dr Jefyll »

barnacle wrote:
[the clock oscillator is] from a Motorola CMOS design note
Yes, I thought that circuit looked familiar. And Neil reports that it's reliable in use, so I think it's fair to downplay BDD's concern in this regard.

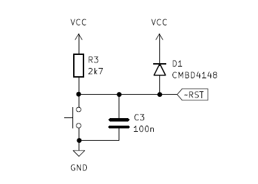
Regarding the reset circuit, the '4148 diode appears (due to a typo?) in an illogical place.
reset circuit .png
reset circuit .png (8.69 KiB) Viewed 2712 times
As originally drawn (between ground and -Rst) the diode will never conduct, and may as well be omitted.

Instead I believe it ought to be between -Rst and Vcc. In the rare but dangerous circumstance of Vcc sharply dropping from 5 volts to zero (as when an accidental short occurs), the diode ensures that the voltage on the capacitor also gets pulled low. This addresses the very real risk of the CPU getting fried. :!:

(I mean fried in the sense that the reset input of the CPU would get damaged by the voltage on the cap, which would momentarily exceed that of the CPU Vcc pin which is at zero. IOW, without the '4148 diode, the cap will get discharged by the CPU's reset input instead.) :(

-- Jeff
In 1988 my 65C02 got six new registers and 44 new full-speed instructions!
https://laughtonelectronics.com/Arcana/ ... mmary.html
User avatar
GARTHWILSON
Forum Moderator
Posts: 8773
Joined: 30 Aug 2002
Location: Southern California
Contact:

Re: Looking for recommended 65C02/65C816 SBC for learning

Post by GARTHWILSON »

BruceRMcF wrote:
barnacle wrote:
True, dat!

Are there any cheap and cheerful supervisor chips out there that monitor both incoming Vcc _and_ a system clock before releasing ~reset? It's possible that using a time-based supervisor may beat the clock to the reset.
Serial to parallel shift register? Will the ~reset get to the last output before the clock has been stable at least two cycles?
You'd want to run the RST\ line to the shift register too.

PIC microcontrollers, which I've put in a dozen products, have a couple of related timers onboard, one being the power-up timer which waits around 100ms (regardless of oscillator frequency) for the power supply to stabilize, and then when it times out, the oscillator start-up timer begins its count of 1024 oscillator periods before releasing the internal reset.  I think the latter is bypassed if, in your configuration word which is implemented before the processor even comes out of reset, you've told it you're using an RxC clock rather than a crystal, since the RxC clock oscillator starts up in a single cycle.
http://WilsonMinesCo.com/ lots of 6502 resources
The "second front page" is http://wilsonminesco.com/links.html .
What's an additional VIA among friends, anyhow?
BruceRMcF
Posts: 388
Joined: 21 Aug 2019

Re: Looking for recommended 65C02/65C816 SBC for learning

Post by BruceRMcF »

plasmo wrote:
MCP130 is a cheap supervisor in TO92 package.
There you go.
barnacle wrote:
True, dat!

Are there any cheap and cheerful supervisor chips out there that monitor both incoming Vcc _and_ a system clock before releasing ~reset? It's possible that using a time-based supervisor may beat the clock to the reset.

Neil
Datasheet says the MCP130 typically holds RESET low for 350ms, so IIUC, the clock should be settled without needing a clock pin for that particular supervisor.
Last edited by BruceRMcF on Sat Apr 26, 2025 6:26 pm, edited 1 time in total.
User avatar
BigDumbDinosaur
Posts: 9425
Joined: 28 May 2009
Location: Midwestern USA (JB Pritzker’s dystopia)
Contact:

Re: Looking for recommended 65C02/65C816 SBC for learning

Post by BigDumbDinosaur »

plasmo wrote:
MCP130 is a cheap supervisor in TO92 package.

Also, the Maxim DS1813, although not as inexpensive as the MCP130.  However, the DS1813 will respond to the reset line being grounded and will initiate a timed cycle when that happens—Microchip’s part won’t do that.  Instead, a little Mickey Mouseity is required to get a reliable manual reset with the MPC130.

Both the DS1813 and MPC130 have internal pullup resistors, which are around 5K.  In my POC units, I use an external 3.3K pullup as well, as I feel 5K makes the reset circuit somewhat noise-sensitive.

A power-on reset circuit also can be fashioned from a spare Schmitt-triggered gate, resistor and capacitor.  Or, you could use the ubiquitous 555 timer, which is what generated the reset in the Commodore 64.

In the olden days when the 65C02 had a Schmitt-triggered reset input, an R-C network was all that was needed to properly reset the MPU at power on.  Alas, that level of simplicity is no longer possible with WDC parts.

reset_controller_ds1813.pdf
Maxim DS1813 Reset Controller
(206.15 KiB) Downloaded 151 times
reset_controller_mcp120-130.pdf
Microchip MPC130 Reset Controller
(221.36 KiB) Downloaded 143 times
x86?  We ain't got no x86.  We don't NEED no stinking x86!
User avatar
BigDumbDinosaur
Posts: 9425
Joined: 28 May 2009
Location: Midwestern USA (JB Pritzker’s dystopia)
Contact:

Re: Looking for recommended 65C02/65C816 SBC for learning

Post by BigDumbDinosaur »

Dr Jefyll wrote:
Regarding the reset circuit, the '4148 diode appears (due to a typo?) in an illogical place...Instead I believe it ought to be between -Rst and Vcc...

Good catch!  You must’ve been on your second cup of coffee when you spotted that.  :D
x86?  We ain't got no x86.  We don't NEED no stinking x86!
L0uis.m
Posts: 58
Joined: 12 Oct 2024

Re: Looking for recommended 65C02/65C816 SBC for learning

Post by L0uis.m »

Hello 0010 all,

When I viewed the diagram above, for a moment I thought "Ehh?" so I boiled it down to its essence:
Boiled down.png
Boiled down.png (5.08 KiB) Viewed 2684 times
I actually only did this for myself but when I saw the result I thought "Why not", so here it is.
Gr :D :D tings, Louis

May your wires be long and your nerves be strong !
User avatar
Michael
Posts: 633
Joined: 13 Feb 2013
Location: Michigan, USA

Re: Looking for recommended 65C02/65C816 SBC for learning

Post by Michael »

Speaking of reset circuits... I used a little 8-pin PIC16F18313 chip (currently $1.16 single quantity at Mouser) awhile back to provide an econo' reset function as well as CPU and ACIA clock signals. With the least bit of encouragement I could create an Arduino 'sketch' to allow programming the PIC microcontroller with a relatively inexpensive Arduino Nano (or Uno) clone.

Here's an excerpt from the attached PIC microcontroller ASM source;

Code: Select all

;
;  set 'CLKR_div' constant for desired 65C02 clock frequency.
;
;               6 ->  0.5-MHz (Fosc / 64)
;               5 ->  1.0-MHz (Fosc / 32)
;               4 ->  2.0-MHz (Fosc / 16)
;               3 ->  4.0-MHz (Fosc / 8)
;               2 ->  8.0-MHz (Fosc / 4)
;               1 -> 16.0-MHz (Fosc / 2)
;
CLKR_div equ    4               ; 2.0-MHz PHI0 CPU clock
;
;  set 'NCO1_inc' constant for desired ACIA clock output.
;
;          2517 ->    38400-Hz (  2400 * 16) @ 0.01659%
;          5033 ->    76800-Hz (  4800 * 16) @ 0.00327%
;         10066 ->   153600-Hz (  9600 * 16) @ 0.00327%
;         20133 ->   307200-Hz ( 19200 * 16) @ 0.00169%
;         40265 ->   614400-Hz ( 38400 * 16) @ 0.00079%
;         60398 ->   921600-Hz ( 57600 * 16) @ 0.00004%
;        120796 ->  1843200-Hz (115200 * 16) @ 0.00004%
;        241592 ->  3686400-Hz (230400 * 16) @ 0.00004%
;
NCO1_inc equ    120796          ; 1.8432-MHz (115200 * 16)

Attachments
16F18313_Clock.asm.txt
(10.65 KiB) Downloaded 155 times
clockgen.png
PIC LVP Programmer 2.png
enso1
Posts: 197
Joined: 30 Jul 2024

Re: Looking for recommended 65C02/65C816 SBC for learning

Post by enso1 »

Careful, Michael, you may start sounding like a PIC or Arduino salesman!
Post Reply