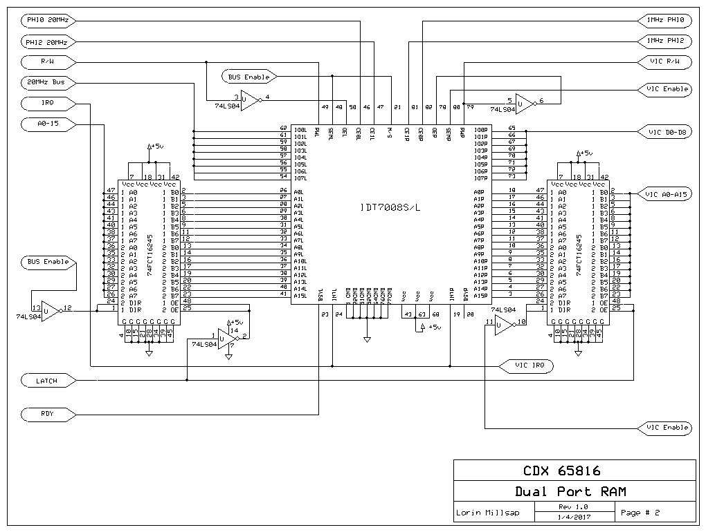
With 65xx family chips the convention is for nothing to drive the data bus except when Phase2 is high. (The Phase2-low time isn't suitable for moving data because the address bus is in flux due to being updated.)
The Truth Table for a RAM says nothing will happen unless Chip-Select and Write Enable are simultaneously active, or Chip-Select and Output Enable are simultaneously active. So, to obey the convention, during the Phase2-low time your logic needs to either force Chip-Select false, or force Write Enable and Output Enable false. Let's go with the latter option. Let's assume Output Enable only gets asserted when Phase2 is high and the CPU R/W line is high, and the Write Enable only gets asserted when Phase2 is high and the CPU R/W line is low.
A basic decoder circuit would need very little else. Basically you'd only have to create the equivalent of a gate, one that inputs the pertinent address lines and determines whether the current address is a match. The gate's output drives the Chip-Select, and now you've accounted for all the necessary conditions. The RAM won't activate outside the appropriate address range, it won't read when it should be writing or vice versa, and it's guaranteed to do nothing during the Phase2-low time.
It's much the same with other devices although there may be more conditions to account for. An example of this is when you implement the write-through feature. You have an extra input to consider -- the signal that says when the ROM has been switched out, and that reads will be fielded by the RAM. You could work that signal into the logic that drives CS, or work it into the logic that drives OE. So there's no rocket science, although the work can be laborious. Hope this helps! Studying the schematics of other machines is probably a good idea.
I'll go back through again to figure it out. The RAM I've chosen has two CEs per bank. In order to enable the RAM then CE0 has to be Low while CE1 has to be High. If this happens, then CE is considered to be true.
So to me it sounds like I could set CE1 with the PH2 clock, and control whether the chip is active with the logic circuit via CE0.
According to the truth table for my chip, the only time OE matters is when reading from RAM, in which case it has to be low. But otherwise it can always be in a low state and it won't have any effect on writing to RAM whether it is low or high. So I guess could time OE to CE0 or to inverted PH2. Or would it be better to use an inverted RW signal?
I have found your comments to be quite helpful.
Now another question regarding the timing signals. In different diagrams and schematics, I'm seeing references to PH0, PH1, and PH2. Some call for a CLK1 and CLK2. I find it very confusing. Is PH0 and PH1 used interchangeably or are they different?