RFC - please dissect my design on a 6502 + VGA

For discussing the 65xx hardware itself or electronics projects.
ThePhysicist
Posts: 60
Joined: 17 Jun 2020

Re: RFC - please dissect my design on a 6502 + VGA

Post by ThePhysicist »

hello again

after over a month I come here with another problem :) A lot lot lot of debugging with very little free time .....

In my design I have a 8k window in the 64kByte address space to map in the VGA memory or future memory expansions. That worked as expected when using 2kByte HT6116-70ns SRAM. But when I used IS61C5128 in the same environment - with 8 address bits set to 0 - something strange happened. Sometimes writes would modify 2 or more addresses with the same value. I think I finally figured out the reason for that - take a look at this capture from the logic analyzer.
logic_Analyzer-why sometimes several addresses get changed - 01-a.jpg
logic_Analyzer-why sometimes several addresses get changed - 02a.jpg
The addresses change before CE and RW lines go high. I guess the fast RAM just has enough margin to write additional cells before CE/RW go high.
I have an idea how to solve that - put in a buffer on the address lines (2 74xx574 chips) instead of the 245 I need anyway and trigger them on the rising clock pulse.
Any better ideas?
No simulation survives contact with reality!
User avatar
Drass
Posts: 428
Joined: 18 Oct 2015
Location: Toronto, ON

Re: RFC - please dissect my design on a 6502 + VGA

Post by Drass »

Try qualifying R/W with PHI2 to derive a /WE signal for RAM, like this:
88FF8AD8-FB2E-40C3-9E26-CE95FB7E6145.jpeg
Other signals going to RAM usually trail the fall of PHI2 by some margin and will therefore hold steady while /WE is low. That should prevent other addresses from being modified by the write.
C74-6502 Website: https://c74project.com
User avatar
GARTHWILSON
Forum Moderator
Posts: 8774
Joined: 30 Aug 2002
Location: Southern California
Contact:

Re: RFC - please dissect my design on a 6502 + VGA

Post by GARTHWILSON »

Drass posted while I was searching for any way you might have to keep RAM from being written to when phase 2 is low. I did not find any. From the address-decoding page of the 6502 primer, about 70% of the way down the page: "You must have a way to make sure RAM cannot be written when Φ2 is low! Looking at the 6502's timing diagrams in the data sheet, you will see that the address lines are not guaranteed to be valid and stable before the R/W goes low; so it is possible to write to unintended addresses."
http://WilsonMinesCo.com/ lots of 6502 resources
The "second front page" is http://wilsonminesco.com/links.html .
What's an additional VIA among friends, anyhow?
ThePhysicist
Posts: 60
Joined: 17 Jun 2020

Re: RFC - please dissect my design on a 6502 + VGA

Post by ThePhysicist »

so that was a long break, but when COVID hits your son's daycare suddenly all free time evaporates. At least no one in my family got sick :)

Last report was on write problems to the DIMM. I could solve that issue by converting to CPU R/W line into a 20ns pulse, so that writes happen only during a short period of the complete 6502 write cycle. That solved all issues, and I could program the memory to generate all SYNC signals correctly. Unfortunately .... when I hooked up to the monitor it would not synchronize. The reason was simple. The monitor did not recognize the 640x400 resolution I had programmed, but tried instead to go to 720x400.

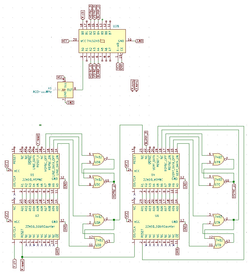
At that point my plan to be able to switch between various resolutions vaporized. Looks like modern LCD monitors are not truly multisync, but have a number of fixed frequencies programmed in. I have to stick to standard VGA, and with that in mind using a programmable memory did not make sense anymore. So I decided to do SYNC generation with 2 more GALs and 2 74LS00:
New VSYNC generation.jpg
The code for HSYNC GAL:

Code: Select all

Name     hsync_v05;
PartNo   00 ;
Date     1/7/2021 ;
Revision 01 ;
Designer Engineer ;
Company  private ;
Assembly None ;
Location  ;
Device   g22v10 ;

Pin   1 = clk; /* Clock input */
Pin   2 = A0;
Pin   3 = A1;
Pin   4 = A2;
Pin   5 = A3;
Pin   6 = A4;
Pin   7 = A5;
Pin   8 = A6;
Pin   9 = A7;
Pin  10 = A8;
Pin  11 = A9;


/** Outputs ***********************************************************/
PIN  19  = COUNT_Y;
PIN  20  = LINE_DATA;
PIN  21  = !HSYNC;
PIN  14  = LINE_DATA_ON;
PIN  15  = LINE_DATA_OFF;
PIN  16  = HSYNC_ON;
PIN  17  = HSYNC_OFF;

/*
000		0000000000
.....
256		0100000000	
...
512		1000000000	!A9 #
512		1000000001	A9 & !A8 &!A7
...
639		1001111111	----
640		1010000000	no signal
....
655		1010001111	-----
....				L1:	  A9 & !A8 & A7  & !A6 &  A4 
....                      	L2:	# A9 & !A8 & A7  &  A6 & !A5 &  A4
...                        	L3:	# A9 & !A8 & A7  &  A6 &       !A4
... 				L4:	# A9 & !A8 & A7  &  A5 &       !A4
656		101 001 0000	L1
		    010		L4
		    011		L1
		    100		L3
		    101		L2
751		101 110 1111	L3 -----
752		101 111 0000	no signal
...
800		1100100000
*/

HSYNC =  A9 & !A8 & A7  & !A6 &        A4 
	# A9 & !A8 & A7  &  A6 & !A5 &  A4
	# A9 & !A8 & A7  &  A6 &       !A4
	# A9 & !A8 & A7  &  A5 &       !A4 ;

LINE_DATA = !A9 
		#A9 & !A8 & !A7 ;

LINE_DATA_ON  = !A9 & !A8 & !A7 & !A6 & !A5 & !A4 & !A3 & !A2 & !A1 & !A0
		# A9 & A8 & A5;
LINE_DATA_OFF =  A9 & !A8 &  A7 & !A6 & !A5 & !A4 & !A3 & !A2 & !A1 & !A0;
HSYNC_ON      =  A9 & !A8 &  A7 & !A6 & !A5 &  A4 & !A3 & !A2 & !A1 & !A0;
HSYNC_OFF     =  A9 & !A8 &  A7 &  A6 &  A5 &  A4 & !A3 & !A2 & !A1 & !A0;

COUNT_Y = A9 & A8 & A5;
The code for VSYNC GAL

Code: Select all

Name     vsync_v06;
PartNo   00 ;
Date     1/7/2021 ;
Revision 01 ;
Designer Engineer ;
Company  private ;
Assembly None ;
Location  ;
Device   g22v10 ;

Pin   1 = clk; /* Clock input */
Pin   2 = A0;
Pin   3 = A1;
Pin   4 = A2;
Pin   5 = A3;
Pin   6 = A4;
Pin   7 = A5;
Pin   8 = A6;
Pin   9 = A7;
Pin  10 = A8;
Pin  11 = A9;
Pin  18 = VERT_DATA_IN;
Pin  23 = LINE_DATA_IN;



/** Outputs ***********************************************************/
PIN  19  = RESET_Y         	;
PIN  20  = VERT_DATA       	;
PIN  21  = !VSYNC          	;
PIN  14  = VERT_DATA_ON	;
PIN  15  = VERT_DATA_OFF	;
PIN  16  = VSYNC_ON		;
PIN  17  = VSYNC_OFF		;
Pin  22  = BLANK		;
/*
0	0000000000	
.....
255	0011111111	
256	0100000000	
257	0100000001	
.....
478	0111011110	
479	011 101 1111	xxx 
         !A8 
  # !A9 & A8 & !A7 
  # !A9 & A8 &  A7 & !A6
  # !A9 & A8 & A7  & A6  & !A5

480	011 110 0000	
481	0111100001	
482	0111100010	
483	0111100011	
484	0111100100	
485	0111100101	
486	0111100110	
487	0111100111	
488	0111101000	
489	0111101001	xxxx
490	011 110 1010	
    !A9 & A8 & A7 & A6 & A5 & !A4 & A3 & !A2 & A1 & !A0
  # !A9 & A8 & A7 & A6 & A5 & !A4 & A3 & !A2 & A1 &  A0;


491	011 110 1011	xxxx
492	011 110 1100	
.....
523	1000001011	
524	1000001100	xxxx
525	1000001101	
*/

VERT_DATA = !A9 & !A8 
        # !A9 & A8 & !A7 
        # !A9 & A8 &  A7 & !A6
        # !A9 & A8 & A7  & A6  & !A5;

VSYNC = !A9 & A8 & A7 & A6 & A5 & !A4 & A3 & !A2 & A1 & !A0
      # !A9 & A8 & A7 & A6 & A5 & !A4 & A3 & !A2 & A1 &  A0;

RESET_Y = A9 & A3 & A2 & A1;

VERT_DATA_ON   = !A9 & !A8 & !A7 & !A6 & !A5 & !A4 & !A3 & !A2 & !A1 & !A0;
VERT_DATA_OFF  = !A9 &  A8 &  A7 &  A6 &  A5 & !A4 & !A3 & !A2 & !A1 & !A0;
VSYNC_ON       = !A9 &  A8 &  A7 &  A6 &  A5 & !A4 &  A3 & !A2 &  A1 & !A0;
VSYNC_OFF      = !A9 &  A8 &  A7 &  A6 &  A5 & !A4 &  A3 &  A2 & !A1 & !A0;

BLANK = VERT_DATA_IN & LINE_DATA_IN;
Originally I tried to implement the logic as state machine. Although it worked well in simulation, in real life I could not get it to work, so I settled for this simpler approach which worked pretty well. One more issue bugged me - I saw two horizontal areas on the screen that were considerably darker slowly moving up or down (depending on exact timing used). I tried for almost 2 weeks to figure out why the picture was not stable.

Until I realized that the behavior was very much akin to an acoustic beat https://en.wikipedia.org/wiki/Beat_(acoustics) between the nearly 60Hz picture frequency and 60Hz power. Replacing the power supply with a battery and the error was gone
IMG_0942.jpg
No simulation survives contact with reality!
User avatar
BigEd
Posts: 11464
Joined: 11 Dec 2008
Location: England
Contact:

Re: RFC - please dissect my design on a 6502 + VGA

Post by BigEd »

Nice result! It's a good point that the many many LCDs out there have different degrees of flexibility and tolerance. At least you found a way to drive what you have. If at some point you can try with various monitors you might find you need to make some tweaks.

I think the later VGA devices have an I2C facility so the video system can read off what the VGA device is capable of. That's a job for a program, of course, but the hardware would need to be able to do I2C reads. I think bit-banging can do that. But this is probably well out of scope!
User avatar
Dr Jefyll
Posts: 3526
Joined: 11 Dec 2009
Location: Ontario, Canada
Contact:

Re: RFC - please dissect my design on a 6502 + VGA

Post by Dr Jefyll »

ThePhysicist wrote:
so that was a long break, but when COVID hits your son's daycare suddenly all free time evaporates. At least no one in my family got sick :)
Glad to hear it!
Quote:
At that point my plan to be able to switch between various resolutions vaporized. Looks like modern LCD monitors are not truly multisync, but have a number of fixed frequencies programmed in. I have to stick to standard VGA, and with that in mind using a programmable memory did not make sense anymore. So I decided to do SYNC generation with 2 more GALs and 2 74LS00:
You and other forumites may find it interesting to study this proposed circuit, which requires fewer chips and no programmable logic (only EEPROM's). :)
Quote:
Replacing the power supply with a battery and the error was gone
Congratulations on identifying the problem! And you'll be glad to know there are other solutions besides batteries. Probably your symptom results from a ground loop which can be resolved my reconfiguring the connections between the project, the power supply and the monitor. Have you shared any photos of the project (in another thread, perhaps)?

-- Jeff
In 1988 my 65C02 got six new registers and 44 new full-speed instructions!
https://laughtonelectronics.com/Arcana/ ... mmary.html
ThePhysicist
Posts: 60
Joined: 17 Jun 2020

Re: RFC - please dissect my design on a 6502 + VGA

Post by ThePhysicist »

Quote:
Quote:
Replacing the power supply with a battery and the error was gone
Congratulations on identifying the problem! And you'll be glad to know there are other solutions besides batteries. Probably your symptom results from a ground loop which can be resolved my reconfiguring the connections between the project, the power supply and the monitor. Have you shared any photos of the project (in another thread, perhaps)?
If I use a different power supply the problem also disappears. Unfortunately the other power supply is too weak for operation of the whole circuit so the result was dimm and full of instabilities. That's why I tested with strong batteries. My guess - either I will need to put in some large capacitors or use a different power supply.
No simulation survives contact with reality!
ThePhysicist
Posts: 60
Joined: 17 Jun 2020

Re: RFC - please dissect my design on a 6502 + VGA

Post by ThePhysicist »

Dr Jefyll wrote:
You and other forumites may find it interesting to study this proposed circuit, which requires fewer chips and no programmable logic (only EEPROM's). :)
nice circuit, thanks
No simulation survives contact with reality!
ThePhysicist
Posts: 60
Joined: 17 Jun 2020

Re: RFC - please dissect my design on a 6502 + VGA

Post by ThePhysicist »

BigEd wrote:
Nice result! It's a good point that the many many LCDs out there have different degrees of flexibility and tolerance. At least you found a way to drive what you have. If at some point you can try with various monitors you might find you need to make some tweaks.

I think the later VGA devices have an I2C facility so the video system can read off what the VGA device is capable of. That's a job for a program, of course, but the hardware would need to be able to do I2C reads. I think bit-banging can do that. But this is probably well out of scope!
Good point, but you are right. I2C is really out of scope for the moment!
No simulation survives contact with reality!
User avatar
Dr Jefyll
Posts: 3526
Joined: 11 Dec 2009
Location: Ontario, Canada
Contact:

Re: RFC - please dissect my design on a 6502 + VGA

Post by Dr Jefyll »

ThePhysicist wrote:
If I use a different power supply the problem also disappears.
By any chance does this different power supply have an AC line cord that's only 2-prong? Whereas the supply that shows interference on screen has 3-prong? If so, the interference may result from a ground loop (assuming the monitor also uses 3-prong).

Otherwise I'd scope the supply's DC output to see if any ripple is present. This interference problem can be solved. Batteries are not the only solution!
In 1988 my 65C02 got six new registers and 44 new full-speed instructions!
https://laughtonelectronics.com/Arcana/ ... mmary.html
ThePhysicist
Posts: 60
Joined: 17 Jun 2020

Re: RFC - please dissect my design on a 6502 + VGA

Post by ThePhysicist »

both power supplies are 2 pronged and connecting from the same strip. Using an Oszi is on the todo list - as well as trying some big capacitors. You are absolutely right - batteries are not the solution. That was only a quick way to see if the power supply was the problem :)
No simulation survives contact with reality!
ThePhysicist
Posts: 60
Joined: 17 Jun 2020

Re: RFC - please dissect my design on a 6502 + VGA

Post by ThePhysicist »

Oszi shows some strange dips of about 0.5V on all signals in line with the image. Putting 470uF capacitors on all small breadboards improved situation, but problem is still noticeable.

After a few changes to the firmware I could generate images out of the Video Ram.
IMG_1028.jpg
Here is the schematic
video_card_schematic_v03.pdf
(488.76 KiB) Downloaded 58 times
unfortunately I had to realize that though this works, the solution will not evolve into my final idea. So I riped out all the parts from the breadboards and started from scratch, drawing from the lessons learned so far :)
No simulation survives contact with reality!
ThePhysicist
Posts: 60
Joined: 17 Jun 2020

Re: RFC - please dissect my design on a 6502 + VGA

Post by ThePhysicist »

Here is a first pass of the new setup:
vga_05_explanation.jpg
The XY counter generates all the time necessary VGA sync signals. It can also serve as 19bit address counter to either Video Ram. In that case the data from that Video Ram is switched via "Data In" chips onto the 12 bit buffers and send out to the VGA connector.
Alternatively the CPU can get access to either Video Ram. I use a 4kByte window (6 bit x by 6 bit y), augmented by 7 bit of a additional address register to map all 512kbyte into the 6502 address space.

too late today, schematic next time :)
No simulation survives contact with reality!
ThePhysicist
Posts: 60
Joined: 17 Jun 2020

Re: RFC - please dissect my design on a 6502 + VGA

Post by ThePhysicist »

vga_05.pdf
(568.35 KiB) Downloaded 54 times
The schematic as promised
No simulation survives contact with reality!
ThePhysicist
Posts: 60
Joined: 17 Jun 2020

Re: RFC - please dissect my design on a 6502 + VGA

Post by ThePhysicist »

Quick update
IMG_1180.jpg
it liiiiiiiives ......

The board is a little bit messy though .....
IMG_1182.jpg
And here is the schematics:
vga_v06.pdf
(697.1 KiB) Downloaded 59 times
so next step - I want to add one more feature. A direct connection between both video rams to allow a direct copy of the data in a single frame. If that works out, I'll call it "rev 1 done" and will produce a PCB for it.
No simulation survives contact with reality!
Post Reply