Was a challenge to find the 330MHz videoDAC part.
1080p PVB Custom Build #2: PVBV2
-
ElEctric_EyE
- Posts: 3260
- Joined: 02 Mar 2009
- Location: OH, USA
Re: 1080p PVB Custom Build #2: PVBV2
Parts list started. Discrete components have yet to be added!
Was a challenge to find the 330MHz videoDAC part.
Was a challenge to find the 330MHz videoDAC part.
- GARTHWILSON
- Forum Moderator
- Posts: 8773
- Joined: 30 Aug 2002
- Location: Southern California
- Contact:
Re: 1080p PVB Custom Build #2: PVBV2
ElEctric_EyE wrote:
Garth, I interpreted your 'jagged' comment to mean diagonal so I tried to come up with a better layout:
http://WilsonMinesCo.com/ lots of 6502 resources
The "second front page" is http://wilsonminesco.com/links.html .
What's an additional VIA among friends, anyhow?
The "second front page" is http://wilsonminesco.com/links.html .
What's an additional VIA among friends, anyhow?
-
ElEctric_EyE
- Posts: 3260
- Joined: 02 Mar 2009
- Location: OH, USA
Re: 1080p PVB Custom Build #2: PVBV2
I've finished the .ucf constraints file which assigns each pin on the FPGA a particular function for ISE to program the FPGA. This bit of work is abit mundane but it forces me to re-check pad-trace-pad IC interconnects. And I found a major problem that existed from early! Read on...
Code: Select all
# Spartan 6 XC6SLX25 Pin assignments on PVBV2a # 1.2.2015
# Synchronous Ram #1 Signals #
NET "SRAddr[0]" LOC = PA4 |IOSTANDARD = LVCMOS33 |SLEW = SLOW |DRIVE = 12; //VREF
NET "SRAddr[1]" LOC = PA3 |IOSTANDARD = LVCMOS33 |SLEW = SLOW |DRIVE = 12; //VREF
NET "SRAddr[2]" LOC = PB3 |IOSTANDARD = LVCMOS33 |SLEW = SLOW |DRIVE = 12; //USER I/O
NET "SRAddr[3]" LOC = PA2 |IOSTANDARD = LVCMOS33 |SLEW = SLOW |DRIVE = 12; //USER I/O
NET "SRAddr[4]" LOC = PB2 |IOSTANDARD = LVCMOS33 |SLEW = SLOW |DRIVE = 12; //USER I/O
NET "SRAddr[5]" LOC = PB1 |IOSTANDARD = LVCMOS33 |SLEW = SLOW |DRIVE = 12; //USER I/O
NET "SRAddr[6]" LOC = PC6 |IOSTANDARD = LVCMOS33 |SLEW = SLOW |DRIVE = 12; //USER I/O
NET "SRAddr[7]" LOC = PD6 |IOSTANDARD = LVCMOS33 |SLEW = SLOW |DRIVE = 12; //USER I/O
NET "SRAddr[8]" LOC = PE7 |IOSTANDARD = LVCMOS33 |SLEW = SLOW |DRIVE = 12; //P_GCLK
NET "SRAddr[9]" LOC = PD8 |IOSTANDARD = LVCMOS33 |SLEW = SLOW |DRIVE = 12; //USER I/O
NET "SRAddr[10]" LOC = PC8 |IOSTANDARD = LVCMOS33 |SLEW = SLOW |DRIVE = 12; //VREF
NET "SRAddr[11]" LOC = PE8 |IOSTANDARD = LVCMOS33 |SLEW = SLOW |DRIVE = 12; //N_GCLK
NET "SRAddr[12]" LOC = PE10 |IOSTANDARD = LVCMOS33 |SLEW = SLOW |DRIVE = 12; //P_GCLK
NET "SRAddr[13]" LOC = PA8 |IOSTANDARD = LVCMOS33 |SLEW = SLOW |DRIVE = 12; //USER I/O
NET "SRAddr[14]" LOC = PB8 |IOSTANDARD = LVCMOS33 |SLEW = SLOW |DRIVE = 12; //USER I/O
NET "SRAddr[15]" LOC = PA7 |IOSTANDARD = LVCMOS33 |SLEW = SLOW |DRIVE = 12; //USER I/O
NET "SRAddr[16]" LOC = PC7 |IOSTANDARD = LVCMOS33 |SLEW = SLOW |DRIVE = 12; //USER I/O
NET "SRAddr[17]" LOC = PA6 |IOSTANDARD = LVCMOS33 |SLEW = SLOW |DRIVE = 12; //USER I/O
NET "SRAddr[18]" LOC = PB6 |IOSTANDARD = LVCMOS33 |SLEW = SLOW |DRIVE = 12; //USER I/O
NET "SRAddr[19]" LOC = PA5 |IOSTANDARD = LVCMOS33 |SLEW = SLOW |DRIVE = 12; //USER I/O
NET "SRAddr[20]" LOC = PB5 |IOSTANDARD = LVCMOS33 |SLEW = SLOW |DRIVE = 12; //USER I/O
NET "SRD[0]" LOC = PC1 |IOSTANDARD = LVCMOS33 |SLEW = SLOW |DRIVE = 12; //USER I/O
NET "SRD[1]" LOC = PC2 |IOSTANDARD = LVCMOS33 |SLEW = SLOW |DRIVE = 12; //USER I/O
NET "SRD[2]" LOC = PD1 |IOSTANDARD = LVCMOS33 |SLEW = SLOW |DRIVE = 12; //USER I/O
NET "SRD[3]" LOC = PD3 |IOSTANDARD = LVCMOS33 |SLEW = SLOW |DRIVE = 12; //USER I/O
NET "SRD[4]" LOC = PE1 |IOSTANDARD = LVCMOS33 |SLEW = SLOW |DRIVE = 12; //USER I/O
NET "SRD[5]" LOC = PE2 |IOSTANDARD = LVCMOS33 |SLEW = SLOW |DRIVE = 12; //USER I/O
NET "SRD[6]" LOC = PC5 |IOSTANDARD = LVCMOS33 |SLEW = SLOW |DRIVE = 12; //USER I/O
NET "SRD[7]" LOC = PE6 |IOSTANDARD = LVCMOS33 |SLEW = SLOW |DRIVE = 12; //USER I/O
NET "SRD[8]" LOC = PD12 |IOSTANDARD = LVCMOS33 |SLEW = SLOW |DRIVE = 12; //USER I/O
NET "SRD[9]" LOC = PC9 |IOSTANDARD = LVCMOS33 |SLEW = SLOW |DRIVE = 12; //P_GCLK
NET "SRD[10]" LOC = PA9 |IOSTANDARD = LVCMOS33 |SLEW = SLOW |DRIVE = 12; //N_GCLK
NET "SRD[11]" LOC = PB10 |IOSTANDARD = LVCMOS33 |SLEW = SLOW |DRIVE = 12; //P_GCLK
NET "SRD[12]" LOC = PA10 |IOSTANDARD = LVCMOS33 |SLEW = SLOW |DRIVE = 12; //N_GCLK
NET "SRD[13]" LOC = PB12 |IOSTANDARD = LVCMOS33 |SLEW = SLOW |DRIVE = 12; //USER I/O
NET "SRD[14]" LOC = PA11 |IOSTANDARD = LVCMOS33 |SLEW = SLOW |DRIVE = 12; //USER I/O
NET "SRD[15]" LOC = PC11 |IOSTANDARD = LVCMOS33 |SLEW = SLOW |DRIVE = 12; //P_GCLK
NET "SRD[16]" LOC = PC3 |IOSTANDARD = LVCMOS33 |SLEW = SLOW |DRIVE = 12; //USER I/O
NET "SRD[17]" LOC = PE11 |IOSTANDARD = LVCMOS33 |SLEW = SLOW |DRIVE = 12; //USER I/O
NET "SRWEn" LOC = PE7 |IOSTANDARD = LVCMOS33 |SLEW = SLOW |DRIVE = 12; //P_GCLK
NET "SRCLK" LOC = PF1 |IOSTANDARD = LVCMOS33 |SLEW = SLOW |DRIVE = 12; //N_GCLK
# Synchronous Ram #2 Signals #
NET "SRAddr[0]" LOC = PP4 |IOSTANDARD = LVCMOS33 |SLEW = SLOW |DRIVE = 12; //USER I/O
NET "SRAddr[1]" LOC = PT4 |IOSTANDARD = LVCMOS33 |SLEW = SLOW |DRIVE = 12; //USER I/O
NET "SRAddr[2]" LOC = PR5 |IOSTANDARD = LVCMOS33 |SLEW = SLOW |DRIVE = 12; //D0-D15
NET "SRAddr[3]" LOC = PT5 |IOSTANDARD = LVCMOS33 |SLEW = SLOW |DRIVE = 12; //RDWR_B_VREF
NET "SRAddr[4]" LOC = PN4 |IOSTANDARD = LVCMOS33 |SLEW = SLOW |DRIVE = 12; //USER I/O
NET "SRAddr[5]" LOC = PP5 |IOSTANDARD = LVCMOS33 |SLEW = SLOW |DRIVE = 12; //D0-D15
NET "SRAddr[6]" LOC = PF3 |IOSTANDARD = LVCMOS33 |SLEW = SLOW |DRIVE = 12; //USER I/O
NET "SRAddr[7]" LOC = PE3 |IOSTANDARD = LVCMOS33 |SLEW = SLOW |DRIVE = 12; //USER I/O
NET "SRAddr[8]" LOC = PE4 |IOSTANDARD = LVCMOS33 |SLEW = SLOW |DRIVE = 12; //USER I/O
NET "SRAddr[9]" LOC = PH1 |IOSTANDARD = LVCMOS33 |SLEW = SLOW |DRIVE = 12; //USER I/O
NET "SRAddr[10]" LOC = PG3 |IOSTANDARD = LVCMOS33 |SLEW = SLOW |DRIVE = 12; //USER I/O
NET "SRAddr[11]" LOC = PG1 |IOSTANDARD = LVCMOS33 |SLEW = SLOW |DRIVE = 12; //USER I/O
NET "SRAddr[12]" LOC = PD5 |IOSTANDARD = LVCMOS33 |SLEW = SLOW |DRIVE = 12; //USER I/O
NET "SRAddr[13]" LOC = PN1 |IOSTANDARD = LVCMOS33 |SLEW = SLOW |DRIVE = 12; //USER I/O
NET "SRAddr[14]" LOC = PN3 |IOSTANDARD = LVCMOS33 |SLEW = SLOW |DRIVE = 12; //USER I/O
NET "SRAddr[15]" LOC = PP1 |IOSTANDARD = LVCMOS33 |SLEW = SLOW |DRIVE = 12; //USER I/O
NET "SRAddr[16]" LOC = PP2 |IOSTANDARD = LVCMOS33 |SLEW = SLOW |DRIVE = 12; //USER I/O
NET "SRAddr[17]" LOC = PR1 |IOSTANDARD = LVCMOS33 |SLEW = SLOW |DRIVE = 12; //USER I/O
NET "SRAddr[18]" LOC = PR2 |IOSTANDARD = LVCMOS33 |SLEW = SLOW |DRIVE = 12; //USER I/O
NET "SRAddr[19]" LOC = PM3 |IOSTANDARD = LVCMOS33 |SLEW = SLOW |DRIVE = 12; //VREF
NET "SRAddr[20]" LOC = PM5 |IOSTANDARD = LVCMOS33 |SLEW = SLOW |DRIVE = 12; //USER I/O
NET "SRD[0]" LOC = PM4 |IOSTANDARD = LVCMOS33 |SLEW = SLOW |DRIVE = 12; //USER I/O
NET "SRD[1]" LOC = PK6 |IOSTANDARD = LVCMOS33 |SLEW = SLOW |DRIVE = 12; //USER I/O
NET "SRD[2]" LOC = PL5 |IOSTANDARD = LVCMOS33 |SLEW = SLOW |DRIVE = 12; //USER I/O
NET "SRD[3]" LOC = PK3 |IOSTANDARD = LVCMOS33 |SLEW = SLOW |DRIVE = 12; //P_GCLK
NET "SRD[4]" LOC = PK5 |IOSTANDARD = LVCMOS33 |SLEW = SLOW |DRIVE = 12; //USER I/O
NET "SRD[5]" LOC = PJ4 |IOSTANDARD = LVCMOS33 |SLEW = SLOW |DRIVE = 12; //N_GCLK
NET "SRD[6]" LOC = PH4 |IOSTANDARD = LVCMOS33 |SLEW = SLOW |DRIVE = 12; //P_GCLK
NET "SRD[7]" LOC = PF4 |IOSTANDARD = LVCMOS33 |SLEW = SLOW |DRIVE = 12; //USER I/O
NET "SRD[8]" LOC = PJ1 |IOSTANDARD = LVCMOS33 |SLEW = SLOW |DRIVE = 12; //USER I/O
NET "SRD[9]" LOC = PJ3 |IOSTANDARD = LVCMOS33 |SLEW = SLOW |DRIVE = 12; //USER I/O
NET "SRD[10]" LOC = PK1 |IOSTANDARD = LVCMOS33 |SLEW = SLOW |DRIVE = 12; //USER I/O
NET "SRD[11]" LOC = PK2 |IOSTANDARD = LVCMOS33 |SLEW = SLOW |DRIVE = 12; //USER I/O
NET "SRD[12]" LOC = PL1 |IOSTANDARD = LVCMOS33 |SLEW = SLOW |DRIVE = 12; //USER I/O
NET "SRD[13]" LOC = PL3 |IOSTANDARD = LVCMOS33 |SLEW = SLOW |DRIVE = 12; //USER I/O
NET "SRD[14]" LOC = PM1 |IOSTANDARD = LVCMOS33 |SLEW = SLOW |DRIVE = 12; //USER I/O
NET "SRD[15]" LOC = PM2 |IOSTANDARD = LVCMOS33 |SLEW = SLOW |DRIVE = 12; //USER I/O
NET "SRD[16]" LOC = PL4 |IOSTANDARD = LVCMOS33 |SLEW = SLOW |DRIVE = 12; //USER I/O
NET "SRD[17]" LOC = PH2 |IOSTANDARD = LVCMOS33 |SLEW = SLOW |DRIVE = 12; //USER I/O
NET "SRWEn" LOC = PF5 |IOSTANDARD = LVCMOS33 |SLEW = SLOW |DRIVE = 12; //USER I/O
NET "SRCLK" LOC = PF2 |IOSTANDARD = LVCMOS33 |SLEW = SLOW |DRIVE = 12; //P_GCLK
# I2C Signals #
NET "SCL" LOC = PT9 |IOSTANDARD = LVCMOS33 |SLEW = SLOW |DRIVE = 12; //USER I/O
NET "SDA" LOC = PR9 |IOSTANDARD = LVCMOS33 |SLEW = SLOW |DRIVE = 12; //USER I/O
# RGBin Signals #
NET "Rin[0]" LOC = PK16 | IOSTANDARD = LVCMOS33; //A0-A25
NET "Rin[1]" LOC = PK14 | IOSTANDARD = LVCMOS33; //N_GCLK
NET "Rin[2]" LOC = PL16 | IOSTANDARD = LVCMOS33; //FCS...LDC
NET "Rin[3]" LOC = PM15 | IOSTANDARD = LVCMOS33; //FCS...LDC
NET "Rin[4]" LOC = PN16 | IOSTANDARD = LVCMOS33; //A0-A25
NET "Gin[0]" LOC = PP16 | IOSTANDARD = LVCMOS33; //USER I/O
NET "Gin[1]" LOC = PP15 | IOSTANDARD = LVCMOS33; //FCS..LDC
NET "Gin[2]" LOC = PR16 | IOSTANDARD = LVCMOS33; //USER I/O
NET "Gin[3]" LOC = PL13 | IOSTANDARD = LVCMOS33; //VREF
NET "Gin[4]" LOC = PN14 | IOSTANDARD = LVCMOS33; //A0-A25
NET "Gin[5]" LOC = PT15 | IOSTANDARD = LVCMOS33; //USER I/O
NET "Bin[0]" LOC = PR14 | IOSTANDARD = LVCMOS33; //USER I/O
NET "Bin[1]" LOC = PT13 | IOSTANDARD = LVCMOS33; //USER I/O
NET "Bin[2]" LOC = PT12 | IOSTANDARD = LVCMOS33; //USER I/O
NET "Bin[3]" LOC = PP12 | IOSTANDARD = LVCMOS33; //A0-A25
NET "Bin[4]" LOC = PN9 | IOSTANDARD = LVCMOS33; //A0-A25
NET "HSYNCin" LOC = PT8 | IOSTANDARD = LVCMOS33 | SLEW = SLOW |DRIVE = 12; //N_GCLK
NET "VSYNCin" LOC = PR12 | IOSTANDARD = LVCMOS33 | SLEW = SLOW |DRIVE = 12; //USER I/O
NET "PCLKin" LOC = PH5 | IOSTANDARD = LVCMOS33; //N_GCLK
# RGBout Signals #
NET "Rout[0]" LOC = PA12 |IOSTANDARD = LVCMOS33 |SLEW = SLOW |DRIVE = 12; //VREF
NET "Rout[1]" LOC = PA13 |IOSTANDARD = LVCMOS33 |SLEW = SLOW |DRIVE = 12; //USER I/O
NET "Rout[2]" LOC = PC13 |IOSTANDARD = LVCMOS33 |SLEW = SLOW |DRIVE = 12; //USER I/O
NET "Rout[3]" LOC = PA14 |IOSTANDARD = LVCMOS33 |SLEW = SLOW |DRIVE = 12; //USER I/O
NET "Rout[4]" LOC = PB14 |IOSTANDARD = LVCMOS33 |SLEW = SLOW |DRIVE = 12; //USER I/O
NET "Gout[0]" LOC = PB16 |IOSTANDARD = LVCMOS33 |SLEW = SLOW |DRIVE = 12; //A0-A25
NET "Gout[1]" LOC = PC16 |IOSTANDARD = LVCMOS33 |SLEW = SLOW |DRIVE = 12; //A0-A25
NET "Gout[2]" LOC = PC15 |IOSTANDARD = LVCMOS33 |SLEW = SLOW |DRIVE = 12; //A0-A25
NET "Gout[3]" LOC = PD16 |IOSTANDARD = LVCMOS33 |SLEW = SLOW |DRIVE = 12; //A0-A25
NET "Gout[4]" LOC = PD14 |IOSTANDARD = LVCMOS33 |SLEW = SLOW |DRIVE = 12; //A0-A25
NET "Gout[5]" LOC = PE16 |IOSTANDARD = LVCMOS33 |SLEW = SLOW |DRIVE = 12; //A0-A25
NET "Bout[0]" LOC = PE15 |IOSTANDARD = LVCMOS33 |SLEW = SLOW |DRIVE = 12; //A0-A25
NET "Bout[1]" LOC = PF16 |IOSTANDARD = LVCMOS33 |SLEW = SLOW |DRIVE = 12; //A0-A25
NET "Bout[2]" LOC = PF15 |IOSTANDARD = LVCMOS33 |SLEW = SLOW |DRIVE = 12; //A0-A25
NET "Bout[3]" LOC = PG16 |IOSTANDARD = LVCMOS33 |SLEW = SLOW |DRIVE = 12; //A0-A25
NET "Bout[4]" LOC = PH14 |IOSTANDARD = LVCMOS33 |SLEW = SLOW |DRIVE = 12; //USER I/O
NET "HSYNCout" LOC = PM6 |IOSTANDARD = LVCMOS33 |SLEW = SLOW |DRIVE = 12; //USER I/O
NET "VSYNCout" LOC = PR15 |IOSTANDARD = LVCMOS33 |SLEW = SLOW |DRIVE = 12; //USER I/O
NET "PCLKout" LOC = PJ16 |IOSTANDARD = LVCMOS33 |SLEW = SLOW |DRIVE = 12; //N_GCLK
# Bi-Directional Communication Interface #
NET "D0" LOC = PL16 |IOSTANDARD = LVCMOS33 |SLEW = SLOW |DRIVE = 12; //FCS..LDC
NET "D1" LOC = PM16 |IOSTANDARD = LVCMOS33 |SLEW = SLOW |DRIVE = 12; //FCS..LDC
NET "D2" LOC = PN5 |IOSTANDARD = LVCMOS33 |SLEW = SLOW |DRIVE = 12; //USER I/O
NET "D3" LOC = PT6 |IOSTANDARD = LVCMOS33 |SLEW = SLOW |DRIVE = 12; //USER I/O
NET "D4" LOC = PN6 |IOSTANDARD = LVCMOS33 |SLEW = SLOW |DRIVE = 12; //D0-D15
NET "D5" LOC = PP7 |IOSTANDARD = LVCMOS33 |SLEW = SLOW |DRIVE = 12; //P_GCLK
NET "D6" LOC = PT7 |IOSTANDARD = LVCMOS33 |SLEW = SLOW |DRIVE = 12; //N_GCLK
NET "D7" LOC = PH16 |IOSTANDARD = LVCMOS33 |SLEW = SLOW |DRIVE = 12; //A0-A25
NET "CommCLK" LOC = PM7 |IOSTANDARD = LVCMOS33 //N_GCLK
NET "R_W" LOC = PR7 |IOSTANDARD = LVCMOS33 //P_GCLK
NET "PVB1RDY" LOC = PP6 |IOSTANDARD = LVCMOS33; //USER I/O
NET "PVB1BE" LOC = PP8 |IOSTANDARD = LVCMOS33 |SLEW = SLOW |DRIVE = 12; //P_GCLK
# Programmable Clock 1 Input from DS1085L (Main Osc out 1 hardwired to J12)#
NET "ProCLKin1" LOC = PJ12 |IOSTANDARD = LVCMOS33; //N_GCLK
# Programmable Clock 2 Input from DS1085L (Main Osc out 2 hardwired to J13)#
NET "ProCLKin2" LOC = PJ13 |IOSTANDARD = LVCMOS33; //N_GCLK
# Programmable Clock Output from K1 Controller Board #
NET "POSCin" LOC = PM9 |IOSTANDARD = LVCMOS33; //P_GCLK-
ElEctric_EyE
- Posts: 3260
- Joined: 02 Mar 2009
- Location: OH, USA
Re: 1080p PVB Custom Build #2: PVBV2
Back on Dec 13 when I posted a pic of the PCB layout, a data bus trace was left unconnected. That was the 2nd iteration of the design. I realized this error at the final 6th iteration! Quite a PITA after the board fills up and things get tight after 2 more weeks of development. Errors like this make it a real challenge to re-route so many pad-pad traces! But I did it with some sort of inner pleasure.
I've got my finger on the trigger now for EPCB production. 
-
ElEctric_EyE
- Posts: 3260
- Joined: 02 Mar 2009
- Location: OH, USA
Re: 1080p PVB Custom Build #2: PVBV2
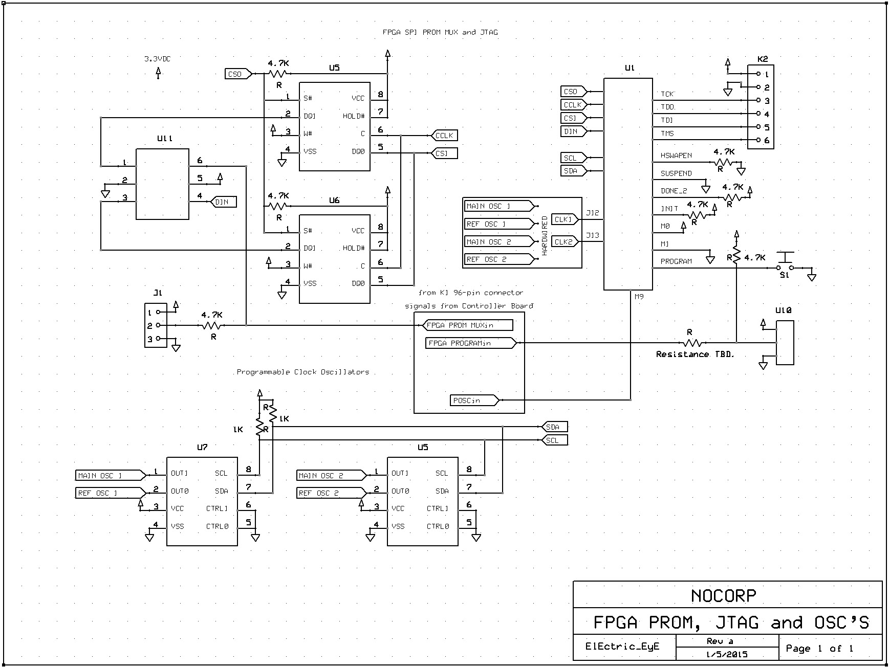
I decided to do a few schematics for a few sections of the board.
The Power Supply Section is documented, that pic is next. I'm currently working on the FPGA SPI PROMs next. Finally, the Programmable Oscillator Section. A Block diagram will finish off the visual description of this design.
Comments/critiques welcome as always! You all have been a great help spotting bungling errors.
BOM is complete:
The Power Supply Section is documented, that pic is next. I'm currently working on the FPGA SPI PROMs next. Finally, the Programmable Oscillator Section. A Block diagram will finish off the visual description of this design.
Comments/critiques welcome as always! You all have been a great help spotting bungling errors.
BOM is complete:
-
ElEctric_EyE
- Posts: 3260
- Joined: 02 Mar 2009
- Location: OH, USA
Re: 1080p PVB Custom Build #2: PVBV2
Power Supply Section:
-
ElEctric_EyE
- Posts: 3260
- Joined: 02 Mar 2009
- Location: OH, USA
Re: 1080p PVB Custom Build #2: PVBV2
FPGA SPI PROM MUX, JTAG and Programmable Oscillators. The DS1085L-5 programmable oscillators are programmed by an I2C bus, which (I almost forgot) uses external pull up resistors. The Spartan 6 user guide UG381, pg.35 spec's that lines with IOSTANDARD I2C are to be pulled to 3.3V through 1K resistors. I'll have to add these 2 resistors to the BOM and update the constraints file.
Also, there is a potential conflict if a user decides to push the Program at the same time an incoming FPGA Program signal is present from the Controller Board. A resistor is there with a TDB value to save an FPGA output pin from damage. Also, there is the fact that when U11 (DS1813) senses a low input (from either the switch or control signal), it holds the line low for 150ms.
Also, there is a potential conflict if a user decides to push the Program at the same time an incoming FPGA Program signal is present from the Controller Board. A resistor is there with a TDB value to save an FPGA output pin from damage. Also, there is the fact that when U11 (DS1813) senses a low input (from either the switch or control signal), it holds the line low for 150ms.
-
ElEctric_EyE
- Posts: 3260
- Joined: 02 Mar 2009
- Location: OH, USA
Re: 1080p PVB Custom Build #2: PVBV2
It's in their queue.
We'll see what kind of maker I am...
I'm breaking some PCB layout rules, which I've done before apparently successfully.
The last modification I went with was to use .5mm (.020") BGA pads instead of the recommended .4mm (.016") BGA pads.
My bypass caps are totally out of spec according to Xilinx UG393.
We shall see, *sigh*.
This is what happens in a design when there's a limited number of layers and board space!
We'll see what kind of maker I am...
I'm breaking some PCB layout rules, which I've done before apparently successfully.
The last modification I went with was to use .5mm (.020") BGA pads instead of the recommended .4mm (.016") BGA pads.
My bypass caps are totally out of spec according to Xilinx UG393.
We shall see, *sigh*.
This is what happens in a design when there's a limited number of layers and board space!
-
ElEctric_EyE
- Posts: 3260
- Joined: 02 Mar 2009
- Location: OH, USA
Re: 1080p PVB Custom Build #2: PVBV2
I already see I could have shortened the HSYNC & VSYNC traces from the VGA connector to the FPGA, sh*t!
Already working on version i, just a few changes. It shouldn't hamper operation. I'll wait for further issues to develop before ordering PVBV2i
Already working on version i, just a few changes. It shouldn't hamper operation. I'll wait for further issues to develop before ordering PVBV2i
-
ElEctric_EyE
- Posts: 3260
- Joined: 02 Mar 2009
- Location: OH, USA
Re: 1080p PVB Custom Build #2: PVBV2
The boards are due by next tuesday.
So to try to coordinate the boards & parts arriving at similar times, I ordered most parts from the BOM. Just about everything has been ordered except the 2 SyncRAMs ($131US), as I am going to harvest them from 2 of the original PVBs. $131US saved there from the BOM...
Also, 2nd most expensive are the FPGA's @ $50 each. I did have to purchase 2 of the leaded versions of the S6LX25 from Avnet, because I've read that they're easier to mount to the board.
I'm really looking forward to this new experience of SMT "reflow" using solder paste+flux and a hot plate for the parts on top of the board. For parts on the bottom I expect to use the solder paste+flux, and hot air from my reflow station. I had always hand soldered the 0603 parts and .5mm QFP parts by hand with ultra thin solder!
I also have this USB microscope to help me out visually after reflowing.
So to try to coordinate the boards & parts arriving at similar times, I ordered most parts from the BOM. Just about everything has been ordered except the 2 SyncRAMs ($131US), as I am going to harvest them from 2 of the original PVBs. $131US saved there from the BOM...
Also, 2nd most expensive are the FPGA's @ $50 each. I did have to purchase 2 of the leaded versions of the S6LX25 from Avnet, because I've read that they're easier to mount to the board.
I'm really looking forward to this new experience of SMT "reflow" using solder paste+flux and a hot plate for the parts on top of the board. For parts on the bottom I expect to use the solder paste+flux, and hot air from my reflow station. I had always hand soldered the 0603 parts and .5mm QFP parts by hand with ultra thin solder!
I also have this USB microscope to help me out visually after reflowing.
-
ElEctric_EyE
- Posts: 3260
- Joined: 02 Mar 2009
- Location: OH, USA
Re: 1080p PVB Custom Build #2: PVBV2
Just got my boards! 1 day early!
Spartan 6's XC6SLX25 wont arrive for 2 more days
Spartan 6's XC6SLX25 wont arrive for 2 more days
-
ElEctric_EyE
- Posts: 3260
- Joined: 02 Mar 2009
- Location: OH, USA
Re: 1080p PVB Custom Build #2: PVBV2
Focusing in on the 16x16 BGA pads...
Solder paste?! Are you Fin kidding me? Not meant for 1mm BGA pads with vias in the middle.
Solder paste?! Are you Fin kidding me? Not meant for 1mm BGA pads with vias in the middle.
- BitWise
- In Memoriam
- Posts: 996
- Joined: 02 Mar 2004
- Location: Berkshire, UK
- Contact:
Re: 1080p PVB Custom Build #2: PVBV2
Did you get a stencil with your boards? Some board shops provide them free if there are SMT pads on the board.
Andrew Jacobs
6502 & PIC Stuff - http://www.obelisk.me.uk/
Cross-Platform 6502/65C02/65816 Macro Assembler - http://www.obelisk.me.uk/dev65/
Open Source Projects - https://github.com/andrew-jacobs
6502 & PIC Stuff - http://www.obelisk.me.uk/
Cross-Platform 6502/65C02/65816 Macro Assembler - http://www.obelisk.me.uk/dev65/
Open Source Projects - https://github.com/andrew-jacobs
Re: 1080p PVB Custom Build #2: PVBV2
Oh dear - is it normal to cover the via ring with soldermask?
-
ElEctric_EyE
- Posts: 3260
- Joined: 02 Mar 2009
- Location: OH, USA
Re: 1080p PVB Custom Build #2: PVBV2
BigEd wrote:
Oh dear - is it normal to cover the via ring with soldermask?
This topic came up before too, but I don't think I had fully realized... I don't feel too well.
I emailed EPCB support to see if it is at all possible to choose soldermask over a via.