Text Video Display

Topics related to the SBC- series of printed circuit boards, designed by Daryl Rictor and popular with many 6502.org visitors.
sunsea78
Posts: 7
Joined: 10 Dec 2004
Contact:

THANK YOU..

Post by sunsea78 »

Dear....

Sorry for ditrubing you soo much. But in urgency, I am requesting a favor from you. As we dont know "asm" we can not correct the "hex". Could you correct and send it to us.

Or if this is not possible could you to gather the circuit and send it to us by DHL. I will be paying for the bill immediatly.

best regards,

Mehmet
User avatar
8BIT
Posts: 1787
Joined: 30 Aug 2002
Location: Sacramento, CA
Contact:

Post by 8BIT »

I'm sorry to see that you are having so much trouble. I have recompiled the code for you. It is now PAL only.

You can download it here:
http://users.softcom.net/darylr/download/vid-pal.zip

If this does not work, I can make arrangements to ship a completed board to you. Please contact me via email instead of using this forum.

My email address is:
65c02@softcom.net

Thanks!

Daryl
User avatar
8BIT
Posts: 1787
Joined: 30 Aug 2002
Location: Sacramento, CA
Contact:

Re: Text Video Display

Post by 8BIT »

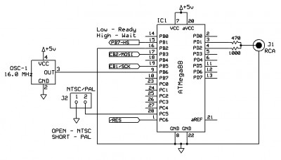
I have updated my Composite Text Video display to a newer AVR. The benefit is that it is fully functional using a single chip + oscillator.

It also uses an SPI input which can be driven directly from a 6522's Serial shift register (CB1 & CB2). A handshake line is connected to PB7. Maximum SCK speed is 4MHz. To support the 6522, I use SPI Mode 3 with MSB first.

NTSC and PAL are still supported as are several options for fonts - Old DOS, C-64, Pet, and Apple2 fonts are available.

Here's the schematic:
Schematic
Schematic
The 6502 display driver looks like this:

Code: Select all

;
; 6522 Definitions
;
Vportb    =  $0280		; VIA1 Port B
Vddrb     =  $0282		; VIA1 Port B DDR
Vsr       =  $028A		; VIA1 Shift Register
Vacr      =  $028B		; VIA1 ACR
Vifr      =  $028D		; Via1 IFR bit 1
Vier      =  $028E		; Via1 IER

;----------------------------------------------------------------------
; Output contents of A to the Video Display 
;  A is preserved, Flags are changed.
;----------------------------------------------------------------------
VOutput
                bit  vportb                   ;  read handshake byte (pb7)
                bmi  Voutput                  ;  if pb7=1, wait for AVR to be ready
                sta  vsr                      ; send to display via serial port
VOutput1
                bit  vportb                   ; read handshake byte
                bpl  Voutput1                 ; if pb7=0, wait for AVR to ack
                rts

;----------------------------------------------------------------------
; Call this once to initialize the interface
; it sets up Port B, pin 7 and CB1/CB2 for serial mode
; A is changed and Flags are changed.
;----------------------------------------------------------------------
VInitDisp                                              
                sei                           ; disable interrupts
                lda  Vddrb                    ; get ddr b
                and  #$7F                     ; force bit 7=0
                sta  vddrb                    ; set bit 7 to input
                lda  vacr                     ; get ACR contents
                and  #$E3                     ; mask bits 2,3,4
                ora  #$18                     ; set Shift out under control of PHI2 mode
                sta  vacr                     ; store to acr
                lda  #$04                     ; shift register flag in IER
                sta  vier                     ; disable shift register interrupts
                cli                           ; Enable Interrupts again
                rts                           ; done
I can provide pre-programmed AVR's to anyone interested in adding this to their projects.

Daryl
Please visit my website -> https://sbc.rictor.org/
User avatar
GARTHWILSON
Forum Moderator
Posts: 8773
Joined: 30 Aug 2002
Location: Southern California
Contact:

Re: Text Video Display

Post by GARTHWILSON »

That looks really good! I'm interested in getting it, although I am not ready for it yet at the moment. You haven't put the update (about using the VIA's SR) on your website yet, right? (unless I didn't look in the right place).
http://WilsonMinesCo.com/ lots of 6502 resources
The "second front page" is http://wilsonminesco.com/links.html .
What's an additional VIA among friends, anyhow?
User avatar
8BIT
Posts: 1787
Joined: 30 Aug 2002
Location: Sacramento, CA
Contact:

Re: Text Video Display

Post by 8BIT »

Thanks Garth! No, not yet. I will add it there soon.

Daryl
Please visit my website -> https://sbc.rictor.org/
User avatar
Michael
Posts: 633
Joined: 13 Feb 2013
Location: Michigan, USA

Re: Text Video Display

Post by Michael »

8BIT wrote:
I have updated my Composite Text Video display to a newer AVR. The benefit is that it is fully functional using a single chip + oscillator.
Bravo, Daryl. Beautiful solution...
User avatar
Michael
Posts: 633
Joined: 13 Feb 2013
Location: Michigan, USA

Re: Text Video Display

Post by Michael »

Hi Daryl (and gang),

Just wondering if you've updated your Composite Text Video Display page with info' for the new single chip solution? I'd love to see a picture of the new video board, too.

Take care. Happy Holidays.

Mike
User avatar
8BIT
Posts: 1787
Joined: 30 Aug 2002
Location: Sacramento, CA
Contact:

Re: Text Video Display

Post by 8BIT »

Michael wrote:
Hi Daryl (and gang),

Just wondering if you've updated your Composite Text Video Display page with info' for the new single chip solution? I'd love to see a picture of the new video board, too.

Take care. Happy Holidays.

Mike
Sorry, I did not create a new board for the 1 chip version. Also, there may be some desire to keep the external flip flop in the circuit to ensure the handshaking is stable. I can provide a schematic and the source code if you like. I'll try to get that updte on my website too. Thanks for the reminder!

Daryl
Please visit my website -> https://sbc.rictor.org/
Martin_H
Posts: 837
Joined: 08 Jan 2014

Re: Text Video Display

Post by Martin_H »

Michael, you might want you take a look at Rich Cini's version of Daryl's board:

http://www.classiccmp.org/cini/6502proj.htm

He includes a one chip video output based upon Daryl's design. I built one of my own and his parts list and documentation was helpful. Between Daryl and Rich the design is well documented and thought out.
User avatar
Michael
Posts: 633
Joined: 13 Feb 2013
Location: Michigan, USA

Re: Text Video Display

Post by Michael »

Martin_H wrote:
Michael, you might want you take a look at Rich Cini's version of Daryl's board:

http://www.classiccmp.org/cini/6502proj.htm

He includes a one chip video output based upon Daryl's design. I built one of my own and his parts list and documentation was helpful. Between Daryl and Rich the design is well documented and thought out.
Hi Martin,

I've seen that page before. I'm not familiar with the Commodore IEC interface and I couldn't find any pictures of the finished board...

Regards, Mike
User avatar
Michael
Posts: 633
Joined: 13 Feb 2013
Location: Michigan, USA

Re: Text Video Display

Post by Michael »

8BIT wrote:
Michael wrote:
Hi Daryl (and gang),

Just wondering if you've updated your Composite Text Video Display page with info' for the new single chip solution? I'd love to see a picture of the new video board, too.

Take care. Happy Holidays.

Mike
Sorry, I did not create a new board for the 1 chip version. Also, there may be some desire to keep the external flip flop in the circuit to ensure the handshaking is stable. I can provide a schematic and the source code if you like. I'll try to get that updte on my website too. Thanks for the reminder!

Daryl
Yes, I would enjoy studying the source. Thank you for the offer.

Happy Holidays... Mike
Martin_H
Posts: 837
Joined: 08 Jan 2014

Re: Text Video Display

Post by Martin_H »

Michael, here's a YouTube video of my board:

http://youtu.be/Hh49YasiYv8
User avatar
BigEd
Posts: 11464
Joined: 11 Dec 2008
Location: England
Contact:

Re: Text Video Display

Post by BigEd »

Nice video Martin, thanks for that!
User avatar
Michael
Posts: 633
Joined: 13 Feb 2013
Location: Michigan, USA

Re: Text Video Display

Post by Michael »

Martin_H wrote:
Michael, here's a YouTube video of my board:

http://youtu.be/Hh49YasiYv8
Very nice! Thank you, Martin...
Martin_H
Posts: 837
Joined: 08 Jan 2014

Re: Text Video Display

Post by Martin_H »

Thanks guys, I'm glad you liked the video.
Post Reply