André
Project: Digital Fuel Injector Pulse Width Analyzer
ElEctric_EyE wrote:
This is the software to copy the 512K EEPROM to 512 SRAM. Seems to be getting stuck here. If I comment out this part the program progresses... My mind is in hardware mode, maybe someone can help me out here. What am I missing? I'm sure it's software related...
André
-
ElEctric_EyE
- Posts: 3260
- Joined: 02 Mar 2009
- Location: OH, USA
8BIT wrote:
ElEctric_EyE, Any progress on your trouble?
Did you see the suggestions Lee and I gave?
If you can post a little more of the schematic (or a link to it), it would help.
Daryl
Did you see the suggestions Lee and I gave?
If you can post a little more of the schematic (or a link to it), it would help.
Daryl
8BIT wrote:
From the schematic, it looks like a write to DExx loads the upper address bytes. Is this the "bank" variable referenced in your code?
...
Daryl
...
Daryl
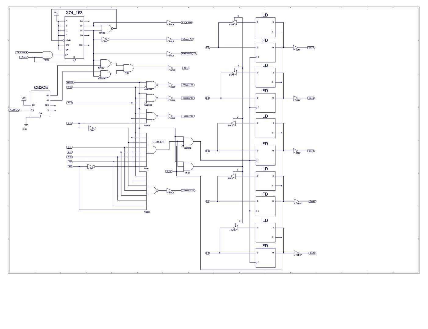
Here's the updated schematic (I am trying to use a new (.emf) format so the pic will fit into whatever size screen or CRT you are using).
Edit: The .emf format is not supported by photobucket, sorry for the large pic, but I am tired, soon off to bed. Thanks for the sugg's. I'll work on the pic size... In the schematic below "FD" is a D-type flip flop (like a 74374), and "LD" is a D-type latch (like a 74373), except the clock on "FD" latches the data on the rising edge, and the data on "LD" is transparent on a high "G". Also the tri-state BUFE's on the output of the "LD" latches are active high...

fachat wrote:
...Did not have a close look, but this looks like 8bit code to me. Did you try to put the X/Y registers in 16bit mode and use 24bit absolute address code? Makes such loops much simpler.
André
André
Ok, I was actually wanting a schematic that shows the rest of the circuit - including the CPU, RAM, EEPROM, and CPLD.
As I understand, you want to run the CPU slowly, read an EEPROM and copy it into RAM, using banking to control a window to allow access to >64k. Once done, you want to up the speed and run purely from RAM.
I understand your gating inside the CPLD. It seems as if the LD's can be replaced with a simple tri-state buffer, as the Q outputs of the FD's will always be stable during a read.
I am interested in how exactly the CPU address lines connect to the SRAM.
Is there a multiplexer connected between them to gate the bank register only during accesses to the window ($8000-BFFF)?
If the bank register shown is connected directly to the RAM upper address pins, them I see a huge problem with access to RAM outside the window with the bank register non-zero.
I can explain more if my assumptions are correct.
Daryl
As I understand, you want to run the CPU slowly, read an EEPROM and copy it into RAM, using banking to control a window to allow access to >64k. Once done, you want to up the speed and run purely from RAM.
I understand your gating inside the CPLD. It seems as if the LD's can be replaced with a simple tri-state buffer, as the Q outputs of the FD's will always be stable during a read.
I am interested in how exactly the CPU address lines connect to the SRAM.
Is there a multiplexer connected between them to gate the bank register only during accesses to the window ($8000-BFFF)?
If the bank register shown is connected directly to the RAM upper address pins, them I see a huge problem with access to RAM outside the window with the bank register non-zero.
I can explain more if my assumptions are correct.
Daryl
-
ElEctric_EyE
- Posts: 3260
- Joined: 02 Mar 2009
- Location: OH, USA
Yes, that is exactly what I am trying to do. Copy the EEPROM to SRAM when running @3.5 MHz, then (for now) running @7Mhz directly from the SRAMs, and your assumption is correct. My A0-A13 address lines are connected from the CPU to the 512K SRAM/EEPROMs, addressing the 16K window. Which window is controlled by the 5 bit flip-flop and has lone control over A14-A18. How would there be a problem when these upper address lines are stable way before the others? (And thanks for your insight into not needing the latches)
I have the schematic posted in this link: viewtopic.php?t=1503&start=75 (it's the last schematic posted, some of the clock signals have changed, but the basic addressing is the same). I tried to put the data and address lines on the same horizontal level, so you can infer that they are connected. I plan on using the Eagle CAM software others have mentioned here, when I am closer to having boards made, which hopefully won't be much longer. Again, thanks for your help 8bit!
I have the schematic posted in this link: viewtopic.php?t=1503&start=75 (it's the last schematic posted, some of the clock signals have changed, but the basic addressing is the same). I tried to put the data and address lines on the same horizontal level, so you can infer that they are connected. I plan on using the Eagle CAM software others have mentioned here, when I am closer to having boards made, which hopefully won't be much longer. Again, thanks for your help 8bit!
- GARTHWILSON
- Forum Moderator
- Posts: 8774
- Joined: 30 Aug 2002
- Location: Southern California
- Contact:
Quote:
Sounds like the 65816? I have zero experience with that CPU, Andre. This is strictly WDC65C02 at this point.
ElEctric_EyE wrote:
Yes, that is exactly what I am trying to do. Copy the EEPROM to SRAM when running @3.5 MHz, then (for now) running @7Mhz directly from the SRAMs, and your assumption is correct. My A0-A13 address lines are connected from the CPU to the 512K SRAM/EEPROMs, addressing the 16K window. Which window is controlled by the 5 bit flip-flop and has lone control over A14-A18. How would there be a problem when these upper address lines are stable way before the others? (And thanks for your insight into not needing the latches)
I have the schematic posted in this link: viewtopic.php?t=1503&start=75 (it's the last schematic posted, some of the clock signals have changed, but the basic addressing is the same). I tried to put the data and address lines on the same horizontal level, so you can infer that they are connected. I plan on using the Eagle CAM software others have mentioned here, when I am closer to having boards made, which hopefully won't be much longer. Again, thanks for your help 8bit!
I have the schematic posted in this link: viewtopic.php?t=1503&start=75 (it's the last schematic posted, some of the clock signals have changed, but the basic addressing is the same). I tried to put the data and address lines on the same horizontal level, so you can infer that they are connected. I plan on using the Eagle CAM software others have mentioned here, when I am closer to having boards made, which hopefully won't be much longer. Again, thanks for your help 8bit!
I'll take another look.
hope its something simple.
Daryl
-
ElEctric_EyE
- Posts: 3260
- Joined: 02 Mar 2009
- Location: OH, USA
So, if it's agreed the concept is solid, I am going to assume it's something with the Xilinx software. I ran into this before, where I had to re-input the whole schematic fresh. The netlists or something else in ISE gets screwy after many modifications to the schematic in between shutting the program down. I'll try it tonight after work and report back..
That's not totally out of the question, I do have 2 40-pin DIP versions. But for right now I have to try to keep things as simple as possible. Also I read one of your posts from years ago that the WDC65C02 is capable of 24MHz operation. This is actually what I am shooting for, when I get the new 50MHz 640x480 display in June (it's backordered).
Also I have some ideas of using another CPLD to do hardware drawing, but that's for much later...
GARTHWILSON wrote:
... The '816, although appearing mysterious and distant and daunting to the newcomer, really does make a lot of things easier, not harder. You'll never regret going to it. You can initially use the '816 like an '02, then venture into its extra capabilities slowly. It is not necessary to latch, decode, or use its high address byte to take advantage of it, although in your case, since you want more than 64K memory space, it would definitely improve things.
Also I have some ideas of using another CPLD to do hardware drawing, but that's for much later...
- GARTHWILSON
- Forum Moderator
- Posts: 8774
- Joined: 30 Aug 2002
- Location: Southern California
- Contact:
Quote:
Also I read one of your posts from years ago that the WDC65C02 is capable of 24MHz operation. This is actually what I am shooting for
ElEctric_EyE wrote:
8BIT wrote:
fachat wrote:
...Did not have a close look, but this looks like 8bit code to me. Did you try to put the X/Y registers in 16bit mode and use 24bit absolute address code? Makes such loops much simpler.
André
André
André
ElEctric_EyE wrote:
So, if it's agreed the concept is solid, I am going to assume it's something with the Xilinx software. I ran into this before, where I had to re-input the whole schematic fresh. The netlists or something else in ISE gets screwy after many modifications to the schematic in between shutting the program down. I'll try it tonight after work and report back..
http://mbmn.net/uer/tutorials/vhdl-with-ghdl/
tutorial about the simulation, and managed to get the test work - so I'm going to try it with my design as well.
Basically you write a "testbench" VHDL, with something like "set signal A to 1, wait 100ns, set signal A to 0, wait 100ns, start over" to generate input, connect that with your device and view the output signals with the GTKWave viewer (all on Linux though, and installation requires some compilation) But I hope to find out what's wrong with my design.
André
- GARTHWILSON
- Forum Moderator
- Posts: 8774
- Joined: 30 Aug 2002
- Location: Southern California
- Contact:
-
ElEctric_EyE
- Posts: 3260
- Joined: 02 Mar 2009
- Location: OH, USA
I re-inputted the schematic with the same non-working result... So, to test my wiring and software, I removed the flip-flop and internally grounded all the banked adress lines instead of using the flip-flops, and it worked great, which proves my wiring and software to be working.
So I am thinking it's not as easy as it looks to program a CPLD, even using just schematics. To program a data latch or flip-flop I suspect ISE needs a proper constraints file to group circutis together for a register. Even so, all the flip-flops are set to have an initial 'start-up' output of logic '0', but they're not which is another question mark. I've been working with the constraints editor, but there are so many options, I'm trying to get some headway by posting in the Xilinx forums. I'll have to be persistent, heh
It's probably like asking where my ass is supposed to be.
So I am thinking it's not as easy as it looks to program a CPLD, even using just schematics. To program a data latch or flip-flop I suspect ISE needs a proper constraints file to group circutis together for a register. Even so, all the flip-flops are set to have an initial 'start-up' output of logic '0', but they're not which is another question mark. I've been working with the constraints editor, but there are so many options, I'm trying to get some headway by posting in the Xilinx forums. I'll have to be persistent, heh
-
ElEctric_EyE
- Posts: 3260
- Joined: 02 Mar 2009
- Location: OH, USA
No need to worry about constraint files yet, looks like a can of worms. Turns out I was not using the correct flip-flop.
Got a quick response from Xilinx forums here: http://forums.xilinx.com/xlnx/board/mes ... ad.id=1467
I was having a problem with addressing a flip-flop, actually 5 flip-flops for the banked address. I thought the logic was good, but 2 guys on the forum pointed out I was using a gated clock, apparently not a good idea. To simplify, using 1 flip-flop, this is what I was trying to do:

They suggested I do this, which does work (WOOO!)

Logically I think my original circuit should have worked in the real world using discrete TTL. What do you all think about this?
Got a quick response from Xilinx forums here: http://forums.xilinx.com/xlnx/board/mes ... ad.id=1467
I was having a problem with addressing a flip-flop, actually 5 flip-flops for the banked address. I thought the logic was good, but 2 guys on the forum pointed out I was using a gated clock, apparently not a good idea. To simplify, using 1 flip-flop, this is what I was trying to do:

They suggested I do this, which does work (WOOO!)

Logically I think my original circuit should have worked in the real world using discrete TTL. What do you all think about this?
I'm not so sure that it would normally be accepted by TTL; it would all depend upon the setup and hold times. In general, using the internal logic element's clock enable is always preferable; it is designed to deal with jitter better than the logic elements clock pin.
If you must employ clock gating without the device's support, it is recommended that you always synchronize the stopping and starting phase, to avoid any too-short clock pulses.
By the way, are you sure you're supposed to be running the clock to the clock enable pin, and the enable to the clock pin?
If you must employ clock gating without the device's support, it is recommended that you always synchronize the stopping and starting phase, to avoid any too-short clock pulses.
By the way, are you sure you're supposed to be running the clock to the clock enable pin, and the enable to the clock pin?