65c816 "Core"
Re: 65c816 "Core"
Attached is the revised schematic -- the 74HC02 has been moved from U108 to U106 since the inverter has been removed.
For the memory map, this is what I'm thinking so far:
0000-7EFF: RAM
7F00-7FFF: I/O
8000-FFFF: ROM
and I'm thinking banks 01-05 would just be pure RAM.
For the memory map, this is what I'm thinking so far:
0000-7EFF: RAM
7F00-7FFF: I/O
8000-FFFF: ROM
and I'm thinking banks 01-05 would just be pure RAM.
- Attachments
-
- CPU-CPU and Clock.pdf
- (67.34 KiB) Downloaded 58 times
- BigDumbDinosaur
- Posts: 9428
- Joined: 28 May 2009
- Location: Midwestern USA (JB Pritzker’s dystopia)
- Contact:
Re: 65c816 "Core"
GamerFox wrote:
Attached is the revised schematic -- the 74HC02 has been moved from U108 to U106 since the inverter has been removed.
For the memory map, this is what I'm thinking so far:
0000-7EFF: RAM
7F00-7FFF: I/O
8000-FFFF: ROM
and I'm thinking banks 01-05 would just be pure RAM.
For the memory map, this is what I'm thinking so far:
0000-7EFF: RAM
7F00-7FFF: I/O
8000-FFFF: ROM
and I'm thinking banks 01-05 would just be pure RAM.
32KB of ROM is probably more than you will likely use. With the 65C816, bank $00 RAM is prime real estate and you want as much as you can get. I'd limit ROM to 12KB or 16KB, the latter which would give you ROM from $00C000-$00FFFF.
Also, you may find that confining the I/O block to one page will result in convoluted decoding in order to accommodate more than a few devices. The narrower the window your I/O block appears in the greater the number of address bits that have to be used in the glue logic. Since it appears you are going to build this system entirely with discrete logic, you may find that what you want to do will introduce too many gates, with the associated performance penalties.
Just for reference should you decide to rethink your memory map, here's what I used in my POC V1.3 unit:
Code: Select all
$000000-$00BFFF - RAM (48K)
$00C000-$00C7FF - I/O (mirrors at $00C800-$00CFFF)
$00D000-$00FFFF - ROM (12KB)
$010000-$01FFFF - RAM (64KB)Regarding the schematic, it looks good. There is less clutter and you were able to eliminate one part (the inverter). You might want to make VP on the MPU a no-connect, unless you plan to use it in some way.
If you are hankering to find something for U107D to do you could use it to generate an inverted reset signal for the benefit of anything that requires a positive-going reset (in my POC units, the 28L92 DUART(s) use an inverted reset). Or you could wire a green LED to it, through series resistance, of course. You'd connect the LED's anode to the resistor, which would be tied to Vcc, and connect the LED's cathode to U107D's output. Any time the reset circuit is quiescent the LED will light up. Push the reset button and the LED will go dark. Purely for entertainment, of course.
x86? We ain't got no x86. We don't NEED no stinking x86!
-
kernelthread
- Posts: 166
- Joined: 23 Jun 2021
Re: 65c816 "Core"
Check the direction of data flow through the 74AHCT245 - I think it's currently the wrong way round.
- floobydust
- Posts: 1394
- Joined: 05 Mar 2013
Re: 65c816 "Core"
I would look more closely at your Reset device (MCP100-315).
1- This reset does not support a manual reset, so using a push-button switch will not cycle the delay sequence.
2- The datasheet shows that this device has a push-pull output. By shorting the output via the reset switch, you might damage the chip.
I suggest you look at an alternate device that has an open collector or open drain output. Also look for one that supports a manual reset.
1- This reset does not support a manual reset, so using a push-button switch will not cycle the delay sequence.
2- The datasheet shows that this device has a push-pull output. By shorting the output via the reset switch, you might damage the chip.
I suggest you look at an alternate device that has an open collector or open drain output. Also look for one that supports a manual reset.
Regards, KM
https://github.com/floobydust
https://github.com/floobydust
Re: 65C816 "Core"
BigDumbDinosaur wrote:
2. I recommend you use [...] a 74AHCT245 for the data bus transceiver (U103).
-- Jeff
- Attachments
-
- 74AHC245.pdf
- (2.3 MiB) Downloaded 50 times
-
- 74AHCT245.pdf
- (2.3 MiB) Downloaded 53 times
In 1988 my 65C02 got six new registers and 44 new full-speed instructions!
https://laughtonelectronics.com/Arcana/ ... mmary.html
https://laughtonelectronics.com/Arcana/ ... mmary.html
- BigDumbDinosaur
- Posts: 9428
- Joined: 28 May 2009
- Location: Midwestern USA (JB Pritzker’s dystopia)
- Contact:
Re: 65c816 "Core"
kernelthread wrote:
Check the direction of data flow through the 74AHCT245 - I think it's currently the wrong way round.
You're correct. I didn't see that. Serves me right for working on this sort of thing in the middle of the night.
Dr Jefyll wrote:
...the 74AHC245 (ie; the non- "T" version) would be a better choice. For starters, the "T" version is a 5 volt part...in this schematic the '245 and the '816 are powered at 3.3V (unless I'm missing something).
Right you are. Minimum operating voltage for the AHCT part is 4.5 volts. The AHC should work fine in a 3.3 volt system. As I said above, serves me right for reading a schematic in the middle of the night.
BTW, I attached a more up-to-date data sheet for the 74ACH(T)245.
floobydust wrote:
would look more closely at your Reset device (MCP100-315).
1- This reset does not support a manual reset, so using a push-button switch will not cycle the delay sequence.
2- The datasheet shows that this device has a push-pull output. By shorting the output via the reset switch, you might damage the chip.
1- This reset does not support a manual reset, so using a push-button switch will not cycle the delay sequence.
2- The datasheet shows that this device has a push-pull output. By shorting the output via the reset switch, you might damage the chip.
Also well-spotted. I only gave the MCP100-315 data sheet a cursory look and must've missed where is says it has a push-pull output (which doesn't output much current).
The MCP100 could be used with a push button if the push button is inserted in series with VCC and reset is pulled up as shown in his revised schematic. Interrupting and then restoring VCC would cause the reset sequence to start, same as power-on. That arrangement is a little Mickey-Mouse, however. Using the Maxim DS1813 might be a better choice, since it supports a push button on the reset line.
x86? We ain't got no x86. We don't NEED no stinking x86!
- floobydust
- Posts: 1394
- Joined: 05 Mar 2013
Re: 65c816 "Core"
As I've also been working towards a 3.3V design, I've researched quite a few piece parts for the first prototype. I'm not using a '245 for anything, however, I found some DIP parts that are 3.3V along with a 3.3V Reset chip and standard Radial half-size clock oscillator.
For the '245 data buffer, I suggest using a TI SN74LVC245A, which is a 3.3V part: For the '573 latch, there's the TI SN74LVC573A, also a 3.3V part: BTW, the DS-1813 is also a 5V part, so I would suggest using the Maxim DS-1233A:
(NOTE: the datasheet shows a 0.1uF cap in parallel with the reset switch.) The Dual Flip-Flop should be okay.... has a voltage range down to 2V, but should consult the datasheet for slew rate at lower voltages.
Also, the default clock oscillator shown in a small SMT device (and 3.3V). Abracon make some 3.3V clock oscillators in half-size Radial sizes: As always... consult the datasheet for everything.
For the '245 data buffer, I suggest using a TI SN74LVC245A, which is a 3.3V part: For the '573 latch, there's the TI SN74LVC573A, also a 3.3V part: BTW, the DS-1813 is also a 5V part, so I would suggest using the Maxim DS-1233A:
(NOTE: the datasheet shows a 0.1uF cap in parallel with the reset switch.) The Dual Flip-Flop should be okay.... has a voltage range down to 2V, but should consult the datasheet for slew rate at lower voltages.
Also, the default clock oscillator shown in a small SMT device (and 3.3V). Abracon make some 3.3V clock oscillators in half-size Radial sizes: As always... consult the datasheet for everything.
Regards, KM
https://github.com/floobydust
https://github.com/floobydust
- BigDumbDinosaur
- Posts: 9428
- Joined: 28 May 2009
- Location: Midwestern USA (JB Pritzker’s dystopia)
- Contact:
Re: 65c816 "Core"
floobydust wrote:
As I've also been working towards a 3.3V design, I've researched quite a few piece parts for the first prototype...
An annoying thing about AHC and LVC parts is they all seem to come in SMT packages that aren't particularly hobby-friendly. Then there is the reduced performance. The latter is why I've stubbornly stuck with five volts.
x86? We ain't got no x86. We don't NEED no stinking x86!
- floobydust
- Posts: 1394
- Joined: 05 Mar 2013
Re: 65c816 "Core"
BigDumbDinosaur wrote:
floobydust wrote:
As I've also been working towards a 3.3V design, I've researched quite a few piece parts for the first prototype...
An annoying thing about AHC and LVC parts is they all seem to come in SMT packages that aren't particularly hobby-friendly. Then there is the reduced performance. The latter is why I've stubbornly stuck with five volts.
Regards, KM
https://github.com/floobydust
https://github.com/floobydust
Re: 65c816 "Core"
The reason I've decided to use 3.3V is that I may in the future want to make an SPI/SD card addition to the board.
I also plan on having two 6522s, a real-time clock, and an LCD display using the ST7789VI driver/controller (https://www.newhavendisplay.com/resourc ... 7789Vi.pdf)
I also plan on having two 6522s, a real-time clock, and an LCD display using the ST7789VI driver/controller (https://www.newhavendisplay.com/resourc ... 7789Vi.pdf)
- GARTHWILSON
- Forum Moderator
- Posts: 8775
- Joined: 30 Aug 2002
- Location: Southern California
- Contact:
Re: 65c816 "Core"
GamerFox wrote:
The reason I've decided to use 3.3V is that I may in the future want to make an SPI/SD card addition to the board.
I also plan on having two 6522s, a real-time clock, and an LCD display using the ST7789VI driver/controller (https://www.newhavendisplay.com/resourc ... 7789Vi.pdf)
I also plan on having two 6522s, a real-time clock, and an LCD display using the ST7789VI driver/controller (https://www.newhavendisplay.com/resourc ... 7789Vi.pdf)
http://WilsonMinesCo.com/ lots of 6502 resources
The "second front page" is http://wilsonminesco.com/links.html .
What's an additional VIA among friends, anyhow?
The "second front page" is http://wilsonminesco.com/links.html .
What's an additional VIA among friends, anyhow?
Re: 65c816 "Core"
BigDumbDinosaur wrote:
Also well-spotted. I only gave the MCP100-315 data sheet a cursory look and must've missed where is says it has a push-pull output (which doesn't output much current).
BigDumbDinosaur wrote:
The MCP100 could be used with a push button if the push button is inserted in series with VCC and reset is pulled up as shown in his revised schematic.
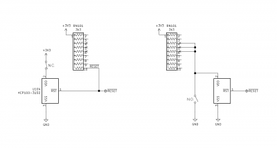
A better suggestion for the MCP100 is one plasmo recently posted. The MCP100's VCC terminal would connect to the supply through a 1K or so current limiting resistor, and a normally-open pushbutton would, when pressed, shunt the VCC terminal to ground. Shown below are a pair of schematic excerpts altered to illustrate the two approaches. Instead of actually adding a 1K resistor, I "borrowed" a few of the unused 3.3Ks in the array.
-- Jeff
In 1988 my 65C02 got six new registers and 44 new full-speed instructions!
https://laughtonelectronics.com/Arcana/ ... mmary.html
https://laughtonelectronics.com/Arcana/ ... mmary.html
- BigDumbDinosaur
- Posts: 9428
- Joined: 28 May 2009
- Location: Midwestern USA (JB Pritzker’s dystopia)
- Contact:
Re: 65c816 "Core"
Dr Jefyll wrote:
BigDumbDinosaur wrote:
Also well-spotted. I only gave the MCP100-315 data sheet a cursory look and must've missed where is says it has a push-pull output (which doesn't output much current).
Mr. Magoo I am. Psychologically, I still haven't come to terms with my substantially deteriorated vision, which went down hill rather quickly. So your wisecrack about dialing up the magnification is a point cheerfully taken. Just try not to remind me of my bad vision too often or else I'll develop an inferiority complex over it and will have to go into snowflake mode, retreat to my safe place and cry.
x86? We ain't got no x86. We don't NEED no stinking x86!
Re: 65c816 "Core"
Well, it's a relief to hear you're cheerful, because no offense was intended, and I'm certainly nothing but sympathetic for anyone facing a visual or other impairment. At the same time I think we would be straying from the topic if the impairment became the center of discussion. (I almost said, become the focus.
) In your posts you commonly include datasheet excerpts, and seem quite fluent, so we gather you're satisfactorily handy in accessing technical content -- which is great. I hope the wisecrack didn't distract from the point I was hoping to make about keeping well informed about the subject matter in one's posts.
-- Jeff
-- Jeff
In 1988 my 65C02 got six new registers and 44 new full-speed instructions!
https://laughtonelectronics.com/Arcana/ ... mmary.html
https://laughtonelectronics.com/Arcana/ ... mmary.html
Re: 65c816 "Core"
Here's the new version of the sheet with the advice you gave me, and I'm a little afraid of cranking up phi2 too high to warrant memory bus ack lines.
- Attachments
-
- 65816-comp.pdf
- (112.83 KiB) Downloaded 57 times