Michael wrote:
What's really exciting (to me) is that the 11-pin 'blind' interface might be implemented on a little $5 Pi Zero which could (after 'blind' operations) provide 'bare metal' file system and 'bare metal' terminal functions (keyboard & video) via serial port interface. Imagine a 1/2/4/8 MHz system complete with USB keyboard, HDMI video, and SDcard file system that fits in the palm or your hand using little more than a Pi Zero, a 65C02 CPU, a 64K/128K RAM chip, a VIA chip, and an ACIA chip...
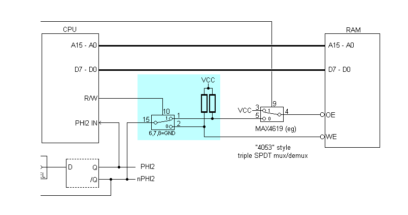
BTW it's perhaps worthwhile to comment on how the SPDT mux/demux generates /OE and /WE in the schematic in my previous post. (For reference I also posted an equivalent that doesn't use a mux/demux.) Here's an excerpt, with the area of interest highlighted.Basically the SPDT "steers" the active-low version of Phi2 to either /OE or /WE.
- This is NOT "open collector" logic, at least not in the usual sense. The pullup resistors are not responsible for returning /OE and /WE to the high state after the end of each cycle. They are actively driven back to the high state during the delay that exists before the CPU then the mux/demux select input can respond. The pullups are only intended to keep /OE and /WE high thereafter. (We don't want them to drift low during single-step operations.) I used 2k2 pullups but a much higher value would've been OK.
- The mux/demux has, in effect, almost zero propagation delay, and that can make a big difference in some cases. Signals pass through the contacts of the SPDT "relay" as if they were a 10-ohm resistor -- almost the same as a piece of wire. (However, the select input -- the "coil" of the relay -- is subject to normal propagation delay.)
- A mux/demux can often reduce the package count in a discrete-logic design -- and that's why I used it here. It saves space, and there are fewer connections for me to hook up!
