Simple 3-Chip design Proof-of-Concept

For discussing the 65xx hardware itself or electronics projects.
User avatar
GARTHWILSON
Forum Moderator
Posts: 8773
Joined: 30 Aug 2002
Location: Southern California
Contact:

Re: Simple 3-Chip design Proof-of-Concept

Post by GARTHWILSON »

Jeff, I'm going over this topic again, thinking of my bootloader. I had forgotten about this topic when I emailed you the diagram showing the address lines connected to the µC. Getting rid of those, I can go down from a 40-pin µC to a 28-pin. (It's only a matter of board real estate though. I have all these sizes in stock.) The next one down is 18, which would be more than enough with what's in your last post above. The next size down is 8 pins, which is not enough, considering the outboard I²C EEPROM and a couple of other things needed for the '816.

I think I'm following most of what you wrote. The reason to use EA instead of A9 which would make it almost twice as fast just that A9 does not allow odd numbers of program-counter increments, right? 28->A9 still works with the resistor scheme. (For the 65c02, one of the single-cycle no-ops in columns 3 and B could be used.)

Next, is the idea just that you'd put just enough program material in page 1 to get the µP to run to get itself up the rest of the way?
http://WilsonMinesCo.com/ lots of 6502 resources
The "second front page" is http://wilsonminesco.com/links.html .
What's an additional VIA among friends, anyhow?
i_r_on
Posts: 62
Joined: 20 Jul 2015

Re: Simple 3-Chip design Proof-of-Concept

Post by i_r_on »

The main problem with this method is : Feeding the databus is very time sensitive so if you wanted to do other things beside booting things gets complex. Also, when you add the ram you'd need a way to orchestrate the bus since 6502 will be the outputting side on the bus (or ram, on read accesses) Also you'll need some address decoding logic for sure.

It's not evident which microcontroller is used but if it's an 16mhz atmel part then you'll definitely have problems to drive the part at 1mhz with just arduino code. (Even with assembly it might not be possible)

My take on c64 to drive the system through expansion port was of much parasitic and virus like with only 4 connections to the cpu (no databus, no address bus) with a custom rom.

Image

Of course this cheats and uses a 256 byte on the rom for booting but otherwise it's able to load any program on the ram and invoke it. Transfer code is not very timing critical and controlling micro is free after the stuff has been transferred.

Instead of an eprom you can use a programmable logic device which has enough logic elements to build the startup code. Then you can even remove it from the system after the boot. (Since you'll already take control of the NMI and IRQ vectors)
User avatar
Dr Jefyll
Posts: 3525
Joined: 11 Dec 2009
Location: Ontario, Canada
Contact:

Re: Simple 3-Chip design Proof-of-Concept

Post by Dr Jefyll »

GARTHWILSON wrote:
is the idea just that you'd put just enough program material in page 1 to get the µP to run to get itself up the rest of the way?
Right. This deal only lets you load and run some code in the stack page, which means the code is quite limited in what it can do. The obvious next step is to have it load a more capable loader, located elsewhere.
Quote:
The reason to use EA instead of A9 which would make it almost twice as fast just that A9 does not allow odd numbers of program-counter increments, right?
Yes. And there's more to it than that.
  • "The stack page is now full of repetitions of the pattern $A2, $EA, $9A, $EA. Alignment is unknown (eg, starting from $0100 you might see, say, the 4th byte of the pattern first), but no worries -- if you run it you'll eventually execute LDX# $EA then TXS."
This is the part of my scheme that needs a re-think. These are all 2-cycle instructions, but some are 1-byte and some are 2-byte. I don't know how many of each will get executed, so I can't do what I need to do -- specifically, push an exact value of PC, based on how many clocks have been issued. (Garth, in your situation you could add a fourth control line, for example to let the PIC read the 816's A7 and thus gain awareness of the value of S as it changes.)

For my own part I suspect three control lines can be made to work, but the puzzle got set aside. There are two or three possible remedies to investigate. One is to fill the stack page again, this time with all $EA (after the first time filling it with repetitions of $A2, $EA, $9A, $EA). Now we can single-cycle through there and issue an NMI after n clocks knowing the exact PC value that'll get pushed. At least that's the theory. There may be difficulty establishing a starting reference. When we say after n clocks, what is the "after" after? :)

( i_r_on, I see you've posted as I was typing this, so I'll sign off for now and read what you've got to say. I think I was done talking anyway!)

-- Jeff
In 1988 my 65C02 got six new registers and 44 new full-speed instructions!
https://laughtonelectronics.com/Arcana/ ... mmary.html
User avatar
Michael
Posts: 633
Joined: 13 Feb 2013
Location: Michigan, USA

Re: Simple 3-Chip design Proof-of-Concept

Post by Michael »

cbmeeks wrote:
@Michael

I've seen you mention the PIC a few times. I cut my teeth with the PIC but then moved to Arduino and Propeller. I love the Propeller but I sometimes wonder if the PIC might be better suited for glue logic. Especially with the programmable logic blocks.

As @Jac has proven, the Propeller can certainly emulate the RAM/ROM/IO for a 65c02, but you're pretty much capped at 1 - 1.25 MHz. Which is fine many things.

But, how fast have you clocked the 65c02 using a PIC with it running as glue logic like you show in that picture?
Somehow I missed your post and question. Forgive me.

I'm wiring up a test board for the 20-pin PIC and I'm hoping the design will support operation up to 4-MHz. I suspect the limiting factor will be the propagation delay of the CLC (configurable logic cell) address decoders (around ~50-nsecs). I'm not sure I can test it at that speed though (I only have 2-MHz VIA & ACIA chips).

Cheerful regards, Mike

Image
User avatar
Dr Jefyll
Posts: 3525
Joined: 11 Dec 2009
Location: Ontario, Canada
Contact:

Re: Simple 3-Chip design Proof-of-Concept

Post by Dr Jefyll »

earlier in this thread I wrote:
somewhere on the net I saw a bootup scheme for Z80 in which the host computer connected only to the Z80 clock and interrupt lines. (And reset, I guess, but still it was downright astonishing.) The gist of it was to stick the bytes in memory using the stack pointer as it responds to interrupts.
It's amazing that such a small number of control lines would be sufficient for booting. I tried to adapt this idea for 65xx CPU's, but timing is critical and interrupt latency is somewhat variable. I ended up with serious doubts that my plan could be made to work. (I posted about that here. The original Z80 version is here. Also the OP proposed a 5-wire version here.)

Now I'm happy to report an alternative plan, one which doesn't involve interrupts. This all but eliminates latency issues, making timing much easier to manage. And, hardware-wise, there's no longer any need for a connection to the NMI pin.

Here's the TLDR: under control of a bootup microcontroller or a remote host computer, we force NOP's to run the 65xx Program Counter around to specific 16-bit values; then we force a JSR to push each 16-bit value to stack. Eventually the stack contains a program we can execute. (The program may be another loader, one that's not limited to writing in the stack area.) A detailed description follows. The main challenge is that S begins in an uninitialized state, which means we don't know exactly where our code will get written to.

Edit: Since I first posted this idea I have made some refinements. I'll post those too if there's any interest.
Edit: for a working version that's faster and simpler, see my 2018 thread Ultra-minimal 3-wire Interface boots up 65xx CPU's
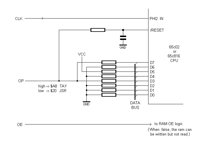
bootload detail.png
bootload detail.png (6.48 KiB) Viewed 6738 times
As you see, the three lines from the host system are called CLK, OP and OE. OE controls RAM output enable, and may be active-high or active-low according to whatever suits your circuit. OP determines what OPCODE will appear on the data bus when it's floating and the pullup/pulldown resistors are doing their thing. To put $20 on the bus, pull OP low. $20 is the opcode for JSR, a 3-byte, 6-cycle instruction. To put $A8 on the bus, set OP high. $A8 is the opcode for TAY, a 1-byte, 2-cycle instruction. TAY is used as a kind of NOP.

OP also feeds an RC filter that drives /RESET. For that reason OP is kept high by default, brought low only for brief intervals (a few microseconds, perhaps). The exception is the case when a reset is desired. Then OP is held low for a much longer period (eg: 1 ms).

Here's a walkthrough of the boot sequence.
  • After powerup, hold OP low long enough (1 ms or more, depending on the R and C) to ensure the CPU /RESET pin is also low. Using CLK we feed the CPU maybe 8 or 10 wakeup clock pulses, then stop. Next we bring OP high and wait 1 ms for /RESET to follow suit.
  • Set OE false so the resistors have control of the data bus
  • Put $20 on the bus (by pulling OP low). Deliver 7 clocks to execute the reset sequence. The PC = $2020 at this point.
Our first goal is to get a known value into S (the stack pointer). To do that we load and run a position-independent program.
We repeat the following sequence 64 times:
  • Put $A8 on the bus. Issue enough clocks to make PC= $EA9A-2. We're about to do a JSR. The address of the 3rd byte of the JSR instruction will get pushed.
  • Put $20 on the bus. Issue 6 clocks. (PC = $2020, and $EA9A got pushed.)
  • Put $A8 on the bus. Issue enough clocks to make PC= $EAA2-2. We're about to do a JSR. Again the address of the 3rd JSR instruction byte will get pushed.
  • Put $20 on the bus. Issue 6 clocks. (PC = $2020, and $EAA2 got pushed.)
Page $01 is now full of repetitions of the following program (256 bytes total):

Code: Select all

A2  EA    LDX# $EA     ;load X with the value $EA (even though we'd prefer $FF)
9A        TXS          ;transfer X to S
EA        NOP          ;the NOP is just padding. (It's easier if we deal with even numbers of bytes.)
                       ;
A2  EA    LDX# $EA     ; again
9A        TXS
EA        NOP
                       ; and so on
To proceed, we:
  • Put $A8 on the bus. Issue enough clocks to make PC= $0100
  • Set OE true so the RAM can be read
  • issue 12 clocks -- enough to run the three-instruction sequence twice.
Now we know S = $EA. The strange procedure is necessary because S was initially unknown, and when we wrote the 256 bytes to Page 1 we began at an unknown location. So, when we later began execution at $0100 it's possible the first thing we did was to execute the LDX operand as if it were an opcode! That's why the operand is chosen to coincide with a harmless, one-byte opcode ($EA). And that's why we issue enough clocks to run two iterations of the sequence. If things get off on the wrong foot then the first iteration won't initialize S as desired.

Moving on: Presumably we have a more conventional program prepared -- the code which it's actually our goal to run. :) As before, we'll push the code to RAM two bytes at a time. That means a pad byte will be needed if the program length isn't already an even number.
  • Set OE false so the resistors can take control again
  • Put $20 on the bus. Issue 6 clocks. PC= $2020. (NB: S= $E8. S's initial setting immediately got reduced by 2)
  • Put $A8 on the bus. Issue clocks until PC= n-2. We're about to do a JSR. n -- the last 2 bytes of the program -- will get pushed
  • Put $20 on the bus. Issue 6 clocks. PC = $2020.
  • Put $A8 on the bus. Issue clocks until PC= n-2. We're about to do a JSR. n -- the next-to-last 2 bytes of the program -- will get pushed
  • Put $20 on the bus. Issue 6 clocks. PC = $2020
  • [ ... ]
  • Put $A8 on the bus. Issue clocks until PC= n-2 We're about to do a JSR. n -- the first 2 bytes of the program -- will get pushed
  • Put $20 on the bus. Issue 6 clocks. PC = $2020
Now the program is in place. All that remains is to run it:
  • Put $A8 on the bus. Issue clocks until PC= the address of the first byte of program
  • Set OE true so the RAM can be read
  • issue enough clocks to run the program! :mrgreen:

Footnote 1: one limitation (aside from speed) is that the initial setting of S -- $EA -- is lower than might be desired. A lower initial setting reduces the maximum program size. If that's a problem you can choose a different harmless, one-byte opcode as the operand for LDX. $FA (PLX) is acceptable. Or, choose $08 (PHP) and pad the end of your program so it exceeds 256 bytes and wraps you around.

Footnote 2: Obviously this bootup method needs to run a lot of TAY instructions to increment PC as required. That's slow. But, FWIW, a slight increase in complexity can cut the number of TAY's approximately in half. Anytime you're about to...
  • Put $20 on the bus. Issue 6 clocks. PC= $2020
  • Put $A8 on the bus. Issue clocks until PC= [whatever]
...you may, if it helps (this requires checking on a per-case basis), do the following instead:
  • Put $20 on the bus. Issue 1 clock. Put $A8 on the bus. Issue 5 clocks. PC= $A8A8
  • Issue clocks until PC= [whatever]
Footnote 3:So far the idea hasn't been tested, and I'm concerned that perhaps /RESET itself exhibits variable latency. Although 65xx datasheets perhaps tacitly imply there's a consistent number of clocks between /RESET going high and the fetch of the first instruction, there may in fact be some variability. This isn't something we can expect the datasheets to mention, as it's a detail that (almost) nobody cares about.


-- Jeff
Last edited by Dr Jefyll on Tue Aug 07, 2018 2:57 am, edited 5 times in total.
In 1988 my 65C02 got six new registers and 44 new full-speed instructions!
https://laughtonelectronics.com/Arcana/ ... mmary.html
User avatar
BigEd
Posts: 11463
Joined: 11 Dec 2008
Location: England
Contact:

Re: Simple 3-Chip design Proof-of-Concept

Post by BigEd »

Bravo!

From simulation it looks like coming out of reset is going to be predictable - the machine is stuck in one state for as long as reset is active, once it's finished what it's doing:
http://www.visual6502.org/JSSim/expert. ... &reset1=13
User avatar
Dr Jefyll
Posts: 3525
Joined: 11 Dec 2009
Location: Ontario, Canada
Contact:

Re: Simple 3-Chip design Proof-of-Concept

Post by Dr Jefyll »

BigEd wrote:
Bravo!

From simulation it looks like coming out of reset is going to be predictable - the machine is stuck in one state for as long as reset is active, once it's finished what it's doing:
http://www.visual6502.org/JSSim/expert. ... &reset1=13
Thanks very much, Ed. Needless to say I'm glad to have that Footnote 3 issue laid to rest (for NMOS '02, at least). I would hate to think my efforts are in vain! I spent a long time writing that description, even though the idea itself isn't terribly complicated.
In 1988 my 65C02 got six new registers and 44 new full-speed instructions!
https://laughtonelectronics.com/Arcana/ ... mmary.html
User avatar
BigEd
Posts: 11463
Joined: 11 Dec 2008
Location: England
Contact:

Re: Simple 3-Chip design Proof-of-Concept

Post by BigEd »

It's always good to nail these ideas down - they can run around and around your head for ages, and you're never quite sure if they actually work.
User avatar
cbscpe
Posts: 491
Joined: 13 Oct 2013
Location: Switzerland
Contact:

Re: Simple 3-Chip design Proof-of-Concept

Post by cbscpe »

Now as everything has been laid out that would be the perfect moment for a proof of concept :wink:
User avatar
gsteemso
Posts: 1
Joined: 09 Dec 2014
Location: Everett, WA, USA
Contact:

Re: Simple 3-Chip design Proof-of-Concept

Post by gsteemso »

GARTHWILSON wrote:
Getting away with three chips was the purpose behind the 6530 and 6532 RIOTs (RAM, I/O, and Timer, all in one IC) of yesteryear. The RAM afforded some ZP and page-1 storage space. Those were NMOS only, and probably never exceeded 1 or 2MHz, but they allowed a system with 6502, EPROM, and RIOT, before the days of workbench-programmable microcontrollers.
Actually, of the 6530 / 6532, one was a RIOT as you describe - but the other went even further, and was instead a RRIOT: it combined 64x8 RAM, 1Kx8 ROM (mask-programmed, as anything more flexible would have been too costly at the time), 2 I/O ports, and a Timer module in a single chip, allowing for a completely if modestly functional computer to be built using only two major chips. This was 40 years ago!
User avatar
BigEd
Posts: 11463
Joined: 11 Dec 2008
Location: England
Contact:

Re: Simple 3-Chip design Proof-of-Concept

Post by BigEd »

(welcome, gsteemso!) It's not obvious, at least until you see die photographs, how large RAM is on a chip, and therefore how expensive, and how much smaller mask ROM is. But the ratios of capabilities in these early chips does give a hint.
Post Reply