I've seen a lot of logic diagrams of computers, and I want to make my own so that I can show it to my peers, but I don't know how to do it.
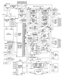
This is an example of logic diagram and I would like to draw my own logic diagram of my CPU.
How do I draw logic diagrams?
How do I draw logic diagrams?
- Attachments
-
- 6502.jpeg (11.97 KiB) Viewed 1388 times
Re: How do I draw logic diagrams?
Maybe this thread will help:
viewtopic.php?f=1&t=3109
(Personally I'd tend to call that a block diagram, because it's more of an indication of what's going on than an accurate specification. I think a block diagram can be very useful, often more useful than a circuit diagram.)
viewtopic.php?f=1&t=3109
(Personally I'd tend to call that a block diagram, because it's more of an indication of what's going on than an accurate specification. I think a block diagram can be very useful, often more useful than a circuit diagram.)
Re: How do I draw logic diagrams?
It's possible that searching for "svg editor online" will help. Or, for an installable tool, inkscape is an SVG editor.
(And, for timing diagrams, see viewtopic.php?f=1&t=4378)
(And, for timing diagrams, see viewtopic.php?f=1&t=4378)
- GARTHWILSON
- Forum Moderator
- Posts: 8773
- Joined: 30 Aug 2002
- Location: Southern California
- Contact:
Re: How do I draw logic diagrams?
One key to making them readable is organizing the various portions and positioning them in such a way so as to minimize the number of elbows, tees, and crossings in the connecting connecting wires (ie, lines). The topic at viewtopic.php?f=1&t=2987 is somewhat related. It's ok to do a block diagram of the entire computer; but there's little use for putting everything in one schematic, just as you would not present a diagram of an automobile that showed an exploded view of a tail light assembly in the same diagram with an exploded view of the water pump or the windshield wiper motor. When showing such detail, separate smaller diagrams are more useful and appropriate.
http://WilsonMinesCo.com/ lots of 6502 resources
The "second front page" is http://wilsonminesco.com/links.html .
What's an additional VIA among friends, anyhow?
The "second front page" is http://wilsonminesco.com/links.html .
What's an additional VIA among friends, anyhow?
Re: How do I draw logic diagrams?
I find the Dia package very useful for a lot of drawing types https://en.wikipedia.org/wiki/Dia_(software)