W65C816SXB Expansion, Keyboard, VGA and Sound.

For discussing the 65xx hardware itself or electronics projects.
User avatar
Alamorobotics
Posts: 54
Joined: 30 Oct 2015
Location: Sweden

W65C816SXB Expansion, Keyboard, VGA and Sound.

Post by Alamorobotics »

Howdy...

I wanted to do a fun project with the W65C816SXB board so I decided to add Keyboard, VGA and Sound.
I got a couple of W65C22 for this project, the first W65C22 will be used to read the keyboard, the second one for VGA and sound using the Propeller project earlier.

Just got started, I'll keep you updated...
Attachments
Expansion_01.jpg
Expansion_02.jpg
User avatar
Alamorobotics
Posts: 54
Joined: 30 Oct 2015
Location: Sweden

Re: W65C816SXB Expansion, Keyboard, VGA and Sound.

Post by Alamorobotics »

Made some good progress over the weekend...

Got the C=64 keyboard hooked up to the first VIA and I can read the key matrix...
Code still pretty rough but it seem to be working.

I also added files to GitHub,
https://github.com/alamorobotics/W65C81 ... rd_VGA_SID
Attachments
Expansion_03.jpg
User avatar
Alamorobotics
Posts: 54
Joined: 30 Oct 2015
Location: Sweden

Re: W65C816SXB Expansion, Keyboard, VGA and Sound.

Post by Alamorobotics »

Got another VIA added, it will be used to communicate with the Propeller to generate VGA and sound...

Need to take a break from soldering and refresh my Eagle skills so I can make up the schematics...
Attachments
Added second VIA.
Added second VIA.
Not exactly beautiful but it works... ;-)
Not exactly beautiful but it works... ;-)
User avatar
Alamorobotics
Posts: 54
Joined: 30 Oct 2015
Location: Sweden

Re: W65C816SXB Expansion, Keyboard, VGA and Sound.

Post by Alamorobotics »

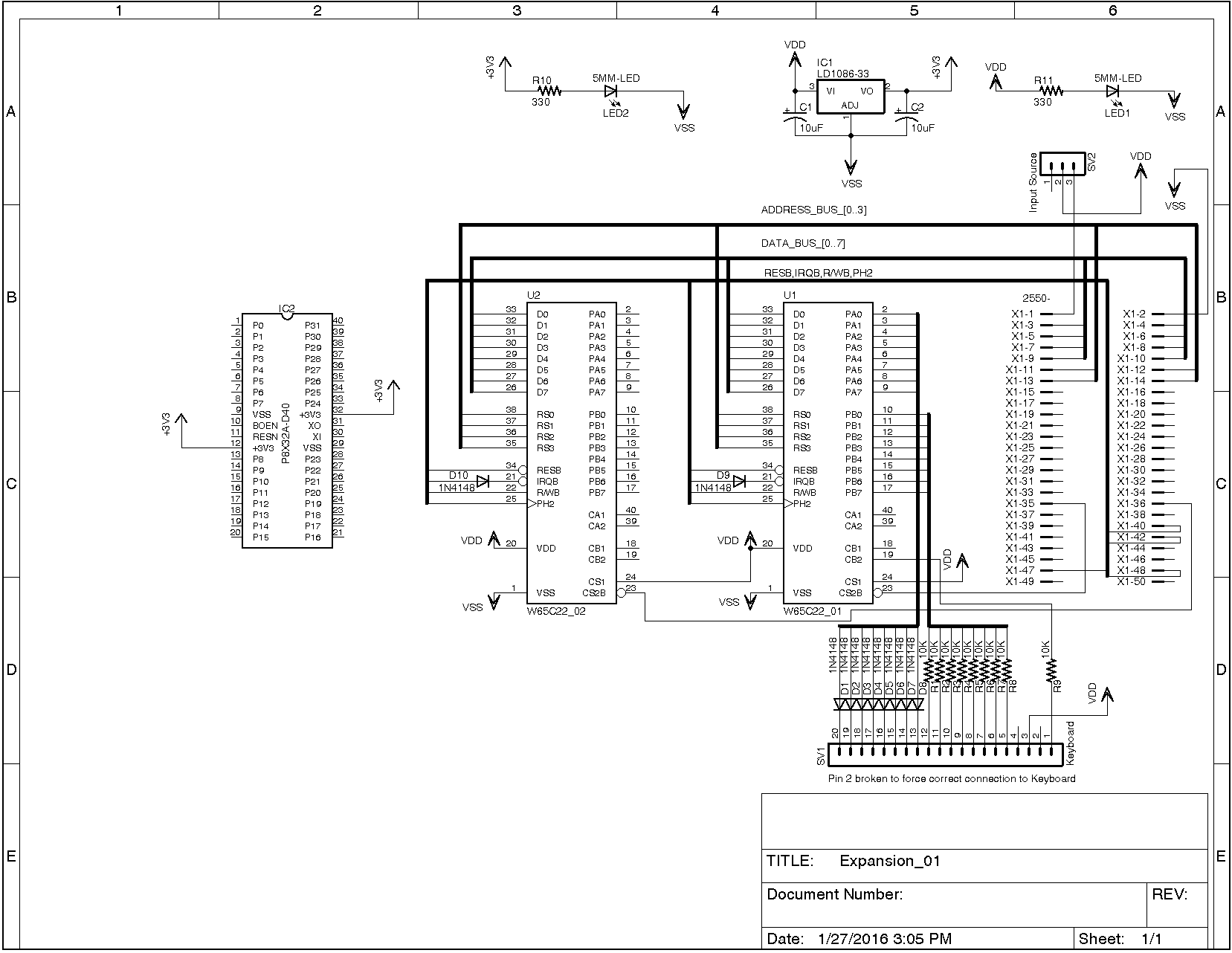
Got the first schematics added to GitHub...

https://github.com/alamorobotics/W65C81 ... rd_VGA_SID
Attachments
Schematics_01.png
User avatar
GARTHWILSON
Forum Moderator
Posts: 8773
Joined: 30 Aug 2002
Location: Southern California
Contact:

Re: W65C816SXB Expansion, Keyboard, VGA and Sound.

Post by GARTHWILSON »

What is that schematic software so many use? Can the default colors be changed? That gray writing is awfully hard to read!!
http://WilsonMinesCo.com/ lots of 6502 resources
The "second front page" is http://wilsonminesco.com/links.html .
What's an additional VIA among friends, anyhow?
User avatar
BitWise
In Memoriam
Posts: 996
Joined: 02 Mar 2004
Location: Berkshire, UK
Contact:

Re: W65C816SXB Expansion, Keyboard, VGA and Sound.

Post by BitWise »

GARTHWILSON wrote:
What is that schematic software so many use? Can the default colors be changed? That gray writing is awfully hard to read!!
Looks like CadSoft Eagle.
Andrew Jacobs
6502 & PIC Stuff - http://www.obelisk.me.uk/
Cross-Platform 6502/65C02/65816 Macro Assembler - http://www.obelisk.me.uk/dev65/
Open Source Projects - https://github.com/andrew-jacobs
User avatar
GARTHWILSON
Forum Moderator
Posts: 8773
Joined: 30 Aug 2002
Location: Southern California
Contact:

Re: W65C816SXB Expansion, Keyboard, VGA and Sound.

Post by GARTHWILSON »

Thanks. I just wrote to them about it.
http://WilsonMinesCo.com/ lots of 6502 resources
The "second front page" is http://wilsonminesco.com/links.html .
What's an additional VIA among friends, anyhow?
Klaus2m5
Posts: 442
Joined: 28 Jul 2012
Location: Wiesbaden, Germany

Re: W65C816SXB Expansion, Keyboard, VGA and Sound.

Post by Klaus2m5 »

I usually export circuit diagrams from eagle with the monochrome option set.
Eagle_export.png
Eagle_export.png (18.79 KiB) Viewed 1787 times
6502 sources on GitHub: https://github.com/Klaus2m5
User avatar
Arlet
Posts: 2353
Joined: 16 Nov 2010
Location: Gouda, The Netherlands
Contact:

Re: W65C816SXB Expansion, Keyboard, VGA and Sound.

Post by Arlet »

You can also use the 'Black' option in the print to PDF/Postscript dialog.

In addition, all colors in the schematic editor can be customized.
User avatar
BigDumbDinosaur
Posts: 9425
Joined: 28 May 2009
Location: Midwestern USA (JB Pritzker’s dystopia)
Contact:

Re: W65C816SXB Expansion, Keyboard, VGA and Sound.

Post by BigDumbDinosaur »

Alamorobotics wrote:
Got the first schematics added to GitHub...

https://github.com/alamorobotics/W65C81 ... rd_VGA_SID
Can you post that in monochrome, please, for the benefit of the old, color-blind folks around here? :lol:
x86?  We ain't got no x86.  We don't NEED no stinking x86!
User avatar
Alamorobotics
Posts: 54
Joined: 30 Oct 2015
Location: Sweden

Re: W65C816SXB Expansion, Keyboard, VGA and Sound.

Post by Alamorobotics »

Howdy...

Here is the monochrome version of the schematics.
I added the Propeller and 3.3V power supply over lunch.

Is there a way to export to PDF ?
That would probably be even better.
Still learning Eagle cad...
Attachments
Schematics_02.png
User avatar
BigDumbDinosaur
Posts: 9425
Joined: 28 May 2009
Location: Midwestern USA (JB Pritzker’s dystopia)
Contact:

Re: W65C816SXB Expansion, Keyboard, VGA and Sound.

Post by BigDumbDinosaur »

Alamorobotics wrote:
Howdy...

Here is the monochrome version of the schematics.
I added the Propeller and 3.3V power supply over lunch.

Is there a way to export to PDF ?
That would probably be even better.
Still learning Eagle cad...
I have Adobe Acrobat Standard installed on my Windows box, which appears to programs as a printer. Not sure what other methods might work for you.

BTW, diodes D9 and D10 should be Schottkys. The forward drop of the 1N4148 will likely prevent the 65C22s' IRQB output from pulling the MPU's IRQB input low enough to be recognized as an interrupt.
x86?  We ain't got no x86.  We don't NEED no stinking x86!
User avatar
Arlet
Posts: 2353
Joined: 16 Nov 2010
Location: Gouda, The Netherlands
Contact:

Re: W65C816SXB Expansion, Keyboard, VGA and Sound.

Post by Arlet »

Alamorobotics wrote:
Is there a way to export to PDF ?
That would probably be even better.
Still learning Eagle cad...
Yes, go to the Print menu, and in the printer selection choose "Print to File (PDF)". If you have more than 1 sheet, don't forget to select "All", otherwise it will only print the first sheet.
User avatar
Alamorobotics
Posts: 54
Joined: 30 Oct 2015
Location: Sweden

Re: W65C816SXB Expansion, Keyboard, VGA and Sound.

Post by Alamorobotics »

Howdy...

I finished up the Propeller schematics and did a print to PDF, I think this would be the best way to post schematics.
Or do we prefer the monochrome ?

I'm not sure why there are diodes on the IRQ for the W65C22, the schematics I copied had them so I threw them in there... :lol:
http://www.westerndesigncenter.com/wdc/ ... 816SXB.pdf
They should not cause me any problems since I don't plan to use the IRQ for now..

Any thoughts about the diodes ?
Attachments
Expansion_01.pdf
(33.07 KiB) Downloaded 96 times
User avatar
GARTHWILSON
Forum Moderator
Posts: 8773
Joined: 30 Aug 2002
Location: Southern California
Contact:

Re: W65C816SXB Expansion, Keyboard, VGA and Sound.

Post by GARTHWILSON »

Alamorobotics wrote:
I'm not sure why there are diodes on the IRQ for the W65C22. The schematics I copied had them so I threw them in there... :lol:
http://www.westerndesigncenter.com/wdc/ ... 816SXB.pdf
They should not cause me any problems since I don't plan to use the IRQ for now..

Any thoughts about the diodes ?
I address them on the 6502 primer page in IRQ/NMI connections, starting at about the middle of the page, at http://wilsonminesco.com/6502primer/IRQconx.html .
http://WilsonMinesCo.com/ lots of 6502 resources
The "second front page" is http://wilsonminesco.com/links.html .
What's an additional VIA among friends, anyhow?
Post Reply