10.738Mhz crystal

Let's talk about anything related to the 6502 microprocessor.
magetoo
Posts: 42
Joined: 04 Jun 2015

Re: 10.738Mhz crystal

Post by magetoo »

First!

As in, my first post, and also: when you come across an odd frequency like this, the first thing to do is to check if it is a multiple of some common frequency, or if there is a common frequency that is a multiple of it. Then check a list like this one in case you missed it.

Turns out that 10.738 is three times 3.579545, or "NTSC M color subcarrier", which makes sense. 3.579MHz crystals are ten cent each at Tayda (plus shipping); they are likely to be free if you can get a hot soldering iron near a large enough pile of electronic junk. (150.00MHz divided by 14 is pretty close too - just 0.22% low. That'd certainly be good enough if we were talking about a baud rate generator, but I don't know about video.)


Now you have a different problem, how to use an N Hz oscillator to get a 3N frequency out. You need to either build an overtone oscillator circuit, one that forces oscillation at a harmonic other than the fundamental frequency of the crystal, or somehow multiply the frequency by three.

Does the TMS9929 expect to have a crystal directly connected? It might be that the "10.738MHz" crystals are actually 3.579MHz crystals operated at their third harmonic. That would mean that the exotic special-manufacture part specified could in reality be just a cheap standard part that's rebadged. I have no idea if this is likely, but it seems like the cheapest obvious solution, maybe that's what a sneaky chip designer thought too.

Or you might have to build your own overtone oscillator circuit. I don't know how to do this, exactly, but maybe your friendly neighborhood search engine does. As far as I know, it's not a terribly exotic thing to do.


If that's not an option, the easiest way would probably be to just get a programmable oscillator module. Then again, that likely means ordering from a major distributor like Digikey.

The last option I can think of is wiring up a straightforward 3.579MHz oscillator with a few inverters, and pick out the third harmonic of the resulting square wave with an LC filter, but that's RF magic that I won't pretend to know anything about. (Unlike previous suggestions, which I will pretend to know something about.)
User avatar
lenzjo
Posts: 42
Joined: 03 May 2015
Location: London, UK
Contact:

Re: 10.738Mhz crystal

Post by lenzjo »

magetoo wrote:
First!

As in, my first post, and also: when you come across an odd frequency like this, the first thing to do is to check if it is a multiple of some common frequency, or if there is a common frequency that is a multiple of it. Then check a list like this one in case you missed it.
Nice list, thx.
magetoo wrote:
Turns out that 10.738 is three times 3.579545, or "NTSC M color subcarrier", which makes sense. 3.579MHz crystals are ten cent each at Tayda (plus shipping); they are likely to be free if you can get a hot soldering iron near a large enough pile of electronic junk. (150.00MHz divided by 14 is pretty close too - just 0.22% low. That'd certainly be good enough if we were talking about a baud rate generator, but I don't know about video.)
That's the one thing that makes least sense to me... the TMS9929 is the PAL version in the TMS99x9 series and PAL is 4.43Mhz which does not multiply to 10.736...
magetoo wrote:
Now you have a different problem, how to use an N Hz oscillator to get a 3N frequency out. You need to either build an overtone oscillator circuit, one that forces oscillation at a harmonic other than the fundamental frequency of the crystal, or somehow multiply the frequency by three.

Does the TMS9929 expect to have a crystal directly connected? It might be that the "10.738MHz" crystals are actually 3.579MHz crystals operated at their third harmonic. That would mean that the exotic special-manufacture part specified could in reality be just a cheap standard part that's rebadged. I have no idea if this is likely, but it seems like the cheapest obvious solution, maybe that's what a sneaky chip designer thought too.
From the datasheet
Quote:
OSCILLATOR AND CLOCK GENERATION
The VDP is designed to operate with a 10.738635 (± 0.005) MHz crystal input to generate the required internal clock signals. A fundamental-frequency parallel-mode crystal is the frequency reference for the internal clock oscillator, which is the master time base for all system operations.
So I would say yes.
magetoo wrote:
If that's not an option, the easiest way would probably be to just get a programmable oscillator module. Then again, that likely means ordering from a major distributor like Digikey.
Good idea about a programmable oscillator, they're cheap at £2-£3 each, and looking at the data-book the TMS9929 can use an oscillator. Except you need a programmer, my mini pro won't do it and all suppliers that I looked at won't show price they are all "call for quote" which usually means expensive in relative terms.

magetoo wrote:
The last option I can think of is wiring up a straightforward 3.579MHz oscillator with a few inverters, and pick out the third harmonic of the resulting square wave with an LC filter, but that's RF magic that I won't pretend to know anything about. (Unlike previous suggestions, which I will pretend to know something about.)
And now you've kinda lost me... digital I'm okay with, but analogue stuff? I understand what your saying but implementing it is something else. All my life I've wanted to learn, just never had the time and oportunity to do so.
All my stuff
User avatar
GARTHWILSON
Forum Moderator
Posts: 8773
Joined: 30 Aug 2002
Location: Southern California
Contact:

Re: 10.738Mhz crystal

Post by GARTHWILSON »

lenzjo wrote:
magetoo wrote:
The last option I can think of is wiring up a straightforward 3.579MHz oscillator with a few inverters, and pick out the third harmonic of the resulting square wave with an LC filter, but that's RF magic that I won't pretend to know anything about. (Unlike previous suggestions, which I will pretend to know something about.)
And now you've kinda lost me... digital I'm okay with, but analogue stuff? I understand what your saying but implementing it is something else. All my life I've wanted to learn, just never had the time and oportunity to do so.
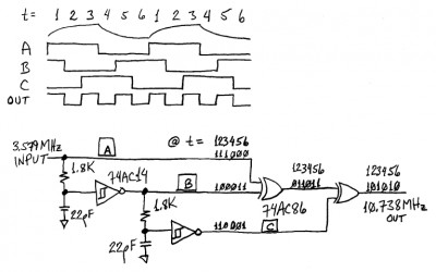
One way that comes to mind is:
f_tripler.jpg
The value of the 1.8K resistors will need to be variable (perhaps start with 2.5K trimmers) to adjust for the size of the hysteresis in the 74AC14 Schmitt-trigger inverters and variations in the capacitance of their inputs and of the 22pF capacitors plus traces, sockets, etc.. Adjusting while eyeballing the waveform on an oscilloscope will give an accurate-enough duty cycle.

The very top waveform shown would be at the input of the first Schmitt-trigger inverter. (I'm not suggesting looking at it on the oscilloscope, as the scope's input capacitance will have a significant impact on timings.)
http://WilsonMinesCo.com/ lots of 6502 resources
The "second front page" is http://wilsonminesco.com/links.html .
What's an additional VIA among friends, anyhow?
User avatar
lenzjo
Posts: 42
Joined: 03 May 2015
Location: London, UK
Contact:

Re: 10.738Mhz crystal

Post by lenzjo »

hey thx Garth, that looks doable. Are the caps okay being ceramic or should I use a mylar or other?
All my stuff
User avatar
Dr Jefyll
Posts: 3525
Joined: 11 Dec 2009
Location: Ontario, Canada
Contact:

Re: 10.738Mhz crystal

Post by Dr Jefyll »

Another option for you, lenzjo, is the Phase Locked Loop (PLL) approach. A voltage-controlled oscillator (VCO) generates the high frequency used as the output. This output is also divided (by three, in this case) and compared with the reference -- 3.579MHz in this case. The result of the comparison is used to continuously trim (control) the operating frequency of the VCO and keep it on spec (ie, triple the reference frequency).

If you had to build all that yourself then it would be a lot more work than Garth's circuit. But PLLs are so handy they have been made available as all-in-one IC's. Attached is a datasheet for an example of such a product, one of many which are available. I found this one by using the product search on Digikey under Integrated Circuits (ICs) > Clock/Timing - Clock Generators, PLLs, Frequency Synthesizers. You may wish to use their product search even if you end up purchasing from a different supplier. Digikey currently stocks the NB3N511, priced around USD $5 in single-unit quantities.

If you choose this approach, hopefully you will find the space-saving .05" pitch SOIC package to still be solderable -- ie, not too space-saving! :D

-- Jeff
NB3N511-D.pdf
(105.12 KiB) Downloaded 77 times
PLL block diagram.gif
PLL block diagram.gif (11.62 KiB) Viewed 946 times
In 1988 my 65C02 got six new registers and 44 new full-speed instructions!
https://laughtonelectronics.com/Arcana/ ... mmary.html
User avatar
lenzjo
Posts: 42
Joined: 03 May 2015
Location: London, UK
Contact:

Re: 10.738Mhz crystal

Post by lenzjo »

Now that is more like it - a one chip solution, I had a look on RS and Farnell, not a DIP package in sight... sigh.... I'll keep looking though for an adapter so I can use one on a bread board.
All my stuff
User avatar
Dr Jefyll
Posts: 3525
Joined: 11 Dec 2009
Location: Ontario, Canada
Contact:

Re: 10.738Mhz crystal

Post by Dr Jefyll »

Looking more closely, I see the NB3N511 expects a crystal in the range of 5 − 32 MHz, meaning you can't simply attach a 3.579MHz crystal. But attaching a 3.579MHz oscillator is alright. The input Clock Frequency Range is 1 − 50 MHz.

The NB3N511 is capable of nine different ratios, as shown.

Using the product search may uncover other options. It's actually the product search I intended to recommend, more so than any specific chip.
Quote:
I'll keep looking though for an adapter so I can use one on a bread board.
In a pinch you can use an 8-pin header instead of a SOIC-to-DIP adapter. With only 8 leads, it's manageable to simply attach tiny jumper wires.
Attachments
NB3N511 ratios.gif
NB3N511 ratios.gif (9.39 KiB) Viewed 937 times
In 1988 my 65C02 got six new registers and 44 new full-speed instructions!
https://laughtonelectronics.com/Arcana/ ... mmary.html
User avatar
GARTHWILSON
Forum Moderator
Posts: 8773
Joined: 30 Aug 2002
Location: Southern California
Contact:

Re: 10.738Mhz crystal

Post by GARTHWILSON »

lenzjo wrote:
hey thx Garth, that looks doable. Are the caps okay being ceramic or should I use a mylar or other?
Ceramic, definitely!

It could be a one-chip solution if there were such a thing as a quad XNOR with Schmitt-trigger inputs. I originally drew it up with XNOR, and then found out it doesn't exist.
http://WilsonMinesCo.com/ lots of 6502 resources
The "second front page" is http://wilsonminesco.com/links.html .
What's an additional VIA among friends, anyhow?
magetoo
Posts: 42
Joined: 04 Jun 2015

Re: 10.738Mhz crystal

Post by magetoo »

lenzjo wrote:
magetoo wrote:
Turns out that 10.738 is three times 3.579545, or "NTSC M color subcarrier"
That's the one thing that makes least sense to me... the TMS9929 is the PAL version in the TMS99x9 series and PAL is 4.43Mhz which does not multiply to 10.736...
It could be a copy/paste error and the values comes from an NTSC datasheet. The values are not related in any obvious way I could see, so generating PAL frequencies from an NTSC master clock wouldn't be trivial. Picking a more obvious frequency from the start makes more sense, so I think it's the wrong value.

PAL 4.433MHz times three is almost exactly 13.300MHz, maybe that's an easier one to find?
Quote:
From the datasheet
Quote:
A fundamental-frequency parallel-mode crystal is the frequency reference
Wow, so in order to use the chip you really had to have the exact frequency custom made. (Ok, maybe that's not a big deal if you are making a commercial product.)
Quote:
Good idea about a programmable oscillator, they're cheap at £2-£3 each, and looking at the data-book the TMS9929 can use an oscillator. Except you need a programmer
I meant something more along the lines of the I2C-programmable oscillator modules (or maybe they're refered to as "frequency synthesizers"?) that I've seen from Maxim like, let's see... the DS1077. That's a fixed-frequency oscillator (no crystal needed) with programmable dividers in an 8-pin SOIC package. Should be around £2 on Digikey unless I completely messed up the conversion.

Edit: I goofed on the description of the DS1077. Thought it was a PLL-and-VCO architecture but was thinking of something else.

Edit 2: And thinking about it, using only dividers the step size is much too large to be useful. I was probably thinking of something else, maybe the more expensive DS1085 that does have a more finely adjustable VCO as its master oscillator. But at that price there are better options.
Post Reply