VDU, V9958
VDU, V9958
hi guys
i am playing with so pretty old hardware stuff and i wander if anyone has already realized a PCB with a V9958 on it, plus DRAM and the proper interface an RGB-S device
also, i am looking for any examples about the sw side
let me know
i am playing with so pretty old hardware stuff and i wander if anyone has already realized a PCB with a V9958 on it, plus DRAM and the proper interface an RGB-S device
also, i am looking for any examples about the sw side
let me know
Re: VDU, V9958
You can have a look at the MSX machines with a V9958.
Like the turbo-R. Circuit is in the service manual on http://msx.hansotten.com
Like the turbo-R. Circuit is in the service manual on http://msx.hansotten.com
Re: VDU, V9958
After Aslak3 successfully made an interface for the V9958 to his 6809 SBC, I made my own for the 65xxx CPU and modified the RGB output to get a better picture.
Furthermore I took the output drivers from a schematic which HansO provided.
(see attachment)
So credit goes to Aslak3 and HansO. The picture is stable and sharp. Picture quality depends very much on a clean power supply provided for the VDP.
Furthermore I took the output drivers from a schematic which HansO provided.
(see attachment)
So credit goes to Aslak3 and HansO. The picture is stable and sharp. Picture quality depends very much on a clean power supply provided for the VDP.
Marco
Re: VDU, V9958
thank you guys
could i ask if there is a library or a piece of code that shows how to use the blitter and such a things about V9958 ?
i am planning to realize a PCB with a V9958 on it, and a library to use it.
could i ask if there is a library or a piece of code that shows how to use the blitter and such a things about V9958 ?
i am planning to realize a PCB with a V9958 on it, and a library to use it.
Re: VDU, V9958
about the VDU, i see you have {R,G,B,H_sync,C_sync}
C_sync stands for "Composite SYNC output", so the VDU is RGB-S compatible
wandering what is H_sync useful for …
umm, it seems TMS9918/28/29 doesn't do RGB-S
the V9958 there is no separate Vsync output, V9958 does RGB-S, so it output Csync only.
and reading its data sheet of V9958, the Hsync is the horisontal part of the Csync signal.
So the Csync contains both Hsync and Vsync, but how are they mixed ?
a few hypothesis:
C_sync stands for "Composite SYNC output", so the VDU is RGB-S compatible
wandering what is H_sync useful for …
umm, it seems TMS9918/28/29 doesn't do RGB-S
the V9958 there is no separate Vsync output, V9958 does RGB-S, so it output Csync only.
and reading its data sheet of V9958, the Hsync is the horisontal part of the Csync signal.
So the Csync contains both Hsync and Vsync, but how are they mixed ?
a few hypothesis:
- Csync = Hsync AND Vsync
- Csync = Hsync XOR Vsync
- Csync = Hsync -?- Vsync
Re: VDU, V9958
I think you can use an LM 1881 Video Sync Separator to separates Csync into Hsync and Vsync.
http://www.ti.com/lit/ds/symlink/lm1881.pdf
Why, do you want to connect it to a VGA monitor? If so, the VGA monitor has accept 31kHz, and as far as I know, only old MultySync monitors can do that.
Edit:
I don’t use a library, so far, I programmed it from the datasheets from the
• TMS9918
• V9938
• V9958
since the V9958 is backward compatible to those other two.
• TMS9918
http://www.cs.columbia.edu/~sedwards/papers/TMS9918.pdf
http://map.grauw.nl/resources/video/ti- ... -guide.pdf
http://bifi.msxnet.org/msxnet/tech/tms9918a.txt
• V9938
http://rs.gr8bit.ru/Documentation/V9938 ... -guide.pdf
http://bitsavers.informatik.uni-stuttga ... _Aug85.pdf
http://www.konamiman.com/msx/msx2th/th-4a.txt
• V9958
http://primrosebank.net/computers/mtx/t ... l_v1.0.pdf
http://www.ti.com/lit/ds/symlink/lm1881.pdf
Why, do you want to connect it to a VGA monitor? If so, the VGA monitor has accept 31kHz, and as far as I know, only old MultySync monitors can do that.
Edit:
I don’t use a library, so far, I programmed it from the datasheets from the
• TMS9918
• V9938
• V9958
since the V9958 is backward compatible to those other two.
• TMS9918
http://www.cs.columbia.edu/~sedwards/papers/TMS9918.pdf
http://map.grauw.nl/resources/video/ti- ... -guide.pdf
http://bifi.msxnet.org/msxnet/tech/tms9918a.txt
• V9938
http://rs.gr8bit.ru/Documentation/V9938 ... -guide.pdf
http://bitsavers.informatik.uni-stuttga ... _Aug85.pdf
http://www.konamiman.com/msx/msx2th/th-4a.txt
• V9958
http://primrosebank.net/computers/mtx/t ... l_v1.0.pdf
Marco
Re: VDU, V9958

Sony Playstation LCD, aka PSOne LCD
lordbubsy wrote:
Why, do you want to connect it to a VGA monitor? If so, the VGA monitor has accept 31kHz, and as far as I know, only old MultySync monitors can do that.
i have also been designing a VDU in vhdl, i have realized something (a few vhdl lines of code for a very simple bitmap frame buffer) that works for a VGA lcd, so i am using H and V sync, as they are described in the VGA documentation.
For the V9958 & my VDU-fpga-project I'd like to use the Sony Playstation LCD, which is RGB-S, so, in order to re-use what i have done for VGA i need to combine my actual H_sync and V_sync into a C_sync in order to inter the PSOne LCD
The PSOne LCD AV-connecotr has these signals
- video_R
- video_G
- video_B
- video_composite Sync
- LCD_enable
- sound_right
- sound_left
BTW, about C_Sync, it seems it is derived from the following circuit

Re: VDU, V9958
this page is teaching something about
we know that
that's what the XOR in the diagram is doing
or not ?
what do you think, guys
we know that
- composite sync is a combination of horizontal sync and vertical sync
- horizontal sync is short, frequent pulses
- vertical sync is much less frequent, much longer pulses
- H_sync pulses still occur during the V_sync
that's what the XOR in the diagram is doing
or not ?
what do you think, guys
Re: VDU, V9958
hi
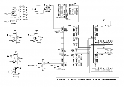
an other question: the DRAM TMS4464 is 4 bit, so we need 2xTMS4464 (each DRAM is 64K word, each word is 4bit), and this means having a total of 4 chips (or 6 chip in the expansion memory schema)
is there a DRAM memory, compatible with the V9958, which is already 8bit ? just to reduce the number of chips on the PCB
edit:
i was wrong the HM4864P is 64Kbit, not Kbyte
an other question: the DRAM TMS4464 is 4 bit, so we need 2xTMS4464 (each DRAM is 64K word, each word is 4bit), and this means having a total of 4 chips (or 6 chip in the expansion memory schema)
is there a DRAM memory, compatible with the V9958, which is already 8bit ? just to reduce the number of chips on the PCB
edit:
i was wrong the HM4864P is 64Kbit, not Kbyte
Last edited by legacy on Thu Jan 22, 2015 10:28 am, edited 1 time in total.
Re: VDU, V9958
Quote:
just to reduce the number of chips on the PCB
Re: VDU, V9958
Another possibility is to use static RAMs by latching the RAS/CAS addresses.
Re: VDU, V9958
Rob Finch wrote:
Another possibility is to use static RAMs by latching the RAS/CAS addresses
Re: VDU, V9958
what do you think about using a 30-pin SIMM module ?
Code: Select all
30-pin SIMMS have 12 address lines, which can provide a total of 24 address bits. With an 8 bit data width, this leads to an absolute maximum capacity of 16 MB for both parity and non-parity modules (the additional redundancy bit chip usually does not contribute to the usable capacity).
30-pin SIMM Memory Module
Pin # Name Signal Description Pin # Name Signal Description
1 VCC +5 VDC 16 DQ4 Data 4
2 /CAS Column Address Strobe 17 A8 Address 8
3 DQ0 Data 0 18 A9 Address 9
4 A0 Address 0 19 A10 Address 10
5 A1 Address 1 20 DQ5 Data 5
6 DQ1 Data 1 21 /WE Write Enable
7 A2 Address 2 22 VSS Ground
8 A3 Address 3 23 DQ6 Data 6
9 VSS Ground 24 A11 Address 11
10 DQ2 Data 2 25 DQ7 Data 7
11 A4 Address 4 26 QP* Data parity out
12 A5 Address 5 27 /RAS Row Address Strobe
13 DQ3 Data 3 28 /CASP* Parity Column Address Strobe
14 A6 Address 6 29 DP* Data parity in
15 A7 Address 7 30 VCC +5 VDC
* Pins 26, 28 and 29 are not connected on non-parity SIMMs.
Re: VDU, V9958
For those following at home, there's a parallel discussion on the same lines starting around here:
http://anycpu.org/forum/viewtopic.php?f ... t=15#p1038
http://anycpu.org/forum/viewtopic.php?f ... t=15#p1038
Re: VDU, V9958

guys, a foolish question: where can i buy an adapter like to one in the figure ?
that guy has realized it to be home-made realized but i do not have the equipment to realize such a things, so … i could design it and ask a Service to realize it for me, or … buy it already done
it should be useful to "try & toy" with hardware configurations, e.g. try to use a SIM30, or a SIM72, or something like that