Breaking 6502 apart

Topics pertaining to the emulation or simulation of the 65xx microprocessors and their peripheral chips.
User avatar
BigEd
Posts: 11463
Joined: 11 Dec 2008
Location: England
Contact:

Re: Breaking 6502 apart

Post by BigEd »

Thanks for the update!
User avatar
org
Posts: 201
Joined: 22 Jun 2012
Contact:

Re: Breaking 6502 apart

Post by org »

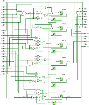
Remastered Flags & Buses.
Attachments
FLAGS.png
BUSES.png
6502 addict
User avatar
BigEd
Posts: 11463
Joined: 11 Dec 2008
Location: England
Contact:

Re: Breaking 6502 apart

Post by BigEd »

Pointers to what looks like the final results of this reverse-engineering project:
https://commons.wikimedia.org/wiki/File ... S_6502.jpg [Transistor-annotated 6502 die image]
http://wiki.breaknes.com/ [in Russian]
Post Reply