major speedup with 65C02 I/O mapped into zero-page
Re: huge speedup with 65C02 I/O mapped into zero-page
On the point that zp-I/O devices will need to be fully decoded, note that on-chip decoding is pretty cheap. That's why the 6510 and WDC's SoC offerings can do it. An FPGA 6502 could also do on-chip decoding - either with the I/O devices also on-chip, or by outputting some useful decoded signals, such as 'zp' or even 'bottom 16 bytes of zp' or indeed even a specific chip-select.
A design which uses a CPLD to deal with the address bus could also output a fully decoded chip select, or a partially decoded signal.
Cheers
Ed
A design which uses a CPLD to deal with the address bus could also output a fully decoded chip select, or a partially decoded signal.
Cheers
Ed
Re: huge speedup with 65C02 I/O mapped into zero-page
BigEd wrote:
An FPGA 6502 could also do on-chip decoding - either with the I/O devices also on-chip, or by outputting some useful decoded signals
GARTHWILSON wrote:
Using your single-cycle output port [...] takes it down to 121 cycles
By adding an AND (or NAND) gate as shown, the code to input the MISO signal speeds up due to elimination of the "BIT VIA3PB" instruction -- or whatever you're presently using. You'd need to execute CLV after a "1" is received, but it's still faster. (If you're not presently able to use BIT, then you'll have some much-slower alternative -- and greater potential for speedup.)
- Attachments
-
- Ultra-fast_65c02_SPI_IO.gif (5.91 KiB) Viewed 2045 times
In 1988 my 65C02 got six new registers and 44 new full-speed instructions!
https://laughtonelectronics.com/Arcana/ ... mmary.html
https://laughtonelectronics.com/Arcana/ ... mmary.html
Re: huge speedup with 65C02 I/O mapped into zero-page
At least the following:
(1) M65C02 on GitHUB or M65C02 on OpenCores
(2) cpu65c02_true_cycle on OpenCores
(1) M65C02 on GitHUB or M65C02 on OpenCores
(2) cpu65c02_true_cycle on OpenCores
Michael A.
Re: huge speedup with 65C02 I/O mapped into zero-page
Excellent, Michael! Evidently I was fixating on Arlet's core. Thanks for correcting me.
In 1988 my 65C02 got six new registers and 44 new full-speed instructions!
https://laughtonelectronics.com/Arcana/ ... mmary.html
https://laughtonelectronics.com/Arcana/ ... mmary.html
- GARTHWILSON
- Forum Moderator
- Posts: 8773
- Joined: 30 Aug 2002
- Location: Southern California
- Contact:
Re: huge speedup with 65C02 I/O mapped into zero-page
That's the first time I've ever seen what I consider to be a truly legitimate use of SO\, due to connecting it to the single-cycle output port with a NAND to help control when the edge is accepted.
The fine-grained onboard address decoding in the 65134 and '265 seem to cut its speed in half compared to the 'c02 and '816. Admittedly other microcontrollers are reaching far greater clock speeds in spite of their fine-grained onboard address decoding, and I don't know if it's just a different wafer process or if it's because of greater pipelining. [Edit: Three years later, Bill Mensch told me the '134 and '265 may indeed go a lot faster than specified, but they just haven't tested them to that.]
The fine-grained onboard address decoding in the 65134 and '265 seem to cut its speed in half compared to the 'c02 and '816. Admittedly other microcontrollers are reaching far greater clock speeds in spite of their fine-grained onboard address decoding, and I don't know if it's just a different wafer process or if it's because of greater pipelining. [Edit: Three years later, Bill Mensch told me the '134 and '265 may indeed go a lot faster than specified, but they just haven't tested them to that.]
http://WilsonMinesCo.com/ lots of 6502 resources
The "second front page" is http://wilsonminesco.com/links.html .
What's an additional VIA among friends, anyhow?
The "second front page" is http://wilsonminesco.com/links.html .
What's an additional VIA among friends, anyhow?
Re: huge speedup with 65C02 I/O mapped into zero-page
(Those chips may run slower but I can't see that we know enough to blame the on-chip address decoding. For the 16-bit PC to increment in a clock cycle, it's necessary to detect &7FFF - that's a 15-input gate, in effect. In practice it isn't a 15-input gate, but hopefully you see the point.)
Re: huge speedup with 65C02 I/O mapped into zero-page
BigEd wrote:
Those chips may run slower but I can't see that we know enough to blame the on-chip address decoding.
GARTHWILSON wrote:
That's the first time I've ever seen what I consider to be a truly legitimate use of SO\, due to connecting it to the single-cycle output port with a NAND to help control when the edge is accepted.
In 1988 my 65C02 got six new registers and 44 new full-speed instructions!
https://laughtonelectronics.com/Arcana/ ... mmary.html
https://laughtonelectronics.com/Arcana/ ... mmary.html
- BigDumbDinosaur
- Posts: 9425
- Joined: 28 May 2009
- Location: Midwestern USA (JB Pritzker’s dystopia)
- Contact:
Re: huge speedup with 65C02 I/O mapped into zero-page
Dr Jefyll wrote:
Wasn't /SO used on a Commodore disk drive or something like that? In any case, you'd have to control when the edge is accepted... unless you're willing to entirely forego normal use of the Overflow flag. (Maybe there's no call for signed arithmetic in a Commodore disk drive!)
I used SOB (that's what WDC calls it) in a 65C02 SBC about 22 years ago for my DREQ (DMA request) connection with an NCR 53C90A SCSI controller, the ancestor of the 54C94 I'm using in POC. A BVC to itself watched for a transition and then the read or write access occurred, followed by CLV and a return to the BVC loop. Wish I could do that with the 65C816.
x86? We ain't got no x86. We don't NEED no stinking x86!
Re: huge speedup with 65C02 I/O mapped into zero-page
As an aside, about the SO pin, formerly known as CPS (for Chuck Peddle Special)...
Before WDC, there was MOS, and:
(from http://www.commodore.ca/commodore-histo ... -the-6502/)
BigDumbDinosaur wrote:
I used SOB (that's what WDC calls it)
Quote:
The group was not without humour. One of the important designers on this chip was Rod Orgill (who can be seen in this picture). Bill said that one of the 6502 pins is officially named SO (Set Overflow). “Chuck, Rod, and I know that it’s real name is Sam Orgill… Rods dog”.
Re: huge speedup with 65C02 I/O mapped into zero-page
BigDumbDinosaur wrote:
I used SOB (that's what WDC calls it) in a 65C02 SBC about 22 years ago [...] A BVC to itself watched for a transition and then the read or write access occurred, followed by CLV and a return to the BVC loop.
In 1988 my 65C02 got six new registers and 44 new full-speed instructions!
https://laughtonelectronics.com/Arcana/ ... mmary.html
https://laughtonelectronics.com/Arcana/ ... mmary.html
- BigDumbDinosaur
- Posts: 9425
- Joined: 28 May 2009
- Location: Midwestern USA (JB Pritzker’s dystopia)
- Contact:
Re: huge speedup with 65C02 I/O mapped into zero-page
Dr Jefyll wrote:
BigDumbDinosaur wrote:
I used SOB (that's what WDC calls it) in a 65C02 SBC about 22 years ago [...] A BVC to itself watched for a transition and then the read or write access occurred, followed by CLV and a return to the BVC loop.
x86? We ain't got no x86. We don't NEED no stinking x86!
Re: huge speedup with 65C02 I/O mapped into zero-page
Earlier in this thread...
One way to preserve maximum clock speed, even without programmable logic, is to wait-state the I/O. The resultant performance trade-off can be minimized, as explained later.
In the case of a 'C02 system that's lacking programmable logic, clocked at maximum speed, and using the wait-state solution, I/O in zero-page is still a clear win. An '816 system subject to all the same restrictions will have no benefit performance-wise; however, it and the 'C02 both save program memory by using zero-page/direct-page addressing mode.
Further improvement occurs if any of the restrictions are relaxed (slower clock, and/or programmable logic is available), because wait states become unnecessary. A 'C02 system will get 100% of the benefit of I/O in zero-page. Unfortunately the '816 doesn't have SMB RMB BBS and BBR instructions, but (like the 'C02) it will save one cycle and one byte for each occurrence of LDA STA BIT TSB TRB etc with zero-page/direct-page addressing.
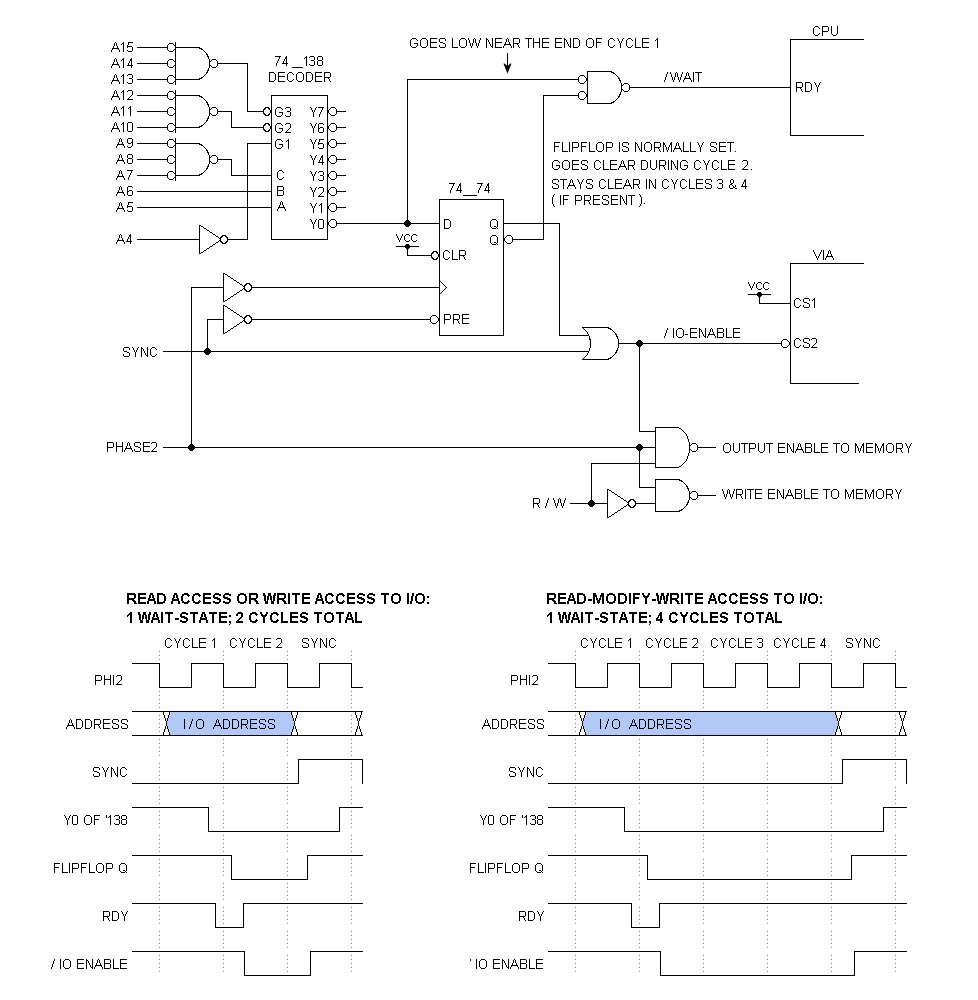
The circuit above includes wait state logic and full decoding for a 6522 VIA mapped into zero page. Read-Modify-Write instructions incur only one wait state, not three. This preserves the substantial performance advantage offered by SMB and RMB -- instructions custom tailored for fast I/O! The more general R-M-W instructions such as INC DEC TSB and TRB also incur only one wait state, as do simple reads and writes such as BIT LDA STA AND ORA etc.
If I were building this I'd use 74LVC1G332's for the three 3-input OR gates at the top left. These guys come in a painfully tiny 6-pin DIP but boast 3-ns maximum propagation delay. The 74_138 decoder is available in a long list of high-speed families, including 74AC and 74BCT.
In the timing diagrams, cycle one is the wait state, when the zero-page address first appears. Because no data is transfered in cycle 1, we're freed from the usual stipulation that the VIA CS must be asserted before Phase 2 begins. Instead it's sufficient merely to bring the CPU RDY input low tPCS before Phase 2 ends.
Memory is not yet inhibited, so an unused memory access occurs in cycle one. Since RDY gets pulled low in cycle 1, cycle 2 is the same address all over again -- but this time accessing the VIA instead of memory. In cycle 2 there's no difficulty getting the VIA chip-select asserted before Phase 2 begins, because tADS (the CPU address delay) and the decoder propagation delay have already elapsed -- those signals are stable.
Next we have either the beginning of the next instruction (marked by SYNC), or cycles 3 & 4 and then the beginning of the next instruction (marked by SYNC).
It's actually the SYNC signal that ends the VIA chip-select -- and here again we avoid the decoder propagation delay. The SYNC signal is passed to the VIA with just a single gate-delay (the 2-input OR). It's always this same path that ends the VIA chip select, regardless of whether the access is read-modify-write or just a simple read or write. That's why the two timing diagrams end with the identical sequence.
-- Jeff
GARTHWILSON wrote:
full address decoding [...] would reduce the maximum clock speed, unless I resorted to programmable logic.
In the case of a 'C02 system that's lacking programmable logic, clocked at maximum speed, and using the wait-state solution, I/O in zero-page is still a clear win. An '816 system subject to all the same restrictions will have no benefit performance-wise; however, it and the 'C02 both save program memory by using zero-page/direct-page addressing mode.
Further improvement occurs if any of the restrictions are relaxed (slower clock, and/or programmable logic is available), because wait states become unnecessary. A 'C02 system will get 100% of the benefit of I/O in zero-page. Unfortunately the '816 doesn't have SMB RMB BBS and BBR instructions, but (like the 'C02) it will save one cycle and one byte for each occurrence of LDA STA BIT TSB TRB etc with zero-page/direct-page addressing.
The circuit above includes wait state logic and full decoding for a 6522 VIA mapped into zero page. Read-Modify-Write instructions incur only one wait state, not three. This preserves the substantial performance advantage offered by SMB and RMB -- instructions custom tailored for fast I/O! The more general R-M-W instructions such as INC DEC TSB and TRB also incur only one wait state, as do simple reads and writes such as BIT LDA STA AND ORA etc.
If I were building this I'd use 74LVC1G332's for the three 3-input OR gates at the top left. These guys come in a painfully tiny 6-pin DIP but boast 3-ns maximum propagation delay. The 74_138 decoder is available in a long list of high-speed families, including 74AC and 74BCT.
In the timing diagrams, cycle one is the wait state, when the zero-page address first appears. Because no data is transfered in cycle 1, we're freed from the usual stipulation that the VIA CS must be asserted before Phase 2 begins. Instead it's sufficient merely to bring the CPU RDY input low tPCS before Phase 2 ends.
Memory is not yet inhibited, so an unused memory access occurs in cycle one. Since RDY gets pulled low in cycle 1, cycle 2 is the same address all over again -- but this time accessing the VIA instead of memory. In cycle 2 there's no difficulty getting the VIA chip-select asserted before Phase 2 begins, because tADS (the CPU address delay) and the decoder propagation delay have already elapsed -- those signals are stable.
Next we have either the beginning of the next instruction (marked by SYNC), or cycles 3 & 4 and then the beginning of the next instruction (marked by SYNC).
-- Jeff
Last edited by Dr Jefyll on Wed Jun 11, 2014 4:01 am, edited 1 time in total.
In 1988 my 65C02 got six new registers and 44 new full-speed instructions!
https://laughtonelectronics.com/Arcana/ ... mmary.html
https://laughtonelectronics.com/Arcana/ ... mmary.html
- barrym95838
- Posts: 2056
- Joined: 30 Jun 2013
- Location: Sacramento, CA, USA
Re: huge speedup with 65C02 I/O mapped into zero-page
I am not personally qualified to comment on the feasibility of your design, but I somehow feel the need to congratulate you for such a well-polished and attractive post, doc!
Mike
Mike
Re: huge speedup with 65C02 I/O mapped into zero-page
Thanks, Mike. I'm glad you find that post attractive, 'cause this one is gonna make ya wanna retch!Did I mention that the 74LVC1G332 comes in a painfully tiny package? Actually you have three options to choose from: painfully tiny, agonizingly tiny, and just stupifyingly small. I'd recommend the comparatively gargantuan DBV package, shown here to scale on a .1" grid of plate-through holes. Some people would find these excessively small for proto-board hacking, but I'm too stubborn to admit defeat, so here's how I'd deal with these puppies. (Really you want a PCB for these if you can manage it.)
In the arrangement at the top left we have the benefit of soldering four pins to the board, with the remaining two pins (2 & 5) requiring flying leads. Unfortunately those two are the power supply, and deserve the best connections. The other arrangement uses four flying leads, but the power pins can have solid connections (and possibly a SMD bypass cap) directly on the opposite side. Putting a little bend in the other four pins will ensure they don't contact anything they shouldn't, and wirewrap wire is a workable gauge for the flying leads.
Needless to say, pairing some 74LVC1G332's with a '138 is just one of many ways to decode a zero-page address. But the 3ns prop delay makes 74LVC1G332's very attractive.
-- Jeff
In the arrangement at the top left we have the benefit of soldering four pins to the board, with the remaining two pins (2 & 5) requiring flying leads. Unfortunately those two are the power supply, and deserve the best connections. The other arrangement uses four flying leads, but the power pins can have solid connections (and possibly a SMD bypass cap) directly on the opposite side. Putting a little bend in the other four pins will ensure they don't contact anything they shouldn't, and wirewrap wire is a workable gauge for the flying leads.
Needless to say, pairing some 74LVC1G332's with a '138 is just one of many ways to decode a zero-page address. But the 3ns prop delay makes 74LVC1G332's very attractive.
-- Jeff
In 1988 my 65C02 got six new registers and 44 new full-speed instructions!
https://laughtonelectronics.com/Arcana/ ... mmary.html
https://laughtonelectronics.com/Arcana/ ... mmary.html
- barrym95838
- Posts: 2056
- Joined: 30 Jun 2013
- Location: Sacramento, CA, USA
Re: huge speedup with 65C02 I/O mapped into zero-page
How about one of these little guys, Jeff?
Mike
Mike