i need a bit of help to identify if i can use this power supply with the european 220v ac
In the photo we seen the label saying, "Factory wired for... ". To me that wording implies that the input voltage is selectable, and that
the selection chosen at the factory can be altered in the field. IOW I think your power supply falls into category #3 of these four:
- supplies that only accept 110 VAC
- supplies that only accept 220 VAC
- supplies that can be configured to accept 110 or 220 VAC
- supplies have such broad tolerance they inherently accept any voltage as long as it's within the limits of nominal 110 to 220. These supplies do not require configuration.
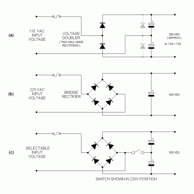
Supplies that can be configured to accept 110 or 220 feature a jumper or a selector switch that must be set correctly. What that does is alter the behavior of the rectifiers and filter capacitors that produce the unregulated DC which powers the SMPS. It's a clever and simple arrangement!
In the images above, diagram (c) shows the actual input wiring of a configurable supply, while (a) and (b) clarify the two modes implicit in (c).
Note: In (a), two of the diodes of diagram (c) cease to have any function. In (b), the two capacitors of diagram (c) function as -- and are shown as -- a single capacitor. BTW, category 1 and 2 supplies usually conform to diagram (b), using a single capacitor.
Are you able to locate two fairly large capacitors of identical ratings? That's an indication your supply may be configurable. Another indication is the "Factory wired for... " label. Are you able to locate a switch or jumper?
A few
warnings:
- Be aware that lethal voltages are present. When the covers are removed a shock hazard exists.
- Inappropriate setting of the switch/jumper will damage the device.
- When reconfiguring from 110 to 220, the fuse should be replaced by one with 50% of the original current rating (example: replace a 2 Amp with a 1 Amp). That's because the current draw of the supply decreases at the higher voltage. Conversely, when reconfiguring from 220 to 110, you may find it necessary to use a replacement rated at 200% of the original rating (example: replace a 1 Amp with a 2 Amp).
None of this discussion (except fuse ratings) applies to supplies using the old-style 50 Hz /60 Hz iron power transformers -- they are configured via taps on the primary, or via dual primaries that can be switched in series or parallel.
cheers,
Jeff