6502 In-Circuit-Emulator

Topics pertaining to the emulation or simulation of the 65xx microprocessors and their peripheral chips.
MicroCoreLabs
Posts: 62
Joined: 05 Oct 2017

Re: 6502 In-Circuit-Emulator

Post by MicroCoreLabs »

TMorita wrote:
I'll chime in...

An in-circuit emulator is usually a hardware device which:

1) Replaces the processor in the target system and emulates it. This requires the target system to have a socketed processor which can be removed, and a plug from the ICE is plugged into the socket.

2) Allows debugging of code running on the processor using various hardware features. This usually includes but is not limited to:

a) Hardware breakpoints triggered by code execution (instruction fetch)
b) Hardware breakpoints triggered by data memory access. These may be triggered by read or write
operations or both, and may have selectable mask bits on the address or data bits.

In-circuit emulators may or may not have:

1) Source-level debug capability. The 6502 ICEs I used (American Automation aka Arium, Intelligent Designs, etc) usually did not have source-level debug capability because there was no standard symbol format for 6502 executables.

2) Ability to load executables into the target. The ICEs I used did not, because the target system ran code from ROM, and the ICE had no ability to write to the ROM. We had to use a separate ROM emulator, such as a Grammar Engine ROMulator.

Toshi
My MCL65+ could probably be developed into an ICE. It can currently be used as a drop-in replacement for the 6502 and code could be developed to allow it to trigger on breakpoints/sequences, run in single-step, or n-step, then decode the opcode and dump the registers and flags. In theory it could even single-step backwards... There is a lot of flexibility when a 600Mhz+ processor is emulating the 6502.

Link to the project: https://microcorelabs.wordpress.com
Link to the source on GitHub: https://github.com/MicroCoreLabs/Projec ... r/MCL65%2B

-Ted
dkelly78
Posts: 4
Joined: 27 Oct 2011
Location: Abu Dhabi,AE

Re: 6502 In-Circuit-Emulator

Post by dkelly78 »

@RichCini , Sir , I offer you my humble apologies for failing to answer your request - yes, back in June 2020. I did see your request at the time, but I was locked-down in the Philippines until 2022 and was unable to access my old laptop with the relevant records. I had completely forgotten about your message until today when I started up my old laptop.
I don't know if you'd still be interested, but if so I am more than happy to help you.

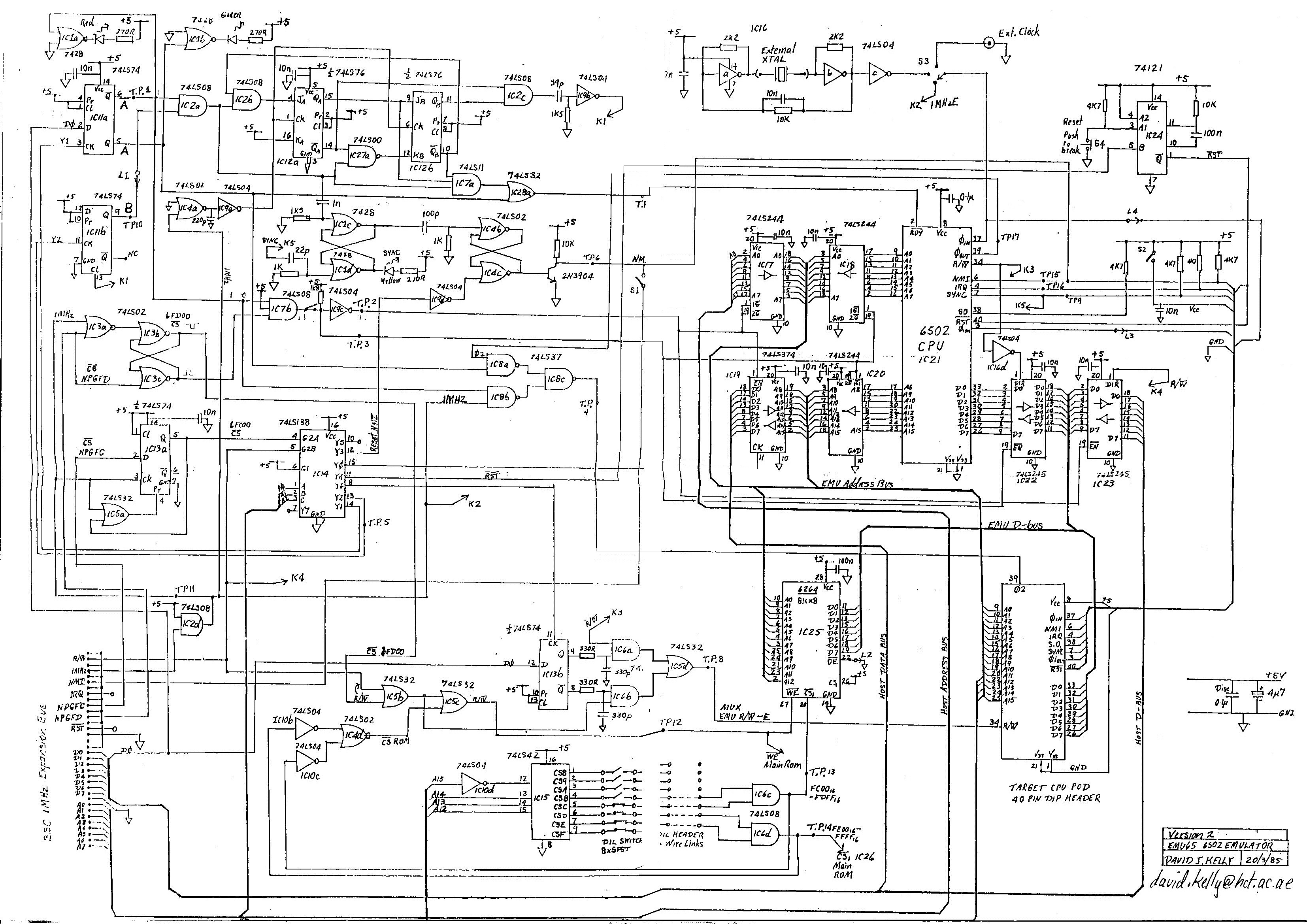
I have attached the relevant files for your perusal. I must apologize for the poor quality of the schematic. It was never rendered in a quality format because I never managed to spend more time improving the documentation. The accompanying technical description is also not very comprehensive, but I think is adequate in describing the main operating strategy and the functionality of the circuit building blocks. The system was developed at a time long before USB ports and before the widespread availability of PCs. It was developed entirely around the old BBC micro , and used the very archaic 1 MHz expansion bus . Yes , undeniably in the dinosaur era.
I created this system at a time when I was moving rapidly from one development to another , and admittedly I was rather remiss about consolidating my documentation.

If I can be of any more help in clarifying any of the information, please don't hesitate to contact me.

About a year after the 6502 ICE I developed an ICE for the 8086 which had significantly more stringent H/W and S/W design requirements. I believe I have all the information for this stored in boxes which haven't seen the light of day for nearly 40 years !
Having mentioned it, I'm now curious about trying to recover the documents to see if I can remember anything about the system.

Once again . apologies for my seeming bad manners and good luck trying to decipher the description,

Regards,
David Kelly
email: davidjkelly84@gmail.com
Attachments
Emu65 Technical Document 1.doc
Technical Description
(871 KiB) Downloaded 113 times
Schematic
Schematic
User avatar
RichCini
Posts: 156
Joined: 03 Sep 2003
Location: Long Island, NY
Contact:

Re: 6502 In-Circuit-Emulator

Post by RichCini »

David — no problems at all. Happy to have received this from you. I’m not as frequent a visitor here as I used to be but this will be very helpful for a project I’m working on.

Thanks again!
Rich
Post Reply