I've been lurking around the forum here for more than a year now. I've built a couple of 6502 SBCs now and this forum as well as Mr. Wilson's primer have been indispensable!
I've run into an issue that I can't seem to solve this time, and I can't seem to find anything specific enough to help me, so I figured I'd make an account and ask!
My first SBC was a Ben Eater design, with a similar memory map. My second had the lower 32k as RAM, upper 8k as ROM and the rest as IO through a 74138. Both work well, I made a PCB for the first (my first PCB design and it worked first try for some reason) and my second is still on breadboards because I have a different bit of design in mind.
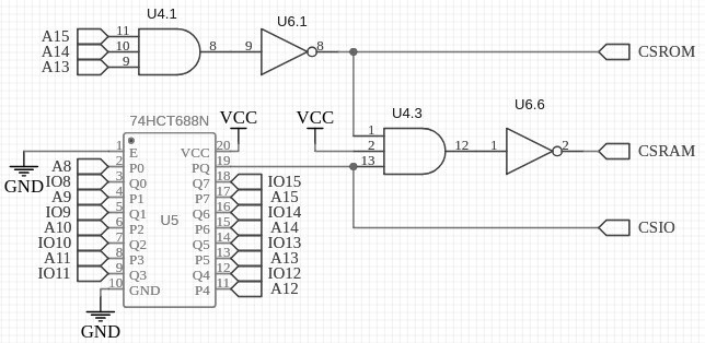
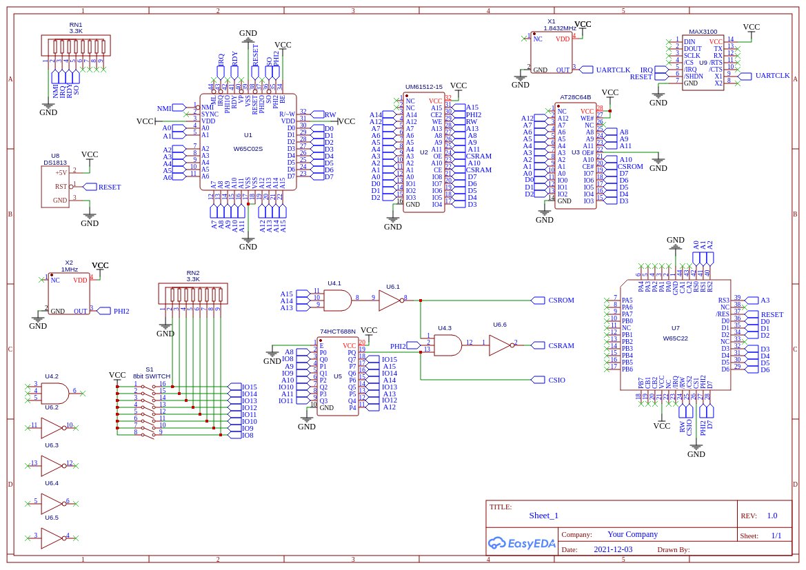
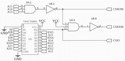
I have a bunch of 64k RAM chips here, UM61512-15 15ns chips. I've tested them with the ROM writer Ben uses and according to it they all work. I realize that 32k of RAM on one of these is more than plenty for mostly anything, but I figure if I have these why not use them? I came up with the logic below. The 61512 has a CS input that I've connected to PHI2 (which is not on the diagram), which I believe should work to qualify the /CS input.
I've breadboarded the new design. The RAM doesn't work (or it doesn't seem to). I can flash LEDs on my 6522 so I know that the IO logic and ROM logic work but when I JSR it just crashes, I'm assuming it makes the jump but doesn't return to the correct place. I don't really have a great way to debug unfortunately. I did leave a method of PHI2 qualifying in there - I could connect PHI2 where the VCC is connected to the AND gate, but it didn't seem to work.
CSRAM connects to /OE and /CS on the RAM, in case that helps.
Just to be plain - My intended memory map is the 8k of ROM, a page of IO space at $DF00 (although I'll be putting in dip switches so I can configure that) and the remaining 56k as RAM.
I must be missing something... and I should probably get the aspirin for the facepalm I'll do when someone points out my failing.
Thanks from Canada!
Steve