Looking for help with UG-32F01 320x240 LCD display
Looking for help with UG-32F01 320x240 LCD display
UG-32F01 is a 5.2" 320x240 display WITHOUT a controller. They used to be quite inexpensive on eBay and you still can get it around $25 each. I've acquired a box of 20 several years ago and wanting to build a 6502 or Z80-based controller for it. The datasheet is very sparse, probably makes perfect sense for people experienced in LCD, but I can use a few hints. Anyone has experience with UG-32F01 LCD, or controller-less LCD display?
Bill
Bill
- Attachments
-
- UG-32F01.pdf
- (1.94 MiB) Downloaded 124 times
Re: Looking for help with UG-32F01 320x240 LCD display
I did a driver of an optrex 320x240 LCD display on an ATMega8 several years ago. It used a similar interface. Let me know if you would like to look at that code.
Daryl
Daryl
Please visit my website -> https://sbc.rictor.org/
Re: Looking for help with UG-32F01 320x240 LCD display
The optrex 320x240 LCD is also without a LCD controller? What model number was that?
My limited understanding is the LCD controller must run in very tight loop generating the necessary line pulses, pixel pulses and associated data in tight loop. It is similar to what a CRT controller does except it is controlling a LCD display. LCD controller function is typically done with dedicated hardware. I'm trying to replace that with CPLD and CPU.
Bill
My limited understanding is the LCD controller must run in very tight loop generating the necessary line pulses, pixel pulses and associated data in tight loop. It is similar to what a CRT controller does except it is controlling a LCD display. LCD controller function is typically done with dedicated hardware. I'm trying to replace that with CPLD and CPU.
Bill
- GARTHWILSON
- Forum Moderator
- Posts: 8773
- Joined: 30 Aug 2002
- Location: Southern California
- Contact:
Re: Looking for help with UG-32F01 320x240 LCD display
It has a bunch of ICs on it, so it has a controller for handling the strobing of the dot rows and so on, just maybe not any character generator or the ability to take in commands to draw a segment from point A to point B, circles, ellipses, etc.. You'll have to do those in software. But if you feed it the dots, it will keep them in the display until you overwrite that information. There should not be any need to constantly babysit it. I have working code for a 128x64 LCD at http://wilsonminesco.com/6502primer/Dis ... Acode.html , but that was SPI, not 4-bit parallel. The driver IC said it had an SPI mode. The LCD manufacturer said it did not, so they weren't any help getting it going. I did finally did get it going though, in SPI. IIRC, there was one bit in a setup byte that I had wrong for the longest time.
http://WilsonMinesCo.com/ lots of 6502 resources
The "second front page" is http://wilsonminesco.com/links.html .
What's an additional VIA among friends, anyhow?
The "second front page" is http://wilsonminesco.com/links.html .
What's an additional VIA among friends, anyhow?
Re: Looking for help with UG-32F01 320x240 LCD display
This is picture of the ICs at the back of UG-32F01. They are 4 MSM5299 80-dot segment drivers for 320 dots and 3 MSM6598 80-dot common drivers for 240 rows of 320 dots per row. My limited understanding is collectively they shift data to locations on the screen kinda like raster scan of CRT. It is unclear to me how long the LCD screen retains the data. The datasheet mentions a minimum frame frequency of 70Hz, implying the screen need to be refreshed 70 times a second, minimum? I did find a paper describing UG-32F01 in conjunction with SED1351 graphic controller. That is my best hope of reverse engineering the LCD display, a rather arduous process...
Bill
Bill
- GARTHWILSON
- Forum Moderator
- Posts: 8773
- Joined: 30 Aug 2002
- Location: Southern California
- Contact:
Re: Looking for help with UG-32F01 320x240 LCD display
plasmo wrote:
That is my best hope of reverse engineering the LCD display, a rather arduous process...
http://WilsonMinesCo.com/ lots of 6502 resources
The "second front page" is http://wilsonminesco.com/links.html .
What's an additional VIA among friends, anyhow?
The "second front page" is http://wilsonminesco.com/links.html .
What's an additional VIA among friends, anyhow?
Re: Looking for help with UG-32F01 320x240 LCD display
My guess looking at the "datasheet" is the panel expects to be driven by a HD64646F or MSM6255.
A cursory glance at the 6255 sheet (I found it here https://www.pjrc.com/tech/eg64e00bcwu/msm6255.pdf does seem to show it has the right outputs to suit the 14 pin connector on the display.
Whether there's enough info there to construct a replacement ...
A cursory glance at the 6255 sheet (I found it here https://www.pjrc.com/tech/eg64e00bcwu/msm6255.pdf does seem to show it has the right outputs to suit the 14 pin connector on the display.
Whether there's enough info there to construct a replacement ...
Re: Looking for help with UG-32F01 320x240 LCD display
GARTHWILSON wrote:
I'm pretty sure however that the ICs take care of all the scanning, and I expect that after you've fed it a screen of data, it will maintain it until you write new data to it, and even then, it probably has scrolling functions so for example if you have a screen of text and want to scroll it all up a line and feed it a new line of text at the bottom, you only need to tell it to scroll that far and then give it the new line, not give it all the data again in different positions.
A bare LCD needs funky waveforms at funky voltages. The drivers provide these, giving the rest of the system a nice digital interface. But that's all they do.
Re: Looking for help with UG-32F01 320x240 LCD display
GARTHWILSON wrote:
Is that to say you haven't found a datasheet for the panel, only the ICs?
Martin A wrote:
A cursory glance at the 6255 sheet (I found it here https://www.pjrc.com/tech/eg64e00bcwu/msm6255.pdf does seem to show it has the right outputs to suit the 14 pin connector on the display.
John West wrote:
That's the job of a controller, and this display doesn't have one. It only has the drivers. There's no memory, except for the shift registers that can only hold a single row or column.
Edit: A LCD controller needs additional memory to hold display data plus interface logic to work with a microprocessor, so replacing LCD_controller+memory+interface_logic with a processor+memory+CPLD is not entirely illogical.
Re: Looking for help with UG-32F01 320x240 LCD display
plasmo wrote:
The optrex 320x240 LCD is also without a LCD controller? What model number was that?
My limited understanding is the LCD controller must run in very tight loop generating the necessary line pulses, pixel pulses and associated data in tight loop. It is similar to what a CRT controller does except it is controlling a LCD display. LCD controller function is typically done with dedicated hardware. I'm trying to replace that with CPLD and CPU.
Bill
My limited understanding is the LCD controller must run in very tight loop generating the necessary line pulses, pixel pulses and associated data in tight loop. It is similar to what a CRT controller does except it is controlling a LCD display. LCD controller function is typically done with dedicated hardware. I'm trying to replace that with CPLD and CPU.
Bill
An ATMega1284 has enough RAM to drive 320x240 pixels if you wanted to have graphical capabilities.
Look here. if you want my LCD-specific code, I can provide that.
https://sbc.rictor.org/vid2c.html
Daryl
Please visit my website -> https://sbc.rictor.org/
Re: Looking for help with UG-32F01 320x240 LCD display
Your Optrex 320x240 sounds very similar to UG-32F01. It must have a frame pulse to mark the beginning of a frame, line latch pulse to latch a line of 320 dots, and a dot clock that scan in 4-bit of data. There is probably also a display_on and possibly an alternate LCD drive that needs to change polarity every frame. Yes, I love to know the model number of the Optrex and your ATMega code. I actually have designed a Z80-based controller for UG-32F01, but was not able to turn on the display.
Bill
Bill
Re: Looking for help with UG-32F01 320x240 LCD display
Yes; frame, line and bit clocks with 4 bit data. I do not recall having to provide the other signals, but will double-check.
I'll dig up the datasheet for the display and zip up the AVR code later tonight.
Daryl
I'll dig up the datasheet for the display and zip up the AVR code later tonight.
Daryl
Please visit my website -> https://sbc.rictor.org/
Re: Looking for help with UG-32F01 320x240 LCD display
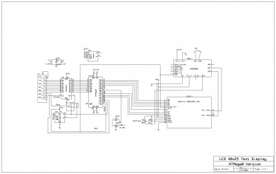
Attached Zip has datasheet for Optrex display and the AVR code. it's been a long time and I cannot vouch for the readability of the code. Ask any questions you have and I'll try to refresh on the info and get you an answer.
Also added image of the working schematic.
Daryl
Also added image of the working schematic.
Daryl
- Attachments
-
- Vid-LCD.zip
- (168.65 KiB) Downloaded 84 times
Please visit my website -> https://sbc.rictor.org/
Re: Looking for help with UG-32F01 320x240 LCD display
8BIT wrote:
An ATMega1284 has enough RAM to drive 320x240 pixels if you wanted to have graphical capabilities.
Daryl
https://www.youtube.com/watch?v=09zhGUbVxdU
But it consumes some 60-70% of all CPU cycles )-: leaving little left to do line drawing, talking to the 6502, etc.
Using it to drive one of these LCDs may a marginally easier but it's still going to be a lot of CPU cycles maintaining the image.
The new Pi Pico is going to the worthwhile looking at for things like this - have a register type parallel access to the 6502 bus and driving a composite, vga, dvi monitor at the same time - so working in the same style as maybe some of the Propellor type VGA interfaces or the old TI 9900 (?) video adapter chip.
-Gordon
-Gordon
--
Gordon Henderson.
See my Ruby 6502 and 65816 SBC projects here: https://projects.drogon.net/ruby/
Gordon Henderson.
See my Ruby 6502 and 65816 SBC projects here: https://projects.drogon.net/ruby/
Re: Looking for help with UG-32F01 320x240 LCD display
8BIT wrote:
Attached Zip has datasheet for Optrex display and the AVR code. it's been a long time and I cannot vouch for the readability of the code. Ask any questions you have and I'll try to refresh on the info and get you an answer.
Also added image of the working schematic.
Daryl
Also added image of the working schematic.
Daryl
Thank you, this is exactly what I'm looking for. The Apollo module is very close to UG-32F01, the negative bias voltage of -26V is quite a bit more than -16V of UG-32F01; the alternate DC bias required by UG-32F01 is generated internally in Apollo. Your ATmega code should help me find out why I can't get my display to work.
This is my attempt at LCD controller using Z80. Z80 works and I throw a big CPLD at the problem, but still can't get the LCD screen to respond beyond gibberish.
https://www.retrobrewcomputers.org/doku ... smo:z80lcd
drogon wrote:
But it consumes some 60-70% of all CPU cycles )-: leaving little left to do line drawing, talking to the 6502, etc.
Bill