Page 1 of 1

DIA, another TTL 6526

Posted: Tue May 19, 2020 8:48 am
by ttlworks
First: thanks to daniMolina for investigating what a 6526 timer does.

The DIA (Discrete Interface Adapter) TTL 6526 isn't meant to be a "competition" to Dani's 74HCT6526 project.


Had some time at hands, so I did schematics and PCB layouts for what I think might be "a 20MHz TTL implementation of the 6526".
Not sure, if the timers are cycle exact, and shift register and TOD might be not too compatible to a real 6526 chip.
Point is, that we don't have a dissection of the 6526 silicon... yet.
// But I wanted to have this TTL 6526 stuff off my desk before trying to aim for the SID again.

I'm sort of retired, so somebody else (Drass) would have to build and to test that hardware.


We have three PCBs:
One PCB contains two 16 Bit timers and two 8 Bit I\O ports,
one PCB contains what I think should work as TOD. //It's also a "test balloon" for the carry chain of a hypothetical 100MHz TTL CPU.
and one PCB contains the bus interface, the shift register, and the rest.


Tried to group 8 resistors of the same value together, so one could solder precision DIP16 sockets into the PCBs and plug resistor networks into them.

We have a control signal PHICEN (with a 4k7 pullup resistor), which is a HIGH_active count enable for the two 16 Bit timers,
so one could run the timers at 1MHz in a 20MHz system for software compatibility reasons.

If there is a 0 to 1 transition on the /IRQ output, for speeding up the rising edge current is injected into /IRQ for one PHI2 cycle to reduce that ghost interrupt problem.
//One might want to tinker with the value of the related resistor.

Also, if port pins are configurated as outputs, current is injected into them on a 0 to 1 transition for one PHI2 cycle,
for disabling that feature just don't plug the two related resistor networks into the sockets.
//One might want to tinker with the values of these resistors, too.

By default, if a port pin is configurated as an output, the CPU reads from the port pins.
When closing the solder jumpers on the timers_ports PCB, the CPU reads from the data output latches instead,
what might be not exactly 6526 compatible, but increases the chances that something like "INC $DC00" still works at 20MHz.

Have fun.
DIA_TTL_6526.zip
(593.69 KiB) Downloaded 107 times
main_sr.png
timers_ports.png
TOD.png
Edit:
A read from the status register clears the flags.
Maybe we should modify the design later to make sure that a read from the status register only clears the flags if PHICEN = HIGH...

Re: DIA, another TTL 6526

Posted: Tue May 19, 2020 2:07 pm
by whygee
Impressive :-)

Re: DIA, another TTL 6526

Posted: Tue May 19, 2020 4:01 pm
by daniMolina
That is so beautiful!

And yes, I'm going to have plenty of fun with this. :)

Amazing work!

Re: DIA, another TTL 6526

Posted: Wed May 20, 2020 4:57 pm
by Dr Jefyll
This looks wonderful, Dieter. Would you be able to post the schematics as gif or png files, please? Not everyone is equipped with Eagle.
Quote:
If there is a 0 to 1 transition on the /IRQ output, for speeding up the rising edge current is injected into /IRQ for one PHI2 cycle to reduce that ghost interrupt problem.
//One might want to tinker with the value of the related resistor.

Also, if port pins are configurated as outputs, current is injected into them on a 0 to 1 transition for one PHI2 cycle
Cool. :)

I'm reminded of a related idea from Intel, although the objective was different. Some their chips feature a parallel port that's bidirectional, but they wanted to eliminate the associated Data Direction Register that we 65xx people are used to seeing. They wanted fewer registers, possibly because that meant the chip would need fewer address input pins -- I don't recall exactly. But the goal was to have a bidirectional port with only one location which the CPU could write to and read from.

They set it up so that when a read of the location occurred it would simply return the high or low state of the IO pins.

And when a write occurred, any bit written with a 0 would output a strong, low-impedance 0 on its pin. Any bit written with a 1 didn't output much of anything. But its pin would float high (0-to-1) because they'd included a weak pullup. In this state it could act as a (weak) output or as an input! Pretty clever, except 0-to-1 transitions would be rather slow. So they included a feature that sharpened 0-to-1 transitions by injecting extra current for one cycle only.

-- Jeff

Re: DIA, another TTL 6526

Posted: Mon May 25, 2020 7:25 am
by ttlworks
Jeff, sorry for the delay.

Schematics are looking a bit less beautiful.
Anyhow, schematics are only documentation for PCB layouts, pretty much like C is only documentation for machine code...

Adding monochrome PNG schematics as requested.

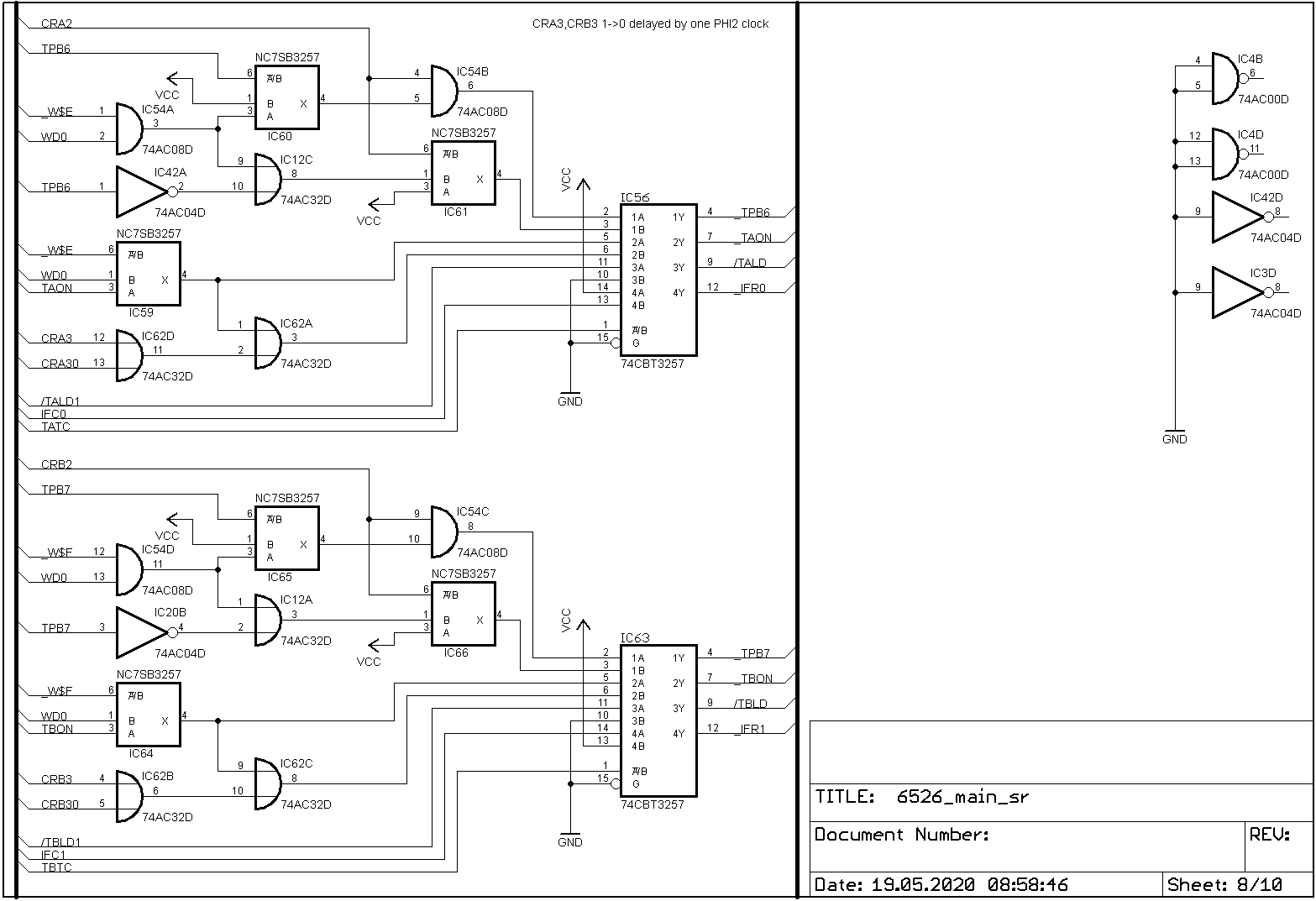
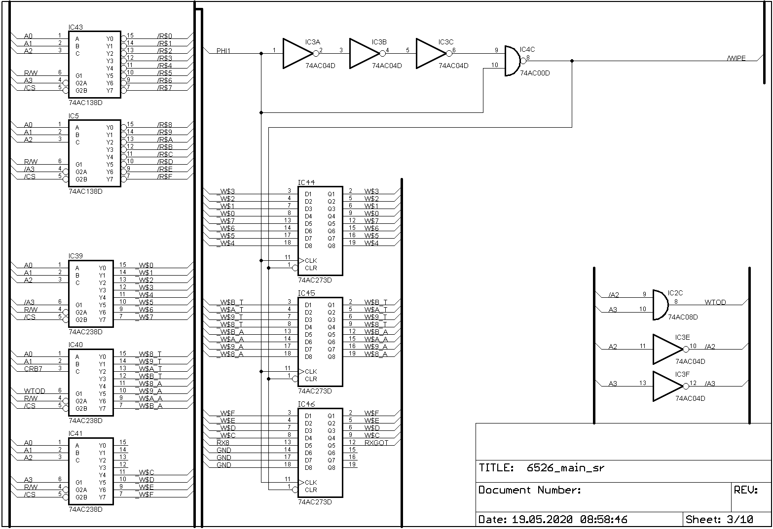
First: bus interface, shift register, etc:
main_sr1.png
main_sr2.png
main_sr3.png
main_sr4.png
main_sr5.png
main_sr6.png
main_sr6.png (8.46 KiB) Viewed 1663 times
main_sr7.png
main_sr8.png
main_sr9.png
main_sr9.png (8.04 KiB) Viewed 1663 times
main_sr10.png
main_sr10.png (6.91 KiB) Viewed 1663 times

Re: DIA, another TTL 6526

Posted: Mon May 25, 2020 7:29 am
by ttlworks
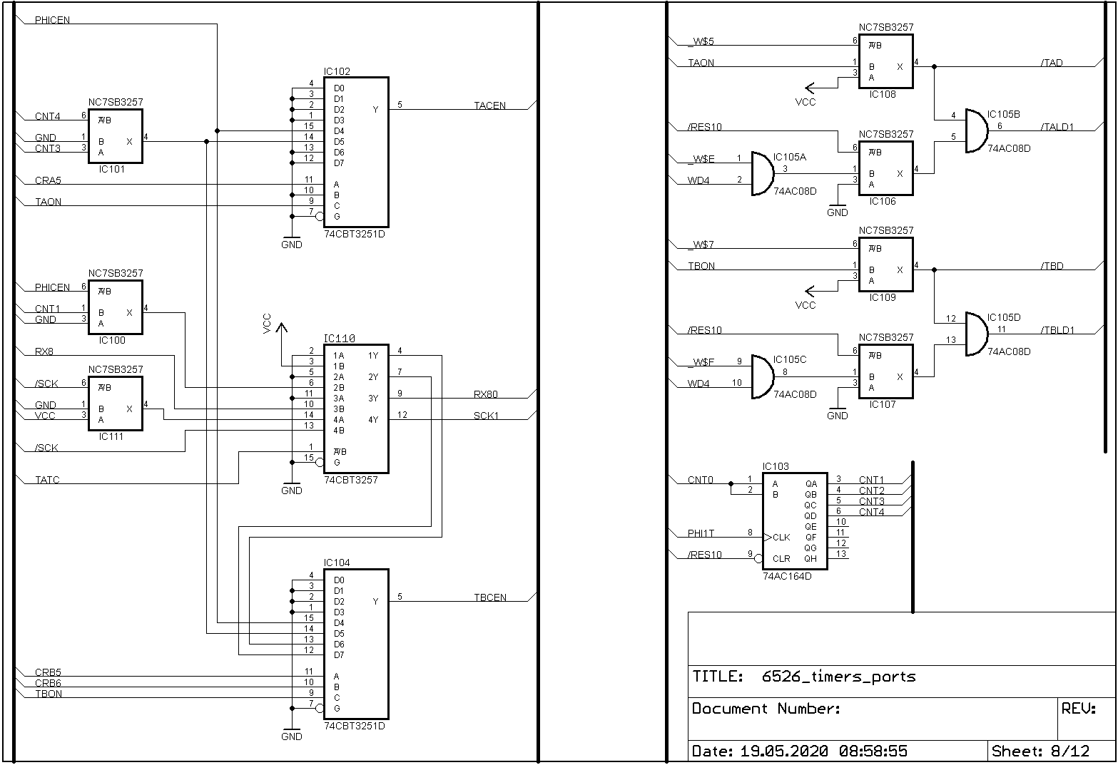
Second: timers and I\O ports:
timers_ports1.png
timers_ports2.png
timers_ports3.png
timers_ports4.png
timers_ports5.png
timers_ports6.png
timers_ports7.png
timers_ports8.png
timers_ports9.png
timers_ports10.png
timers_ports11.png
timers_ports11.png (10.03 KiB) Viewed 1662 times
timers_ports12.png
timers_ports12.png (8.33 KiB) Viewed 1662 times

Re: DIA, another TTL 6526

Posted: Mon May 25, 2020 7:33 am
by ttlworks
Third: what might (or might not) work as TOD:
tod1.png
tod2.png
tod3.png
tod4.png
tod4.png (10.49 KiB) Viewed 1661 times
tod5.png
tod5.png (8.31 KiB) Viewed 1661 times
tod6.png
tod6.png (8.81 KiB) Viewed 1661 times
tod7.png
tod8.png
tod9.png
tod10.png
tod10.png (7.71 KiB) Viewed 1661 times
tod11.png
tod11.png (5.8 KiB) Viewed 1661 times

Re: DIA, another TTL 6526

Posted: Wed May 27, 2020 6:10 am
by ttlworks
Project abandoned due to 2014/40/EU.