I have created a PC keyboard decoder using an Atmel ATTiny26 controller. (20 pin DIP package).
Here are the preliminary specs:
This chip does all of the scancode decoding of a standard keyboard and provides an 8 bit output containing the standard ASCII codes in addition to special codes for the extra keys (Alt, windows, pause, scroll lock, etc).
Data ready and data acknowlege signals are used for handshaking.
This takes the workload off of the 6502 and can be easily connected using an 8 bit port on a 6522. I have a working prototype connected to Port B of a 6522 on my SBC. Port A has my Text Video Display connected, allowing complete stand alone operation of my SBC. (No Serial port terminal required!)
I hope to have a working PCB designed soon that will integrate the keyboard decoder, text video, and the necessary logic to allow connection thru the expansion port, keeping the SBC's 6522s available for general I/O.
I'll update my website soon with all the details.
Thanks!
Daryl
Keyboard decoder
- GARTHWILSON
- Forum Moderator
- Posts: 8774
- Joined: 30 Aug 2002
- Location: Southern California
- Contact:
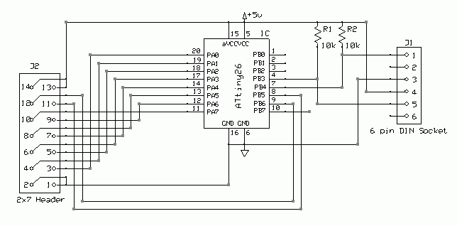
In your diagram at http://sbc.rictor.org/io/pckbavr.html (diagram shown below), you show a pull-up resistor on both the clock line and the data line. Is there any need to have one on the clock line? It is only fed from the controller end isn't it, so it could be connected to a totem-pole output with no resistors? You show the other keyboard interface at http://sbc.rictor.org/io/pckb6522.html with the 6522 with no pull-ups at all, but I figured that was because the older ones really did have LSTTL-type inputs instead of high-impedance like WDC's CMOS ones, so they were naturally pulled up internally.


Garth,
Both resistors are optional. I think I threw them in because some of the reference material I was using showed the pull-up resistors in their interfaces. I made them 10k in value so they were providing a weak pull-up. Just above the schematic on the web page, I included this text:
Hope that answers your question?
Daryl
Both resistors are optional. I think I threw them in because some of the reference material I was using showed the pull-up resistors in their interfaces. I made them 10k in value so they were providing a weak pull-up. Just above the schematic on the web page, I included this text:
Quote:
This keyboard decoder takes all of the overhead associated with scancode to ASCII conversion and places it in the interface. This frees the 6502 to handle more important operations. The simple circuit consists of an 6-pin PS2 keyboard socket, an Atmel ATTiny26 microcontroller, a 14 pin header, and two optional resistors!
Daryl
Last edited by 8BIT on Sat Feb 21, 2009 4:14 pm, edited 1 time in total.
- GARTHWILSON
- Forum Moderator
- Posts: 8774
- Joined: 30 Aug 2002
- Location: Southern California
- Contact:
Obviously I haven't looked into it enough to do it myself but it is my understanding that the data line has to be a wire-OR open-drain-type arrangement so data can be sent both directions on an interface that is much like I²C; so it would require the pull-up. I²C needs it on the clock line too if you have a multi-master situation (which is not common).
- BitWise
- In Memoriam
- Posts: 996
- Joined: 02 Mar 2004
- Location: Berkshire, UK
- Contact:
The I2C standard allows slave devices to perform 'clock-stretching' if they need more time to process a request. If a slave holds the clock line low then the master should wait for line to return to the high state before continuing with the next byte transfer. So both clock and data can be bi-directional even in a single master configuration.
Andrew Jacobs
6502 & PIC Stuff - http://www.obelisk.me.uk/
Cross-Platform 6502/65C02/65816 Macro Assembler - http://www.obelisk.me.uk/dev65/
Open Source Projects - https://github.com/andrew-jacobs
6502 & PIC Stuff - http://www.obelisk.me.uk/
Cross-Platform 6502/65C02/65816 Macro Assembler - http://www.obelisk.me.uk/dev65/
Open Source Projects - https://github.com/andrew-jacobs
The PS/2 clock can be driven from either end too, so if the data line needs a
pull-up odds are the clock will too. The reason for this is that if the host wants
to send commands to the keyboard it signals this by pulling the clock low for
(at least) 100 microseconds, then releasing it and waiting for the keyboard to
start clocking in the bits.
pull-up odds are the clock will too. The reason for this is that if the host wants
to send commands to the keyboard it signals this by pulling the clock low for
(at least) 100 microseconds, then releasing it and waiting for the keyboard to
start clocking in the bits.
-
smilingphoenix
- Posts: 43
- Joined: 20 May 2006
- Location: Brighton, England
Both the clock and data lines need a pull-up of some sort. The keyboard specification requires the lines be driven with open-collector style outputs at both ends, so both ends can pull the lines low at the same time but neither end can pull it high and create a short-circuit when the other end pulls it low.
If your microcontroller chip has built-in pullups you can use these, keeping the pin as an input except when you want to pull it low. I prefer adding external 10k pullup resistors - they help to improve the noise immunity.
If your microcontroller chip has built-in pullups you can use these, keeping the pin as an input except when you want to pull it low. I prefer adding external 10k pullup resistors - they help to improve the noise immunity.
Shift to the left, shift to the right,
mask in, mask out,
BYTE! BYTE! BYTE!
mask in, mask out,
BYTE! BYTE! BYTE!
-
leeeeee
- In Memoriam
- Posts: 347
- Joined: 30 Aug 2002
- Location: UK
- Contact:
-
smilingphoenix
- Posts: 43
- Joined: 20 May 2006
- Location: Brighton, England
hi Daryl, i'm investigatin on ps2 keyboard.
a question: why did you choose to use an external controller and not use a 6522 direct interface?
do you think is it a problem to put under irq an interfacing routine?
i asking to myself why didnt we (forum) already make some "standard" interface routines for general purpose use ps2 keyboard.
thanks!
a question: why did you choose to use an external controller and not use a 6522 direct interface?
do you think is it a problem to put under irq an interfacing routine?
i asking to myself why didnt we (forum) already make some "standard" interface routines for general purpose use ps2 keyboard.
thanks!
Why not use the 6522?
Personal preference on my part. Depending upon your application, the 6522 is a great choice. It requires no additional parts or address decoding. If you want to reduce the chores of decoding the serial data from the 6502, then a microcontroller is a good choice. It adds extra hardware and decoding.
In the case of the SBC-3, I wanted to leave as much of the 6522's resources open as possible for user applications. Also, since I didn't want the 65816 to be bogged down servicing numerous I/O tasks, I chose the microcontroller. The added benefit was an RS-232 port for no extra hardware!
I have written a PC keyboard decoding routine for the 6522. The code is on my website. It does not require interrupts as it disables the keyboard from clocking until the 6502 is ready to read it. It could be modified for intterupts if desired.
http://sbc.rictor.org/io/pckb6522.html
Hope that helps!
Daryl
Personal preference on my part. Depending upon your application, the 6522 is a great choice. It requires no additional parts or address decoding. If you want to reduce the chores of decoding the serial data from the 6502, then a microcontroller is a good choice. It adds extra hardware and decoding.
In the case of the SBC-3, I wanted to leave as much of the 6522's resources open as possible for user applications. Also, since I didn't want the 65816 to be bogged down servicing numerous I/O tasks, I chose the microcontroller. The added benefit was an RS-232 port for no extra hardware!
I have written a PC keyboard decoding routine for the 6522. The code is on my website. It does not require interrupts as it disables the keyboard from clocking until the 6502 is ready to read it. It could be modified for intterupts if desired.
http://sbc.rictor.org/io/pckb6522.html
Hope that helps!
Daryl