Identifying what 6502s from Aliexpress really are

For discussing the 65xx hardware itself or electronics projects.
Chromatix
Posts: 1462
Joined: 21 May 2018

Re: Identifying what 6502s from Aliexpress really are

Post by Chromatix »

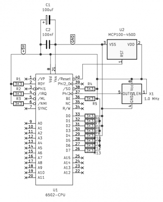
The attached schematic should work fine as a NOP generator for either a 6502 or an '816. You should see an approximately 8 Hz square wave (more precisely, 7.629 Hz) on A15, and successively higher frequencies on the lower-numbered pins.

Aside from the CPU itself, I've employed a 1MHz crystal oscillator can, a 4.5V power supervisor chip as a reset generator, and some ordinary passive components. Make sure the 100nF bypass capacitor is connected directly to both the CPU and the oscillator. If that's difficult, use two of them, one on the CPU and one on the oscillator.
Attachments
schematic.png
User avatar
BigDumbDinosaur
Posts: 9425
Joined: 28 May 2009
Location: Midwestern USA (JB Pritzker’s dystopia)
Contact:

Re: Identifying what 6502s from Aliexpress really are

Post by BigDumbDinosaur »

Chromatix wrote:
The attached schematic should work fine as a NOP generator for either a 6502 or an '816. You should see an approximately 8 Hz square wave (more precisely, 7.629 Hz) on A15, and successively higher frequencies on the lower-numbered pins.

Aside from the CPU itself, I've employed a 1MHz crystal oscillator can, a 4.5V power supervisor chip as a reset generator, and some ordinary passive components. Make sure the 100nF bypass capacitor is connected directly to both the CPU and the oscillator. If that's difficult, use two of them, one on the CPU and one on the oscillator.
Can't read it with all that color.
x86?  We ain't got no x86.  We don't NEED no stinking x86!
Chromatix
Posts: 1462
Joined: 21 May 2018

Re: Identifying what 6502s from Aliexpress really are

Post by Chromatix »

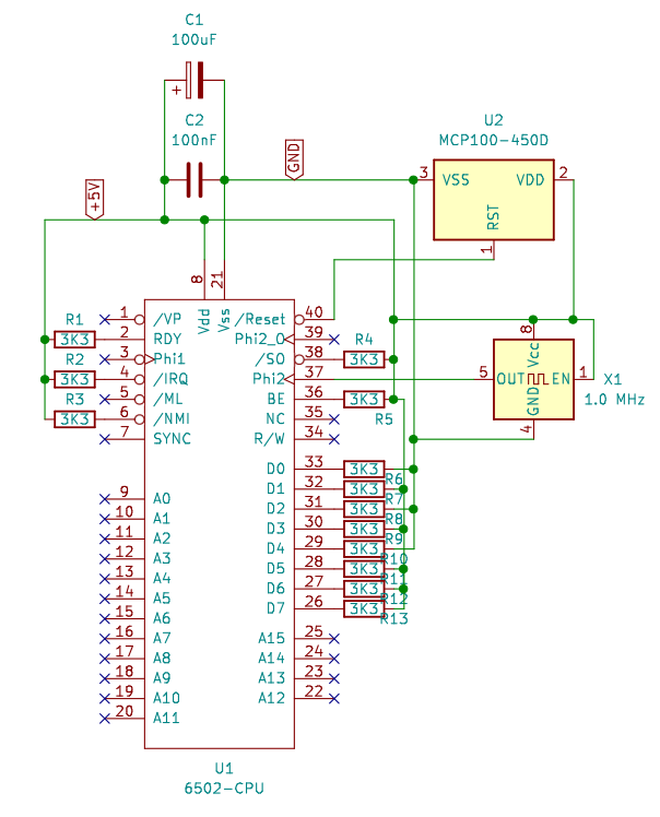
Just for you, here's a monochrome version. We really do need to find you a black-and-white accessibility switch for your computer.
Attachments
schematic-bw.png
User avatar
cjs
Posts: 759
Joined: 01 Dec 2018
Location: Tokyo, Japan
Contact:

Re: Identifying what 6502s from Aliexpress really are

Post by cjs »

Chromatix wrote:
We really do need to find you a black-and-white accessibility switch for your computer.
Windows 10 has this. Search for "ease of access color filters" in the Settings app and it will take you a screen letting you enable the filter, enable switching it on and off with Windows-Ctrl-C, and giving you a choice of filters (grayscale, deuteranopia, protanopia, tritanopia, etc.).

(That said, given BDD's sig, I wonder if he has a machine capable of running Windows. :-))

I would assume that the Mac has something similar; in most areas it's not usually too far behind Windows 10.

I've not looked around for what's available for X11 systems, but if worst comes to worst it ought not be too hard to modify the xmag program to colour-filter the area it's looking at, rather than magnify it.
Curt J. Sampson - github.com/0cjs
User avatar
BigDumbDinosaur
Posts: 9425
Joined: 28 May 2009
Location: Midwestern USA (JB Pritzker’s dystopia)
Contact:

Re: Identifying what 6502s from Aliexpress really are

Post by BigDumbDinosaur »

Chromatix wrote:
Just for you, here's a monochrome version. We really do need to find you a black-and-white accessibility switch for your computer.
Why not just post schematics and other printed matter in monochrome? Given the number of members we have here, some of whom are up there in years (like me), it seems likely someone else has a problem with schematics drawn in washed-out colors. :) I know Garth has commented about this before, so there is at least one other soul who doesn't find color schematics helpful.
x86?  We ain't got no x86.  We don't NEED no stinking x86!
User avatar
BigDumbDinosaur
Posts: 9425
Joined: 28 May 2009
Location: Midwestern USA (JB Pritzker’s dystopia)
Contact:

Re: Identifying what 6502s from Aliexpress really are

Post by BigDumbDinosaur »

cjs wrote:
(That said, given BDD's sig, I wonder if he has a machine capable of running Windows. :-))
I do, and also have several Linux thin client workstations, one of which I'm on right now.

BTW, my particular vision problem is tritanomaly, which is partial blue-green color-blindness.
x86?  We ain't got no x86.  We don't NEED no stinking x86!
Chromatix
Posts: 1462
Joined: 21 May 2018

Re: Identifying what 6502s from Aliexpress really are

Post by Chromatix »

It takes extra steps to remove the colour from a KiCad schematic. Meanwhile, those of us with normal colour vision find the coloured version easier to read, and most forms of colour deficiency shouldn't affect readability worse than removing the colour manually, since the latter leaves the luminance information intact.

In this case, the schematic was posted primarily for the benefit of a particular user.
User avatar
GARTHWILSON
Forum Moderator
Posts: 8773
Joined: 30 Aug 2002
Location: Southern California
Contact:

Re: Identifying what 6502s from Aliexpress really are

Post by GARTHWILSON »

Chromatix wrote:
It takes extra steps to remove the colour from a KiCad schematic. Meanwhile, those of us with normal colour vision find the coloured version easier to read

I don't have any colorblindness, but I do like schematics to be black lines on a white background. PCB layouts of course need different colors for each layer so you can tell them apart when they're in the same space. Related, I also don't like color for programming source code, except for html since you might have lots of tags on a single line and most pairs are not made to stand out by indentation like we have in most programming.
http://WilsonMinesCo.com/ lots of 6502 resources
The "second front page" is http://wilsonminesco.com/links.html .
What's an additional VIA among friends, anyhow?
Atlantis
Posts: 122
Joined: 19 Jun 2018

Re: Identifying what 6502s from Aliexpress really are

Post by Atlantis »

Chromatix wrote:
The attached schematic should work fine as a NOP generator for either a 6502 or an '816. You should see an approximately 8 Hz square wave (more precisely, 7.629 Hz) on A15, and successively higher frequencies on the lower-numbered pins.

Aside from the CPU itself, I've employed a 1MHz crystal oscillator can, a 4.5V power supervisor chip as a reset generator, and some ordinary passive components. Make sure the 100nF bypass capacitor is connected directly to both the CPU and the oscillator. If that's difficult, use two of them, one on the CPU and one on the oscillator.
Thanks. I will try it. It is very similar to the circuit I used to test plain 6502s. I didn't use reset controller, just pulled RST pin high with 3.3k resistor. Was it a bad idea? Could it produce different result of a NOP test somehow?

Is there some simple wat to test UM6527 CPUs, used in Faicom/NES clones? I also bought some of them.
Chromatix
Posts: 1462
Joined: 21 May 2018

Re: Identifying what 6502s from Aliexpress really are

Post by Chromatix »

Quote:
I didn't use reset controller, just pulled RST pin high with 3.3k resistor.
This probably explains why your CPUs appear flaky when tested. The 6502 requires /RST to be pulled low for several clock cycles after the power supply reaches a valid and stable voltage, then released. The MCP100 supervisor chip does that using a 350ms sequencing between a VCC threshold (4.5V minimum is correct for NMOS, works also for CMOS) and the /RST output. One of the non-obvious things this initialises is the microinstruction sequencing logic, which at least on the NMOS 6502 can lock up if it gets into an invalid state (eg. an $x2 illegal opcode).

I can't find any direct documentation of what a UM6527 is, except for a substitution reference which equates it to a UM6547 - which is also undocumented, but sounds suspiciously similar to the M6847 which was a moderately popular video generation IC. The main CPU in the NES was the NEC 2A03, which had a 6502 core but a different pinout to the 6502 proper. If the UM6527 is a clone of the 2A03, then it could be tested as such, but I can't recommend that until I see more reliable evidence.
User avatar
cjs
Posts: 759
Joined: 01 Dec 2018
Location: Tokyo, Japan
Contact:

Re: Identifying what 6502s from Aliexpress really are

Post by cjs »

Atlantis wrote:
I didn't use reset controller, just pulled RST pin high with 3.3k resistor. Was it a bad idea? Could it produce different result of a NOP test somehow?
Well, I can certainly verify that when I was testing my batch (which included both NMOS and CMOS parts), as often as not they would not start correctly until I had pulled reset low for a bit. I did this just by very briefly—perhaps half a second—shorting the reset line to ground using a jumper wire on my breadboard. (I don't recall what value of pullup I used, but it was probably around 3.3k or 4.7k.)
Curt J. Sampson - github.com/0cjs
Atlantis
Posts: 122
Joined: 19 Jun 2018

Re: Identifying what 6502s from Aliexpress really are

Post by Atlantis »

Chromatix wrote:
Quote:
I didn't use reset controller, just pulled RST pin high with 3.3k resistor.
This probably explains why your CPUs appear flaky when tested. The 6502 requires /RST to be pulled low for several clock cycles after the power supply reaches a valid and stable voltage,
Ok. I will try testing them after adding reset controller, if only I will be able to find spare one.
During my previous tests I tried to manually reset some of this CPUs, by briefly grounding RST with jumper wire. They still weren't generating proper RST signals after that. But maybe there will be at least few more which will work.

This still doesn't explain why none of that chips (even those generating valid signals on breadboard) doesn't want to work with my computer. And yes - there is reset controller present in my design.

UPDATE: It turns out it wasn't because of lacking reset controller. I added DS1813 to my breadboard test circuit. CPUs that weren't working before still doesn't work. There is still slight possibility that some of them are different version, requiring different wiring but I don't think so. That leaves mi with six that passed NOP test, but still my computer won't work with them. Any idea why?
User avatar
BigDumbDinosaur
Posts: 9425
Joined: 28 May 2009
Location: Midwestern USA (JB Pritzker’s dystopia)
Contact:

Re: Identifying what 6502s from Aliexpress really are

Post by BigDumbDinosaur »

GARTHWILSON wrote:
I don't have any colorblindness, but I do like schematics to be black lines on a white background.
You mean, like this? :D
Two-Phase Clock Generator
Two-Phase Clock Generator
BTW, another reason to post schematics in monochrome is the resulting files can be smaller, which conserves server space.
x86?  We ain't got no x86.  We don't NEED no stinking x86!
User avatar
BigEd
Posts: 11464
Joined: 11 Dec 2008
Location: England
Contact:

Re: Identifying what 6502s from Aliexpress really are

Post by BigEd »

I'm pretty sure you posted a colour schematic earlier this year BDD!
Chromatix
Posts: 1462
Joined: 21 May 2018

Re: Identifying what 6502s from Aliexpress really are

Post by Chromatix »

Atlantis, in order to troubleshoot your computer, we will need the schematics and ideally a photograph. It's pretty hard to theorise without knowing what techniques you've used, both logically and physically.
Post Reply