My RS-232 / 6551 Design

For discussing the 65xx hardware itself or electronics projects.
User avatar
floobydust
Posts: 1394
Joined: 05 Mar 2013

Re: My RS-232 / 6551 Design

Post by floobydust »

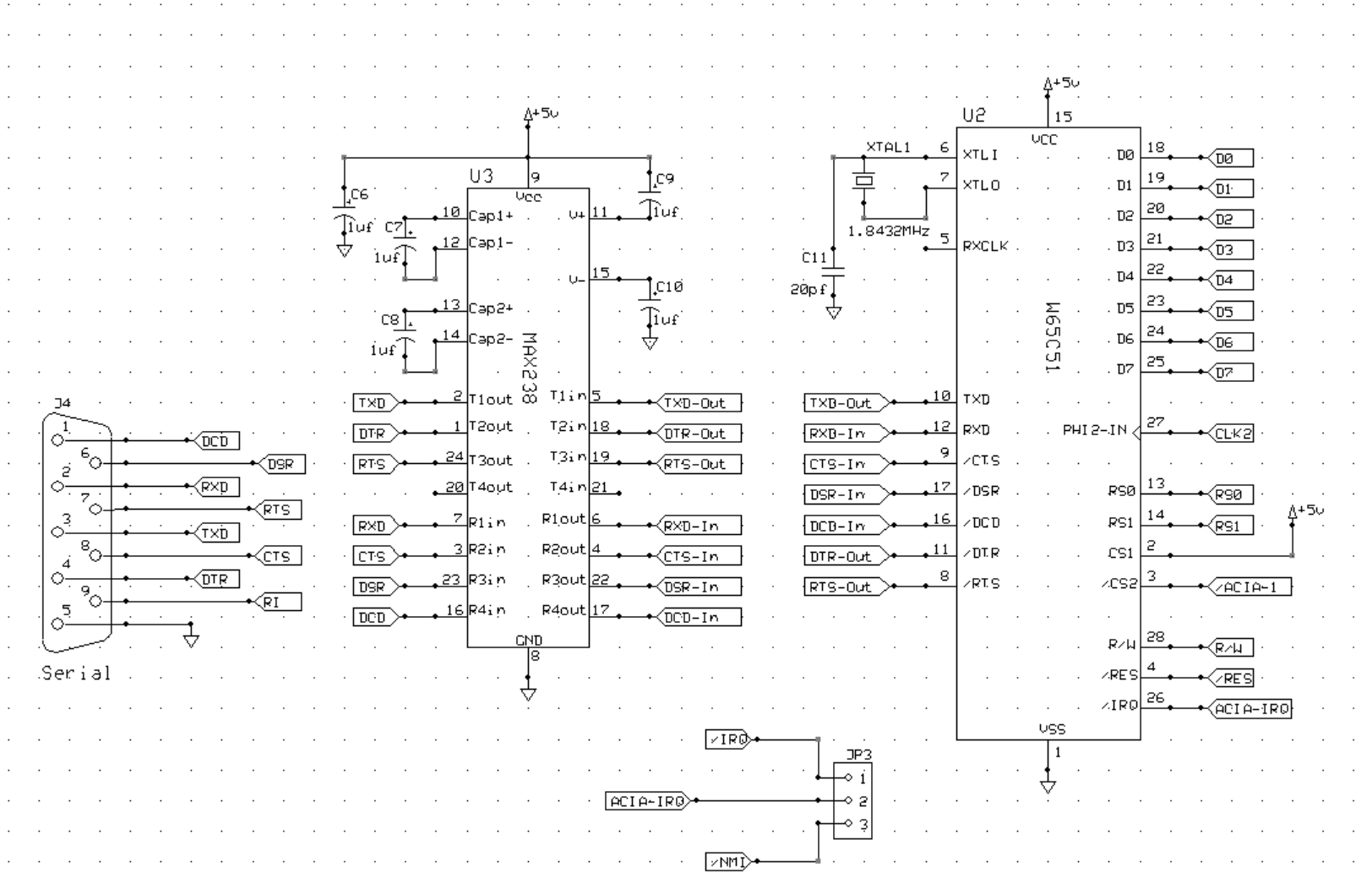
Here's the schematic for the serial part of the I/O board I made back in 2013. I used a MAX238 with a 65C51. It works perfectly fine.... I later swapped the MAX238 and the DB-9 connector out for a FTDI UART to USB adapter.
6551-IO.png
After I discovered the Xmit bug with the recently released W65C51 chips, I switched to a NXP SCC2691. My next board will be using a NXP 28L92... more involved to get the NXP UARTs working, but once you do, they're a much better solution.
User avatar
BigDumbDinosaur
Posts: 9425
Joined: 28 May 2009
Location: Midwestern USA (JB Pritzker’s dystopia)
Contact:

Re: My RS-232 / 6551 Design

Post by BigDumbDinosaur »

floobydust wrote:
Here's the schematic for the serial part of the I/O board I made back in 2013.

In POC V1.2, I used Kemet part number C315C105K3R5TA MLCCs in place of tantalums for the MAX238. They are less expensive than the tantalums and, of course, aren't polarized. The package size is the same.
x86?  We ain't got no x86.  We don't NEED no stinking x86!
User avatar
GARTHWILSON
Forum Moderator
Posts: 8773
Joined: 30 Aug 2002
Location: Southern California
Contact:

Re: My RS-232 / 6551 Design

Post by GARTHWILSON »

BigDumbDinosaur wrote:
In POC V1.2, I used Kemet part number C315C105K3R5TA MLCCs in place of tantalums for the MAX238. They are less expensive than the tantalums and, of course, aren't polarized. The package size is the same.
Yes, the MLCCs are getting better all the time. I just spec'ed some 1210-size 10µF 50V X7R's for a board for work, and the price was quite acceptable. My thru-hole prototype of the same circuit had a lot of tall electrolytic capacitor cans.
http://WilsonMinesCo.com/ lots of 6502 resources
The "second front page" is http://wilsonminesco.com/links.html .
What's an additional VIA among friends, anyhow?
User avatar
BigDumbDinosaur
Posts: 9425
Joined: 28 May 2009
Location: Midwestern USA (JB Pritzker’s dystopia)
Contact:

Re: My RS-232 / 6551 Design

Post by BigDumbDinosaur »

GARTHWILSON wrote:
BigDumbDinosaur wrote:
Yes, the MLCCs are getting better all the time. I just spec'ed some 1210-size 10µF 50V X7R's for a board for work, and the price was quite acceptable. My thru-hole prototype of the same circuit had a lot of tall electrolytic capacitor cans.
I liked using the tantalums for the MAX's charge pump capacitors, but installing them was always a struggle for me, as it's hard to distinguish polarity on them. So when I was designing POC V1.2 I decided to try out MLCCs.
x86?  We ain't got no x86.  We don't NEED no stinking x86!
User avatar
GARTHWILSON
Forum Moderator
Posts: 8773
Joined: 30 Aug 2002
Location: Southern California
Contact:

Re: My RS-232 / 6551 Design

Post by GARTHWILSON »

GARTHWILSON wrote:
And darn! I see the MC145406 is out of production. Jameco still has them, but their being out of production would explain why Jameco's price is so high ($4.95US). I might get a bunch to for my own inventory anyway.
Not out of production. Whew. They are still in current production at TI, with the number SN75C1406. The MC number was Motorola's / NXP's. Mouser has TI's in five variations, in stock, around $2 each in qty 1. See https://www.mouser.com/Semiconductors/I ... 06&FS=True .
http://WilsonMinesCo.com/ lots of 6502 resources
The "second front page" is http://wilsonminesco.com/links.html .
What's an additional VIA among friends, anyhow?
User avatar
cbmeeks
Posts: 1254
Joined: 17 Aug 2005
Location: Soddy-Daisy, TN USA
Contact:

Re: My RS-232 / 6551 Design

Post by cbmeeks »

The SN75C1406 looks to be a good option. Seems to be much cheaper than the Max238.
Cat; the other white meat.
User avatar
cbmeeks
Posts: 1254
Joined: 17 Aug 2005
Location: Soddy-Daisy, TN USA
Contact:

Re: My RS-232 / 6551 Design

Post by cbmeeks »

Quote:
Huh? The MAX238 has four TIA-232 outputs and four TIA-232 inputs.
I see that now. When I was searching on Mouser, I didn't notice that other types (232, 236, etc) were coming up in the list. The actual 238 is how you describe. :-)
Cat; the other white meat.
User avatar
cbmeeks
Posts: 1254
Joined: 17 Aug 2005
Location: Soddy-Daisy, TN USA
Contact:

Re: My RS-232 / 6551 Design

Post by cbmeeks »

GARTHWILSON wrote:
They are still in current production at TI, with the number SN75C1406. The MC number was Motorola's / NXP's. Mouser has TI's in five variations, in stock, around $2 each in qty 1. See https://www.mouser.com/Semiconductors/I ... 06&FS=True .
It appears the datasheet recommends 12V on VDD and -12 on VSS for the nominal values.
Is that what you're using or do you use something else?
Cat; the other white meat.
User avatar
BigDumbDinosaur
Posts: 9425
Joined: 28 May 2009
Location: Midwestern USA (JB Pritzker’s dystopia)
Contact:

Re: My RS-232 / 6551 Design

Post by BigDumbDinosaur »

cbmeeks wrote:
The SN75C1406 looks to be a good option. Seems to be much cheaper than the Max238.
It is cheaper, but then you have to provide +12 and -12 to it. The MAX238 only requires +5, so it's "cheaper" in terms of power provision if all you have is 5 volts.
x86?  We ain't got no x86.  We don't NEED no stinking x86!
User avatar
cbmeeks
Posts: 1254
Joined: 17 Aug 2005
Location: Soddy-Daisy, TN USA
Contact:

Re: My RS-232 / 6551 Design

Post by cbmeeks »

BigDumbDinosaur wrote:
cbmeeks wrote:
The SN75C1406 looks to be a good option. Seems to be much cheaper than the Max238.
It is cheaper, but then you have to provide +12 and -12 to it. The MAX238 only requires +5, so it's "cheaper" in terms of power provision if all you have is 5 volts.
Yep. After I did some more research I came to the same conclusion. I'm going with the MAX238. I've almost finished my redesign using it.
Cat; the other white meat.
User avatar
GARTHWILSON
Forum Moderator
Posts: 8773
Joined: 30 Aug 2002
Location: Southern California
Contact:

Re: My RS-232 / 6551 Design

Post by GARTHWILSON »

cbmeeks wrote:
GARTHWILSON wrote:
They are still in current production at TI, with the number SN75C1406. The MC number was Motorola's / NXP's. Mouser has TI's in five variations, in stock, around $2 each in qty 1. See https://www.mouser.com/Semiconductors/I ... 06&FS=True .
It appears the datasheet recommends 12V on VDD and -12 on VSS for the nominal values.
Is that what you're using or do you use something else?
I've used everything from 9V batteries (whose voltage drops as they age, and they won't be the same since there are more things loading the positive supply meaning that that battery will go down faster than the other) to +13.25 which I have on there where I'm programming PIC16 microcontrollers. The specified maximum on the IC is 15V and -15V, and the RS-232 spec says the minimum output voltage should be ±5V which will take a little more than that on the power supplies since the ICs don't swing rail to rail. It's not necessary to match the plus and minus voltages for RS-232 or most other things you'd use those supplies for either.

I'm a strong proponent of having these higher voltages available on the board for other things as well. As I've said before, the MC145406 is not the only thing I use them for.
http://WilsonMinesCo.com/ lots of 6502 resources
The "second front page" is http://wilsonminesco.com/links.html .
What's an additional VIA among friends, anyhow?
User avatar
cbmeeks
Posts: 1254
Joined: 17 Aug 2005
Location: Soddy-Daisy, TN USA
Contact:

Re: My RS-232 / 6551 Design

Post by cbmeeks »

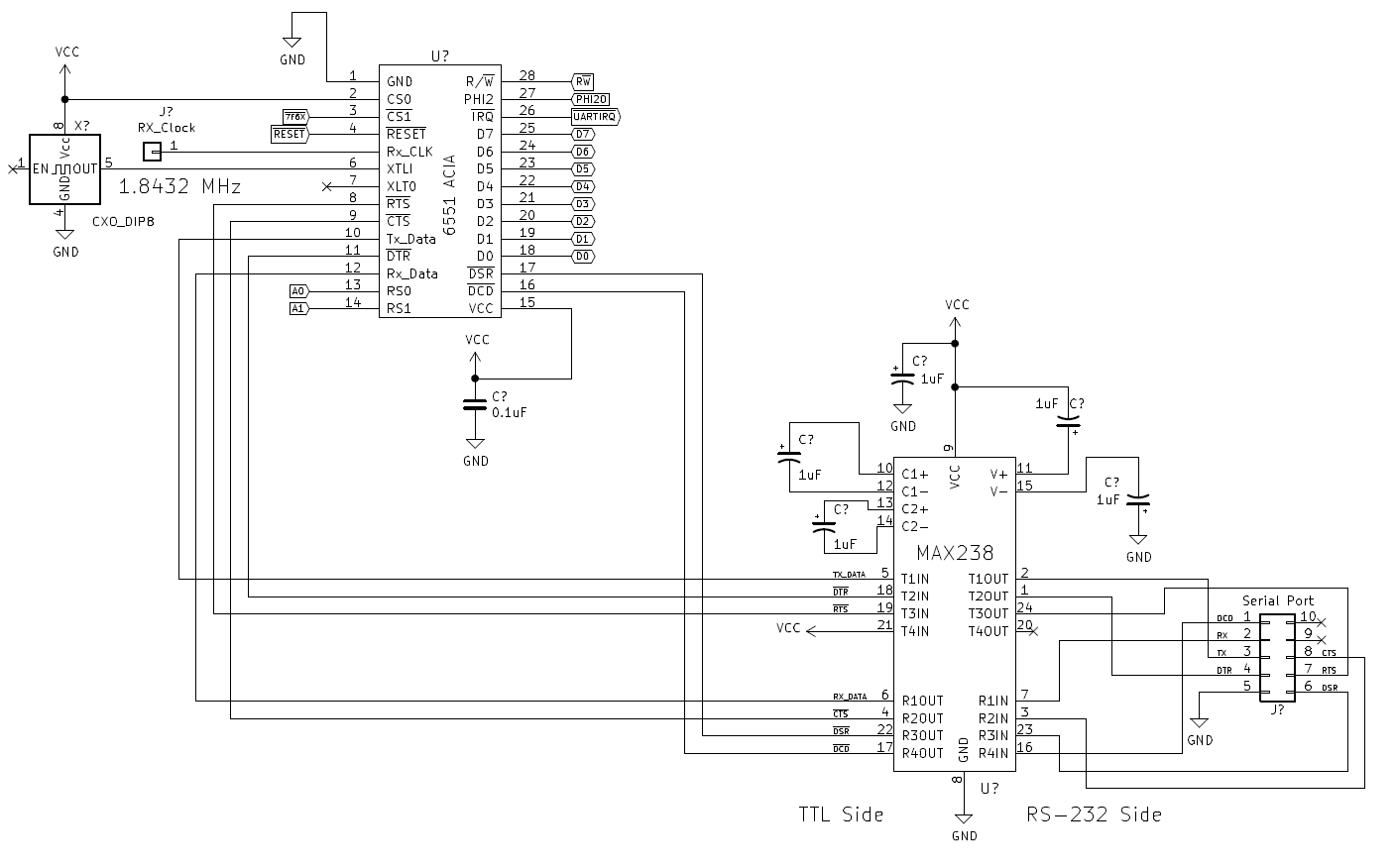
OK, I've updated my design to use the MAX238.

I was a little confused on how those caps worked (charge pumps??). So I hope I got that section right.

Thanks to everyone!
Attachments
RS232.PNG
Cat; the other white meat.
User avatar
BigDumbDinosaur
Posts: 9425
Joined: 28 May 2009
Location: Midwestern USA (JB Pritzker’s dystopia)
Contact:

Re: My RS-232 / 6551 Design

Post by BigDumbDinosaur »

cbmeeks wrote:
OK, I've updated my design to use the MAX238.

I was a little confused on how those caps worked (charge pumps??). So I hope I got that section right.

Thanks to everyone!

Looks okay to me. Please see my earlier post about using MLCCs as charge pump and bypass capacitors—you can save a few pennies on the build cost and avoid having to worry about polarity. Also, it would be a good idea to place an electrolytic close by the MAX238 to help stabilize Vcc. I use 100 µF for that purpose, Panasonic part number EEU-FR1A101B.

Four of the capacitors are part of the charge pump circuit, which takes the nominal 5 volt Vcc source and produces approximately +10 and -10 volts to drive the TIA-232 outputs. The fifth capacitor is just a usual bypass capacitor. All capacitors should be as physically close to the MAX238 as possible. If you are doing this on a PCB you can place the four charge pump caps (C21-C24 in the attached illustration—C14 is the bypass cap) at the "south" end of the MAX238, which will make for short traces. The MAX238s (two of them) in POC V1.2 are in SOIC-24 packages, which don't take up a lot of space and may be manually soldered—at least by someone with vision in both eyes. :D

MAX238 PCB Layout (from POC V1.2)
MAX238 PCB Layout (from POC V1.2)
x86?  We ain't got no x86.  We don't NEED no stinking x86!
User avatar
Firefox6502
Posts: 44
Joined: 01 Feb 2021
Location: Sydney, Australia

Re: My RS-232 / 6551 Design

Post by Firefox6502 »

floobydust wrote:
Here's the schematic for the serial part of the I/O board I made back in 2013. I used a MAX238 with a 65C51. It works perfectly fine.... I later swapped the MAX238 and the DB-9 connector out for a FTDI UART to USB adapter.
6551-IO.png
It's very good timing I can across this thread. I've finalised all areas of my (very basic) SBC circuit design except the serial comms (65C51). I've spent the last 2 days reading up on which way to go: 65C51 with xmit bug workaround or a modern chip 28L91/2. Given this is my first build and it's all DIP package chips, I've decided to go with the 65C51.

Reading Floobydust post, I would like to do this also - have the 65C51 connect to a "FTDI UART to USB adapter", i.e. connect my SBC to my desktop via USB for serial comms.

Are the pins between the 65C51 and "FTDI UART to USB adapter" straight forward to connect? E.g. RTS to RTS, CTS to CTS, Rx to Rx, TX to TX? And ignore DSR... and such? And anything else to connect between them?
Also any recommendations on a particular "FTDI UART to USB adapter" to buy or are they all good?
Greetings Professor Falken.
User avatar
floobydust
Posts: 1394
Joined: 05 Mar 2013

Re: My RS-232 / 6551 Design

Post by floobydust »

There are several different UART to USB interfaces from FTDI. The one I've mainly used on my SBCs is this:
DS_DB9-USB-15654.pdf
(605.73 KiB) Downloaded 54 times
They offer both male and female versions in interface levels of 3.3V, 5V (TTL type) as well as RS-232 voltage levels. As I'm connecting directly to the UART, I just use the 5V version in MALE... and use a standard DB-9 (also male) connector for the PCB layout.

I've also used their LC234X, which is a small PCB you solder a header on... this one has a jumper for 3.3V or 5V.

Just refer to the doc file for connection. They have drivers for OSX, Windows and Linux.

Regarding the 65C51... if you don't plan on running a fast CPU clock, I'd suggest finding an older CMOS version from Rockwell... as these were available in 4MHz. This will work out better overall... but I still recommend using a NXP UART these days.
Post Reply