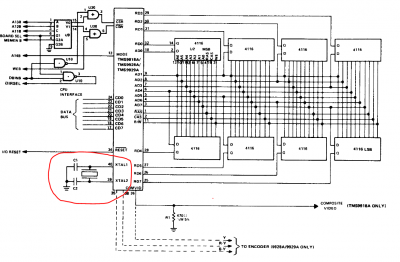
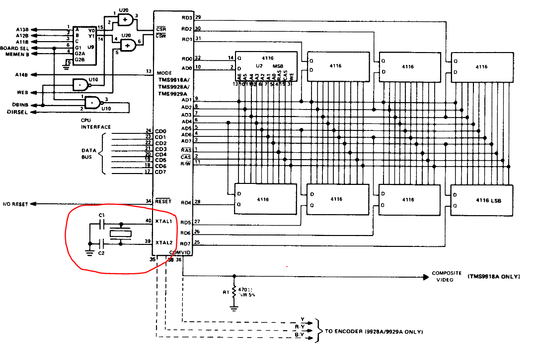
What I see in your data sheet is very strange. When you see two pins connected to a crystal like that, one is input and one is output. [...] I don't know why they have the 470-ohm pull-up resistors there unless they expect an open-collector inverter. They did not specify though.
It
is strange. I'm reminded of a clock circuit Commodore uses for driving the 6509. There, too, we see low-value pullups attached this way. The gates in the Commodore circuit are just the usual totem-pole type (ie, not open-collector), so it's pretty clear the job of the resistors is to raise the logic-high voltage. (TTL Voh falls short of the spec required for the 6509 clock inputs.) Still, I don't see how or whether that reasoning can explain the pullups in the 9900 circuit on page 60 of the PDF.
In most cases, the flop should be a 74AC74 or 74ABT74. Both produce an output transition time that is well within the recommendations for the WDC MPUs
Certainly 74AC74 is appropriate, but 74ABT74... not so much. Again there's the problem that TTL output levels fall short of what's required by the inputs of the device being driven. (Spec's for WDC CPU's indicate that none of the inputs -- clock or otherwise -- accept TTL levels.)
It's something we all need to be aware of. In the past it was fairly safe to assume any part that's CMOS will feature rail-to-rail swings on its output pins. Good times! But, unfortunately,
modern CMOS parts may or may not feature rail-to-rail output swings -- you have to check the Voh spec. in the datasheet. Families such as 74HC, HCT, AC and ACT can be implicitly trusted in this regard, but otherwise you need to check.
If the Voh of your gate fails to meet the Vih spec of the gate it's supposed to drive then your project will either...
- work
- not work, or
- fail at unpredictable -- and usually inopportune -- times!

-- Jeff
PS: the 'ABT74 is actually a "BiCMOS" part. NPX's datasheet says Voh can be as low as 2.5V. (That's when sourcing 15 mA. At lower currents we can perhaps expect a somewhat higher voltage, but the datasheet offers no assurance of this.)