6502/65C02 multiplexing

For discussing the 65xx hardware itself or electronics projects.
User avatar
BigEd
Posts: 11464
Joined: 11 Dec 2008
Location: England
Contact:

Re: 6502/65C02 multiplexing

Post by BigEd »

My tendency is to downplay the dangers of unmanaged parasitics - because most of us are making hobby boards which don't have to keep a passenger plane in the air, so we can accept lower standards and have easier projects.

That said, sometimes it becomes clear that, for example, inadequate decoupling capacitance can cause unreliability, and unreliability is a difficult thing to pin down and fix, and might result in a gloomy end to a project.

The one thing that's paramount though is to keep clocks and strobes clean. Any other signals should only have to be stable for some short window around the clock edge, but a stray glitch on a clock will always cause trouble.
dolomiah
Posts: 102
Joined: 18 Nov 2015
Location: UK
Contact:

Re: 6502/65C02 multiplexing

Post by dolomiah »

That's very interesting in terms of the relative importance of clocks and strobes versus other signals (e.g. data and address) - I hadn't thought about it this way but it makes sense.

Also couldn't agree with you more about the purpose - for me it is a spare time hobby, no one will be damaged physically or commercially, and so breadboard is just fine for me! I think if it wasn't for BB I would not have gone ahead with this project at all, focussing on just software using RPi or Arduino.
User avatar
GARTHWILSON
Forum Moderator
Posts: 8775
Joined: 30 Aug 2002
Location: Southern California
Contact:

Re: 6502/65C02 multiplexing

Post by GARTHWILSON »

dolomiah wrote:
Hi Garth and BigEd.

I bow to your fantastic knowledge and insight, it has helped me on many occasions with my own learning and project. But, @ 1.1Mhz is this really due to stray capacitance or induction, or is there a design bug hiding somewhere? It's a big effort to move from BB to wire wrap or even PCB if it doesn't fix the root cause..

The reason I wonder is that my own build is running off a 21.48Mhz master clock, divided down to 10.74Mhz for the video chip and 2.68Mhz for the 65c02. This works reliably including needing to create two non-overlapping CS and /CS signals from the 2.68Mhz clock for the video processor as well as decode circuitry for other chip selects. All of the glitches I encountered during the build turned out to be timing issues. And my build is all on breadboard?

https://hackaday.io/project/5789-6502-homebrew-computer
Maybe there is a design bug hiding somewhere—it's hard to tell from here. But be sure to go through the links I gave earlier. Good engineering practice—that nebulous term for applying your understanding of the concepts when you can't adequately model something mathematically—goes a long way. The clock frequency is not the issue so much as the rise times. If a signal takes only a nanosecond to change logic states, it will be harder to avoid the problems than it will be if it takes three or five or eight nanoseconds for example. With 74HC and 1MHz parts, you can get away with murder. As you move up the scale, lines have to get proportionately shorter to get the same dependable behavior. Otherwise building techniques will have to improve. The Cray-1 ran at 80MHz, wire-wrapped, and had some awfully long connections; but those were all twisted pairs, with one of the wires of each pair being the ground return so they were all transmission lines, not inductors and antennas. Ideal transmission lines neither radiate signals to other lines to cause problems, nor pick up any. I'm not suggesting we make all our connections twisted pairs, but rather that extra measures and care will have to be taken as we move up the scale. In any case, I will definitely second the motion that the clock lines get the greatest care.
http://WilsonMinesCo.com/ lots of 6502 resources
The "second front page" is http://wilsonminesco.com/links.html .
What's an additional VIA among friends, anyhow?
kakemoms
Posts: 349
Joined: 02 Mar 2016

Re: 6502/65C02 multiplexing

Post by kakemoms »

GARTHWILSON wrote:
It's probably not so much the capacitance as the fact that all those hoops of wire can be viewed as portions of large coils, and there is inductance and inductive coupling all over the place.

If you don't want to go to custom PCBs, wire wrap works much better than solderless plug-in breadboards do for this kind of thing. As fewer and fewer people are doing it and we're losing the economy of scale, I have been noticing that socket prices have been rising, and of course custom PCB prices have been falling, so at some point they cross. Nevertheless WW is easier to make corrections or additions on later. I have a page on answering WW questions and doubts in the 6502 primer at http://wilsonminesco.com/6502primer/WireWrap.html .

We have a sticky topic on getting good behavior in high-speed (high for us!) circuits, at "Techniques for reliable high-speed digital circuits," and I address it in the 6502 primer's page on AC performance at http://wilsonminesco.com/6502primer/construction.html .
Very interesting! I never though of wire wrap.. I guess I have become affected by the plug-n-play generation. I will check it out once I get to order some more supplies.
kakemoms
Posts: 349
Joined: 02 Mar 2016

Re: 6502/65C02 multiplexing

Post by kakemoms »

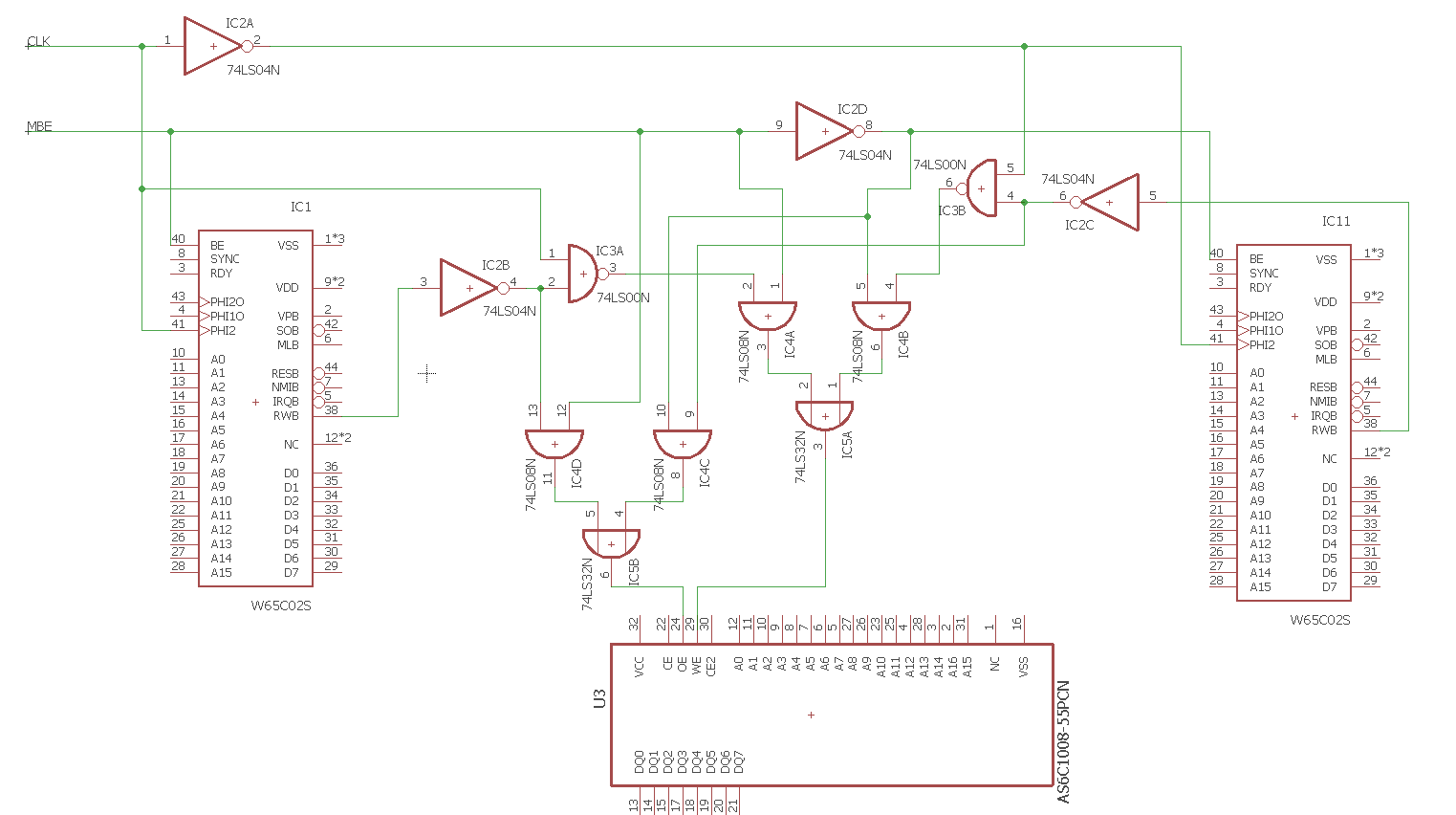
This project has gone slowly forward and I tested different solutions to get multiplexing working. The basic problem at this time is stability which makes the 65C02 stop. The 6502 is happy and runs along well, and the 65C02 can also read the memory without problems, but once I get it to write something it becomes rude and difficult.

The problem seems to be in the RW signaling in which one usually put the NOT(RW) signal to the SRAM OE and clock the same signal through a NAND with the CLK2 to get WE for the SRAM (this can be seen in most projects here).

I have used the same thing within the multiplexed system, but have a common signal that contains both a stable READ and a CLK2 multiplexed WRITE:

Code: Select all

MRW (=multiplexed RW):
0000000000110011001100
<-READ---><-WRITE---->
In the Write phase, the signal goes low with CLK2 which will fulfill the write. OE=MRW here and WE=NOT(MRW) for the SRAM.

In comparison to the "normal" way, this gives the same signal to WE, but since OE is just NOT(WE) we get OE enabled in the write cycle once MRW goes low.

Edit: I also tested having two separate signals for Read (Output Enable for SRAM) and Write (WE for SRAM). I can't get this to work. Basically I am trying to do it like this:
Multiplex-example.png
For simplicity I haven't connected the other lines and some of the signal logic is lost here. Both CPUs are running contineously, but Bus Enable (BE) is clocked so that each get slightly less than half a cycle. Both CPUs will read from SRAM, but writing does not work. The WE seems to go high at the end of each clock (as it should) and thus terminate the write cycle correctly.

The strange thing is that it runs nicely as long as there is no writing. E.g. reading instructions work, but once one tries a write, the processor just halts.
kakemoms
Posts: 349
Joined: 02 Mar 2016

Re: 6502/65C02 multiplexing

Post by kakemoms »

After measuring all signals and reading I am leaning towards what was hinted at earlier in this tread: My write pulse shaping is not optimal and will need to add more logic to get a better write pulse.

Now, since my real circuit contains a programmable clock, I could solder in that and put a faster clock in the 65C02 timing phase as long as I reset that clock at the end of each 6502 pulse. It may not work very well since the end of that clock phase will certainly stop with an out-of-phase transition at the end. So the clock would need to be varied until it is stable. And it would need to be reset almost every 6502 cycle to not get out-of-sync!

For the next version I will certainly use a PLD to get the logic to stick better. Compared to the 20MHz superCPU (65C816) of the C64, the main problem here is the programmable clock that can change. The superCPU solves the need for slower access (when it acesses the internal RAM on the C64) with a prolonged read/write cycle (it keeps the clock high much longer). That would also work here, but I would need a separate SRAM for the Vic-20's 6502 that ran slower, which is something I don't want.

I have also looked at the 6502 vs 6504 of the Commodore 4040-like drives, but they run at the same speed and solve the multiplexing by using an adder on the clock source and can therefore get a clock with twice the 6502/4 frequency for the SRAM write signal (which is what Mr. Finch already pointed out earlier in the tread).

There are some ways to flawless switch two out-of-sync clocks with flip-flops, but they seem to be too slow to be able to switch-in a single 1MHz HIGH pulse within a 3-14MHz clock.
User avatar
ttlworks
Posts: 1464
Joined: 09 Nov 2012
Contact:

Re: 6502/65C02 multiplexing

Post by ttlworks »

Nice schematic...
Having CPUs running at different clock frequencies sharing the same RAM can give you quite a headache,
and I never had tried to build something like that.

But some time ago I had a 6502 CPU and a "graphics card" wired together, both running at a different clock frequency.
Since there are no two consecutive write cycles on a 6502 (except when writing the stack area), my solution was to keep
the address and the data of a CPU bus write cycle to $0400..$7FFF in latches, so the "graphics card" could transfer the write
later to its own RAM "at the right moment"...
but I think that doing something like that might bloat your circuitry a little bit. :)

;---

Like Rob Finch, I would suggest to use dual port RAM, this certainly would give you less trouble.

Downside is, that dual port RAMs are a bit exotic, a little bit expensive, and they tend to draw quite some current from the power supply.
Don't know, how much current a VIC20 power supply can provide before the enabling smoke leaks out...
So even when not using dual port RAMs, please take care there. :)

Would suggest to try the 32kB IDT7007:
http://eu.mouser.com/Search/Refine.aspx?Keyword=idt7007

There also is the IDT7008 (64kB) and the IDT7009 (128kB).
User avatar
GARTHWILSON
Forum Moderator
Posts: 8775
Joined: 30 Aug 2002
Location: Southern California
Contact:

Re: 6502/65C02 multiplexing

Post by GARTHWILSON »

kakemoms wrote:
This project has gone slowly forward and I tested different solutions to get multiplexing working. The basic problem at this time is stability which makes the 65C02 stop. The 6502 is happy and runs along well, and the 65C02 can also read the memory without problems, but once I get it to write something it becomes rude and difficult.

The problem seems to be in the RW signaling...
I re-drew your last diagram above, a couple of times, trying to wrap my head around it. After that, I didn't get very far before seeing that on the memory, both WE\ and OE\ will always be low, because either one processor's BE or the other's will be low.
http://WilsonMinesCo.com/ lots of 6502 resources
The "second front page" is http://wilsonminesco.com/links.html .
What's an additional VIA among friends, anyhow?
User avatar
ttlworks
Posts: 1464
Joined: 09 Nov 2012
Contact:

Re: 6502/65C02 multiplexing

Post by ttlworks »

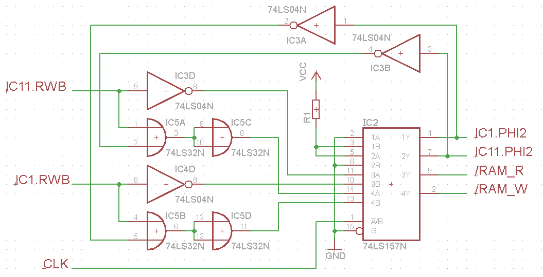
After staring some more at the schematic above, I'd say that Garth is right:
there _is_ something wrong with the schematic.

Would say, that WE and OE at the RAM actually might be low_active, means /WE and /OE.

Try, if this helps:
rw_gator.png
BTW: write timing could be a bit tricky here, it would make sense to spend some thoughts
on the propagation delays toward the RAM /WE pin, especially when aiming for speed.

;---

Edit: Hmm...
rw_gator_tron.png
It's just a thought...
User avatar
BigDumbDinosaur
Posts: 9428
Joined: 28 May 2009
Location: Midwestern USA (JB Pritzker’s dystopia)
Contact:

Re: 6502/65C02 multiplexing

Post by BigDumbDinosaur »

ttlworks wrote:
After staring some more at the schematic above, I'd say that Garth is right:
there _is_ something wrong with the schematic.

Would say, that WE and OE at the RAM actually might be low_active, means /WE and /OE.

Try, if this helps:
rw_gator.png
BTW: write timing could be a bit tricky here, it would make sense to spend some thoughts
on the propagation delays toward the RAM /WE pin, especially when aiming for speed.

;---

Edit: Hmm...
rw_gator_tron.png
It's just a thought...
Could you please post the schematics in monochrome for the benefit of the color-blind bats who inhabit this forum? :lol:
x86?  We ain't got no x86.  We don't NEED no stinking x86!
User avatar
KC9UDX
Posts: 246
Joined: 07 Dec 2013
Location: The Kettle Moraine

Re: 6502/65C02 multiplexing

Post by KC9UDX »

I think I'm greyblind. I can scarcely make out what the grey text says.
User avatar
ttlworks
Posts: 1464
Joined: 09 Nov 2012
Contact:

Re: 6502/65C02 multiplexing

Post by ttlworks »

Sorry, after some years of using Eagle I wasn't aware that those colors could be _that_ confusing. :)
Monochrome pictures as requested:
bw_rw_gator.png
bw_rw_gator.png (4.96 KiB) Viewed 1280 times
;---
bw_rw_gator_tron.png
bw_rw_gator_tron.png (4.54 KiB) Viewed 1280 times
fachat
Posts: 1124
Joined: 05 Jul 2005
Location: near Heidelberg, Germany
Contact:

Re: 6502/65C02 multiplexing

Post by fachat »

I am not sure but I think there is a general problem with this approach. What happens if you have two directly consecutive accesses to memory first from the left then from the right CPU?

I haven't investigated the schematics too closely, but the lack of a second clock strikes me. I _think_ the /CE lines would be continuously active - so the chip would probably notice the change in address lines and reads would probably work, but writes?

I have done a coprocessor board that uses shared memory between two phase-shifted 6502, and it's using a "2phi2" clock, basically a phase-locked twice-the-frequency Phi2 signal control the signals. It might be a bit complicated, but there is a textual description with timing diagrams (in the desc text file accompanying the board)
http://www.6502.org/users/andre/csa/copro/index.html

On the other hand - the old Commodore disk drive that used a similar shared memory system between their both 6502 (resp. 6502 + 6504) uses a simple 74LS157 A/B switch for the select and R/W lines controlled by one Phi2 for the 2114 RAM chips...
http://www.zimmers.net/anonftp/pub/cbm/ ... index.html

Cheers,
André
Author of the GeckOS multitasking operating system, the usb65 stack, designer of the Micro-PET and many more 6502 content: http://6502.org/users/andre/
User avatar
ttlworks
Posts: 1464
Joined: 09 Nov 2012
Contact:

Re: 6502/65C02 multiplexing

Post by ttlworks »

Quote:
I am not sure but I think there is a general problem with this approach.
What happens if you have two directly consecutive accesses to memory first from the left then from the right CPU?
Hmm... this depends... but this sure would be a problem for RMW operations like INC,DEC etc.
W65C02 has a /ML output signal that indicates a RMW operation and that maybe could be used for "stopping" the other CPU.
Quote:
I haven't investigated the schematics too closely, but the lack of a second clock strikes me.
I _think_ the /CE lines would be continuously active - so the chip would probably notice the change in address lines
and reads would probably work, but writes?
In my 74157 schematic above, the 74157 select was tied to a "main clock".
Two of the 74157 outputs then generate two (nearly) non_overlapping clock signals for both CPUs...
if one would be aiming for speed, having partially overlapping clock signals due to propagation delays
in the clock generation circuitry for both CPUs means trouble.

My schematics above only were intended to be a help for getting the concept for the timing a bit better,
so didn't take much care about address decoding, consecutive memory accesses and such. :)
Also, maybe some "tweaking" would have to be done for the propagation delays of the read/wite signals.

BTW: It is possible to tie /CS of a RAM permanently to GND, then to use only /OE and /WE for RAM read/write.
This might slightly improve speed of the RAM... by increasing standby power consumption of the RAM of course.
Did this when building my 68020 computer.
Quote:
I have done a coprocessor board that uses shared memory between two phase-shifted 6502, and it's using a "2phi2" clock,
basically a phase-locked twice-the-frequency Phi2 signal control the signals. It might be a bit complicated,
but there is a textual description with timing diagrams (in the desc text file accompanying the board)
Looks complicated indeed, reading all this will take some time...

Having some circuitry in the design from the start that generates clock and timing signals for two CPUs
sure is less fuss than adding a second CPU to an already existing system as "an afterthought".
To me, it's only a theoretical discussion because I never had more than one CPU in my homebuilt stuff.
Quote:
On the other hand - the old Commodore disk drive that used a similar shared memory system between their both 6502
(resp. 6502 + 6504) uses a simple 74LS157 A/B switch for the select and R/W lines controlled by one Phi2 for the 2114 RAM chips...
Using 74157 for switching the RAM address lines too is a nice idea.

Hmm... starting to wonder, if one could have two 6502s at each side of a dual port RAM... that's four 6502s in total. ;)
kakemoms
Posts: 349
Joined: 02 Mar 2016

Re: 6502/65C02 multiplexing

Post by kakemoms »

GARTHWILSON wrote:
kakemoms wrote:
This project has gone slowly forward and I tested different solutions to get multiplexing working. The basic problem at this time is stability which makes the 65C02 stop. The 6502 is happy and runs along well, and the 65C02 can also read the memory without problems, but once I get it to write something it becomes rude and difficult.

The problem seems to be in the RW signaling...
I re-drew your last diagram above, a couple of times, trying to wrap my head around it. After that, I didn't get very far before seeing that on the memory, both WE\ and OE\ will always be low, because either one processor's BE or the other's will be low.
Sorry for slow response. I have been tweaking my mind on learning Lattice Diamond & Verilog for CPLD and it took some days to get into it.

Here is my timing diagram for the different pulses:

Code: Select all

Signal leftmost 65C02 write, right read

Period=900ns

CLK  000000000111111111
BEL  111100000000011111 (left BE=MBE)
RWBL 000000000000000000 (left RWB)
RWBR 111111111111111111 (right RWB)
IC3A 111111111000000000
IC4A 111100000000000000
IC3B 111111111111111111
BER  000011111111100000 (right BE)
IC4B 000011111111100000
WE   111111111111100000
The actual circuit has a short delay between BEL and BER going high (about 50ns) and is not constructed by a simple NOT (to remove bus contention). As you see, WE goes low for write, stays high for read.
Post Reply