Project: Digital Fuel Injector Pulse Width Analyzer
-
ElEctric_EyE
- Posts: 3260
- Joined: 02 Mar 2009
- Location: OH, USA
Thanks for posting that. Damn, at least I can stop banging my head against the wall. I suspected it was a hardware issue. I was so convinced the FSA506 was 5v tolerant because the preliminary datasheet said it was. Thanks for that clarification. NHD's datasheet really is poor though, even though as you say 65K colors is enough, it clearly says it has 262K colors which would require the controller to send 3 8-bit data, instead of 2 consecutive 8 bits for 65K colors. One piece of misinformation in a datasheet makes the whole datasheet suspect IMHO, and requires many more hours of troubleshooting.
Here's The FSA506 datasheet from New Haven's site: http://www.newhavendisplay.com/app_notes/FSA506.pdf
Scroll down to chapter 6.1 (page 30) and now you see why I wasted (translate:not quitting) so much time on this product. "5V tolerant I/O cells"
Here's The FSA506 datasheet from New Haven's site: http://www.newhavendisplay.com/app_notes/FSA506.pdf
Scroll down to chapter 6.1 (page 30) and now you see why I wasted (translate:not quitting) so much time on this product. "5V tolerant I/O cells"
Last edited by ElEctric_EyE on Mon Jul 27, 2009 7:20 pm, edited 3 times in total.
-
ElEctric_EyE
- Posts: 3260
- Joined: 02 Mar 2009
- Location: OH, USA
I'll try the logic level switching IC, and report back here in a few. Hopefully this thing can run at full speed without the delays in software, without a couple of these IC's.
I wish I could use some 3.3V EEPROMs and SRAMs and make the whole circuit run at 3.3V so logic level translation wouldn't be needed...
I wish I could use some 3.3V EEPROMs and SRAMs and make the whole circuit run at 3.3V so logic level translation wouldn't be needed...
-
ElEctric_EyE
- Posts: 3260
- Joined: 02 Mar 2009
- Location: OH, USA
After a little research, I decided to switch the whole circuit over to 3.3V and use HC logic. Also I am going to rewire everything and start from scratch.
Atmel makes a 3.3V flash memory 128Kx8. AT29BV010A-12TU. In a 32 pin TSOP package. Compatible with the 540 Genius Programmer. DIGIKEY has them for $2.60 each. TSOP adapter here, so it will fit the programmer: http://smt-adapter.biz/Site/Breadboardi ... s-TSOP.htm#. $16
32 pin ZIF socket at DIGIKEY for $10. 32-6554-10... Maybe I should go with 40pin...
Cypress makes a 3.3V sram 32Kx8. CY62256VNLL-70ZXI. In a 28 pin TSOP package. DIGIKEY has them for $2.25 each. Adapter is $14.
3.3V 6MHz Oscillator. SG-636PCE 6.0000MC0. $6.56 at DIGIKEY.
Around $50 total for the conversion... I don't consider this a total loss because I still have the software, and I've learned alot up to this point. Keep you posted... Planning to make a vid before I scrap this board, so I can show in realtime what was happening. My sig has the link to my video page on youtube.
Atmel makes a 3.3V flash memory 128Kx8. AT29BV010A-12TU. In a 32 pin TSOP package. Compatible with the 540 Genius Programmer. DIGIKEY has them for $2.60 each. TSOP adapter here, so it will fit the programmer: http://smt-adapter.biz/Site/Breadboardi ... s-TSOP.htm#. $16
32 pin ZIF socket at DIGIKEY for $10. 32-6554-10... Maybe I should go with 40pin...
Cypress makes a 3.3V sram 32Kx8. CY62256VNLL-70ZXI. In a 28 pin TSOP package. DIGIKEY has them for $2.25 each. Adapter is $14.
3.3V 6MHz Oscillator. SG-636PCE 6.0000MC0. $6.56 at DIGIKEY.
Around $50 total for the conversion... I don't consider this a total loss because I still have the software, and I've learned alot up to this point. Keep you posted... Planning to make a vid before I scrap this board, so I can show in realtime what was happening. My sig has the link to my video page on youtube.
-
ElEctric_EyE
- Posts: 3260
- Joined: 02 Mar 2009
- Location: OH, USA
- GARTHWILSON
- Forum Moderator
- Posts: 8775
- Joined: 30 Aug 2002
- Location: Southern California
- Contact:
Thanks for the video. We just found out my wife's digital cameral does a pretty nice job of video, so I'm thinking of quite a few things I should post on YouTube. I should get some video-editing software. Any recommendations (to run under Linux of course, not Windoze)? And Mike, is there a way to embed a video in a post, so the reader only needs to click the "play" button?
You said you'd switch the logic to HC and run it at 3V. 74AC runs down to 2V and is several times as fast as HC, so that would be worth looking into if speed is an issue and your construction can handle the fast rise times. If HC is fast enough and you just plug new ICs into the existing sockets, it (74HC) would probably keep you out of trouble. If you're going to rebuild it all anyway, you might want to go with at least a perfboard with a ground plane. (I only mention it because you were talking about using 74F earlier.)
BTW, 6502 is made by Western Design Center, not Western Digital.
You said you'd switch the logic to HC and run it at 3V. 74AC runs down to 2V and is several times as fast as HC, so that would be worth looking into if speed is an issue and your construction can handle the fast rise times. If HC is fast enough and you just plug new ICs into the existing sockets, it (74HC) would probably keep you out of trouble. If you're going to rebuild it all anyway, you might want to go with at least a perfboard with a ground plane. (I only mention it because you were talking about using 74F earlier.)
BTW, 6502 is made by Western Design Center, not Western Digital.
-
ElEctric_EyE
- Posts: 3260
- Joined: 02 Mar 2009
- Location: OH, USA
Jeez, did I say western digital?!. I was thinking WDC, lol. I should have just said that. I know it's western design center... That was my 3rd try at making a video....Just FYI, it took over 1 hour to upload the first 350MB video to youtube. I had to try 3 times on part 2. It took about 3 hours. Very frustrating... AC series TTL is the one to use at 3.3V? Speed is my #1 concern.
edit: Made an annotation in the video to correct my WDC miscue.
edit: Made an annotation in the video to correct my WDC miscue.
-
ElEctric_EyE
- Posts: 3260
- Joined: 02 Mar 2009
- Location: OH, USA
GARTHWILSON wrote:
...Any recommendations (to run under Linux of course, not Windoze)?...
I use TMPGEnc, Nero vision 4, divX encoder, and virtualdub under windows XP, sp3... Looking into windows 7 currently... May be the first OS I pay for after next Feb...
But, Youtube says not to encode too many times before uploading a video or the quality will lack. 2GB max or 10 min max, so compressing a video is not an issue with an allowable file size like 2GB. Time is the issue though, especially when an upload fails, which happened to me 2x when uploading part 2, after waiting over an hour for each 350MB part.
And thanks for the suggestion to use AC logic.
-
ElEctric_EyE
- Posts: 3260
- Joined: 02 Mar 2009
- Location: OH, USA
Been thinking... after rereading TMorita's posts, about spending close to $100 to have 3 experimental boards made with TSOP and other exotic layouts on PCB Express... Instead of spending more than $50 for experimental sockets and re-wirewrapping everything. May save alot of time to experiment with a service I've not used before, but one I will have to use and depend on in the future anyway.
Their software was pretty good when I tried it last in late '08, just for experimentation and image capture.
edit: I meant www.ExpressPCB.com. 3 boards for $51.
Their software was pretty good when I tried it last in late '08, just for experimentation and image capture.
edit: I meant www.ExpressPCB.com. 3 boards for $51.
- BigDumbDinosaur
- Posts: 9428
- Joined: 28 May 2009
- Location: Midwestern USA (JB Pritzker’s dystopia)
- Contact:
ElEctric_EyE wrote:
Been thinking... after rereading TMorita's posts, about spending close to $100 to have 3 experimental boards made with TSOP and other exotic layouts on PCB Express...Their software was pretty good when I tried it last in late '08, just for experimentation and image capture...edit: I meant www.ExpressPCB.com. 3 boards for $51.
Have you tried setting the PLL of FSA506
I've just seen your post on google and wanted to tell something which maybe can help with the delays.
On FSA506 data sheet, look at registers #41 and $42. They are called PLL programmable pre-divider & loop-divider. The operation speed of FSA506 is something like (K*#42/#41) as far as I understand.
I had a problem about timings on a project with FSA506. The picture was being transferred but there were miscolored pixels or sometimes was totally out of sync. When I slowed down the CPU it was working ok but was too slow. After days i discovered those #41, $42 registers.
So by trial and error I found the fastest values that I can put in $41 & $42. In my case, it works good and fast with the following values:
#41 = 20
$42 = 44
I may be overclocking the FSA506, I don't know.
Anyway wanted to post, maybe this rings a bell...
On FSA506 data sheet, look at registers #41 and $42. They are called PLL programmable pre-divider & loop-divider. The operation speed of FSA506 is something like (K*#42/#41) as far as I understand.
I had a problem about timings on a project with FSA506. The picture was being transferred but there were miscolored pixels or sometimes was totally out of sync. When I slowed down the CPU it was working ok but was too slow. After days i discovered those #41, $42 registers.
So by trial and error I found the fastest values that I can put in $41 & $42. In my case, it works good and fast with the following values:
#41 = 20
$42 = 44
I may be overclocking the FSA506, I don't know.
Anyway wanted to post, maybe this rings a bell...
GARTHWILSON wrote:
It looks like only the delay between the STAs is relevant, not the one before the first STA. Each delay in your second listing with the NOPs comes to 12 clocks though (2 clocks per NOP), whereas the delays in the first listing only come to 6 clocks each (2 for LDX#, 2 for DEX, and 2 for BNE where the branch is not taken). Too much delay is not usually a problem though.
-
ElEctric_EyE
- Posts: 3260
- Joined: 02 Mar 2009
- Location: OH, USA
First thanks for your input! Just a few questions though...
Were you running your interface logic at 5V or 3.3V?
Was there one "magical" frequency obtained by those 2 reigsters or did several work?
I wrote a program today to cycle through variables. First I set reg $42 to #63 for highest resolution. and reg $41 has to be higher than #30 or the display will not init. So this gives a ratio of 63/30=2.1, not quite as fast as your 44/20=2.4.
So the program does the clearcreen and puts the characters on the display while cycling reg $41 from #30 to #63, then decrements $42 from #63 to #0 everytime reg $41 equals 63. More than 2000 possibilities. With the ~1sec delay I put in there, thats going to be alot of staring at the screen until it arrives at the right frequency...
These two reg's definately affect pixel randomness and color arbitration. I'll be experimenting more. Knowing that formula is key as I have tried to change them in the past with a locked up display the only result.
edit:oh, and what type of cpu are you using and what speed?
Were you running your interface logic at 5V or 3.3V?
Was there one "magical" frequency obtained by those 2 reigsters or did several work?
I wrote a program today to cycle through variables. First I set reg $42 to #63 for highest resolution. and reg $41 has to be higher than #30 or the display will not init. So this gives a ratio of 63/30=2.1, not quite as fast as your 44/20=2.4.
So the program does the clearcreen and puts the characters on the display while cycling reg $41 from #30 to #63, then decrements $42 from #63 to #0 everytime reg $41 equals 63. More than 2000 possibilities. With the ~1sec delay I put in there, thats going to be alot of staring at the screen until it arrives at the right frequency...
These two reg's definately affect pixel randomness and color arbitration. I'll be experimenting more. Knowing that formula is key as I have tried to change them in the past with a locked up display the only result.
edit:oh, and what type of cpu are you using and what speed?
-
ElEctric_EyE
- Posts: 3260
- Joined: 02 Mar 2009
- Location: OH, USA
Well after looking for 2 or 3 nights now, after work, for the "magic" PLL frequency, I realized it's going to take longer than 1/2 hr of observation. I am not giving up yet!
It'd be pointless if I have no clue what these two 6-bit registers' values are, when I hit the magical frequency, after MANY minutes of observation. The only way to know what they are is to display them. So I'm working on a subroutine to display 3 digit, 8 bit numbers. The software will change the reg's during the init display as described in the previous post, clear the screen, print the title, and then print reg's $41 and $42 values on the screen.
When I hit the sweet spot, I'll be a happy man. If I don't hit the sweet spot, my only option is to slow the processor speed to <6MHz, and hopefully IT WILL STILL NOT WORK. I hope this because I am hoping the redesign of the display interface to 3.3V WILL WORK at full speed. And then if that doesn't work, I'll put a .50 cal bullet through this display and make a video of it.
It'd be pointless if I have no clue what these two 6-bit registers' values are, when I hit the magical frequency, after MANY minutes of observation. The only way to know what they are is to display them. So I'm working on a subroutine to display 3 digit, 8 bit numbers. The software will change the reg's during the init display as described in the previous post, clear the screen, print the title, and then print reg's $41 and $42 values on the screen.
When I hit the sweet spot, I'll be a happy man. If I don't hit the sweet spot, my only option is to slow the processor speed to <6MHz, and hopefully IT WILL STILL NOT WORK. I hope this because I am hoping the redesign of the display interface to 3.3V WILL WORK at full speed. And then if that doesn't work, I'll put a .50 cal bullet through this display and make a video of it.
-
ElEctric_EyE
- Posts: 3260
- Joined: 02 Mar 2009
- Location: OH, USA
Needed a break from this project for a couple months... Experimenting with the previous registers did not yield the result hoped for, but... The desire to make this thing work was rekindled, after completing a 2 TB file server backing up all CD's and DVD's, I needed something else to work on and this project still sits on my table with my laptop, in front of my recliner.
I went to New Haven's website yesterday to see if they had any updated app notes or datasheets, and what do ya know? They started their very own forum. Seems to have just started too, around Oct. 18th. I posed some questions about my issues on there last night. You can read here: http://www.newhavendisplay.com/forum/vi ... p?f=6&t=15...
There is a jumper behind the display to select 6800/8080 interface. Curt, the site admin, gave me some leads that I'll try here in the next few days before I start on the next 3.3V chapter. Thanks for that Curt!
They have a sweet little display 640x480 5.7" for $109. Same cost as this discontinued 320x240 display...
I went to New Haven's website yesterday to see if they had any updated app notes or datasheets, and what do ya know? They started their very own forum. Seems to have just started too, around Oct. 18th. I posed some questions about my issues on there last night. You can read here: http://www.newhavendisplay.com/forum/vi ... p?f=6&t=15...
There is a jumper behind the display to select 6800/8080 interface. Curt, the site admin, gave me some leads that I'll try here in the next few days before I start on the next 3.3V chapter. Thanks for that Curt!
They have a sweet little display 640x480 5.7" for $109. Same cost as this discontinued 320x240 display...
-
ElEctric_EyE
- Posts: 3260
- Joined: 02 Mar 2009
- Location: OH, USA
HOORAY, HOORAY!!!!!! It works without delays! I am out of my mind!!!
Finally. My God, now logic once again rules, and the "bad magic" is gone. I can progress with the software, without the insanity of programming random delays.
So the question of whether the 3.3V logic on the display is compatible with 5V has been answered. No need for me to redesign my whole project , whew.
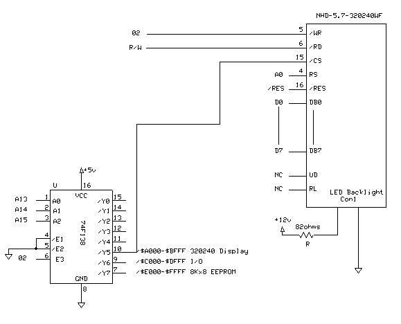
Updated display interface:

The 8080/6800 select jumper on the backside of the display, now selected for 6800 style interface:

Finally. My God, now logic once again rules, and the "bad magic" is gone. I can progress with the software, without the insanity of programming random delays.
So the question of whether the 3.3V logic on the display is compatible with 5V has been answered. No need for me to redesign my whole project , whew.
Updated display interface:

The 8080/6800 select jumper on the backside of the display, now selected for 6800 style interface:

Last edited by ElEctric_EyE on Mon Nov 30, 2009 11:56 am, edited 2 times in total.
-
ElEctric_EyE
- Posts: 3260
- Joined: 02 Mar 2009
- Location: OH, USA
It seems all this effort is for naught. I would have liked to have a fellow programmer compare notes as it were, but the FSA 506 has been discontinued for awhile now... So either, I can continue my programming and troubleshooting for myself and make this a work log on this thread, and keep posting my progess. Or I can stop wasting everyone's time on this thread... Vote now